вконтакте

Контактный телефон: +7 (981) 121-46-93, +7 (800) 200-90-76 , Email: parts-katalog@yandex.ru, где купить

 
 

  Логин:

Пароль:

Регистрация

www.partskatalog.ru Все каталоги Запчасти Mercury Запчасти Suzuki Запчасти Tohatsu Запчасти Honda Контакты



УВАЖАЕМЫЕ КЛИЕНТЫ!
C 19 ДЕКАБРЯ 2025 ПО 02 МАРТА 2026 ГОДА ОТДЕЛ ЗАПЧАСТЕЙ И СЕРВИС РАБОТАТЬ НЕ БУДУТ
ПРОДАЖА ЛОДОЧНЫХ МОТОРОВ В ШТАТНОМ РЕЖИМЕ
ОБ ИЗМЕНЕНИЯХ В ГРАФИКЕ РАБОТЫ ЧИТАЙТЕ НА САЙТА




запчастиsuzuki

Узнать наличие и цену запчасти:

Вернуться к началу выбора

Поиск модели по серийному номеру


РЕЖИМЫ ПРОСМОТРА

Все узлы и детали

Двигатель

Трансмиссия

Электрика

Внешние части

Дополнительные опции

Тип двигателя: 4x - тактный

Модель двигателя: Suzuki DF9.9

Модификация Вашего двигателя:   Suzuki DF-9.9 AS / AL (P01 024)
Двигатели с серийным номером после 00994F-440001
Код модели двигателя: DF9.9A S / L FROM 00994F-440001~ (P01 024)
Год выпуска двигателя: 2024
Регион: Россия, Европа


Поиск запчастей по коду или названию


   Выберите раздел

найти расходники на лодочные моторы Suzuki

Начните вводить запрос

111A - Cylinder  Head (111A - Головка блока цилиндра)

111A - Cylinder Head (111A - Головка блока цилиндра)

113A -  Cylinder  Block (113A - Блок цилиндра)

113A - Cylinder Block (113A - Блок цилиндра)

116A - Crankshaft (116A - Коленвал)

116A - Crankshaft (116A - Коленвал)

120A - Timing Belt (Df8A,Df9.9A) (120A - Ремень распредвала (Df8A, Df9.9A))

120A - Timing Belt (Df8A,Df9.9A) (120A - Ремень распредвала (Df8A, Df9.9A))

121A - Camshaft (Df8A,Df9.9A) (121A - Распределительный вал (Df8A, Df9.9A))

121A - Camshaft (Df8A,Df9.9A) (121A - Распределительный вал (Df8A, Df9.9A))

126A - Inlet  Manifold (126A - Впускной коллектор)

126A - Inlet Manifold (126A - Впускной коллектор)

128C - Carburetor  (Df9.9A) (128C - Карбюратор (Df9.9A))

128C - Carburetor (Df9.9A) (128C - Карбюратор (Df9.9A))

146A - Fuel Pump (146A - Топливный насос)

146A - Fuel Pump (146A - Топливный насос)

160A - Water  Pump (160A - Водяной насос)

160A - Water Pump (160A - Водяной насос)

162A - Thermostat (162A - Термостат)

162A - Thermostat (162A - Термостат)

166A - Throttle Control  (Df8A,Df9.9A) (166A - Управление дросселем (Df8A, Df9.9A))

166A - Throttle Control (Df8A,Df9.9A) (166A - Управление дросселем (Df8A, Df9.9A))

167A - Recoil Starter (167A - Барабанный стартер)

167A - Recoil Starter (167A - Барабанный стартер)

175A - Oil Pump (175A - Масляный насос)

175A - Oil Pump (175A - Масляный насос)

206A - Clutch Rod  (Df8A,Df9.9A) (206A - Тяга сцепления (Df8A, Df9.9A))

206A - Clutch Rod (Df8A,Df9.9A) (206A - Тяга сцепления (Df8A, Df9.9A))

210A  -  Shift  Rod (210A - Переключающая тяга)

210A - Shift Rod (210A - Переключающая тяга)

220A  -  Transmission (220A - Трансмиссия)

220A - Transmission (220A - Трансмиссия)

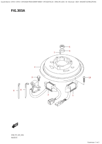
303A - Magneto (Df8A,Df9.9A) (303A - Магнето (Df8A, Df9.9A))

303A - Magneto (Df8A,Df9.9A) (303A - Магнето (Df8A, Df9.9A))

310A  -  Rectifier  / Ignition  Coil (310A - Выпрямитель / Катушка зажигания)

310A - Rectifier / Ignition Coil (310A - Выпрямитель / Катушка зажигания)

322A - Harness (Df8A,Df9.9A) (322A - Жгут проводов (Df8A, Df9.9A))

322A - Harness (Df8A,Df9.9A) (322A - Жгут проводов (Df8A, Df9.9A))

334A - Sensor / Switch  (Df8A,Df9.9A) (334A - Датчики и переключатели (Df8A, Df9.9A))

334A - Sensor / Switch (Df8A,Df9.9A) (334A - Датчики и переключатели (Df8A, Df9.9A))

335A - Clamp Bracket  (Df8A,Df9.9A) (335A - Кронштейн транца (Df8A, Df9.9A))

335A - Clamp Bracket (Df8A,Df9.9A) (335A - Кронштейн транца (Df8A, Df9.9A))

336A - Swivel Bracket  (Df8A,Df9.9A) (336A - Поворотный кронштейн (Df8A, Df9.9A))

336A - Swivel Bracket (Df8A,Df9.9A) (336A - Поворотный кронштейн (Df8A, Df9.9A))

401A - Engine  Holder (401A - Основание двигателя)

401A - Engine Holder (401A - Основание двигателя)

405A - Drive  Shaft  Housing (405A - Корпус вала передачи)

405A - Drive Shaft Housing (405A - Корпус вала передачи)

407A - Gear Case (407A - Картер коробки передач)

407A - Gear Case (407A - Картер коробки передач)

410A - Side Cover (Df8A,Df9.9A) (410A - Боковая крышка (Df8A, Df9.9A))

410A - Side Cover (Df8A,Df9.9A) (410A - Боковая крышка (Df8A, Df9.9A))

420B - Engine  Cover  (Df9.9A) (420B - Крышка двигателя (капот) (Df9.9A))

420B - Engine Cover (Df9.9A) (420B - Крышка двигателя (капот) (Df9.9A))

432A - Fuel Tank (432A - Топливный бак)

432A - Fuel Tank (432A - Топливный бак)

444A - Tiller Handle (Df8A,Df9.9A) (444A - Румпель (Df8A, Df9.9A))

444A - Tiller Handle (Df8A,Df9.9A) (444A - Румпель (Df8A, Df9.9A))

450A - Remote  Control  (Df8Ar) (450A - Дистанционное управление (Df8Ar))

450A - Remote Control (Df8Ar) (450A - Дистанционное управление (Df8Ar))

513A  -  Opt:remote Control  Parts (513A - Опции: Запчасти для дистанционного управления)

513A - Opt:remote Control Parts (513A - Опции: Запчасти для дистанционного управления)

515A  -  Opt:remocon  Cable (515A - Опции: трос дистанционного управления)

515A - Opt:remocon Cable (515A - Опции: трос дистанционного управления)

553A  -  Opt:electrical (Manual (553A - Опции: электрика (ручной)

553A - Opt:electrical (Manual (553A - Опции: электрика (ручной)

561A  -  Opt:starting Motor (561A - Опции: электростартер)

561A - Opt:starting Motor (561A - Опции: электростартер)

575A - Opt:drag  Link  (Df8A,Df9.9A) (575A - Опции: рулевая тяга (Df8A, Df9.9A))

575A - Opt:drag Link (Df8A,Df9.9A) (575A - Опции: рулевая тяга (Df8A, Df9.9A))

583A  -  Opt:fuel  Tank (583A - Опции: топливный бак)

583A - Opt:fuel Tank (583A - Опции: топливный бак)




 
 

данный сайт носит информационный характер и не является публичной офертой

склад запчастей для водомоторной техники