вконтакте

Контактный телефон: +7 (981) 121-46-93, +7 (800) 200-90-76 , Email: parts-katalog@yandex.ru, где купить

 
 

  Логин:

Пароль:

Регистрация

www.partskatalog.ru Все каталоги Запчасти Mercury Запчасти Suzuki Запчасти Tohatsu Запчасти Honda Контакты



УВАЖАЕМЫЕ КЛИЕНТЫ!
C 19 ДЕКАБРЯ 2025 ПО 02 МАРТА 2026 ГОДА ОТДЕЛ ЗАПЧАСТЕЙ И СЕРВИС РАБОТАТЬ НЕ БУДУТ
ПРОДАЖА ЛОДОЧНЫХ МОТОРОВ В ШТАТНОМ РЕЖИМЕ
ОБ ИЗМЕНЕНИЯХ В ГРАФИКЕ РАБОТЫ ЧИТАЙТЕ НА САЙТА




запчастиsuzuki

Узнать наличие и цену запчасти:

Вернуться к началу выбора

Поиск модели по серийному номеру


РЕЖИМЫ ПРОСМОТРА

Все узлы и детали

Двигатель

Трансмиссия

Электрика

Внешние части

Дополнительные опции

Тип двигателя: 2x - тактный

Модель двигателя: Suzuki DT30

Модификация Вашего двигателя:   Suzuki DT30 S / L (P40 024)
Двигатели с серийным номером после 03005-910001
Код модели двигателя: DT30 S / LFROM 03005-910001~ (P40 024)
Год выпуска двигателя: 2024
Регион: Регион P40 (Россия)


Поиск запчастей по коду или названию


   Выберите раздел

найти расходники на лодочные моторы Suzuki

Начните вводить запрос

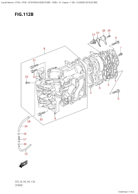
112B - Cylinder (Dt30,Dt30R) (112B - Цилиндр (Dt30, Dt30R))

112B - Cylinder (Dt30,Dt30R) (112B - Цилиндр (Dt30, Dt30R))

116B - Crankshaft (Dt30,Dt30R) (116B - Коленвал (Dt30, Dt30R))

116B - Crankshaft (Dt30,Dt30R) (116B - Коленвал (Dt30, Dt30R))

125B - Inlet Case (Dt30,Dt30R) (125B - вход Case (Dt30, Dt30R))

125B - Inlet Case (Dt30,Dt30R) (125B - вход Case (Dt30, Dt30R))

128B - Carburetor (Dt30,Dt30R) (128B - Карбюратор (Dt30, Dt30R))

128B - Carburetor (Dt30,Dt30R) (128B - Карбюратор (Dt30, Dt30R))

130A - Oil Seal Housing (M-Starter) (130A - Корпус сальника (модели с ручным стартером))

130A - Oil Seal Housing (M-Starter) (130A - Корпус сальника (модели с ручным стартером))

141A - Exhaust Tube (S-Transom) (141A - Выхлоп Трубка (S-Transom))

141A - Exhaust Tube (S-Transom) (141A - Выхлоп Трубка (S-Transom))

141B - Exhaust Tube (L-Transom) (141B - Выхлоп Трубка (L-Transom))

141B - Exhaust Tube (L-Transom) (141B - Выхлоп Трубка (L-Transom))

146B - Fuel Pump (Dt30,Dt30R) (146B - Топливный насос (Dt30, Dt30R))

146B - Fuel Pump (Dt30,Dt30R) (146B - Топливный насос (Dt30, Dt30R))

160A - Water Pump (S-Transom) (160A - Водяной насос (S-Transom))

160A - Water Pump (S-Transom) (160A - Водяной насос (S-Transom))

160B - Water Pump (L-Transom) (160B - Водяной насос (L-Transom))

160B - Water Pump (L-Transom) (160B - Водяной насос (L-Transom))

166B - Throttle Control (Dt30,Dt30R) (166B - Управление дросселем (Dt30, Dt30R))

166B - Throttle Control (Dt30,Dt30R) (166B - Управление дросселем (Dt30, Dt30R))

167A - Recoil Starter (M-Starter) (167A - Барабанный стартер (модели с ручным стартером))

167A - Recoil Starter (M-Starter) (167A - Барабанный стартер (модели с ручным стартером))

201B - Clutch (Dt30) (201B - Сцепление (Dt30))

201B - Clutch (Dt30) (201B - Сцепление (Dt30))

220A - Transmission (S-Transom) (220A - Трансмиссия (S-Transom))

220A - Transmission (S-Transom) (220A - Трансмиссия (S-Transom))

220B - Transmission (L-Transom) (220B - Трансмиссия (L-Transom))

220B - Transmission (L-Transom) (220B - Трансмиссия (L-Transom))

303B - Magneto (Dt30) (303B - Магнето (Dt30))

303B - Magneto (Dt30) (303B - Магнето (Dt30))

308B - Ignition (Dt30)

308B - Ignition (Dt30)

322B - Harness (Dt30) (322B - Жгут проводов (Dt30))

322B - Harness (Dt30) (322B - Жгут проводов (Dt30))

324B - Switch (Dt30) (324B - Переключатель (Dt30))

324B - Switch (Dt30) (324B - Переключатель (Dt30))

335A - Clamp Bracket (335A - Кронштейн транца)

335A - Clamp Bracket (335A - Кронштейн транца)

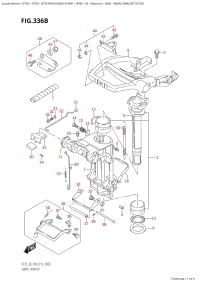
336B - Swivel Bracket (Dt30) (336B - Поворотный кронштейн (Dt30))

336B - Swivel Bracket (Dt30) (336B - Поворотный кронштейн (Dt30))

405A - Drive Shaft Housing (S-Transom) (405A - Корпус вала передачи (S-Transom))

405A - Drive Shaft Housing (S-Transom) (405A - Корпус вала передачи (S-Transom))

405B - Drive Shaft Housing (L-Transom) (405B - Корпус вала передачи (L-Transom))

405B - Drive Shaft Housing (L-Transom) (405B - Корпус вала передачи (L-Transom))

407A - Gear Case (407A - Картер коробки передач)

407A - Gear Case (407A - Картер коробки передач)

413B - Under Cover (Dt30) (413B - Нижняя часть корпуса (Dt30))

413B - Under Cover (Dt30) (413B - Нижняя часть корпуса (Dt30))

420B - Engine Cover (Dt30) (420B - Крышка двигателя (капот) (Dt30))

420B - Engine Cover (Dt30) (420B - Крышка двигателя (капот) (Dt30))

432C - Fuel Tank (Dt30,Dt30R) (432C - Топливный бак (Dt30, Dt30R))

432C - Fuel Tank (Dt30,Dt30R) (432C - Топливный бак (Dt30, Dt30R))

444B - Tiller Handle (Dt30) (444B - Румпель (Dt30))

444B - Tiller Handle (Dt30) (444B - Румпель (Dt30))

508A - Opt:remote Control (508A - Опции: дистанционное управление)

508A - Opt:remote Control (508A - Опции: дистанционное управление)

514A - Opt:remocon Parts Set (514A - Опции: установочный комплект ДУ)

514A - Opt:remocon Parts Set (514A - Опции: установочный комплект ДУ)

553A - Opt:electrical (Manual Starter) (Dt30:M-Starter) (553A - Опции: электрика (ручной Стартер) (Dt30: модели с ручным стартером))

553A - Opt:electrical (Manual Starter) (Dt30:M-Starter) (553A - Опции: электрика (ручной Стартер) (Dt30: модели с ручным стартером))

575A - Opt:drag Link (575A - Опции: рулевая тяга)

575A - Opt:drag Link (575A - Опции: рулевая тяга)

580B - Opt:regulator (Dt30) (580B - Опции: Регулятор (Dt30))

580B - Opt:regulator (Dt30) (580B - Опции: Регулятор (Dt30))




 
 

данный сайт носит информационный характер и не является публичной офертой

склад запчастей для водомоторной техники