вконтакте

Контактный телефон: +7 (981) 121-46-93, +7 (800) 200-90-76 , Email: parts-katalog@yandex.ru, где купить

 
 

  Логин:

Пароль:

Регистрация

www.partskatalog.ru Все каталоги Запчасти Mercury Запчасти Suzuki Запчасти Tohatsu Запчасти Honda Контакты


запчастиsuzuki

Узнать наличие и цену запчасти:

Вернуться к началу выбора

Поиск модели по серийному номеру


РЕЖИМЫ ПРОСМОТРА

Все узлы и детали

Двигатель

Трансмиссия

Электрика

Внешние части

Дополнительные опции

Тип двигателя: 4x - тактный

Модель двигателя: Suzuki DF175

Модификация Вашего двигателя:   Suzuki DF-175 APL / APX (E11 026)
Двигатели с серийным номером после 17503P-640001
Код модели двигателя: DF175AP L / X FROM 17503P-640001~ (E11 026)
Год выпуска двигателя: 2026
Регион: Россия, Европа


Поиск запчастей по коду или названию


   Выберите раздел

найти расходники на лодочные моторы Suzuki

Начните вводить запрос

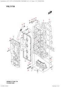
111A  -  Cylinder  Head (111A - Головка блока цилиндра)

111A - Cylinder Head (111A - Головка блока цилиндра)

113A  -  Cylinder  Block (113A - Блок цилиндра)

113A - Cylinder Block (113A - Блок цилиндра)

116A  -  Crankshaft (116A - Коленвал)

116A - Crankshaft (116A - Коленвал)

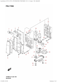
118A  -  Balancer (118A - Balancer)

118A - Balancer (118A - Balancer)

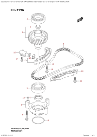
119A  -  Timing  Chain (119A - Распределяющая цепь)

119A - Timing Chain (119A - Распределяющая цепь)

121B  -  Camshaft  (Df175Ap) (121B - Распределительный вал (Df175Ap))

121B - Camshaft (Df175Ap) (121B - Распределительный вал (Df175Ap))

123A  -  Intake  Manifold  /  Throttle  Body (123A - Впускной коллектор / Дроссель газа)

123A - Intake Manifold / Throttle Body (123A - Впускной коллектор / Дроссель газа)

135A  -  Silencer  /  Ring  Gear  Cover (135A - Глушитель / Крышка механизма маховика)

135A - Silencer / Ring Gear Cover (135A - Глушитель / Крышка механизма маховика)

140A  -  Exhaust  Cover (140A - Кожух выхлопной трубы)

140A - Exhaust Cover (140A - Кожух выхлопной трубы)

143A  -  Fuel  Vapor  Separator  (E11) (143A - Отделитель паров топлива (E11))

143A - Fuel Vapor Separator (E11) (143A - Отделитель паров топлива (E11))

144A  -  Fuel  Injector  (E11) (144A - Топливный инжектор (E11))

144A - Fuel Injector (E11) (144A - Топливный инжектор (E11))

146A  -  Fuel  Pump  (E11) (146A - Топливный насос (E11))

146A - Fuel Pump (E11) (146A - Топливный насос (E11))

160A  -  Water  Pump  (E11) (160A - Водяной насос (E11))

160A - Water Pump (E11) (160A - Водяной насос (E11))

162A  -  Thermostat (162A - Термостат)

162A - Thermostat (162A - Термостат)

175A  -  Oil  Pump (175A - Масляный насос)

175A - Oil Pump (175A - Масляный насос)

178A  -  Oil  Filter (178A - Масляный фильтр)

178A - Oil Filter (178A - Масляный фильтр)

180A  -  Oil  Pan (180A - Масляный поддон)

180A - Oil Pan (180A - Масляный поддон)

204A  -  Clutch  Shaft (204A - Сцепление Вал)

204A - Clutch Shaft (204A - Сцепление Вал)

206A  -  Clutch  Rod (206A - Тяга сцепления)

206A - Clutch Rod (206A - Тяга сцепления)

220A  -  Transmission (220A - Трансмиссия)

220A - Transmission (220A - Трансмиссия)

301A  -  Starting  Motor (301A - Двигатель электростартера)

301A - Starting Motor (301A - Двигатель электростартера)

303A  -  Magneto (303A - Магнето)

303A - Magneto (303A - Магнето)

310A  -  Rectifier  /  Ignition  Coil (310A - Выпрямитель / Катушка зажигания)

310A - Rectifier / Ignition Coil (310A - Выпрямитель / Катушка зажигания)

315A  -  Sensor (315A - Датчик)

315A - Sensor (315A - Датчик)

322A  -  Harness (322A - Жгут проводов)

322A - Harness (322A - Жгут проводов)

326A  -  Ptt  Switch  /  Engine  Control  Unit (326A - Переключатель гидроподъёма / Блок управления двигателем)

326A - Ptt Switch / Engine Control Unit (326A - Переключатель гидроподъёма / Блок управления двигателем)

331A  -  Key  Less  Start (331A - Ключ Less Start)

331A - Key Less Start (331A - Ключ Less Start)

335A  -  Clamp  Bracket (335A - Кронштейн транца)

335A - Clamp Bracket (335A - Кронштейн транца)

336A  -  Swivel  Bracket (336A - Поворотный кронштейн)

336A - Swivel Bracket (336A - Поворотный кронштейн)

337A  -  Trim  Cylinder (337A - Цилиндр трима)

337A - Trim Cylinder (337A - Цилиндр трима)

340A  -  Ptt  Motor (340A - Двигатель гидроподъёма)

340A - Ptt Motor (340A - Двигатель гидроподъёма)

401A  -  Engine  Holder (401A - Основание двигателя)

401A - Engine Holder (401A - Основание двигателя)

405A  -  Drive  Shaft  Housing (405A - Корпус вала передачи)

405A - Drive Shaft Housing (405A - Корпус вала передачи)

407A  -  Gear  Case (407A - Картер коробки передач)

407A - Gear Case (407A - Картер коробки передач)

410A  -  Side  Cover (410A - Боковая крышка)

410A - Side Cover (410A - Боковая крышка)

420C  -  Engine  Cover  (Df175Ap) (420C - Крышка двигателя (капот) (Df175Ap))

420C - Engine Cover (Df175Ap) (420C - Крышка двигателя (капот) (Df175Ap))

430A  -  Fuel  Hose  (E11) (430A - Топливный шланг (E11))

430A - Fuel Hose (E11) (430A - Топливный шланг (E11))

475A  -  Squeeze  Pump  (E11) (475A - Ручная сжимная помпа (E11))

475A - Squeeze Pump (E11) (475A - Ручная сжимная помпа (E11))

520A  -  Opt:flush  Mount  Remocon (520A - Опции: монтаж заподлицо Remocon)

520A - Opt:flush Mount Remocon (520A - Опции: монтаж заподлицо Remocon)

522A  -  Opt:harness  (1) (522A - Опции: жгут проводов (1))

522A - Opt:harness (1) (522A - Опции: жгут проводов (1))

523A  -  Opt:harness  (2) (523A - Опции: жгут проводов (2))

523A - Opt:harness (2) (523A - Опции: жгут проводов (2))

530A  -  Opt:switch (530A - Опции: переключатели)

530A - Opt:switch (530A - Опции: переключатели)

535A  -  Opt:key  Less  Start (535A - Опции: Ключ Less Start)

535A - Opt:key Less Start (535A - Опции: Ключ Less Start)

540A  -  Opt:remote  Control  Assy  Dual (540A - Опции: дистанционное управление в сборе Dual)

540A - Opt:remote Control Assy Dual (540A - Опции: дистанционное управление в сборе Dual)

543A  -  Opt:remote  Control  Assy  Single (543A - Дистанционное управление в сборе, одинарное)

543A - Opt:remote Control Assy Single (543A - Дистанционное управление в сборе, одинарное)

575A  -  Opt:drag  Link (575A - Опции: рулевая тяга)

575A - Opt:drag Link (575A - Опции: рулевая тяга)

585A  -  Opt:gasket  Set (585A - Опции: комплект прокладок)

585A - Opt:gasket Set (585A - Опции: комплект прокладок)

601A  -  Opt:multi  Function  Gauge  (1) (601A - Опции: multi Function Gauge (1))

601A - Opt:multi Function Gauge (1) (601A - Опции: multi Function Gauge (1))

601B  -  Opt:multi  Function  Gauge  (1) (601B - Опции: multi Function Gauge (1))

601B - Opt:multi Function Gauge (1) (601B - Опции: multi Function Gauge (1))

602A  -  Opt:multi  Function  Gauge  (2) (602A - Опции: multi Function Gauge (2))

602A - Opt:multi Function Gauge (2) (602A - Опции: multi Function Gauge (2))

602B  -  Opt:multi  Function  Gauge  (2) (602B - Опции: multi Function Gauge (2))

602B - Opt:multi Function Gauge (2) (602B - Опции: multi Function Gauge (2))




 
 

данный сайт носит информационный характер и не является публичной офертой

склад запчастей для водомоторной техники