| |
Выберите раздел
|

|
 111A - Cylinder Head (111A - Головка блока цилиндра) |
 113A - Cylinder Block (113A - Блок цилиндра) |
 116A - Crankshaft (116A - Коленвал) |
 119A - Timing Chain (119A - Распределяющая цепь) |
 121A - Camshaft (121A - Распределительный вал) |
 124C - Intake Manifold / Silencer / Exhaust Cover (Df60A, (124C - Впускной коллектор / Глушитель / Кожух выхлопной трубы (Df60A,) |
 136A - Ring Gear Cover (136A - Крышка механизма маховика) |
 143A - Fuel Vapor Separator (143A - Отделитель паров топлива) |
_06002f_640001_rand5495_small.png) 144A - Fuel Injector (E01,E03,E11,E34) (144A - Топливный инжектор (E01, E03, E11, E34)) |
 146A - Fuel Pump (146A - Топливный насос) |
_(e01_06002f_640001_rand4248_small.png) 160A - Water Pump ((Df40A,Df40Aqh,Df40Ast,Df50A,Df60A):(E01, (160A - Водяной насос ( (Df40A, Df40Aqh, Df40Ast, Df50A, Df60A) : (E01,) |
 162A - Thermostat (162A - Термостат) |
 163A - Throttle Body (Df40A,Df40Ast,Df40Asvt,Df50A,Df50Avt, (163A - Дроссель газа (Df40A, Df40Ast, Df40Asvt, Df50A, Df50Avt,) |
_06002f_640001_rand4769_small.png) 163C - Throttle Body (Df40A,Df50A,Df60A) (163C - Дроссель газа (Df40A, Df50A, Df60A)) |
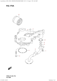
 175A - Oil Pump (175A - Масляный насос) |
_06002f_640001_rand3529_small.png) 180A - Oil Pan (Df40A,Df40Ast,Df40Asvt,Df50A,Df60A) (180A - Масляный поддон (Df40A, Df40Ast, Df40Asvt, Df50A, Df60A)) |
 204A - Clutch Shaft (Df40A,Df40Aqh,Df40Ast,Df50A, (204A - Сцепление Вал (Df40A, Df40Aqh, Df40Ast, Df50A,) |
 206A - Clutch Rod (Df40A,Df40Aqh,Df40Ast,Df50A,Df60A, (206A - Тяга сцепления (Df40A, Df40Aqh, Df40Ast, Df50A, Df60A,) |
_(e01_06002f_640001_rand7841_small.png) 220A - Transmission ((Df40A,Df40Aqh,Df50A,Df60A):(E01, (220A - Трансмиссия ( (Df40A, Df40Aqh, Df50A, Df60A) : (E01,) |
 301A - Starting Motor (301A - Двигатель электростартера) |
 303A - Magneto (303A - Магнето) |
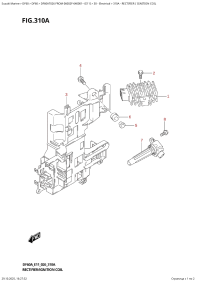
 310A - Rectifier / Ignition Coil (310A - Выпрямитель / Катушка зажигания) |
_06002f_640001_rand1035_small.png) 315C - Sensor (Df40Ast,Df40Asvt,Df50Avt,Df60A,Df60Avt) (315C - Датчик (Df40Ast, Df40Asvt, Df50Avt, Df60A, Df60Avt)) |
_06002f_640001_rand7805_small.png) 322E - Harness (Df40Ast,Df40Asvt,Df60A,Df60Avt) (322E - Жгут проводов (Df40Ast, Df40Asvt, Df60A, Df60Avt)) |
_06002f_640001_rand947_small.png) 326A - Ptt Switch / Engine Control Unit (Df40A,Df50A,Df60A) (326A - Переключатель гидроподъёма / Блок управления двигателем (Df40A, Df50A, Df60A)) |
_06002f_640001_rand3242_small.png) 335A - Clamp Bracket (Df40Ast,Df60A) (335A - Кронштейн транца (Df40Ast, Df60A)) |
_06002f_640001_rand8020_small.png) 336B - Swivel Bracket (Df60A) (336B - Поворотный кронштейн (Df60A)) |
_06002f_640001_rand9896_small.png) 337A - Trim Cylinder (Df40Ast,Df60A) (337A - Цилиндр трима (Df40Ast, Df60A)) |
 340A - Ptt Motor (Df40A,Df40Ast,Df40Asvt,Df50A,Df60A, (340A - Двигатель гидроподъёма (Df40A, Df40Ast, Df40Asvt, Df50A, Df60A,) |
_06002f_640001_rand6164_small.png) 401A - Engine Holder (Df40A,Df40Ast,Df50A,Df60A) (401A - Основание двигателя (Df40A, Df40Ast, Df50A, Df60A)) |
_06002f_640001_rand1847_small.png) 405B - Drive Shaft Housing (Df60A:e11) (405B - Корпус вала передачи (Df60A: e11)) |
_06002f_640001_rand6377_small.png) 407B - Gear Case (Df60A) (407B - Картер коробки передач (Df60A)) |
 410A - Side Cover (Df40Aqh,Df40Ast,Df40A,Df50A,Df60Aqh,Df60A, (410A - Боковая крышка (Df40Aqh, Df40Ast, Df40A, Df50A, Df60Aqh, Df60A,) |
_06002f_640001_rand8614_small.png) 420E - Engine Cover (Df60A) (420E - Крышка двигателя (капот) (Df60A)) |
_06002f_640001_rand4128_small.png) 430A - Fuel Hose (E03,E11) (430A - Топливный шланг (E03, E11)) |
_06002f_640001_rand4217_small.png) 432A - Fuel Tank (E01,E34,E11,E40) (432A - Топливный бак (E01, E34, E11, E40)) |
 442A - Drag Link (442A - Переключающая тяга) |
_06002f_640001_rand5715_small.png) 444C - Tiller Handle (Df60A) (444C - Румпель (Df60A)) |
 501A - Opt:meter (Df40A,Df40Ast,Df40Asvt,Df50A,Df50Avt, (501A - Опции: приборы (Df40A, Df40Ast, Df40Asvt, Df50A, Df50Avt,) |
 507A - Opt:water Pressure Gauge Sub Kit (507A - Опции: Комплект прибора изменения давления воды) |
 508A - Opt:remote Control (Df40A,Df50A,Df60A,Df40Ast, (508A - Опции: дистанционное управление (Df40A, Df50A, Df60A, Df40Ast,) |
 515A - Opt:remocon Cable (Df40A,Df40Ast,Df50A,Df50Avt, (515A - Опции: трос дистанционного управления (Df40A, Df40Ast, Df50A, Df50Avt,) |
_(df40a_df50a_df60a_06002f_640001_rand2576_small.png) 517A - Opt:concealed Remocon (1) (Df40A,Df50A,Df60A, (517A - Опции: дистанционное управление, скрытая установка (1) (Df40A, Df50A, Df60A,) |
_(df40a_df50a_df60a_06002f_640001_rand9138_small.png) 518A - Opt:concealed Remocon (2) (Df40A,Df50A,Df60A, (518A - Опции: дистанционное управление, скрытая установка (2) (Df40A, Df50A, Df60A,) |
 521A - Opt:harness (Df40A,Df40Ast,Df50A,Df60A,Df50Avt, (521A - Опции: жгут проводов (Df40A, Df40Ast, Df50A, Df60A, Df50Avt,) |
 530A - Opt:switch (Df40A,Df40Ast,Df50A,Df60A,Df50Avt, (530A - Опции: переключатели (Df40A, Df40Ast, Df50A, Df60A, Df50Avt,) |
_06002f_640001_rand6881_small.png) 544A - Opt:remote Control Assy Single (1) (544A - Дистанционное управление в сборе, одинарное (1)) |
_06002f_640001_rand6853_small.png) 545A - Opt:remote Control Assy Single (2) (545A - Дистанционное управление в сборе, одинарное (2)) |
 570B - Opt:tiller Handle (Df40Ast,Df40Asvt,Df50Avt,Df60A, (570B - Опции: Румпель (Df40Ast, Df40Asvt, Df50Avt, Df60A,) |
 585A - Opt:gasket Set (Df40A,Df40Aqh,Df40Ast,Df50A,Df60A, (585A - Опции: комплект прокладок (Df40A, Df40Aqh, Df40Ast, Df50A, Df60A,) |
_06002f_640001_rand9074_small.png) 600A - Opt:multi Function Gauge ((Df60A,Df60Aqh,Df60Avt): (600A - Опции: multi Function Gauge ( (Df60A, Df60Aqh, Df60Avt) :) |
 600B - Opt:multi Function Gauge (Df40A,Df40Ast,Df40Asvt, (600B - Опции: multi Function Gauge (Df40A, Df40Ast, Df40Asvt,) |
|
|