вконтакте

Контактный телефон: +7 (981) 121-46-93, +7 (800) 200-90-76 , Email: parts-katalog@yandex.ru, где купить

 
 

  Логин:

Пароль:

Регистрация

www.partskatalog.ru Все каталоги Запчасти Mercury Запчасти Suzuki Запчасти Tohatsu Запчасти Honda Контакты



УВАЖАЕМЫЕ КЛИЕНТЫ!
C 19 ДЕКАБРЯ 2025 ПО 02 МАРТА 2026 ГОДА ОТДЕЛ ЗАПЧАСТЕЙ И СЕРВИС РАБОТАТЬ НЕ БУДУТ
ПРОДАЖА ЛОДОЧНЫХ МОТОРОВ В ШТАТНОМ РЕЖИМЕ
ОБ ИЗМЕНЕНИЯХ В ГРАФИКЕ РАБОТЫ ЧИТАЙТЕ НА САЙТА




запчастиsuzuki

Узнать наличие и цену запчасти:

Вернуться к началу выбора

Поиск модели по серийному номеру


РЕЖИМЫ ПРОСМОТРА

Все узлы и детали

Двигатель

Трансмиссия

Электрика

Внешние части

Дополнительные опции

Тип двигателя: 4x - тактный

Модель двигателя: Suzuki DF20

Модификация Вашего двигателя:   Suzuki DF-20 AS / AL (P01 025)
Двигатели с серийным номером после 02002F-540001
Код модели двигателя: DF20A S / L FROM 02002F-540001~ (P01 025)
Год выпуска двигателя: 2015
Регион: Россия, Европа


Поиск запчастей по коду или названию


   Выберите раздел

найти расходники на лодочные моторы Suzuki

Начните вводить запрос

111A - Cylinder Head (111A - Головка блока цилиндра)

111A - Cylinder Head (111A - Головка блока цилиндра)

113A - Cylinder Block (113A - Блок цилиндра)

113A - Cylinder Block (113A - Блок цилиндра)

116A - Crankshaft (116A - Коленвал)

116A - Crankshaft (116A - Коленвал)

120A - Timing Belt (120A - Ремень распредвала)

120A - Timing Belt (120A - Ремень распредвала)

121A - Camshaft (M-Starter) (121A - Распределительный вал (модели с ручным стартером))

121A - Camshaft (M-Starter) (121A - Распределительный вал (модели с ручным стартером))

126C - Inlet Manifold  (Df20A,Df20Ar,Df20At,Df20Ath) (126C - Впускной коллектор (Df20A, Df20Ar, Df20At, Df20Ath))

126C - Inlet Manifold (Df20A,Df20Ar,Df20At,Df20Ath) (126C - Впускной коллектор (Df20A, Df20Ar, Df20At, Df20Ath))

144A - Fuel Injector (144A - Топливный инжектор)

144A - Fuel Injector (144A - Топливный инжектор)

146A - Fuel Pump (P01) (146A - Топливный насос (P01))

146A - Fuel Pump (P01) (146A - Топливный насос (P01))

160A - Water Pump (P01) (160A - Водяной насос (P01))

160A - Water Pump (P01) (160A - Водяной насос (P01))

160D - Water Pump (P40:025) (160D - Водяной насос (P40: 025))

160D - Water Pump (P40:025) (160D - Водяной насос (P40: 025))

162A - Thermostat (162A - Термостат)

162A - Thermostat (162A - Термостат)

163A - Throttle  Body  (Df9.9B,Df15A,Df20A,Df20Ath) (163A - Дроссель газа (Df9.9B, Df15A, Df20A, Df20Ath))

163A - Throttle Body (Df9.9B,Df15A,Df20A,Df20Ath) (163A - Дроссель газа (Df9.9B, Df15A, Df20A, Df20Ath))

167A  -  Recoil  Starter  (Df9.9B,Df9.9Br,Df15A,Df15Ar,Df20A, (167A - Барабанный стартер (Df9.9B, Df9.9Br, Df15A, Df15Ar, Df20A,)

167A - Recoil Starter (Df9.9B,Df9.9Br,Df15A,Df15Ar,Df20A, (167A - Барабанный стартер (Df9.9B, Df9.9Br, Df15A, Df15Ar, Df20A,)

175A - Oil Pump (175A - Масляный насос)

175A - Oil Pump (175A - Масляный насос)

206A - Clutch  Rod  (Df9.9B,Df15A,Df20A,Df20Ath) (206A - Тяга сцепления (Df9.9B, Df15A, Df20A, Df20Ath))

206A - Clutch Rod (Df9.9B,Df15A,Df20A,Df20Ath) (206A - Тяга сцепления (Df9.9B, Df15A, Df20A, Df20Ath))

210A - Shift Rod (210A - Переключающая тяга)

210A - Shift Rod (210A - Переключающая тяга)

220A  -  Transmission  (Df9.9B,Df9.9Br,Df15A,Df15Ar,Df20A, (220A - Трансмиссия (Df9.9B, Df9.9Br, Df15A, Df15Ar, Df20A,)

220A - Transmission (Df9.9B,Df9.9Br,Df15A,Df15Ar,Df20A, (220A - Трансмиссия (Df9.9B, Df9.9Br, Df15A, Df15Ar, Df20A,)

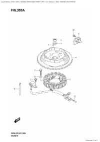
303A - Magneto (M-Starter) (303A - Магнето (модели с ручным стартером))

303A - Magneto (M-Starter) (303A - Магнето (модели с ручным стартером))

310N - Rectifier /  Ignition Coil (Df20A:p01:025:M-Starter) (310N - Выпрямитель / Катушка зажигания (Df20A: p01: 025: модели с ручным стартером))

310N - Rectifier / Ignition Coil (Df20A:p01:025:M-Starter) (310N - Выпрямитель / Катушка зажигания (Df20A: p01: 025: модели с ручным стартером))

322A - Harness (Df9.9B,Df15A,Df20A) (322A - Жгут проводов (Df9.9B, Df15A, Df20A))

322A - Harness (Df9.9B,Df15A,Df20A) (322A - Жгут проводов (Df9.9B, Df15A, Df20A))

334A - Sensor / Switch ((Df9.9B,Df15A,Df20A):P01) (334A - Датчики и переключатели ( (Df9.9B, Df15A, Df20A) : P01))

334A - Sensor / Switch ((Df9.9B,Df15A,Df20A):P01) (334A - Датчики и переключатели ( (Df9.9B, Df15A, Df20A) : P01))

335A - Clamp Bracket  ((Df9.9B,Df15A,Df20A):P01) (335A - Кронштейн транца ( (Df9.9B, Df15A, Df20A) : P01))

335A - Clamp Bracket ((Df9.9B,Df15A,Df20A):P01) (335A - Кронштейн транца ( (Df9.9B, Df15A, Df20A) : P01))

336A - Swivel Bracket  ((Df9.9B,Df15A,Df20A):P01) (336A - Поворотный кронштейн ( (Df9.9B, Df15A, Df20A) : P01))

336A - Swivel Bracket ((Df9.9B,Df15A,Df20A):P01) (336A - Поворотный кронштейн ( (Df9.9B, Df15A, Df20A) : P01))

401A - Engine Holder (401A - Основание двигателя)

401A - Engine Holder (401A - Основание двигателя)

405A - Drive Shaft Housing (P01) (405A - Корпус вала передачи (P01))

405A - Drive Shaft Housing (P01) (405A - Корпус вала передачи (P01))

407A - Gear Case (P01) (407A - Картер коробки передач (P01))

407A - Gear Case (P01) (407A - Картер коробки передач (P01))

407E - Gear Case (Df20A:p01) (407E - Картер коробки передач (Df20A: p01))

407E - Gear Case (Df20A:p01) (407E - Картер коробки передач (Df20A: p01))

410A - Side Cover ((Df9.9B,Df15A,Df20A):P01) (410A - Боковая крышка ( (Df9.9B, Df15A, Df20A) : P01))

410A - Side Cover ((Df9.9B,Df15A,Df20A):P01) (410A - Боковая крышка ( (Df9.9B, Df15A, Df20A) : P01))

420C - Engine Cover (Df20A,Df20Ar,Df20At,Df20Ath) (420C - Крышка двигателя (капот) (Df20A, Df20Ar, Df20At, Df20Ath))

420C - Engine Cover (Df20A,Df20Ar,Df20At,Df20Ath) (420C - Крышка двигателя (капот) (Df20A, Df20Ar, Df20At, Df20Ath))

432A - Fuel Tank (432A - Топливный бак)

432A - Fuel Tank (432A - Топливный бак)

444A - Tiller Handle (Df9.9B,Df15A,Df20A:p01,Df20Ath) (444A - Румпель (Df9.9B, Df15A, Df20A: p01, Df20Ath))

444A - Tiller Handle (Df9.9B,Df15A,Df20A:p01,Df20Ath) (444A - Румпель (Df9.9B, Df15A, Df20A: p01, Df20Ath))

501A  -  Opt:meter  (Df9.9B,Df9.9Br,Df15A,Df15Ar,Df15At,Df20A, (501A - Опции: приборы (Df9.9B, Df9.9Br, Df15A, Df15Ar, Df15At, Df20A,)

501A - Opt:meter (Df9.9B,Df9.9Br,Df15A,Df15Ar,Df15At,Df20A, (501A - Опции: приборы (Df9.9B, Df9.9Br, Df15A, Df15Ar, Df15At, Df20A,)

508A - Opt:remote  Control (Df9.9B,Df15A,Df20A) (508A - Опции: дистанционное управление (Df9.9B, Df15A, Df20A))

508A - Opt:remote Control (Df9.9B,Df15A,Df20A) (508A - Опции: дистанционное управление (Df9.9B, Df15A, Df20A))

513A  -  Opt:remote  Control  Parts  (Df9.9B,Df15A,Df20A, (513A - Опции: Запчасти для дистанционного управления (Df9.9B, Df15A, Df20A,)

513A - Opt:remote Control Parts (Df9.9B,Df15A,Df20A, (513A - Опции: Запчасти для дистанционного управления (Df9.9B, Df15A, Df20A,)

515A  -  Opt:remocon  Cable  (Df9.9B,Df9.9Br,Df15A,Df15Ar, (515A - Опции: трос дистанционного управления (Df9.9B, Df9.9Br, Df15A, Df15Ar,)

515A - Opt:remocon Cable (Df9.9B,Df9.9Br,Df15A,Df15Ar, (515A - Опции: трос дистанционного управления (Df9.9B, Df9.9Br, Df15A, Df15Ar,)

521A  -  Opt:harness  (Df9.9B,Df9.9Br,Df15A,Df15Ar,Df15At,Df20A, (521A - Опции: жгут проводов (Df9.9B, Df9.9Br, Df15A, Df15Ar, Df15At, Df20A,)

521A - Opt:harness (Df9.9B,Df9.9Br,Df15A,Df15Ar,Df15At,Df20A, (521A - Опции: жгут проводов (Df9.9B, Df9.9Br, Df15A, Df15Ar, Df15At, Df20A,)

553A  -  Opt:electrical  (Manual  Starter)  ((Df9.9B,Df15A,Df20A): (553A - Опции: электрика (ручной Стартер) ( (Df9.9B, Df15A, Df20A) :)

553A - Opt:electrical (Manual Starter) ((Df9.9B,Df15A,Df20A): (553A - Опции: электрика (ручной Стартер) ( (Df9.9B, Df15A, Df20A) :)

561C  -  Opt:starting  Motor  (Manual  Starter) (Df20A:p01:M- (561C - Опции: электростартер (ручной Стартер) (Df20A: p01: M-)

561C - Opt:starting Motor (Manual Starter) (Df20A:p01:M- (561C - Опции: электростартер (ручной Стартер) (Df20A: p01: M-)

575A - Opt:drag Link (Df9.9B,Df15A,Df20A) (575A - Опции: рулевая тяга (Df9.9B, Df15A, Df20A))

575A - Opt:drag Link (Df9.9B,Df15A,Df20A) (575A - Опции: рулевая тяга (Df9.9B, Df15A, Df20A))

583B - Opt:fuel  Tank  (Df15At,Df20A,Df20Ar,Df20At,Df20Ath) (583B - Опции: топливный бак (Df15At, Df20A, Df20Ar, Df20At, Df20Ath))

583B - Opt:fuel Tank (Df15At,Df20A,Df20Ar,Df20At,Df20Ath) (583B - Опции: топливный бак (Df15At, Df20A, Df20Ar, Df20At, Df20Ath))




 
 

данный сайт носит информационный характер и не является публичной офертой

склад запчастей для водомоторной техники