вконтакте

Контактный телефон: +7 (981) 121-46-93, +7 (800) 200-90-76 , Email: parts-katalog@yandex.ru, где купить

 
 

  Логин:

Пароль:

Регистрация

www.partskatalog.ru Все каталоги Запчасти Mercury Запчасти Suzuki Запчасти Tohatsu Запчасти Honda Контакты


запчастиsuzuki

Узнать наличие и цену запчасти:

Вернуться к началу выбора

Поиск модели по серийному номеру


РЕЖИМЫ ПРОСМОТРА

Все узлы и детали

Двигатель

Трансмиссия

Электрика

Внешние части

Дополнительные опции

Тип двигателя: 4x - тактный

Модель двигателя: Suzuki DF150

Модификация Вашего двигателя:   Suzuki DF-150 AZL / AZX (E11 026)
Двигатели с серийным номером после 15003Z-640001
Код модели двигателя: DF150AZ L / X FROM 15003Z-640001~ (E11 026)
Год выпуска двигателя: 2026
Регион: Россия, Европа


Поиск запчастей по коду или названию


   Выберите раздел

найти расходники на лодочные моторы Suzuki

Начните вводить запрос

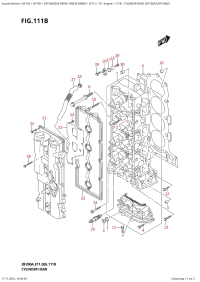
111B  -  Cylinder  Head  (Df150At,Df150Az) (111B - Головка блока цилиндра (Df150At, Df150Az))

111B - Cylinder Head (Df150At,Df150Az) (111B - Головка блока цилиндра (Df150At, Df150Az))

113A  -  Cylinder  Block (113A - Блок цилиндра)

113A - Cylinder Block (113A - Блок цилиндра)

116A  -  Crankshaft (116A - Коленвал)

116A - Crankshaft (116A - Коленвал)

118A  -  Balancer (118A - Balancer)

118A - Balancer (118A - Balancer)

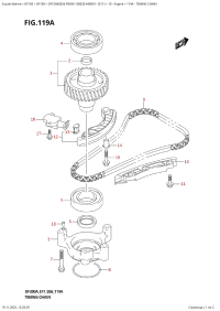
119A  -  Timing  Chain (119A - Распределяющая цепь)

119A - Timing Chain (119A - Распределяющая цепь)

121B  -  Camshaft  (Df150At,Df150Az) (121B - Распределительный вал (Df150At, Df150Az))

121B - Camshaft (Df150At,Df150Az) (121B - Распределительный вал (Df150At, Df150Az))

123A  -  Intake  Manifold  /  Throttle  Body (123A - Впускной коллектор / Дроссель газа)

123A - Intake Manifold / Throttle Body (123A - Впускной коллектор / Дроссель газа)

135A  -  Silencer  /  Ring  Gear  Cover (135A - Глушитель / Крышка механизма маховика)

135A - Silencer / Ring Gear Cover (135A - Глушитель / Крышка механизма маховика)

140A  -  Exhaust  Cover (140A - Кожух выхлопной трубы)

140A - Exhaust Cover (140A - Кожух выхлопной трубы)

143A  -  Fuel  Vapor  Separator  (E11) (143A - Отделитель паров топлива (E11))

143A - Fuel Vapor Separator (E11) (143A - Отделитель паров топлива (E11))

144A  -  Fuel  Injector  (E11) (144A - Топливный инжектор (E11))

144A - Fuel Injector (E11) (144A - Топливный инжектор (E11))

146A  -  Fuel  Pump  (E11) (146A - Топливный насос (E11))

146A - Fuel Pump (E11) (146A - Топливный насос (E11))

160A  -  Water  Pump  (E11) (160A - Водяной насос (E11))

160A - Water Pump (E11) (160A - Водяной насос (E11))

162A  -  Thermostat (162A - Термостат)

162A - Thermostat (162A - Термостат)

164A  -  Throttle  Rod (164A - Тяга дросселя)

164A - Throttle Rod (164A - Тяга дросселя)

175A  -  Oil  Pump (175A - Масляный насос)

175A - Oil Pump (175A - Масляный насос)

178A  -  Oil  Filter (178A - Масляный фильтр)

178A - Oil Filter (178A - Масляный фильтр)

180A  -  Oil  Pan (180A - Масляный поддон)

180A - Oil Pan (180A - Масляный поддон)

204A  -  Clutch  Shaft (204A - Сцепление Вал)

204A - Clutch Shaft (204A - Сцепление Вал)

206A  -  Clutch  Rod (206A - Тяга сцепления)

206A - Clutch Rod (206A - Тяга сцепления)

220B  -  Transmission  (Df200Az,Df175Az,Df150Az) (220B - Трансмиссия (Df200Az, Df175Az, Df150Az))

220B - Transmission (Df200Az,Df175Az,Df150Az) (220B - Трансмиссия (Df200Az, Df175Az, Df150Az))

301A  -  Starting  Motor (301A - Двигатель электростартера)

301A - Starting Motor (301A - Двигатель электростартера)

303B  -  Magneto  (Df150At,Df150Az) (303B - Магнето (Df150At, Df150Az))

303B - Magneto (Df150At,Df150Az) (303B - Магнето (Df150At, Df150Az))

310A  -  Rectifier  /  Ignition  Coil (310A - Выпрямитель / Катушка зажигания)

310A - Rectifier / Ignition Coil (310A - Выпрямитель / Катушка зажигания)

315A  -  Sensor (315A - Датчик)

315A - Sensor (315A - Датчик)

322B  -  Harness  (Df150At,Df150Az) (322B - Жгут проводов (Df150At, Df150Az))

322B - Harness (Df150At,Df150Az) (322B - Жгут проводов (Df150At, Df150Az))

326C  -  Ptt  Switch  /  Engine  Control  Unit (Df150At, (326C - Переключатель гидроподъёма / Блок управления двигателем (Df150At,)

326C - Ptt Switch / Engine Control Unit (Df150At, (326C - Переключатель гидроподъёма / Блок управления двигателем (Df150At,)

331A  -  Key  Less  Start (331A - Ключ Less Start)

331A - Key Less Start (331A - Ключ Less Start)

335A  -  Clamp  Bracket (335A - Кронштейн транца)

335A - Clamp Bracket (335A - Кронштейн транца)

336A  -  Swivel  Bracket (336A - Поворотный кронштейн)

336A - Swivel Bracket (336A - Поворотный кронштейн)

337A  -  Trim  Cylinder (337A - Цилиндр трима)

337A - Trim Cylinder (337A - Цилиндр трима)

340A  -  Ptt  Motor (340A - Двигатель гидроподъёма)

340A - Ptt Motor (340A - Двигатель гидроподъёма)

401A  -  Engine  Holder (401A - Основание двигателя)

401A - Engine Holder (401A - Основание двигателя)

405A  -  Drive  Shaft  Housing (405A - Корпус вала передачи)

405A - Drive Shaft Housing (405A - Корпус вала передачи)

407D  -  Gear  Case  (Df175Az,Df150Az) (407D - Картер коробки передач (Df175Az, Df150Az))

407D - Gear Case (Df175Az,Df150Az) (407D - Картер коробки передач (Df175Az, Df150Az))

410A  -  Side  Cover (410A - Боковая крышка)

410A - Side Cover (410A - Боковая крышка)

420A  -  Engine  Cover  (Df150At,Df150Az) (420A - Крышка двигателя (капот) (Df150At, Df150Az))

420A - Engine Cover (Df150At,Df150Az) (420A - Крышка двигателя (капот) (Df150At, Df150Az))

430A  -  Fuel  Hose (430A - Топливный шланг)

430A - Fuel Hose (430A - Топливный шланг)

475A  -  Squeeze  Pump  (E11) (475A - Ручная сжимная помпа (E11))

475A - Squeeze Pump (E11) (475A - Ручная сжимная помпа (E11))

501A  -  Opt:meter (501A - Опции: приборы)

501A - Opt:meter (501A - Опции: приборы)

509A  -  Opt:remote  Control  (1) (509A - Опции: дистанционное управление (1))

509A - Opt:remote Control (1) (509A - Опции: дистанционное управление (1))

517A  -  Opt:concealed  Remocon  (1) (517A - Опции: дистанционное управление, скрытая установка (1))

517A - Opt:concealed Remocon (1) (517A - Опции: дистанционное управление, скрытая установка (1))

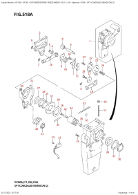
518A  -  Opt:concealed  Remocon  (2) (518A - Опции: дистанционное управление, скрытая установка (2))

518A - Opt:concealed Remocon (2) (518A - Опции: дистанционное управление, скрытая установка (2))

521A  -  Opt:harness (521A - Опции: жгут проводов)

521A - Opt:harness (521A - Опции: жгут проводов)

522A  -  Opt:harness  (1) (522A - Опции: жгут проводов (1))

522A - Opt:harness (1) (522A - Опции: жгут проводов (1))

530A  -  Opt:switch (530A - Опции: переключатели)

530A - Opt:switch (530A - Опции: переключатели)

535A  -  Opt:key  Less  Start (535A - Опции: Ключ Less Start)

535A - Opt:key Less Start (535A - Опции: Ключ Less Start)

541A  -  Opt:remote  Control  Assy  Dual  (1) (541A - Опции: дистанционное управление в сборе Dual (1))

541A - Opt:remote Control Assy Dual (1) (541A - Опции: дистанционное управление в сборе Dual (1))

542A  -  Opt:remote  Control  Assy  Dual  (2) (542A - Опции: дистанционное управление в сборе Dual (2))

542A - Opt:remote Control Assy Dual (2) (542A - Опции: дистанционное управление в сборе Dual (2))

544A  -  Opt:remote  Control  Assy  Single (1) (544A - Дистанционное управление в сборе, одинарное (1))

544A - Opt:remote Control Assy Single (1) (544A - Дистанционное управление в сборе, одинарное (1))

545A  -  Opt:remote  Control  Assy  Single (2) (545A - Дистанционное управление в сборе, одинарное (2))

545A - Opt:remote Control Assy Single (2) (545A - Дистанционное управление в сборе, одинарное (2))

573A  -  Opt:tie  Rod (573A - Опции: tie Тяга)

573A - Opt:tie Rod (573A - Опции: tie Тяга)

575A  -  Opt:drag  Link (575A - Опции: рулевая тяга)

575A - Opt:drag Link (575A - Опции: рулевая тяга)

585A  -  Opt:gasket  Set (585A - Опции: комплект прокладок)

585A - Opt:gasket Set (585A - Опции: комплект прокладок)

601A  -  Opt:multi  Function  Gauge  (1)  (E40) (601A - Опции: multi Function Gauge (1) (E40))

601A - Opt:multi Function Gauge (1) (E40) (601A - Опции: multi Function Gauge (1) (E40))

601B  -  Opt:multi  Function  Gauge  (1)  (E11) (601B - Опции: multi Function Gauge (1) (E11))

601B - Opt:multi Function Gauge (1) (E11) (601B - Опции: multi Function Gauge (1) (E11))

602A  -  Opt:multi  Function  Gauge  (2) (602A - Опции: multi Function Gauge (2))

602A - Opt:multi Function Gauge (2) (602A - Опции: multi Function Gauge (2))




 
 

данный сайт носит информационный характер и не является публичной офертой

склад запчастей для водомоторной техники