вконтакте

Контактный телефон: +7 (981) 121-46-93, +7 (800) 200-90-76 , Email: parts-katalog@yandex.ru, где купить

 
 

  Логин:

Пароль:

Регистрация

www.partskatalog.ru Все каталоги Запчасти Mercury Запчасти Suzuki Запчасти Tohatsu Запчасти Honda Контакты


запчастиsuzuki

Узнать наличие и цену запчасти:

Вернуться к началу выбора

Поиск модели по серийному номеру


РЕЖИМЫ ПРОСМОТРА

Все узлы и детали

Двигатель

Трансмиссия

Электрика

Внешние части

Дополнительные опции

Тип двигателя: 4x - тактный

Модель двигателя: Suzuki DF6

Модификация Вашего двигателя:   Suzuki DF-6 AS / AL (P01 026)
Двигатели с серийным номером после 00603F-640001
Код модели двигателя: DF6A S / L FROM 00603F-640001~ (P01 026)
Год выпуска двигателя: 2026
Регион: Россия, Европа


Поиск запчастей по коду или названию


   Выберите раздел

найти расходники на лодочные моторы Suzuki

Начните вводить запрос

111A  -  Cylinder  Head (111A - Головка блока цилиндра)

111A - Cylinder Head (111A - Головка блока цилиндра)

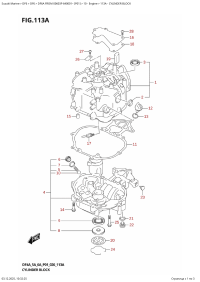
113A  -  Cylinder  Block (113A - Блок цилиндра)

113A - Cylinder Block (113A - Блок цилиндра)

116A  -  Crankshaft (116A - Коленвал)

116A - Crankshaft (116A - Коленвал)

122A  -  Intake  Manifold (122A - Впускной коллектор)

122A - Intake Manifold (122A - Впускной коллектор)

128C  -  Carburetor  (Df6A) (128C - Карбюратор (Df6A))

128C - Carburetor (Df6A) (128C - Карбюратор (Df6A))

146B  -  Fuel  Pump  (Df5A,Df6A) (146B - Топливный насос (Df5A, Df6A))

146B - Fuel Pump (Df5A,Df6A) (146B - Топливный насос (Df5A, Df6A))

160A  -  Water  Pump (160A - Водяной насос)

160A - Water Pump (160A - Водяной насос)

167A  -  Recoil  Starter (167A - Барабанный стартер)

167A - Recoil Starter (167A - Барабанный стартер)

175A  -  Oil  Pump (175A - Масляный насос)

175A - Oil Pump (175A - Масляный насос)

208A  -  Clutch  Lever (208A - Рычаг сцепления)

208A - Clutch Lever (208A - Рычаг сцепления)

210A  -  Shift  Rod (210A - Переключающая тяга)

210A - Shift Rod (210A - Переключающая тяга)

230A  -  Drive  Shaft (230A - Корпус вала передачи)

230A - Drive Shaft (230A - Корпус вала передачи)

303C  -  Magneto  (Df6A) (303C - Магнето (Df6A))

303C - Magneto (Df6A) (303C - Магнето (Df6A))

335A  -  Clamp  Bracket (335A - Кронштейн транца)

335A - Clamp Bracket (335A - Кронштейн транца)

336A  -  Swivel  Bracket (336A - Поворотный кронштейн)

336A - Swivel Bracket (336A - Поворотный кронштейн)

405A  -  Drive  Shaft  Housing (405A - Корпус вала передачи)

405A - Drive Shaft Housing (405A - Корпус вала передачи)

407A  -  Gear  Case (407A - Картер коробки передач)

407A - Gear Case (407A - Картер коробки передач)

412B  -  Lower  Cover  (Df5A,Df6A) (412B - Нижняя часть корпуса (Df5A, Df6A))

412B - Lower Cover (Df5A,Df6A) (412B - Нижняя часть корпуса (Df5A, Df6A))

420C  -  Engine  Cover  (Df6A) (420C - Крышка двигателя (капот) (Df6A))

420C - Engine Cover (Df6A) (420C - Крышка двигателя (капот) (Df6A))

432A  -  Fuel  Tank (432A - Топливный бак)

432A - Fuel Tank (432A - Топливный бак)

444A  -  Tiller  Handle (444A - Румпель)

444A - Tiller Handle (444A - Румпель)

508A  -  Opt:remote  Control (508A - Опции: дистанционное управление)

508A - Opt:remote Control (508A - Опции: дистанционное управление)

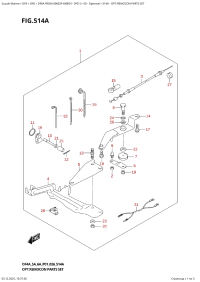
514A  -  Opt:remocon  Parts  Set (514A - Опции: установочный комплект ДУ)

514A - Opt:remocon Parts Set (514A - Опции: установочный комплект ДУ)

550A  -  Opt:electrical (550A - Опции: электрика)

550A - Opt:electrical (550A - Опции: электрика)

583A  -  Opt:fuel  Tank  (Df5A,Df6A) (583A - Опции: топливный бак (Df5A, Df6A))

583A - Opt:fuel Tank (Df5A,Df6A) (583A - Опции: топливный бак (Df5A, Df6A))




 
 

данный сайт носит информационный характер и не является публичной офертой

склад запчастей для водомоторной техники