| |
Выберите раздел
|

|
 111A - Cylinder Head (111A - Головка блока цилиндра) |
 113A - Cylinder Block (113A - Блок цилиндра) |
 116A - Crankshaft (116A - Коленвал) |
 120A - Timing Belt (120A - Ремень распредвала) |
_00995f_640001_rand68_small.png) 121B - Camshaft (E-Starter) (121B - Распределительный вал (модели с электростартером)) |
_00995f_640001_rand4960_small.png) 126A - Inlet Manifold (Df9.9B,Df9.9Br) (126A - Впускной коллектор (Df9.9B, Df9.9Br)) |
 144A - Fuel Injector (144A - Топливный инжектор) |
_00995f_640001_rand9577_small.png) 146A - Fuel Pump (P01) (146A - Топливный насос (P01)) |
_00995f_640001_rand3013_small.png) 160A - Water Pump (P01) (160A - Водяной насос (P01)) |
 162A - Thermostat (162A - Термостат) |
_00995f_640001_rand4946_small.png) 163B - Throttle Body (Df9.9Br,Df15Ar,Df15At,Df20Ar,Df20At) (163B - Дроссель газа (Df9.9Br, Df15Ar, Df15At, Df20Ar, Df20At)) |
 167A - Recoil Starter (Df9.9B,Df9.9Br,Df15A,Df15Ar,Df20A, (167A - Барабанный стартер (Df9.9B, Df9.9Br, Df15A, Df15Ar, Df20A,) |
 175A - Oil Pump (175A - Масляный насос) |
 206B - Clutch Rod (Df9.9Br,Df15Ar,Df15At,Df20Ar, (206B - Тяга сцепления (Df9.9Br, Df15Ar, Df15At, Df20Ar,) |
 210A - Shift Rod (210A - Переключающая тяга) |
 220A - Transmission (Df9.9B,Df9.9Br,Df15A,Df15Ar, (220A - Трансмиссия (Df9.9B, Df9.9Br, Df15A, Df15Ar,) |
_00995f_640001_rand1013_small.png) 301A - Starting Motor (E-Starter) (301A - Двигатель электростартера (модели с электростартером)) |
_00995f_640001_rand289_small.png) 303B - Magneto (E-Starter) (303B - Магнето (модели с электростартером)) |
_00995f_640001_rand6110_small.png) 310A - Rectifier / Ignition Coil (Df9.9Br) (310A - Выпрямитель / Катушка зажигания (Df9.9Br)) |
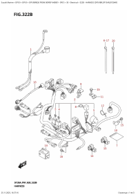
_00995f_640001_rand3233_small.png) 322B - Harness (Df9.9Br,Df15Ar,Df20Ar) (322B - Жгут проводов (Df9.9Br, Df15Ar, Df20Ar)) |
 334C - Sensor / Switch (Df9.9Br,Df15Ar,Df15At,Df20Ar, (334C - Датчики и переключатели (Df9.9Br, Df15Ar, Df15At, Df20Ar,) |
_00995f_640001_rand4247_small.png) 335C - Clamp Bracket (Df9.9Br,Df15Ar,Df20Ar) (335C - Кронштейн транца (Df9.9Br, Df15Ar, Df20Ar)) |
_00995f_640001_rand8463_small.png) 336C - Swivel Bracket (Df9.9Br,Df15Ar,Df20Ar) (336C - Поворотный кронштейн (Df9.9Br, Df15Ar, Df20Ar)) |
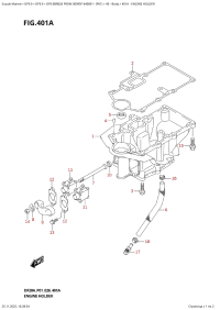
 401A - Engine Holder (401A - Основание двигателя) |
_00995f_640001_rand1654_small.png) 405A - Drive Shaft Housing (P01) (405A - Корпус вала передачи (P01)) |
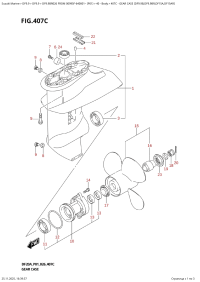
_00995f_640001_rand6289_small.png) 407A - Gear Case (P01) (407A - Картер коробки передач (P01)) |
_00995f_640001_rand9622_small.png) 407C - Gear Case (Df9.9B,Df9.9Br,Df15A,Df15Ar) (407C - Картер коробки передач (Df9.9B, Df9.9Br, Df15A, Df15Ar)) |
_00995f_640001_rand4239_small.png) 410C - Side Cover (Df9.9Br,Df15Ar,Df20Ar) (410C - Боковая крышка (Df9.9Br, Df15Ar, Df20Ar)) |
_00995f_640001_rand2963_small.png) 420A - Engine Cover (Df9.9B,Df9.9Br) (420A - Крышка двигателя (капот) (Df9.9B, Df9.9Br)) |
 432A - Fuel Tank (432A - Топливный бак) |
_00995f_640001_rand8271_small.png) 442A - Drag Link (Df9.9Br,Df15Ar,Df15At,Df20Ar,Df20At) (442A - Переключающая тяга (Df9.9Br, Df15Ar, Df15At, Df20Ar, Df20At)) |
_00995f_640001_rand5544_small.png) 450A - Remote Control (Df9.9Br,Df15Ar,Df20Ar) (450A - Дистанционное управление (Df9.9Br, Df15Ar, Df20Ar)) |
 501A - Opt:meter (Df9.9B,Df9.9Br,Df15A,Df15Ar,Df15At, (501A - Опции: приборы (Df9.9B, Df9.9Br, Df15A, Df15Ar, Df15At,) |
 515A - Opt:remocon Cable (Df9.9B,Df9.9Br,Df15A,Df15Ar, (515A - Опции: трос дистанционного управления (Df9.9B, Df9.9Br, Df15A, Df15Ar,) |
 521A - Opt:harness (Df9.9B,Df9.9Br,Df15A,Df15Ar,Df15At, (521A - Опции: жгут проводов (Df9.9B, Df9.9Br, Df15A, Df15Ar, Df15At,) |
 530A - Opt:switch (Df9.9B,Df9.9Br,Df15A,Df15Ar,Df15At, (530A - Опции: переключатели (Df9.9B, Df9.9Br, Df15A, Df15Ar, Df15At,) |
_(estarter)_00995f_640001_rand6903_small.png) 546A - Opt:remocon Cable (Electric Starter) (E-Starter) (546A - Опции: трос дистанционного управления (Электростартер) (модели с электростартером)) |
_00995f_640001_rand2424_small.png) 583A - Opt:fuel Tank (Df9.9B,Df9.9Br,Df15A,Df15Ar) (583A - Опции: топливный бак (Df9.9B, Df9.9Br, Df15A, Df15Ar)) |
 600A - Opt:multi Function Gauge (Df9.9B,Df9.9Br,Df15A, (600A - Опции: multi Function Gauge (Df9.9B, Df9.9Br, Df15A,) |
|
|