вконтакте

Контактный телефон: +7 (981) 121-46-93, +7 (800) 200-90-76 , Email: parts-katalog@yandex.ru, где купить

 
 

  Логин:

Пароль:

Регистрация

www.partskatalog.ru Все каталоги Запчасти Mercury Запчасти Suzuki Запчасти Tohatsu Запчасти Honda Контакты



УВАЖАЕМЫЕ КЛИЕНТЫ!
C 19 ДЕКАБРЯ 2025 ПО 02 МАРТА 2026 ГОДА ОТДЕЛ ЗАПЧАСТЕЙ И СЕРВИС РАБОТАТЬ НЕ БУДУТ
ПРОДАЖА ЛОДОЧНЫХ МОТОРОВ В ШТАТНОМ РЕЖИМЕ
ОБ ИЗМЕНЕНИЯХ В ГРАФИКЕ РАБОТЫ ЧИТАЙТЕ НА САЙТА




запчастиsuzuki

Узнать наличие и цену запчасти:

Вернуться к началу выбора

Поиск модели по серийному номеру


РЕЖИМЫ ПРОСМОТРА

Все узлы и детали

Двигатель

Трансмиссия

Электрика

Внешние части

Дополнительные опции

Тип двигателя: 4x - тактный

Модель двигателя: Suzuki DF300

Модификация Вашего двигателя:   Suzuki DF-300 ATX-ATXX (E11 026)
Двигатели с серийным номером после 30002P-640001
Код модели двигателя: DF300AT X / XX FROM 30002P-640001~ (E11 026)
Год выпуска двигателя: 2016
Регион: Россия, Европа


Поиск запчастей по коду или названию


   Выберите раздел

найти расходники на лодочные моторы Suzuki

Начните вводить запрос

111A  -  Cylinder  Head (111A - Головка блока цилиндра)

111A - Cylinder Head (111A - Головка блока цилиндра)

113A  -  Cylinder  Block (113A - Блок цилиндра)

113A - Cylinder Block (113A - Блок цилиндра)

116A  -  Crankshaft (116A - Коленвал)

116A - Crankshaft (116A - Коленвал)

119A  -  Timing  Chain (119A - Распределяющая цепь)

119A - Timing Chain (119A - Распределяющая цепь)

121A  -  Camshaft  (Df300A) (121A - Распределительный вал (Df300A))

121A - Camshaft (Df300A) (121A - Распределительный вал (Df300A))

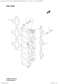
122A  -  Intake  Manifold (122A - Впускной коллектор)

122A - Intake Manifold (122A - Впускной коллектор)

136A  -  Ring  Gear  Cover (136A - Крышка механизма маховика)

136A - Ring Gear Cover (136A - Крышка механизма маховика)

140A  -  Exhaust  Cover (140A - Кожух выхлопной трубы)

140A - Exhaust Cover (140A - Кожух выхлопной трубы)

144A  -  Fuel  Injector  (E11) (144A - Топливный инжектор (E11))

144A - Fuel Injector (E11) (144A - Топливный инжектор (E11))

147A  -  Fuel  Pump  /  Fuel  Vapor  Separator (147A - Топливный насос / Отделитель паров топлива)

147A - Fuel Pump / Fuel Vapor Separator (147A - Топливный насос / Отделитель паров топлива)

160A  -  Water  Pump  ((Df300A,Df250A):E11) (160A - Водяной насос ( (Df300A, Df250A) : E11))

160A - Water Pump ((Df300A,Df250A):E11) (160A - Водяной насос ( (Df300A, Df250A) : E11))

162A  -  Thermostat (162A - Термостат)

162A - Thermostat (162A - Термостат)

163A  -  Throttle  Body (163A - Дроссель газа)

163A - Throttle Body (163A - Дроссель газа)

175A  -  Oil  Pump (175A - Масляный насос)

175A - Oil Pump (175A - Масляный насос)

180A  -  Oil  Pan (180A - Масляный поддон)

180A - Oil Pan (180A - Масляный поддон)

204A  -  Clutch  Shaft (204A - Сцепление Вал)

204A - Clutch Shaft (204A - Сцепление Вал)

206B  -  Clutch  Rod  (Df300A,Df250A) (206B - Тяга сцепления (Df300A, Df250A))

206B - Clutch Rod (Df300A,Df250A) (206B - Тяга сцепления (Df300A, Df250A))

220A  -  Transmission  (Df300A,Df250A) (220A - Трансмиссия (Df300A, Df250A))

220A - Transmission (Df300A,Df250A) (220A - Трансмиссия (Df300A, Df250A))

301A  -  Starting  Motor (301A - Двигатель электростартера)

301A - Starting Motor (301A - Двигатель электростартера)

303A  -  Magneto (303A - Магнето)

303A - Magneto (303A - Магнето)

310A  -  Rectifier  /  Ignition  Coil (310A - Выпрямитель / Катушка зажигания)

310A - Rectifier / Ignition Coil (310A - Выпрямитель / Катушка зажигания)

315A  -  Sensor  (X-Transom,Xx-Transom) (315A - Датчик (X-Transom, Xx-Transom))

315A - Sensor (X-Transom,Xx-Transom) (315A - Датчик (X-Transom, Xx-Transom))

315B  -  Sensor  (L-Transom) (315B - Датчик (L-Transom))

315B - Sensor (L-Transom) (315B - Датчик (L-Transom))

322A  -  Harness  (Df300A,Df250A) (322A - Жгут проводов (Df300A, Df250A))

322A - Harness (Df300A,Df250A) (322A - Жгут проводов (Df300A, Df250A))

326A  -  Ptt  Switch  /  Engine  Control  Unit (Df300A) (326A - Переключатель гидроподъёма / Блок управления двигателем (Df300A))

326A - Ptt Switch / Engine Control Unit (Df300A) (326A - Переключатель гидроподъёма / Блок управления двигателем (Df300A))

331A  -  Key  Less  Start (331A - Ключ Less Start)

331A - Key Less Start (331A - Ключ Less Start)

335A  -  Clamp  Bracket  (X-Transom,Xx-Transom) (335A - Кронштейн транца (X-Transom, Xx-Transom))

335A - Clamp Bracket (X-Transom,Xx-Transom) (335A - Кронштейн транца (X-Transom, Xx-Transom))

335B  -  Clamp  Bracket  (L-Transom) (335B - Кронштейн транца (L-Transom))

335B - Clamp Bracket (L-Transom) (335B - Кронштейн транца (L-Transom))

336A  -  Swivel  Bracket  (X-Transom,Xx-Transom) (336A - Поворотный кронштейн (X-Transom, Xx-Transom))

336A - Swivel Bracket (X-Transom,Xx-Transom) (336A - Поворотный кронштейн (X-Transom, Xx-Transom))

336B  -  Swivel  Bracket  (L-Transom) (336B - Поворотный кронштейн (L-Transom))

336B - Swivel Bracket (L-Transom) (336B - Поворотный кронштейн (L-Transom))

337A  -  Trim  Cylinder  (X-Transom,Xx-Transom) (337A - Цилиндр трима (X-Transom, Xx-Transom))

337A - Trim Cylinder (X-Transom,Xx-Transom) (337A - Цилиндр трима (X-Transom, Xx-Transom))

337B  -  Trim  Cylinder  (L-Transom) (337B - Цилиндр трима (L-Transom))

337B - Trim Cylinder (L-Transom) (337B - Цилиндр трима (L-Transom))

340A  -  Ptt  Motor  (X-Transom,Xx-Transom) (340A - Двигатель гидроподъёма (X-Transom, Xx-Transom))

340A - Ptt Motor (X-Transom,Xx-Transom) (340A - Двигатель гидроподъёма (X-Transom, Xx-Transom))

340B  -  Ptt  Motor  (L-Transom) (340B - Двигатель гидроподъёма (L-Transom))

340B - Ptt Motor (L-Transom) (340B - Двигатель гидроподъёма (L-Transom))

401A  -  Engine  Holder  (Df300A,Df250A) (401A - Основание двигателя (Df300A, Df250A))

401A - Engine Holder (Df300A,Df250A) (401A - Основание двигателя (Df300A, Df250A))

405A  -  Drive  Shaft  Housing  (L-Transom) (405A - Корпус вала передачи (L-Transom))

405A - Drive Shaft Housing (L-Transom) (405A - Корпус вала передачи (L-Transom))

405B  -  Drive  Shaft  Housing  (X-Transom) (405B - Корпус вала передачи (X-Transom))

405B - Drive Shaft Housing (X-Transom) (405B - Корпус вала передачи (X-Transom))

405C  -  Drive  Shaft  Housing  (Xx-Transom) (405C - Корпус вала передачи (Xx-Transom))

405C - Drive Shaft Housing (Xx-Transom) (405C - Корпус вала передачи (Xx-Transom))

407A  -  Gear  Case  (Df300A,Df250A) (407A - Картер коробки передач (Df300A, Df250A))

407A - Gear Case (Df300A,Df250A) (407A - Картер коробки передач (Df300A, Df250A))

410A  -  Side  Cover  (L-Transom) (410A - Боковая крышка (L-Transom))

410A - Side Cover (L-Transom) (410A - Боковая крышка (L-Transom))

410B  -  Side  Cover  (X-Transom,Xx-Transom) (410B - Боковая крышка (X-Transom, Xx-Transom))

410B - Side Cover (X-Transom,Xx-Transom) (410B - Боковая крышка (X-Transom, Xx-Transom))

420A  -  Engine  Cover  (Df300A:e11) (420A - Крышка двигателя (капот) (Df300A: e11))

420A - Engine Cover (Df300A:e11) (420A - Крышка двигателя (капот) (Df300A: e11))

420B  -  Engine  Cover  (Df300A:e11) (420B - Крышка двигателя (капот) (Df300A: e11))

420B - Engine Cover (Df300A:e11) (420B - Крышка двигателя (капот) (Df300A: e11))

430A  -  Fuel  Hose  (E11) (430A - Топливный шланг (E11))

430A - Fuel Hose (E11) (430A - Топливный шланг (E11))

475A  -  Squeeze  Pump (475A - Ручная сжимная помпа)

475A - Squeeze Pump (475A - Ручная сжимная помпа)

520A  -  Opt:flush  Mount  Remocon (520A - Опции: монтаж заподлицо Remocon)

520A - Opt:flush Mount Remocon (520A - Опции: монтаж заподлицо Remocon)

522B  -  Opt:harness  (1) (522B - Опции: жгут проводов (1))

522B - Opt:harness (1) (522B - Опции: жгут проводов (1))

523A  -  Opt:harness  (2) (523A - Опции: жгут проводов (2))

523A - Opt:harness (2) (523A - Опции: жгут проводов (2))

530B  -  Opt:switch (530B - Опции: переключатели)

530B - Opt:switch (530B - Опции: переключатели)

535A  -  Opt:key  Less  Start (535A - Опции: Ключ Less Start)

535A - Opt:key Less Start (535A - Опции: Ключ Less Start)

540A  -  Opt:remote  Control  Assy  Dual (540A - Опции: дистанционное управление в сборе Dual)

540A - Opt:remote Control Assy Dual (540A - Опции: дистанционное управление в сборе Dual)

543A  -  Opt:remote  Control  Assy  Single (543A - Дистанционное управление в сборе, одинарное)

543A - Opt:remote Control Assy Single (543A - Дистанционное управление в сборе, одинарное)

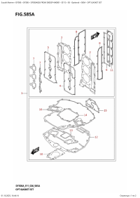
585A  -  Opt:gasket  Set (585A - Опции: комплект прокладок)

585A - Opt:gasket Set (585A - Опции: комплект прокладок)

601A  -  Opt:multi  Function  Gauge  (1)  (E11) (601A - Опции: multi Function Gauge (1) (E11))

601A - Opt:multi Function Gauge (1) (E11) (601A - Опции: multi Function Gauge (1) (E11))

602A  -  Opt:multi  Function  Gauge  (2)  (E11) (602A - Опции: multi Function Gauge (2) (E11))

602A - Opt:multi Function Gauge (2) (E11) (602A - Опции: multi Function Gauge (2) (E11))




 
 

данный сайт носит информационный характер и не является публичной офертой

склад запчастей для водомоторной техники