Контактный телефон: +7 (981) 121-46-93, +7 (800) 200-90-76 , Email: parts-katalog@yandex.ru, где купить
Логин:
Пароль:
Регистрация
Вернуться к началу выбора
Поиск модели по серийному номеру
РЕЖИМЫ ПРОСМОТРА
Все узлы и детали
Двигатель
Трансмиссия
Электрика
Внешние части
Дополнительные опции
Тип двигателя: 4x - тактный
Модель двигателя: Suzuki DF200
Модификация Вашего двигателя: Suzuki DF-200 AZL / AZX (E11 026) Двигатели с серийным номером после 20003Z-640001 Код модели двигателя: DF200AZ L / X FROM 20003Z-640001~ (E11 026) Год выпуска двигателя: 2026 Регион: Россия, Европа
Поиск запчастей по коду или названию
Выберите раздел
Начните вводить запрос
111A - Cylinder Head (Df200At,Df200Az,Df175At,Df175Az) (111A - Головка блока цилиндра (Df200At, Df200Az, Df175At, Df175Az))
113A - Cylinder Block (113A - Блок цилиндра)
116A - Crankshaft (116A - Коленвал)
118A - Balancer (118A - Balancer)
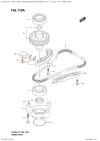
119A - Timing Chain (119A - Распределяющая цепь)
121A - Camshaft (Df200At,Df200Az) (121A - Распределительный вал (Df200At, Df200Az))
123A - Intake Manifold / Throttle Body (123A - Впускной коллектор / Дроссель газа)
135A - Silencer / Ring Gear Cover (135A - Глушитель / Крышка механизма маховика)
140A - Exhaust Cover (140A - Кожух выхлопной трубы)
143A - Fuel Vapor Separator (E11) (143A - Отделитель паров топлива (E11))
144A - Fuel Injector (E11) (144A - Топливный инжектор (E11))
146A - Fuel Pump (E11) (146A - Топливный насос (E11))
160A - Water Pump (E11) (160A - Водяной насос (E11))
162A - Thermostat (162A - Термостат)
164A - Throttle Rod (164A - Тяга дросселя)
175A - Oil Pump (175A - Масляный насос)
178A - Oil Filter (178A - Масляный фильтр)
180A - Oil Pan (180A - Масляный поддон)
204A - Clutch Shaft (204A - Сцепление Вал)
206A - Clutch Rod (206A - Тяга сцепления)
220B - Transmission (Df200Az,Df175Az,Df150Az) (220B - Трансмиссия (Df200Az, Df175Az, Df150Az))
301A - Starting Motor (301A - Двигатель электростартера)
303A - Magneto (Df200At,Df200Az,Df175At,Df175Az) (303A - Магнето (Df200At, Df200Az, Df175At, Df175Az))
310A - Rectifier / Ignition Coil (310A - Выпрямитель / Катушка зажигания)
315A - Sensor (315A - Датчик)
322A - Harness (Df200At,Df200Az,Df175At,Df175Az) (322A - Жгут проводов (Df200At, Df200Az, Df175At, Df175Az))
326A - Ptt Switch / Engine Control Unit (Df200At, (326A - Переключатель гидроподъёма / Блок управления двигателем (Df200At,)
331A - Key Less Start (331A - Ключ Less Start)
335A - Clamp Bracket (335A - Кронштейн транца)
336A - Swivel Bracket (336A - Поворотный кронштейн)
337A - Trim Cylinder (337A - Цилиндр трима)
340A - Ptt Motor (340A - Двигатель гидроподъёма)
401A - Engine Holder (401A - Основание двигателя)
405A - Drive Shaft Housing (405A - Корпус вала передачи)
407C - Gear Case (Df200Az) (407C - Картер коробки передач (Df200Az))
410A - Side Cover (410A - Боковая крышка)
420D - Engine Cover (Df200At,Df200Az) (420D - Крышка двигателя (капот) (Df200At, Df200Az))
430A - Fuel Hose (430A - Топливный шланг)
475A - Squeeze Pump (E11) (475A - Ручная сжимная помпа (E11))
501A - Opt:meter (501A - Опции: приборы)
509A - Opt:remote Control (1) (509A - Опции: дистанционное управление (1))
517A - Opt:concealed Remocon (1) (517A - Опции: дистанционное управление, скрытая установка (1))
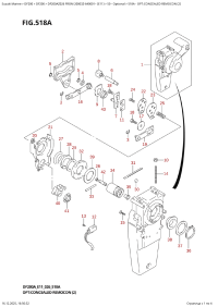
518A - Opt:concealed Remocon (2) (518A - Опции: дистанционное управление, скрытая установка (2))
521A - Opt:harness (521A - Опции: жгут проводов)
522A - Opt:harness (1) (522A - Опции: жгут проводов (1))
530A - Opt:switch (530A - Опции: переключатели)
535A - Opt:key Less Start (535A - Опции: Ключ Less Start)
541A - Opt:remote Control Assy Dual (1) (541A - Опции: дистанционное управление в сборе Dual (1))
542A - Opt:remote Control Assy Dual (2) (542A - Опции: дистанционное управление в сборе Dual (2))
544A - Opt:remote Control Assy Single (1) (544A - Дистанционное управление в сборе, одинарное (1))
545A - Opt:remote Control Assy Single (2) (545A - Дистанционное управление в сборе, одинарное (2))
573A - Opt:tie Rod (573A - Опции: tie Тяга)
575A - Opt:drag Link (575A - Опции: рулевая тяга)
585A - Opt:gasket Set (585A - Опции: комплект прокладок)
601A - Opt:multi Function Gauge (1) (E40) (601A - Опции: multi Function Gauge (1) (E40))
601B - Opt:multi Function Gauge (1) (E11) (601B - Опции: multi Function Gauge (1) (E11))
602A - Opt:multi Function Gauge (2) (602A - Опции: multi Function Gauge (2))
данный сайт носит информационный характер и не является публичной офертой
склад запчастей для водомоторной техники