вконтакте

Контактный телефон: +7 (981) 121-46-93, +7 (800) 200-90-76 , Email: parts-katalog@yandex.ru, где купить

 
 

  Логин:

Пароль:

Регистрация

www.partskatalog.ru Все каталоги Запчасти Mercury Запчасти Suzuki Запчасти Tohatsu Запчасти Honda Контакты



УВАЖАЕМЫЕ КЛИЕНТЫ!
C 19 ДЕКАБРЯ 2025 ПО 02 МАРТА 2026 ГОДА ОТДЕЛ ЗАПЧАСТЕЙ И СЕРВИС РАБОТАТЬ НЕ БУДУТ
ПРОДАЖА ЛОДОЧНЫХ МОТОРОВ В ШТАТНОМ РЕЖИМЕ
ОБ ИЗМЕНЕНИЯХ В ГРАФИКЕ РАБОТЫ ЧИТАЙТЕ НА САЙТА




Вернуться к началу выбора


Год выпуска: 2013 год

Семейство или модельный ряд: DS

Модификация квадроцикла: DS 250 NA, CE & INT, 2013

   Выберите раздел

найти расходники на квадроциклы BRP


Выберите раздел

00- Model Numbers (00- Model Numbers)

00- Model Numbers (00- Model Numbers)

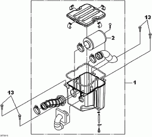
01- Воздушный фильтр (01- Air Cleaner)

01- Воздушный фильтр (01- Air Cleaner)

01- Air Injection System (01- Air Injection System)

01- Air Injection System (01- Air Injection System)

01- Balance Вал (01- Balance Shaft)

01- Balance Вал (01- Balance Shaft)

01- Сапун и Распределяющая цепь (01- Breather And Timing Chain)

01- Сапун и Распределяющая цепь (01- Breather And Timing Chain)

01- Охлаждение System (01- Cooling System)

01- Охлаждение System (01- Cooling System)

01- Коленвал и Поршни (01- Crankshaft And Pistons)

01- Коленвал и Поршни (01- Crankshaft And Pistons)

01- Головка блока цилиндра и Клапан (01- Cylinder Head And Valve)

01- Головка блока цилиндра и Клапан (01- Cylinder Head And Valve)

01- Крышка головки цилиндра (01- Cylinder Head Cover)

01- Крышка головки цилиндра (01- Cylinder Head Cover)

01- Цилиндр (01- Cylinder)

01- Цилиндр (01- Cylinder)

01- Двигатель (01- Engine)

01- Двигатель (01- Engine)

01- левый Картер двигателя Half (01- Left Crankcase Half)

01- левый Картер двигателя Half (01- Left Crankcase Half)

01- Muffler (01- Muffler)

01- Muffler (01- Muffler)

01- правый Картер двигателя Half (01- Right Crankcase Half)

01- правый Картер двигателя Half (01- Right Crankcase Half)

02- Карбюратор (02- Carburetor)

02- Карбюратор (02- Carburetor)

02- Топливная система (02- Fuel System)

02- Топливная система (02- Fuel System)

02- Масляный насос (02- Oil Pump)

02- Масляный насос (02- Oil Pump)

03- Магнето (03- Magneto)

03- Магнето (03- Magneto)

03- Крышка магнето и Водяной насос (03- Magneto Cover And Water Pump)

03- Крышка магнето и Водяной насос (03- Magneto Cover And Water Pump)

05- Cvt Крышка (05- Cvt Cover)

05- Cvt Крышка (05- Cvt Cover)

05- Шкив привода (05- Drive Pulley)

05- Шкив привода (05- Drive Pulley)

05- Ведомый шкив (05- Driven Pulley)

05- Ведомый шкив (05- Driven Pulley)

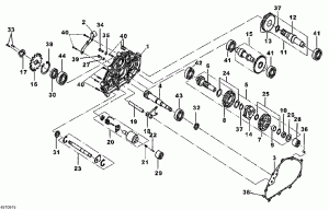
05- Шестерня Box (05- Gear Box)

05- Шестерня Box (05- Gear Box)

05- Шестерня Переключатель (05- Gear Shift)

05- Шестерня Переключатель (05- Gear Shift)

06- Front тормоз Eur, Int (06- Front Brake Eur, Int)

06- Front тормоз Eur, Int (06- Front Brake Eur, Int)

06- Front тормоз Na (06- Front Brake Na)

06- Front тормоз Na (06- Front Brake Na)

06- Rear тормоз (06- Rear Brake)

06- Rear тормоз (06- Rear Brake)

07- Shocks (07- Shocks)

07- Shocks (07- Shocks)

07- Передняя подвеска (07- Front Suspension)

07- Передняя подвеска (07- Front Suspension)

07- Handlebar Европа (07- Handlebar Europe)

07- Handlebar Европа (07- Handlebar Europe)

07- Handlebar North America, International (07- Handlebar North America, International)

07- Handlebar North America, International (07- Handlebar North America, International)

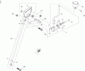
07- Рулевая система Подъемный механизм Европа, International (07- Steering Linkage Europe, International)

07- Рулевая система Подъемный механизм Европа, International (07- Steering Linkage Europe, International)

07- Рулевая система Подъемный механизм North America (07- Steering Linkage North America)

07- Рулевая система Подъемный механизм North America (07- Steering Linkage North America)

07- Wheels и Tires (07- Wheels And Tires)

07- Wheels и Tires (07- Wheels And Tires)

08- Корпус вала передачи (08- Drive Shaft)

08- Корпус вала передачи (08- Drive Shaft)

08- Rear Swing Рычаг (08- Rear Swing Arm)

08- Rear Swing Рычаг (08- Rear Swing Arm)

09- Рама Европа (09- Frame Europe)

09- Рама Европа (09- Frame Europe)

09- Рама North America, International (09- Frame North America, International)

09- Рама North America, International (09- Frame North America, International)

09- Front Бампер и Footrests Европа (09- Front Bumper And Footrests Europe)

09- Front Бампер и Footrests Европа (09- Front Bumper And Footrests Europe)

09- Front Бампер и Footrests North America, International (09- Front Bumper And Footrests North America, International)

09- Front Бампер и Footrests North America, International (09- Front Bumper And Footrests North America, International)

09- Hitch (09- Hitch)

09- Hitch (09- Hitch)

09- Mirrors и Стандартный инструмент (09- Mirrors And Tools)

09- Mirrors и Стандартный инструмент (09- Mirrors And Tools)

09- Rear Рама Европа (09- Rear Frame Europe)

09- Rear Рама Европа (09- Rear Frame Europe)

09- Rear Рама North America, International (09- Rear Frame North America, International)

09- Rear Рама North America, International (09- Rear Frame North America, International)

09- Rear Reflectors North America, International (09- Rear Reflectors North America, International)

09- Rear Reflectors North America, International (09- Rear Reflectors North America, International)

09- Седло (09- Seat)

09- Седло (09- Seat)

09- Рулевая система Крышка и Аксессуары Европа (09- Steering Cover And Accessories Europe)

09- Рулевая система Крышка и Аксессуары Европа (09- Steering Cover And Accessories Europe)

09- Rear Fender Европа (09- Rear Fender Europe)

09- Rear Fender Европа (09- Rear Fender Europe)

09- Rear Fender International (09- Rear Fender International)

09- Rear Fender International (09- Rear Fender International)

09- Rear Fender North America (09- Rear Fender North America)

09- Rear Fender North America (09- Rear Fender North America)

09- Front Fender (09- Front Fender)

09- Front Fender (09- Front Fender)

10- Flasher Lights Европа (10- Flasher Lights Europe)

10- Flasher Lights Европа (10- Flasher Lights Europe)

10- Компоненты электрики Европа (10- Electrical Components Europe)

10- Компоненты электрики Европа (10- Electrical Components Europe)

10- Компоненты электрики Na, Int (10- Electrical Components Na, Int)

10- Компоненты электрики Na, Int (10- Electrical Components Na, Int)

10- Прожектор America, International (10- Headlights America, International)

10- Прожектор America, International (10- Headlights America, International)

10- Прожектор Европа (10- Headlights Europe)

10- Прожектор Европа (10- Headlights Europe)

brp atv

Время выполнения запроса 0.84135413169861 сек.


 
 

данный сайт носит информационный характер и не является публичной офертой

склад запчастей для водомоторной техники