вконтакте

Контактный телефон: +7 (981) 121-46-93, +7 (800) 200-90-76 , Email: parts-katalog@yandex.ru, где купить

 
 

  Логин:

Пароль:

Регистрация

www.partskatalog.ru Все каталоги Запчасти Mercury Запчасти Suzuki Запчасти Tohatsu Запчасти Honda Контакты



УВАЖАЕМЫЕ КЛИЕНТЫ!
C 19 ДЕКАБРЯ 2025 ПО 02 МАРТА 2026 ГОДА ОТДЕЛ ЗАПЧАСТЕЙ И СЕРВИС РАБОТАТЬ НЕ БУДУТ
ПРОДАЖА ЛОДОЧНЫХ МОТОРОВ В ШТАТНОМ РЕЖИМЕ
ОБ ИЗМЕНЕНИЯХ В ГРАФИКЕ РАБОТЫ ЧИТАЙТЕ НА САЙТА




Выбрать другую модель

назад Раздел:   вперёд

вернуться к списку узлов и деталей

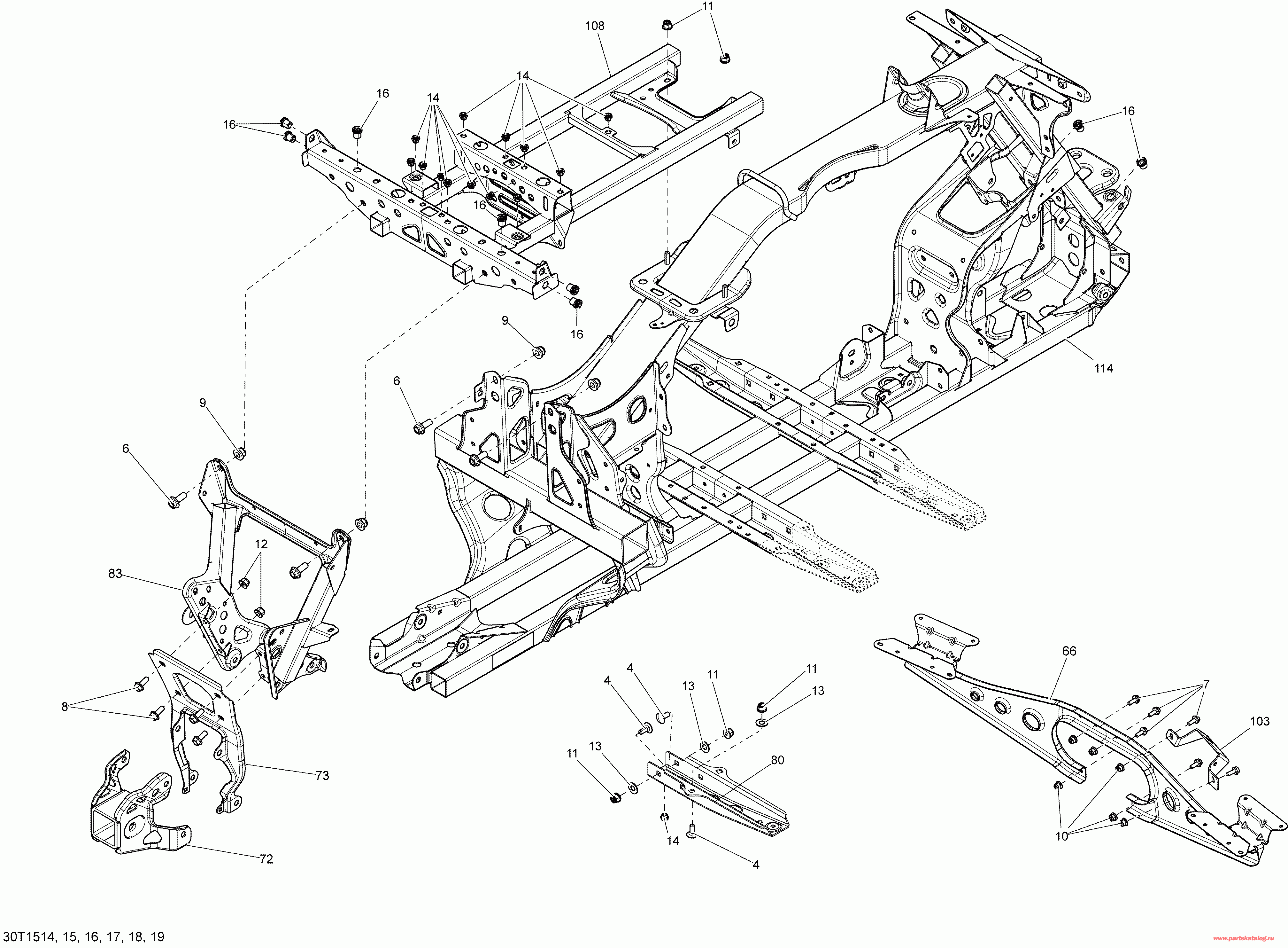
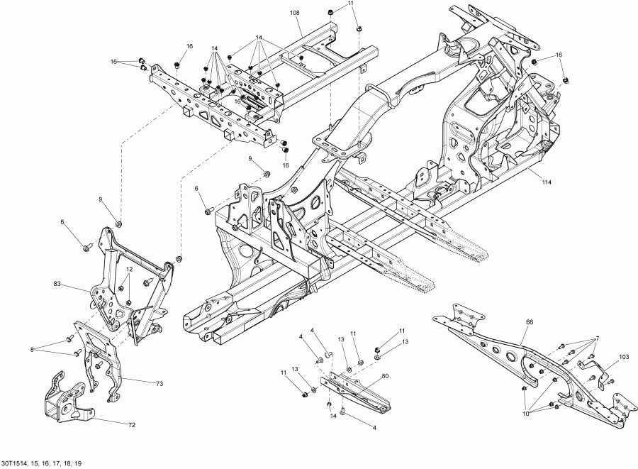
ДЕТАЛИРОВКА ДЛЯ МОДЕЛИ: BRP ATV Outlander MAX 1000 EFI, 2015

Раздел: Рама 30t1517 | Frame 30t1517


Квадроцикл BRP Outlander MAX 1000 EFI, 2015 - 30t1517

Номер на
рисунке
АртикулНаименованиеКол-во
на складе
Цена
4 207782044

Carriage Болт, M8 X 20 (Carriage Bolt, M8 X 20)

под заказ290 руб.
4 M40058

(последний код)

под заказпо запросу
6 207602546

Hex. Фланецd Винт M10 X 25 (Hex. Flanged Screw M10 X 25)

под заказ290 руб.
7 207661644

Hex. Фланецd Винт M6 X 16 (Hex. Flanged Screw M6 X 16)

под заказ280 руб.
8 207682046

Hex. Фланецd Винт M8 X 20 (Hex. Flanged Screw M8 X 20)

под заказ290 руб.
9 233201436

Фланецd Elastic Гайка M10 (Flanged Elastic Nut M10)

под заказ860 руб.
10 233261414

Hex. Фланецd Elastic Гайка M6 (Hex. Flanged Elastic Nut M6)

под заказ290 руб.
10 M33200

(последний код)

под заказпо запросу
11 233281414

Hex. Фланецd Elastic Гайка M8 (Hex. Flanged Elastic Nut M8)

под заказ290 руб.
11 M33201

(последний код)

под заказпо запросу
12 233281416

Hex. Elastic Фланецd Гайка M8 (Hex. Elastic Flanged Nut M8)

под заказ290 руб.
13 234001410

плоский Шайба 10 mm (Flat Washer 10 mm)

под заказ290 руб.
13 224001211

(последний код) плоский Шайба 10 mm (Flat Washer 10 mm)

под заказ230 руб.
14 293450232

Insert (Insert)

под заказ610 руб.
16 293450307

Insert (Insert)

под заказ300 руб.
66 705202947

Footrest Sвышеport (Footrest Support)

под заказ5240 руб.
72 715002243

чёрный Trailer Hitch Kit (Black Trailer Hitch Kit)

под заказ10110 руб.
72 715001329

(последний код) чёрный Trailer Hitch Kit (Black Trailer Hitch Kit)

под заказ8440 руб.
73 705203301

Rear Sвышеport (Rear Support)

под заказ3060 руб.
80 705203816

Foot Rest Sвышеport (Foot Rest Support)

под заказпо запросу
83 705203387

чёрный Rear Sвышеport (Black Rear Support)

под заказ18210 руб.
103 705203874

Master Цилиндр Кронштейн (Master Cylinder Bracket)

под заказ840 руб.
108 705204077

чёрный Рама Удлинитель (Black Frame Extension)

под заказ16350 руб.
114 705204118

чёрный Рама (Black Frame)

под заказ110700 руб.
114 705203468

(последний код) чёрный Рама (Black Frame)

под заказ123200 руб.
brp atv

Время выполнения запроса 1.2032699584961 сек.


 
 

данный сайт носит информационный характер и не является публичной офертой

склад запчастей для водомоторной техники