вконтакте

Контактный телефон: +7 (981) 121-46-93, +7 (800) 200-90-76 , Email: parts-katalog@yandex.ru, где купить

 
 

  Логин:

Пароль:

Регистрация

www.partskatalog.ru Все каталоги Запчасти Mercury Запчасти Suzuki Запчасти Tohatsu Запчасти Honda Контакты



УВАЖАЕМЫЕ КЛИЕНТЫ!
C 19 ДЕКАБРЯ 2025 ПО 02 МАРТА 2026 ГОДА ОТДЕЛ ЗАПЧАСТЕЙ И СЕРВИС РАБОТАТЬ НЕ БУДУТ
ПРОДАЖА ЛОДОЧНЫХ МОТОРОВ В ШТАТНОМ РЕЖИМЕ
ОБ ИЗМЕНЕНИЯХ В ГРАФИКЕ РАБОТЫ ЧИТАЙТЕ НА САЙТА




Выбрать другую модель

назад Раздел:   вперёд

вернуться к списку узлов и деталей

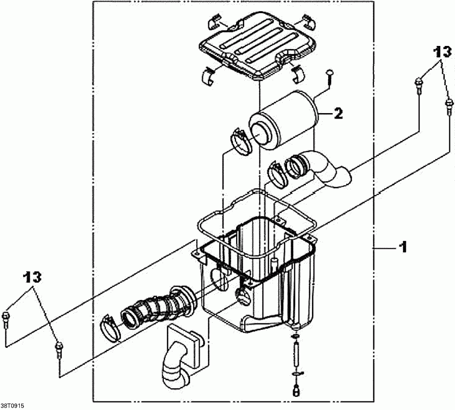
ДЕТАЛИРОВКА ДЛЯ МОДЕЛИ: BRP ATV DS 250 NA, CE & INT, 2011

Раздел: Воздушный фильтр | Air Cleaner


Мотовездеход Bombardier модель DS 250 NA, CE & INT, 2011 - Air Cleaner

Номер на
рисунке
АртикулНаименованиеКол-во
на складе
Цена
1 S17200RCA000

Воздушный фильтр в сборе (Air Filter Assy)

под заказ6520 руб.
2 S17202RB1000

Воздушный фильтр (Air Filter)

под заказ3300 руб.
13 S90111M9Q800

Фланец Болт (Flange Bolt)

под заказ450 руб.
brp atv

Время выполнения запроса 0.21499705314636 сек.


 
 

данный сайт носит информационный характер и не является публичной офертой

склад запчастей для водомоторной техники