вконтакте

Контактный телефон: +7 (981) 121-46-93, +7 (800) 200-90-76 , Email: parts-katalog@yandex.ru, где купить

 
 

  Логин:

Пароль:

Регистрация

www.partskatalog.ru Все каталоги Запчасти Mercury Запчасти Suzuki Запчасти Tohatsu Запчасти Honda Контакты



УВАЖАЕМЫЕ КЛИЕНТЫ!
C 31 ОКТЯБРЯ 2025 ПО 10 НОЯБРЯ 2025 ГОДА РАБОТАТЬ НЕ БУДЕМ




Выбрать другую модель

назад Раздел:   вперёд

вернуться к списку узлов и деталей

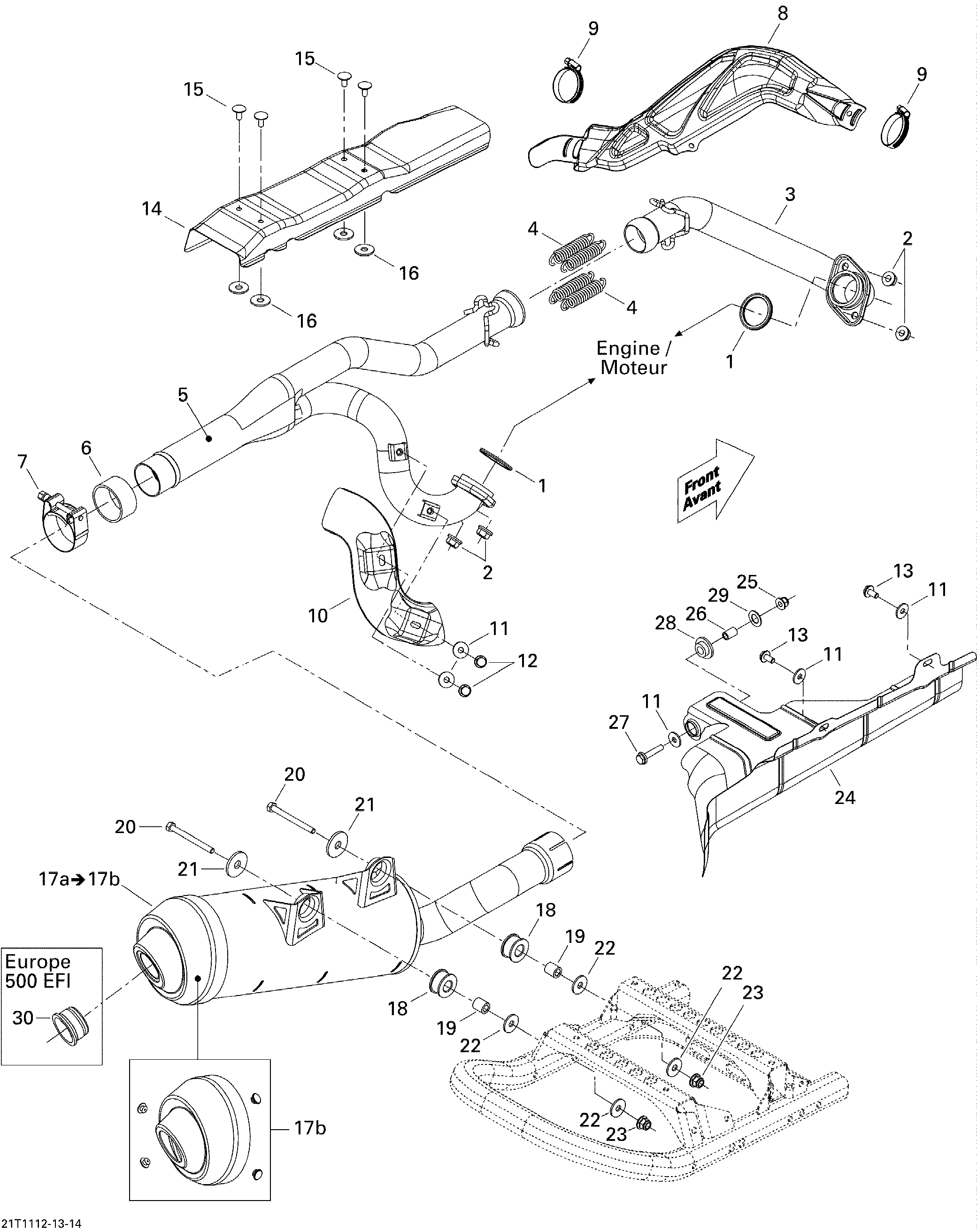
ДЕТАЛИРОВКА ДЛЯ МОДЕЛИ: BRP ATV Renegade 800R EFI, 2011

Раздел: Выхлопная система | Exhaust System


Мотовездеход BRP Renegade 800R EFI, 2011 - Выхлопная система

Номер на
рисунке
АртикулНаименованиеКол-во
на складе
Цена
1 707600317

Прокладка (Gasket)

под заказ730 руб.
1 707600242

(последний код) Прокладка (Gasket)

под заказ570 руб.
1 NA-80005T

   (не оригинальный аналог) Верхний комплект прокладок BRP NA-80005T

под заказ13690 руб.
2 233081416

Hex. Фланецd Гайка M8 (Hex. Flanged Nut M8)

под заказ270 руб.
2 A9405008000

(последний код)

под заказпо запросу
3 707600529

Front Tuned Трубка (Front Tuned Pipe)

под заказ6340 руб.
4 415107100

Пружина (Spring)

под заказ460 руб.
4 517165800

(последний код) Пружина (Spring)

под заказ360 руб.
4 SM-02007

   (не оригинальный аналог) Пружина крепления глушителя BRP SM-02007

под заказ280 руб.
5 707600530

Rear Tuned Трубка (Rear Tuned Pipe)

под заказ13960 руб.
6 707600430

Трубка Прокладка (Pipe Gasket)

под заказ1410 руб.
7 293650177

Norma Шестерня Струбцина (Norma Gear Clamp)

под заказ650 руб.
8 707600616

Heat Shield (Heat Shield)

под заказ1570 руб.
8 707600889

(последний код) Heat Shield (Heat Shield)

под заказ3080 руб.
9 293650098

Norma Шестерня Струбцина (Norma Gear Clamp)

под заказ430 руб.
10 707600615

Защита (Protector)

под заказ1120 руб.
11 391302000

плоский Шайба (Flat Washer)

под заказ210 руб.
11 250200082

(последний код) плоский Шайба (Flat Washer)

под заказ270 руб.
12 250000073

Hex. Фланецd Винт M6 X 12 (Hex. Flanged Screw M6 X 12)

под заказ610 руб.
13 210261280

Hex. Фланецd Винт M6 X 12 (Hex. Flanged Screw M6 X 12)

под заказ250 руб.
14 707600700

Heat Shield (Heat Shield)

под заказ1770 руб.
15 390406500

Pop Заклёпка 3 / 16" (Pop Rivet 3/16")

под заказ140 руб.
15 390407300

(последний код) Pop Заклёпка 3 / 16" (Pop Rivet 3/16")

под заказ110 руб.
16 517124300

Шайба (Washer)

под заказ130 руб.
17a 707600578

Muffler. Includes 17a to 17b (Muffler. Includes 17a to 17b)

под заказ44300 руб.
17a 707600579

Muffler. Includes 17a to 17b, Европа (Muffler. Includes 17a to 17b, Europe)

под заказ44300 руб.
17a 707600412

(последний код) Muffler. Includes 17a to 17b, Европа (Muffler. Includes 17a to 17b, Europe)

под заказ26800 руб.
17b 703500701

Muffler Колпачок Kit (Muffler Cap Kit)

под заказ13960 руб.
18 707600701

Anti-Vibration Rubber (Anti-Vibration Rubber)

под заказ950 руб.
19 293900082

Втулка (Bushing)

под заказ680 руб.
19 293900106

(последний код) Втулка (Bushing)

под заказ450 руб.
20 207687044

Hex. Фланецd Винт M8 X 70 (Hex. Flanged Screw M8 X 70)

под заказ290 руб.
21 503032900

Шайба (Washer)

под заказ290 руб.
22 234082410

плоский Шайба 8 mm (Flat Washer 8 mm)

под заказ270 руб.
22 702000064

(последний код) плоский Шайба 8 mm (Flat Washer 8 mm)

под заказ210 руб.
23 233281414

Hex. Фланецd Elastic Гайка M8 (Hex. Flanged Elastic Nut M8)

под заказ290 руб.
23 M33201

(последний код)

под заказпо запросу
24 707600621

Защита (Protector)

под заказ1390 руб.
25 233261414

Hex. Фланецd Elastic Гайка M6 (Hex. Flanged Elastic Nut M6)

под заказ290 руб.
25 M33200

(последний код)

под заказпо запросу
26 293900078

Гильза (Sleeve)

под заказ840 руб.
27 207663044

Hex. Фланецd Винт M6 X 30 (Hex. Flanged Screw M6 X 30)

под заказ230 руб.
27 207663034

(последний код) Hex. Фланецd Винт M6 X 30 (Hex. Flanged Screw M6 X 30)

под заказ250 руб.
28 705003932

Пыльник (Grommet)

под заказ310 руб.
29 503175800

Шайба (Washer)

под заказ290 руб.
30 N/A

Не доступно для this vehicle (Not available for this vehicle)

brp atv

Время выполнения запроса 1.6380519866943 сек.


 
 

данный сайт носит информационный характер и не является публичной офертой

склад запчастей для водомоторной техники