Контактный телефон: +7 (981) 121-46-93, +7 (800) 200-90-76 , Email: parts-katalog@yandex.ru, где купить |
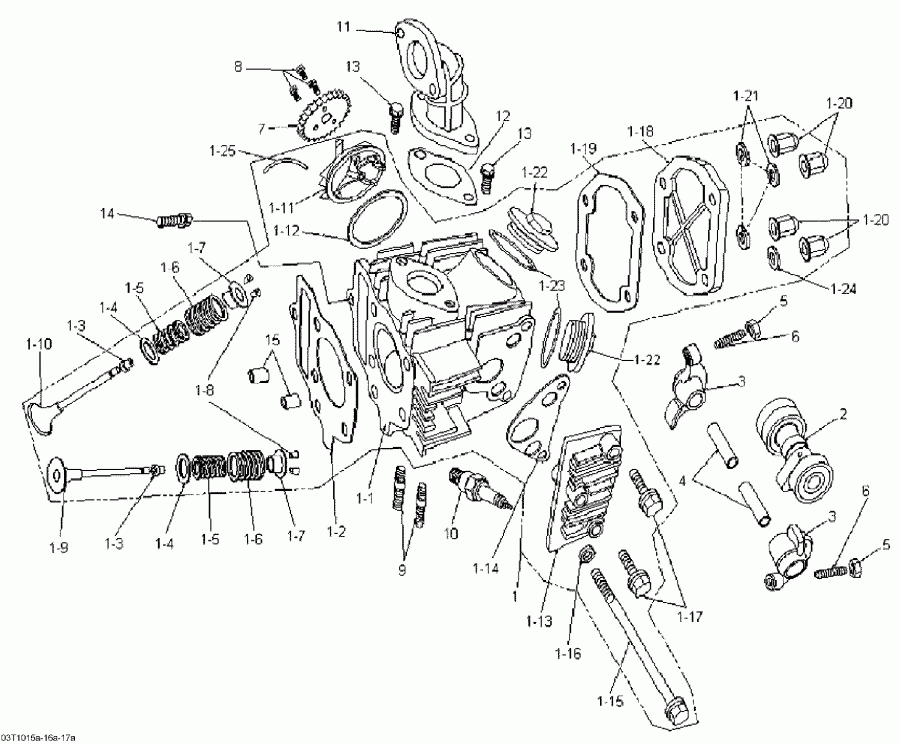
вернуться к списку узлов и деталей ДЕТАЛИРОВКА ДЛЯ МОДЕЛИ: BRP ATV DS 90, 2010 Раздел: Головка блока цилиндра и Впускной коллектор
|
|||||||||||||||||||||||||||||||||||||||||||||||||||||||||||||||||||||||||||||||||||||||||||||||||||||||||||||||||||||||||||||||||||||||||||||||||||||||||||||||||||||||||||||||||||||||||||||||||||||||||||||||||||||||||||||||||||||||||||||||||||||||||||||||||||
| Номер на рисунке | Артикул | Наименование | Кол-во на складе | Цена | |
| 1-1 | V12201CJF020LL | Головка блока цилиндра DS (Cylinder Head DS) | под заказ | 16220 руб. | |
| 1-2 | V12251CJF010 | Прокладка головки блока цилиндра (Cylinder Head Gasket) | под заказ | 1710 руб. | |
| 1-3 | V12209GYK000 | Клапан Stem Сальник (Valve Stem Seal) | под заказ | 1690 руб. | |
| 1-4 | V14775GYK000 | Седло пружины клапана (Valve Spring Seat) | под заказ | 770 руб. | |
| 1-5 | V14751GYK000 | Пружина Клапан Outer (Spring Valve Outer) | под заказ | 1210 руб. | |
| 1-6 | V14761GYK000 | Пружина Клапан Inner (Spring Valve Inner) | под заказ | 1210 руб. | |
| 1-7 | V14771GYK000 | Фиксатор Пружина клапана (Retainer Valve Spring) | под заказ | 1690 руб. | |
| 1-8 | V14781GYK000 | Шпонка (Cotter) | под заказ | 770 руб. | |
| 1-9 | V14711CJF000 | Впускной клапан (Intake Valve) | под заказ | 3310 руб. | |
| 1-10 | V14721CJF000 | Exaust Клапан (Exaust Valve) | под заказ | 4150 руб. | |
| 1-11 | V12341CJF030LL | LH Прокладка головки блока цилиндра (LH Cover Cylinder Head) | под заказ | 4060 руб. | |
| 1-12 | V12395CJF000 | Прокладка крышки головки блока цилиндра (Cylinder Head Cover Gasket) | под заказ | 980 руб. | |
| 1-13 | V12331CJF010 | RH Прокладка головки блока цилиндра (RH Cover Cylinder Head) | под заказ | по запросу | |
| 1-14 | V12394CJF000 | Прокладка крышки головки блока цилиндра (Cylinder Head Cover Gasket) | под заказ | 490 руб. | |
| 1-15 | V9600006110 | Hexagonal Фланец Болт (Hexagonal Flange Bolt) | под заказ | 610 руб. | |
| 1-16 | V941040614016 | Шайба плоский (Washer Flat) | под заказ | по запросу | |
| 1-17 | 207662044 | Hex. Фланецd Винт M6 X 20 (Hex. Flanged Screw M6 X 20) | под заказ | 290 руб. | |
| 1-18 | V12301CJF000 | Клапан Крышка (Valve Cover) | под заказ | 5990 руб. | |
| 1-19 | V12391CJF010 | Прокладка (Gasket) | под заказ | 1100 руб. | |
| 1-20 | V903040600001 | Колпачок гайки (Cap Nut) | под заказ | по запросу | |
| 1-21 | V941010612016 | плоский Шайба (Flat Washer) | под заказ | 910 руб. | |
| 1-22 | V12361CJF030 | Adjusting Колпачок. Incl 1-23 Уплотнительное кольцо (Adjusting Cap. Incl 1-23 O-Ring) | под заказ | по запросу | |
| 1-23 | N/A | Не доступно для this vehicle (Not available for this vehicle) | |||
| 1-24 | N/A | Не доступно для this vehicle (Not available for this vehicle) | |||
| 1-25 | V11224DGF000 | Сапун (Breather) | под заказ | по запросу | |
| 2 | V14400CJF010 | Распределительный вал (Camshaft) | под заказ | 14220 руб. | |
| 3 | V14431CJF000 | Коромысло (Rocker Arm) | под заказ | по запросу | |
| 4 | V14452CJF000 | Вал коромысла (Rocker Arm Shaft) | под заказ | по запросу | |
| 5 | V90206GYK000 | Клапан Gap Регулировочная гайка (Valve Gap Adjusting Nut) | под заказ | 300 руб. | |
| 6 | V90012GYK000 | Клапан Gap Регулировочный винт (Valve Gap Adjusting Screw) | под заказ | 1340 руб. | |
| 7 | V14321CJF020 | Timer Цепное колесо ЗВЕЗДОЧКА (Timer Sprocket) | под заказ | по запросу | |
| 8 | V920100501208 | Hexagonal Болт (Hexagonal Bolt) | под заказ | 490 руб. | |
| 9 | V9270006033LL | Стержневой болт (Stud Bolt) | под заказ | 300 руб. | |
| 10 | V9805656723 | Свеча зажигания P-Z9HC (Spark Plug P-Z9HC) | под заказ | 7360 руб. | |
| 11 | V17111CJF07A | Впускной коллектор (Intake Manifold) | под заказ | 4150 руб. | |
| 12 | V16229GYK000 | Соединитель Etanche (Joint Etanche) | под заказ | 370 руб. | |
| 13 | 207662044 | Hex. Фланецd Винт M6 X 20 (Hex. Flanged Screw M6 X 20) | под заказ | 290 руб. | |
| 14 | 207662544 | Hex. Фланецd Винт M6 X 25 (Hex. Flanged Screw M6 X 25) | под заказ | 290 руб. | |
| 14 | 420940568 | (последний код) Hex. Фланецd Винт M6 X 25 (Hex. Flanged Screw M6 X 25) | под заказ | 230 руб. | |
| 15 | A9430108120 | Шпонка, 8 X 12 (Dowel Pin, 8 X 12) | под заказ | 610 руб. | |

Время выполнения запроса 6.0650789737701 сек.
склад запчастей для водомоторной техники