| |
Выбрать другую модель
вернуться к списку узлов и деталей ДЕТАЛИРОВКА ДЛЯ МОДЕЛИ: BRP ATV DS 250 NA, CE & INT, 2009
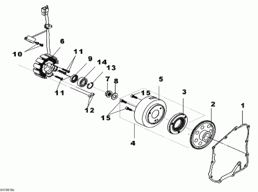
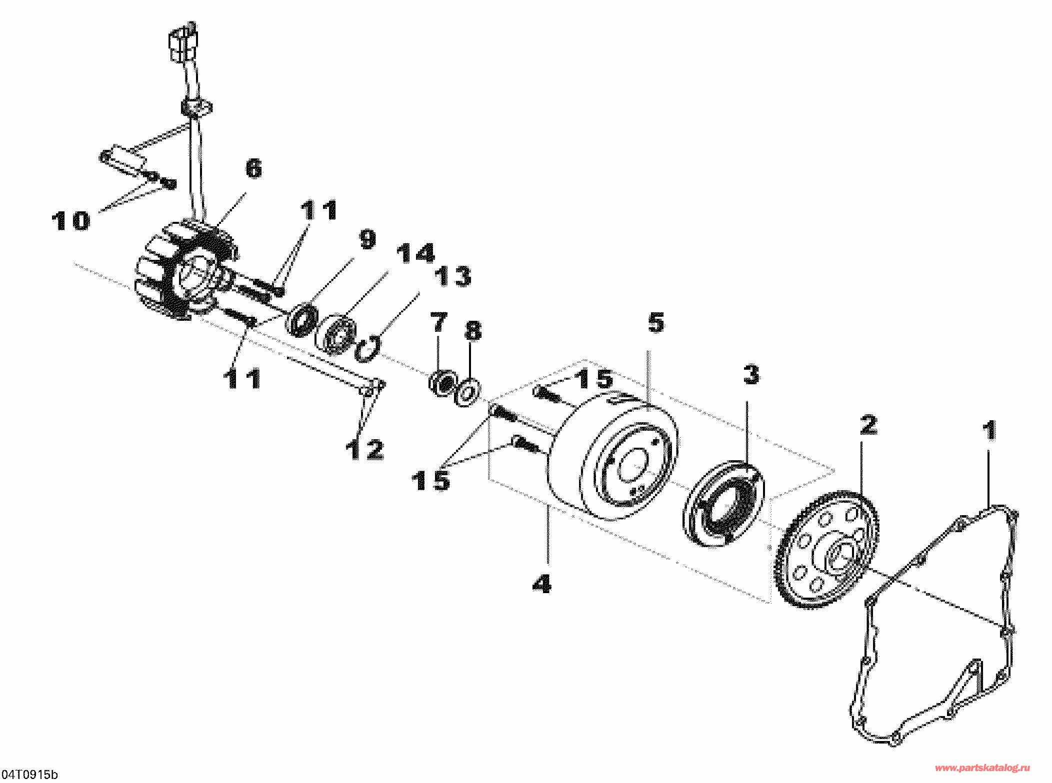
Раздел: Магнето | Magneto
Номер на рисунке | Артикул | Наименование | Кол-во на складе | Цена |
| 1 | S11394RB1000 | Крышка Прокладка (Cover Gasket) | под заказ | 610 руб. | |
| 2 | S28110HMA000 | Стартер Wheel (Starter Wheel) | под заказ | 7840 руб. | |
| 3 | S2812AHMA000 | One Way Сцепление (One Way Clutch) | под заказ | 34600 руб. | |
| 4 | S3110ARB1000 | Генератор Маховик в сборе (Generator Flywheel Assy) | под заказ | 55400 руб. | |
| 5 | NASP/NDPR | Не доступно As Spare Parts (Not Available As Spare Parts) | под заказ | по запросу | |
| 6 | S31120RCA000 | Статор в сборе (Stator Assy) | под заказ | 24300 руб. | |
| 7 | S90201KR8751 | Фланецd Гайка 14 mm (Flanged Nut 14 mm) | под заказ | 910 руб. | |
| 8 | S90401KJ9000 | Упорная шайба (Thrust Washer) | под заказ | 610 руб. | |
| 9 | S91202HMA000 | Сальник (Oil Seal) | под заказ | 450 руб. | |
| 10 | S9210105012 | Шестигранный винт M5 X 12 (Hex. Screw M5 X 12) | под заказ | 300 руб. | |
| 11 | 207644044 | Hex. Фланецd Винт M6 X 40 (Hex. Flanged Screw M6 X 40) | под заказ | по запросу | |
| 12 | S9430108140 | Шпонка (Dowel Pin) | под заказ | 300 руб. | |
| 13 | S9452032000 | Стопорное кольцо (Circlip) | под заказ | 300 руб. | |
| 14 | S961406201310 | Шариковый подшипник (Ball Bearing) | под заказ | 760 руб. | |
| 15 | NASP/NDPR | Не доступно As Spare Parts (Not Available As Spare Parts) | под заказ | по запросу | |

Время выполнения запроса 0.97853302955627 сек.
|
|