вконтакте

Контактный телефон: +7 (981) 121-46-93, +7 (800) 200-90-76 , Email: parts-katalog@yandex.ru, где купить

 
 

  Логин:

Пароль:

Регистрация

www.partskatalog.ru Все каталоги Запчасти Mercury Запчасти Suzuki Запчасти Tohatsu Запчасти Honda Контакты



УВАЖАЕМЫЕ КЛИЕНТЫ!
C 31 ОКТЯБРЯ 2025 ПО 10 НОЯБРЯ 2025 ГОДА РАБОТАТЬ НЕ БУДЕМ




Выбрать другую модель

назад Раздел:   вперёд

вернуться к списку узлов и деталей

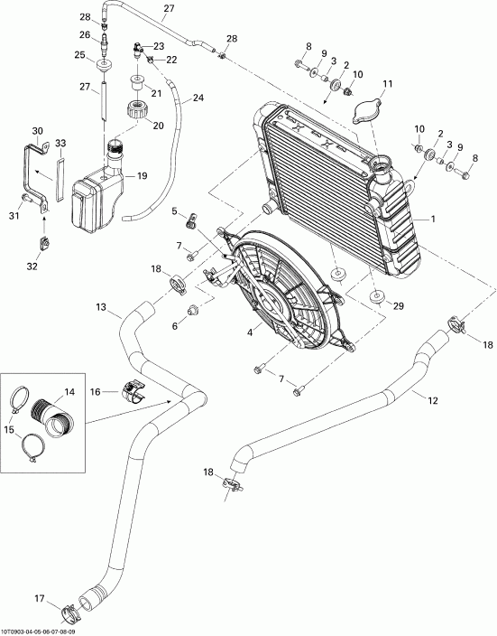
ДЕТАЛИРОВКА ДЛЯ МОДЕЛИ: BRP ATV Outlander 650 EFI, 2009

Раздел: Охлаждение System | Cooling System


модификация Outlander 650 EFI, 2009 - Cooling System

Номер на
рисунке
АртикулНаименованиеКол-во
на складе
Цена
1 709200120

Radiator (Radiator)

под заказпо запросу
1 709200305

(последний код) Radiator (Radiator)

под заказ18990 руб.
2 293720053

Пыльник (Grommet)

под заказ260 руб.
2 709000582

(последний код) Пыльник (Grommet)

под заказ310 руб.
2 SM-12511

   (не оригинальный аналог) Втулка резиновая BRP SM-12511

под заказ160 руб.
3 293900045

Втулка (Bushing)

под заказ430 руб.
3 512045400

(последний код) Втулка (Bushing)

под заказ400 руб.
4 709200229

Fan (Fan)

под заказ14740 руб.
4 709200371

(последний код) Fan (Fan)

под заказ22300 руб.
5 705600459

Струбцина (Clamp)

под заказ370 руб.
5 293650256

(последний код) Струбцина (Clamp)

под заказ480 руб.
6 293720029

Пыльник (Grommet)

под заказ580 руб.
7 207561644

Hex. Фланецd Винт M6 X 16, Scotch Рукоятка (Hex. Flanged Screw M6 X 16, Scotch Grip)

под заказ290 руб.
8 207662544

Hex. Фланецd Винт M6 X 25 (Hex. Flanged Screw M6 X 25)

под заказ290 руб.
8 420940568

(последний код) Hex. Фланецd Винт M6 X 25 (Hex. Flanged Screw M6 X 25)

под заказ230 руб.
9 391302000

плоский Шайба (Flat Washer)

под заказ210 руб.
9 250200082

(последний код) плоский Шайба (Flat Washer)

под заказ270 руб.
10 233261414

Hex. Фланецd Elastic Гайка M6 (Hex. Flanged Elastic Nut M6)

под заказ290 руб.
10 M33200

(последний код)

под заказпо запросу
11 709200207

Pressure Колпачок (Pressure Cap)

под заказ1400 руб.
11 709200033

(последний код) Pressure Колпачок (Pressure Cap)

под заказ1120 руб.
12 709200130

Radiator вход Шланг (Radiator Inlet Hose)

под заказ1220 руб.
13 709200246

Шланг выход (Hose Outlet)

под заказ3130 руб.
14 515176260

Трубопровод 35 мм (Tubing 35mm)

под заказ860 руб.
15 414115200

Tie-Rap 180 mm (Tie-Rap 180 mm)

под заказ130 руб.
15 414587300

(последний код) Tie-Rap 180 mm (Tie-Rap 180 mm)

под заказ110 руб.
16 275500590

Фиксатор (Retainer)

под заказ770 руб.
17 293650108

Norma Пружина Струбцина (Norma Spring Clamp)

под заказ570 руб.
18 293650109

Norma Пружина Струбцина (Norma Spring Clamp)

под заказ500 руб.
19 709200099

Coolant Tank (Coolant Tank)

под заказ5030 руб.
19 709200065

(последний код) Coolant Tank (Coolant Tank)

под заказ3930 руб.
20 548872589

Coolant Резервный бак Колпачок (Coolant Reserve Tank Cap)

под заказ740 руб.
20 709200262

(последний код) Coolant Резервный бак Колпачок (Coolant Reserve Tank Cap)

под заказ680 руб.
21 293830136

Groomet (Groomet)

под заказ580 руб.
21 548872584

(последний код) Groomet (Groomet)

под заказпо запросу
22 414554800

Пружина Струбцина (Spring Clamp)

под заказ140 руб.
22 414278600

(последний код) Пружина Струбцина (Spring Clamp)

под заказ110 руб.
23 414580700

Elbow Male Коннектор (Elbow Male Connector)

под заказ430 руб.
23 414388900

(последний код) Elbow Male Коннектор (Elbow Male Connector)

под заказ340 руб.
24 415080200

Polyurethane Шланг (Polyurethane Hose)

под заказ1150 руб.
24 709000183

(последний код) Polyurethane Шланг (Polyurethane Hose)

под заказпо запросу
25 570135100

Пыльник (Grommet)

под заказ560 руб.
25 709200285

(последний код) Пыльник (Grommet)

под заказ720 руб.
26 414580600

Elbow Male Коннектор (Elbow Male Connector)

под заказ430 руб.
26 414362500

(последний код) Elbow Male Коннектор (Elbow Male Connector)

под заказ340 руб.
27 415110000

Polyurethane Шланг 5.2 mm (Polyurethane Hose 5.2 mm)

под заказ280 руб.
27 709000017

(последний код) Polyurethane Шланг 5.2 mm (Polyurethane Hose 5.2 mm)

под заказ220 руб.
28 414554800

Пружина Струбцина (Spring Clamp)

под заказ140 руб.
28 414278600

(последний код) Пружина Струбцина (Spring Clamp)

под заказ110 руб.
29 570135100

Пыльник (Grommet)

под заказ560 руб.
29 709200285

(последний код) Пыльник (Grommet)

под заказ720 руб.
30 709200080

Tank Anchor (Tank Anchor)

под заказ140 руб.
31 210261680

Hex. Фланецd Винт M6 X 16 (Hex. Flanged Screw M6 X 16)

под заказ250 руб.
31 732600002

(последний код) Hex. Фланецd Винт M6 X 16 (Hex. Flanged Screw M6 X 16)

под заказ230 руб.
32 250000048

Panel Гайка M6 X 1.0 (Panel Nut M6 X 1.0)

под заказ250 руб.
32 250100113

(последний код) Panel Гайка M6 X 1.0 (Panel Nut M6 X 1.0)

под заказ250 руб.
33 293250087

Прокладка (Gasket)

под заказ580 руб.
brp atv

Время выполнения запроса 2.7396748065948 сек.


 
 

данный сайт носит информационный характер и не является публичной офертой

склад запчастей для водомоторной техники