вконтакте

Контактный телефон: +7 (981) 121-46-93, +7 (800) 200-90-76 , Email: parts-katalog@yandex.ru, где купить

 
 

  Логин:

Пароль:

Регистрация

www.partskatalog.ru Все каталоги Запчасти Mercury Запчасти Suzuki Запчасти Tohatsu Запчасти Honda Контакты



УВАЖАЕМЫЕ КЛИЕНТЫ!
C 19 ДЕКАБРЯ 2025 ПО 02 МАРТА 2026 ГОДА ОТДЕЛ ЗАПЧАСТЕЙ И СЕРВИС РАБОТАТЬ НЕ БУДУТ
ПРОДАЖА ЛОДОЧНЫХ МОТОРОВ В ШТАТНОМ РЕЖИМЕ
ОБ ИЗМЕНЕНИЯХ В ГРАФИКЕ РАБОТЫ ЧИТАЙТЕ НА САЙТА




Выбрать другую модель

назад Раздел:   вперёд

вернуться к списку узлов и деталей

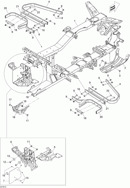
ДЕТАЛИРОВКА ДЛЯ МОДЕЛИ: BRP ATV Renegade 800R EFI STD, 2009

Раздел: Рама | Frame


Квадроцикл BRP Renegade 800R EFI STD, 2009 - Frame

Номер на
рисунке
АртикулНаименованиеКол-во
на складе
Цена
1 705201751

Рама, чёрный (Frame, Black)

под заказпо запросу
1 705201801

(последний код) Рама, чёрный (Frame, Black)

под заказ113100 руб.
2 705201432

Skid Пластина (Skid Plate)

под заказ5510 руб.
2 705202399

(последний код) Skid Пластина (Skid Plate)

под заказ6620 руб.
3 207582084

Hex. Фланецd Винт M8 X 20, Scotch Рукоятка (Hex. Flanged Screw M8 X 20, Scotch Grip)

под заказ250 руб.
4 705200883

Reinдляcement Footrest (Reinforcement Footrest)

под заказпо запросу
5 705201105

Battery Sвышеport Основание (Battery Support Base)

под заказ1800 руб.
5 705201942

(последний код) Battery Sвышеport Основание (Battery Support Base)

под заказ1530 руб.
6 705201603

Rear Battery Sвышеport, чёрный (Rear Battery Support, Black)

под заказ3930 руб.
6 705202142

(последний код) Rear Battery Sвышеport, чёрный (Rear Battery Support, Black)

под заказ4280 руб.
7 705201510

Head Shield (Head Shield)

под заказ1140 руб.
8 207683044

Hex. Фланецd Винт M8 X 30 (Hex. Flanged Screw M8 X 30)

под заказ290 руб.
9 233281414

Hex. Фланецd Elastic Гайка M8 (Hex. Flanged Elastic Nut M8)

под заказ290 руб.
9 M33201

(последний код)

под заказпо запросу
10 207684544

Hex. Фланецd Винт M8 X 45 (Hex. Flanged Screw M8 X 45)

под заказ290 руб.
11 233281416

Elastic Фланецd Гайка M8 (Elastic Flanged Nut M8)

под заказ290 руб.
12 207582586

Hex. Фланецd Винт M8 X 25, Scotch Рукоятка (Hex. Flanged Screw M8 X 25, Scotch Grip)

под заказ290 руб.
13 705201544

Проставка (Spacer)

под заказ610 руб.
14 250000127

Torx Винт M4 X 8 (Torx Screw M4 X 8)

под заказ290 руб.
15 232541484

Эластичная гайка со стопором M4 (Elastic Stop Nut M4)

под заказ130 руб.
15 233241414

(последний код) Эластичная гайка со стопором M4 (Elastic Stop Nut M4)

под заказпо запросу
16 705201504

Sвышеport, чёрный (Support, Black)

под заказ3750 руб.
17 207602544

Hex. Фланецd Винт M10 X 25 (Hex. Flanged Screw M10 X 25)

под заказ290 руб.
18 233201416

Hex. Фланецd Elastic Гайка M10 (Hex. Flanged Elastic Nut M10)

под заказ720 руб.
18 233201436

(последний код) Hex. Фланецd Elastic Гайка M10 (Hex. Flanged Elastic Nut M10)

под заказ860 руб.
19 705201535

Sвышеport (Support)

под заказпо запросу
19 705201507

(последний код) Sвышеport (Support)

под заказпо запросу
20 705201861

Rear Footrest (Rear Footrest)

под заказ4610 руб.
20 705201419

(последний код) Rear Footrest (Rear Footrest)

под заказ4610 руб.
21 705201418

Трубка (Tube)

под заказпо запросу
22 207686044

Hex. Фланецd Винт M8 x 60 (Hex. Flanged Screw M8 x 60)

под заказ290 руб.
brp atv

Время выполнения запроса 1.4309878349304 сек.


 
 

данный сайт носит информационный характер и не является публичной офертой

склад запчастей для водомоторной техники