вконтакте

Контактный телефон: +7 (981) 121-46-93, +7 (800) 200-90-76 , Email: parts-katalog@yandex.ru, где купить

 
 

  Логин:

Пароль:

Регистрация

www.partskatalog.ru Все каталоги Запчасти Mercury Запчасти Suzuki Запчасти Tohatsu Запчасти Honda Контакты


Выбрать другую модель

назад Раздел:   вперёд

вернуться к списку узлов и деталей

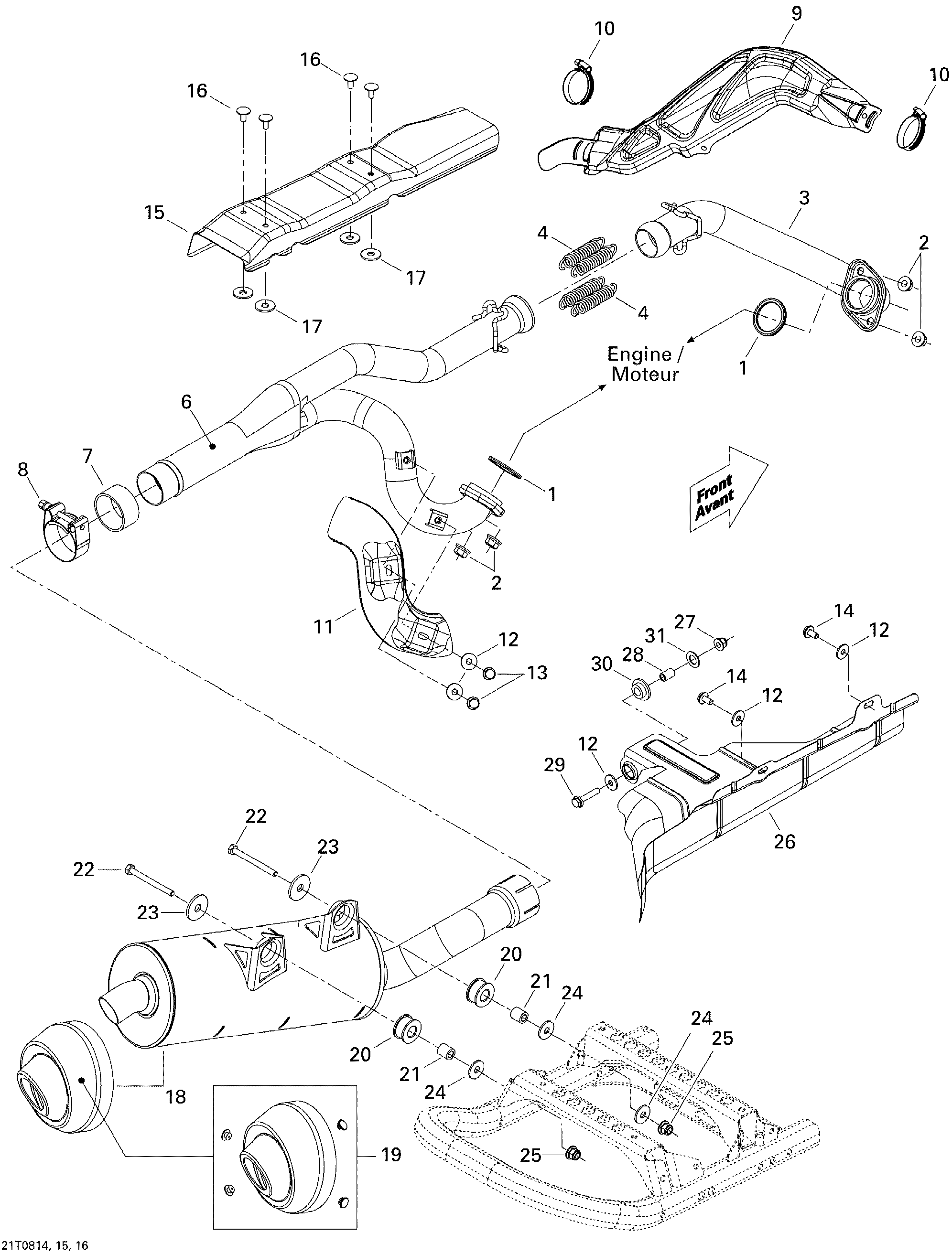
ДЕТАЛИРОВКА ДЛЯ МОДЕЛИ: BRP ATV Renegade 800 X, 2008

Раздел: Выхлопная система | Exhaust System


ATV  Renegade 800 X, 2008 раздел - Exhaust System

Номер на
рисунке
АртикулНаименованиеКол-во
на складе
Цена
1 707600317

Прокладка (Gasket)

под заказ730 руб.
1 707600242

(последний код) Прокладка (Gasket)

под заказ570 руб.
1 NA-80005T

   (не оригинальный аналог) Верхний комплект прокладок BRP NA-80005T

под заказ13690 руб.
2 233081416

Hex Фланецd Гайка M8 (Hex Flanged Nut M8)

под заказ270 руб.
2 A9405008000

(последний код)

под заказпо запросу
3 707600529

Front Tuned Трубка (Front Tuned Pipe)

под заказ6340 руб.
4 415107100

Пружина (Spring)

под заказ460 руб.
4 517165800

(последний код) Пружина (Spring)

под заказ360 руб.
4 SM-02007

   (не оригинальный аналог) Пружина крепления глушителя BRP SM-02007

под заказ280 руб.
5 N/A

Не доступно для this vehicle (Not available for this vehicle)

6 707600530

Rear Tuned Трубка (Rear Tuned Pipe)

под заказ13960 руб.
7 707600430

Трубка Прокладка (Pipe Gasket)

под заказ1410 руб.
8 293650177

Norma Шестерня Струбцина (Norma Gear Clamp)

под заказ650 руб.
9 707600342

Front Heat Shield (Front Heat Shield)

под заказпо запросу
9 707600616

(последний код) Front Heat Shield (Front Heat Shield)

под заказ1570 руб.
10 293650098

Norma Шестерня Струбцина (Norma Gear Clamp)

под заказ430 руб.
11 707600318

Tuned Трубка Защита (Tuned Pipe Protector)

под заказпо запросу
12 391302000

плоский Шайба (Flat Washer)

под заказ210 руб.
12 250200082

(последний код) плоский Шайба (Flat Washer)

под заказ270 руб.
13 250000073

Hex Фланецd Винт M6 X 12 (Hex Flanged Screw M6 X 12)

под заказ610 руб.
14 210261280

Hex Фланецd Винт M6 X 12 (Hex Flanged Screw M6 X 12)

под заказ250 руб.
15 707600426

Heat Shield (Heat Shield)

под заказпо запросу
16 390406500

Pop Заклёпка 3 / 16" (Pop Rivet 3/16")

под заказ140 руб.
16 390407300

(последний код) Pop Заклёпка 3 / 16" (Pop Rivet 3/16")

под заказ110 руб.
17 517124300

Шайба (Washer)

под заказ130 руб.
18 707600412

Muffler. Европа, Includes 18, 19 (Muffler. Europe, Includes 18, 19)

под заказ26800 руб.
18 707600579

(последний код) Muffler. Европа, Includes 18, 19 (Muffler. Europe, Includes 18, 19)

под заказ44300 руб.
18 707600540

Muffler. Includes 18, 19 (Muffler. Includes 18, 19)

под заказ31500 руб.
18 707600413

(последний код) Muffler. Includes 18, 19 (Muffler. Includes 18, 19)

под заказ59900 руб.
19 703500701

Muffler Колпачок Kit (Muffler Cap Kit)

под заказ13960 руб.
20 707600077

Rubber (Rubber)

под заказ700 руб.
20 707600701

(последний код) Rubber (Rubber)

под заказ950 руб.
21 293900082

Втулка (Bushing)

под заказ680 руб.
21 293900106

(последний код) Втулка (Bushing)

под заказ450 руб.
22 207087044

Hex Винт M8 X 70 (Hex Screw M8 X 70)

под заказ290 руб.
22 222087065

(последний код) Hex Винт M8 X 70 (Hex Screw M8 X 70)

под заказ230 руб.
23 503032900

Шайба (Washer)

под заказ290 руб.
24 234082410

плоский Шайба 8 mm (Flat Washer 8 mm)

под заказ270 руб.
24 702000064

(последний код) плоский Шайба 8 mm (Flat Washer 8 mm)

под заказ210 руб.
25 233281414

Hex Фланецd Elastic Гайка M8 (Hex Flanged Elastic Nut M8)

под заказ290 руб.
25 M33201

(последний код)

под заказпо запросу
26 707600284

Muffler Защита (Muffler Protector)

под заказпо запросу
27 233261414

Hex Фланецd Elastic Гайка M6 (Hex Flanged Elastic Nut M6)

под заказ290 руб.
27 M33200

(последний код)

под заказпо запросу
28 293900078

Гильза (Sleeve)

под заказ840 руб.
29 207663044

Hex. Фланецd Винт M6 X 30 (Hex. Flanged Screw M6 X 30)

под заказ230 руб.
29 207663034

(последний код) Hex. Фланецd Винт M6 X 30 (Hex. Flanged Screw M6 X 30)

под заказ250 руб.
30 709200115

Втулка (Bushing)

под заказ340 руб.
30 705003932

(последний код) Втулка (Bushing)

под заказ310 руб.
31 503175800

Шайба (Washer)

под заказ290 руб.
brp atv

Время выполнения запроса 4.54328083992 сек.


 
 

данный сайт носит информационный характер и не является публичной офертой

склад запчастей для водомоторной техники