вконтакте

Контактный телефон: +7 (981) 121-46-93, +7 (800) 200-90-76 , Email: parts-katalog@yandex.ru, где купить

 
 

  Логин:

Пароль:

Регистрация

www.partskatalog.ru Все каталоги Запчасти Mercury Запчасти Suzuki Запчасти Tohatsu Запчасти Honda Контакты


Выбрать другую модель

назад Раздел:   вперёд

вернуться к списку узлов и деталей

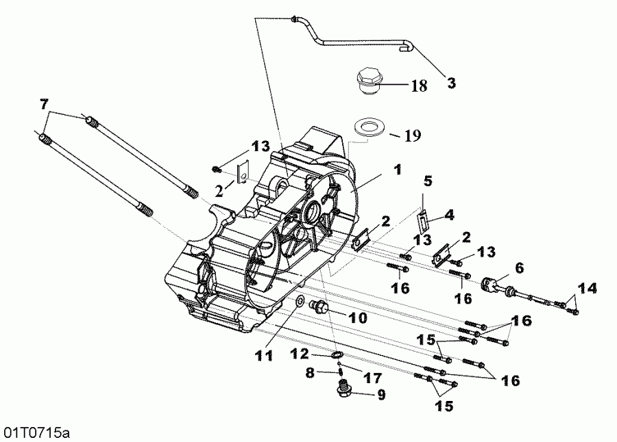
ДЕТАЛИРОВКА ДЛЯ МОДЕЛИ: BRP ATV DS 250 NA / Inter, 2007

Раздел: левый Картер двигателя Half | Left Crankcase Half


Квадроцикл  DS 250 NA / Inter, 2007 раздел - Left Crankcase Half

Номер на
рисунке
АртикулНаименованиеКол-во
на складе
Цена
1 S11200RB1000

LH Картер двигателя в сборе (LH Crankcase Assy)

под заказ29900 руб.
2 S11205RB1000

Установочная пластина (Setting Plate)

под заказ460 руб.
3 S11221RB1000

Сапун шланга (Breather Hose)

под заказ1210 руб.
4 S11230RA1000

Drain Трубка в сборе (Drain Tube Assy)

под заказ450 руб.
5 NASP/NDPR

Не доступно As Spare Parts (Not Available As Spare Parts)

под заказпо запросу
6 S35759RB1000

Change Sw в сборе (Change Sw Assy)

под заказпо запросу
7 S90032HMA000

Цилиндр Шпилька (Cylinder Stud)

под заказ920 руб.
8 S90051RB1000

Пружина Fixed Catch (Spring Fixed Catch)

под заказ300 руб.
9 S90052RB1000

Drain Заглушка винта (Drain Plug Screw)

под заказ610 руб.
10 S9280012000

Drain Заглушка винта (Drain Plug Screw)

под заказ300 руб.
11 S9410912000

Drain Заглушка винта шайбы 12 mm (Drain Plug Screw Washer 12 mm)

под заказ300 руб.
12 S9410914000

Drain Заглушка винта шайбы 14 mm (Drain Plug Screw Washer 14 mm)

под заказ300 руб.
13 S960010601200

Фланецd Шестигранный винт M6 X 12 (Flanged Hex. Screw M6 X 12)

под заказ150 руб.
14 S960010601800

Фланецd Шестигранный винт M6 X 18 (Flanged Hex. Screw M6 X 18)

под заказ300 руб.
15 S960010605000

Фланецd Шестигранный винт M6 X 50 (Flanged Hex. Screw M6 X 50)

под заказ300 руб.
16 S960010607000

Фланецd Шестигранный винт M6 X 70 (Flanged Hex. Screw M6 X 70)

под заказ150 руб.
17 S9621112000

Steel Шарик (Steel Ball)

под заказ460 руб.
18 S11206RB1000

Сальникing Болт (Sealing Bolt)

под заказ760 руб.
19 S90403RB1000

Сальникing Шайба (Sealing Washer)

под заказ150 руб.
brp atv

Время выполнения запроса 2.2755060195923 сек.


 
 

данный сайт носит информационный характер и не является публичной офертой

склад запчастей для водомоторной техники