вконтакте

Контактный телефон: +7 (981) 121-46-93, +7 (800) 200-90-76 , Email: parts-katalog@yandex.ru, где купить

 
 

  Логин:

Пароль:

Регистрация

www.partskatalog.ru Все каталоги Запчасти Mercury Запчасти Suzuki Запчасти Tohatsu Запчасти Honda Контакты



УВАЖАЕМЫЕ КЛИЕНТЫ!
C 19 ДЕКАБРЯ 2025 ПО 02 МАРТА 2026 ГОДА ОТДЕЛ ЗАПЧАСТЕЙ И СЕРВИС РАБОТАТЬ НЕ БУДУТ
ПРОДАЖА ЛОДОЧНЫХ МОТОРОВ В ШТАТНОМ РЕЖИМЕ
ОБ ИЗМЕНЕНИЯХ В ГРАФИКЕ РАБОТЫ ЧИТАЙТЕ НА САЙТА




Выбрать другую модель

назад Раздел:   вперёд

вернуться к списку узлов и деталей

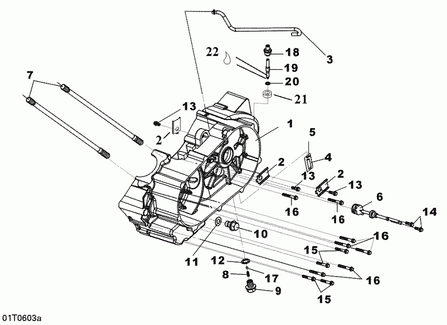
ДЕТАЛИРОВКА ДЛЯ МОДЕЛИ: BRP ATV DS 250, CE, 2006

Раздел: левый Картер двигателя Half | Left Crankcase Half


Мотовездеход  модификация DS 250, CE, 2006 - левый Картер двигателя Half

Номер на
рисунке
АртикулНаименованиеКол-во
на складе
Цена
1 S11200RB1000

LH Картер двигателя в сборе (LH Crankcase Assy)

под заказ29900 руб.
2 S11205RB1000

Установочная пластина (Setting Plate)

под заказ460 руб.
3 S11221RB1000

Сапун шланга (Breather Hose)

под заказ1210 руб.
4 S11230RA1000

Drain Трубка в сборе (Drain Tube Assy)

под заказ450 руб.
5 NASP/NDPR

Не доступно As Spare Parts (Not Available As Spare Parts)

под заказпо запросу
6 S35759RB1000

Change Sw в сборе (Change Sw Assy)

под заказпо запросу
7 S90032HMA000

Цилиндр Шпилька (Cylinder Stud)

под заказ920 руб.
8 S90051RB1000

Пружина Fixed Catch (Spring Fixed Catch)

под заказ300 руб.
9 S90052RB1000

Drain Заглушка винта (Drain Plug Screw)

под заказ610 руб.
10 S9280012000

Drain Заглушка винта (Drain Plug Screw)

под заказ300 руб.
11 S9410912000

Drain Заглушка винта шайбы 12 mm (Drain Plug Screw Washer 12 mm)

под заказ300 руб.
12 S9410914000

Drain Заглушка винта шайбы 14 mm (Drain Plug Screw Washer 14 mm)

под заказ300 руб.
13 S960010601200

Фланецd Шестигранный винт M6 X 12 (Flanged Hex. Screw M6 X 12)

под заказ150 руб.
14 S960010601800

Фланецd Шестигранный винт M6 X 18 (Flanged Hex. Screw M6 X 18)

под заказ300 руб.
15 S960010605000

Фланецd Шестигранный винт M6 X 50 (Flanged Hex. Screw M6 X 50)

под заказ300 руб.
16 S960010607000

Фланецd Шестигранный винт M6 X 70 (Flanged Hex. Screw M6 X 70)

под заказ150 руб.
17 S9621112000

Steel Шарик (Steel Ball)

под заказ460 руб.
18 S23434RCA000

Шестерня Fixing Болт (Gear Fixing Bolt)

под заказ2120 руб.
19 S23433RCA000

Прибор Шестерня (Meter Gear)

под заказ5000 руб.
20 S23435RCA000

Упорная шайба (Thrust Washer)

под заказ150 руб.
21 S91201RCA000

Сальник (Oil Seal)

под заказ1210 руб.
22 293550021

Isoflex Смазка, 50 G (Isoflex Grease, 50 G)

под заказ5600 руб.
22 619600025

(последний код) Isoflex Смазка, 50 G (Isoflex Grease, 50 G)

под заказ6530 руб.
22 AAB52

   (не оригинальный аналог) Смазка для подшипников коленвала, аналог ISOFLEX (50гр.)

под заказ4680 руб.
brp atv

Время выполнения запроса 1.7028079032898 сек.


 
 

данный сайт носит информационный характер и не является публичной офертой

склад запчастей для водомоторной техники