| |
Выбрать другую модель
вернуться к списку узлов и деталей ДЕТАЛИРОВКА ДЛЯ МОДЕЛИ: BRP ATV Rally 175, 2006
Раздел: Передняя подвеска | Front Suspension
Номер на рисунке | Артикул | Наименование | Кол-во на складе | Цена |
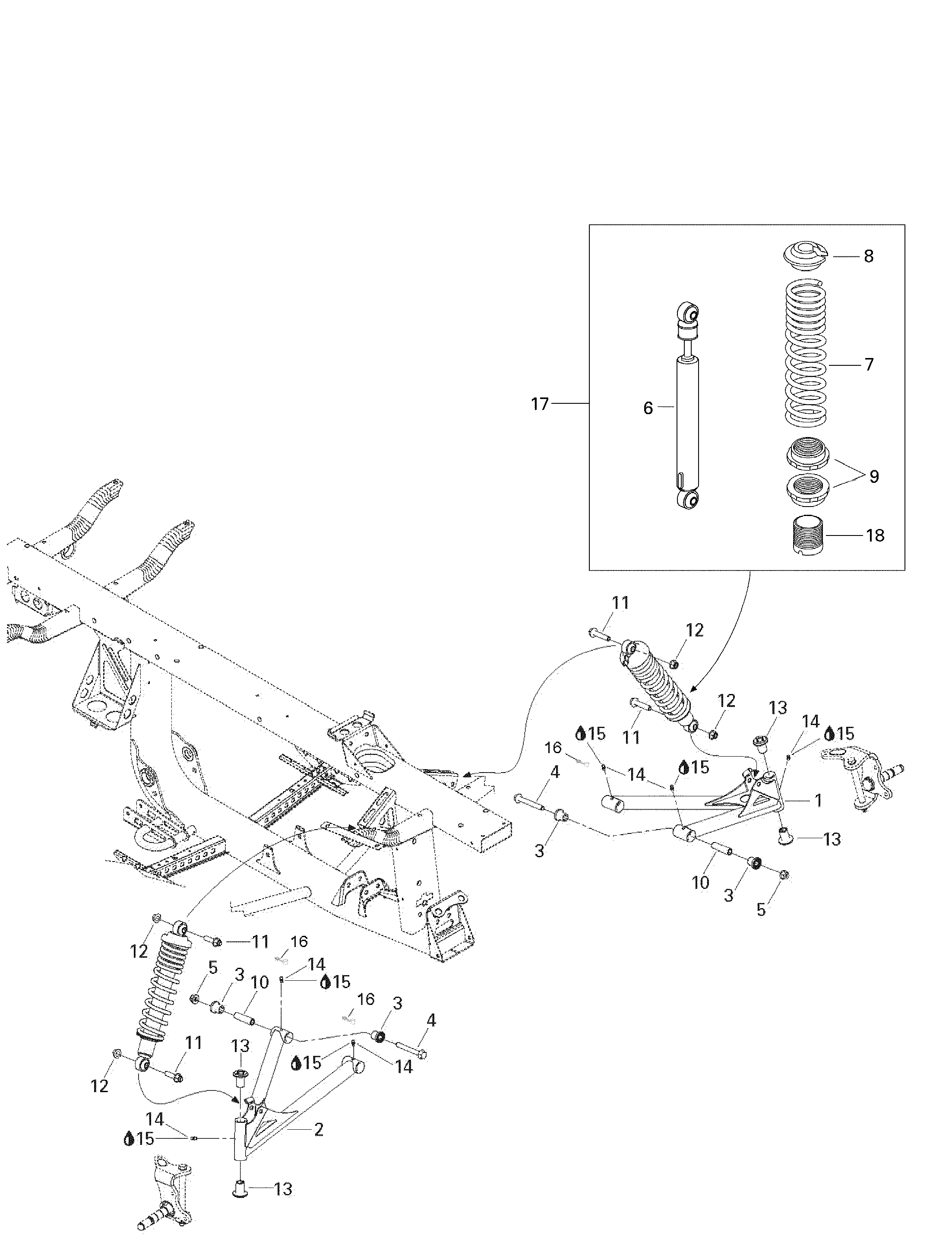
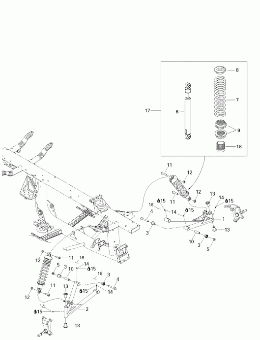
| 1 | 706200175 | L.H. Рычаг (L.H. Arm) | под заказ | 13400 руб. | |
| 2 | 706200176 | R.H. Рычаг (R.H. Arm) | под заказ | 13260 руб. | |
| 3 | 706200063 | Подушка (Cushion) | под заказ | 720 руб. | |
| 4 | A9600010080 | Hex Фланецd Винт M10 X 80 (Hex Flanged Screw M10 X 80) | под заказ | 1720 руб. | |
| 5 | A9035110000 | Hex Фланецd Elastic Гайка M10 (Hex Flanged Elastic Nut M10) | под заказ | 2010 руб. | |
| 6 | A51411179000 | Front Shock (Front Shock) | под заказ | 16080 руб. | |
| 7 | A51401179000 | Front Пружина (Front Spring) | под заказ | 2870 руб. | |
| 8 | A51402179000 | Пружина Стопор (Spring Stopper) | под заказ | 1640 руб. | |
| 9 | 706000197 | Пружина Седло (Spring Seat) | под заказ | 1150 руб. | |
| 9 | 706000007 | (последний код) Пружина Седло (Spring Seat) | под заказ | 900 руб. | |
| 10 | 706200177 | Inner Втулка (Inner Bushing) | под заказ | 1290 руб. | |
| 11 | A9600010050 | Hex Фланецd Винт M10 X 50 (Hex Flanged Screw M10 X 50) | под заказ | 860 руб. | |
| 12 | A9035110000L | Hex Фланецd Elastic Гайка M10 (Hex Flanged Elastic Nut M10) | под заказ | 2010 руб. | |
| 13 | 706200169 | Подушка (Cushion) | под заказ | 860 руб. | |
| 14 | 408200700 | Смазочный фиттинг (Grease Fitting) | под заказ | 320 руб. | |
| 15 | 293550010 | Synthetic Смазка (Synthetic Grease) | под заказ | 2490 руб. | |
| 15 | 293550018 | (последний код) Synthetic Смазка (Synthetic Grease) | под заказ | 1950 руб. | |
| 16 | A9650206000 | Смазка Клапан Колпачок (Grease Valve Cap) | под заказ | 580 руб. | |
| 17 | A51400179000 | Front Shock в сборе (Front Shock Assy) | под заказ | 16080 руб. | |
| 18 | A51422179000 | Shock Регулятор (Shock Adjuster) | под заказ | 2630 руб. | |

Время выполнения запроса 2.1073050498962 сек.
|
|