| |
Выбрать другую модель
вернуться к списку узлов и деталей ДЕТАЛИРОВКА ДЛЯ МОДЕЛИ: BRP ATV Mini DS 50 2-strokes, 2005
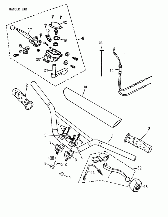
Раздел: Handlebar | Handlebar
Номер на рисунке | Артикул | Наименование | Кол-во на складе | Цена |
| 1 | A5310014500C | Handle Bar (Handle Bar) | под заказ | 4610 руб. | |
| 2 | A53166101000 | Handle Рукоятка (Handle Grip) | под заказ | 1150 руб. | |
| 3 | A5310114500A | Handle Bar Bottom Струбцина (Handle Bar Bottom Clamp) | под заказ | 2010 руб. | |
| 4 | A5310214500A | левый Handle Bar Струбцина (Left Handle Bar Clamp) | под заказ | 1580 руб. | |
| 5 | A5310314500A | правый Handle Bar Струбцина (Right Handle Bar Clamp) | под заказ | 1580 руб. | |
| 6 | A9100006025 | Hex. Socket Болт (M6 x 25) (Hex. Socket Bolt (M6 x 25)) | под заказ | по запросу | |
| 7 | A53178145000 | левый Рычаг (Left Lever) | под заказ | 2920 руб. | |
| 8 | A5317014500A | правый Рычаг в сборе (Right Lever Assy) | под заказ | 13400 руб. | |
| 9 | A9035010000G | Нейлоновая гайка (M10) (Nylon Nut (M10)) | под заказ | по запросу | |
| 10 | A53132166000 | Cross Bar Sponge (Cross Bar Sponge) | под заказ | по запросу | |
| 11 | A941051022025G | Plain Шайба (Plain Washer) | под заказ | 290 руб. | |
| 12 | A5317114500A | Рычаг Чехол двигателя (Lever Body Cover) | под заказ | 1580 руб. | |
| 13 | A35345145000 | L.H. тормоз Переключатель Провод (L.H. Brake Switch Wire) | под заказ | по запросу | |
| 14 | A17910145001 | Тросик дросселя (Throttle Cable) | под заказ | 2720 руб. | |
| 15 | A3520014500A | L.H. Handle Переключатель в сборе (L.H. Handle Switch Assy) | под заказ | 6150 руб. | |
| 16 | A53174145000 | Тросик дросселя Кронштейн (Throttle Cable Bracket) | под заказ | 860 руб. | |
| 17 | A53175145000 | правый Рычаг (Right Lever) | под заказ | 2730 руб. | |
| 18 | A53173145000 | Кабели Кронштейн (Cable Bracket) | под заказ | 1690 руб. | |
| 19 | A53184145000 | Throtte Рычаг Пружина (Throtte Lever Spring) | под заказ | 580 руб. | |
| 20 | A53172145000 | Рычаг Кронштейн (Lever Bracket) | под заказ | 3280 руб. | |
| 21 | A53180145000 | Рычаг дросселя (Throttle Lever) | под заказ | 2010 руб. | |
| 22 | A53179155000 | левый Рычаг в сборе (Left Lever Assy) | под заказ | 6760 руб. | |
| 23 | A9066910100A | Tie Rap (Tie Rap) | под заказ | 430 руб. | |

Время выполнения запроса 1.5283808708191 сек.
|
|