Номер на рисунке | Артикул | Наименование | Кол-во на складе | Цена |
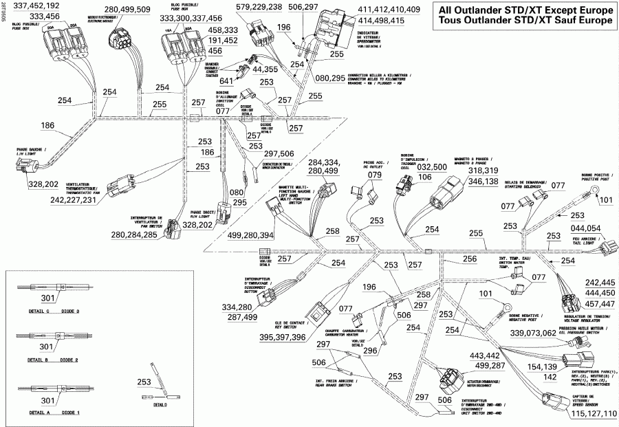
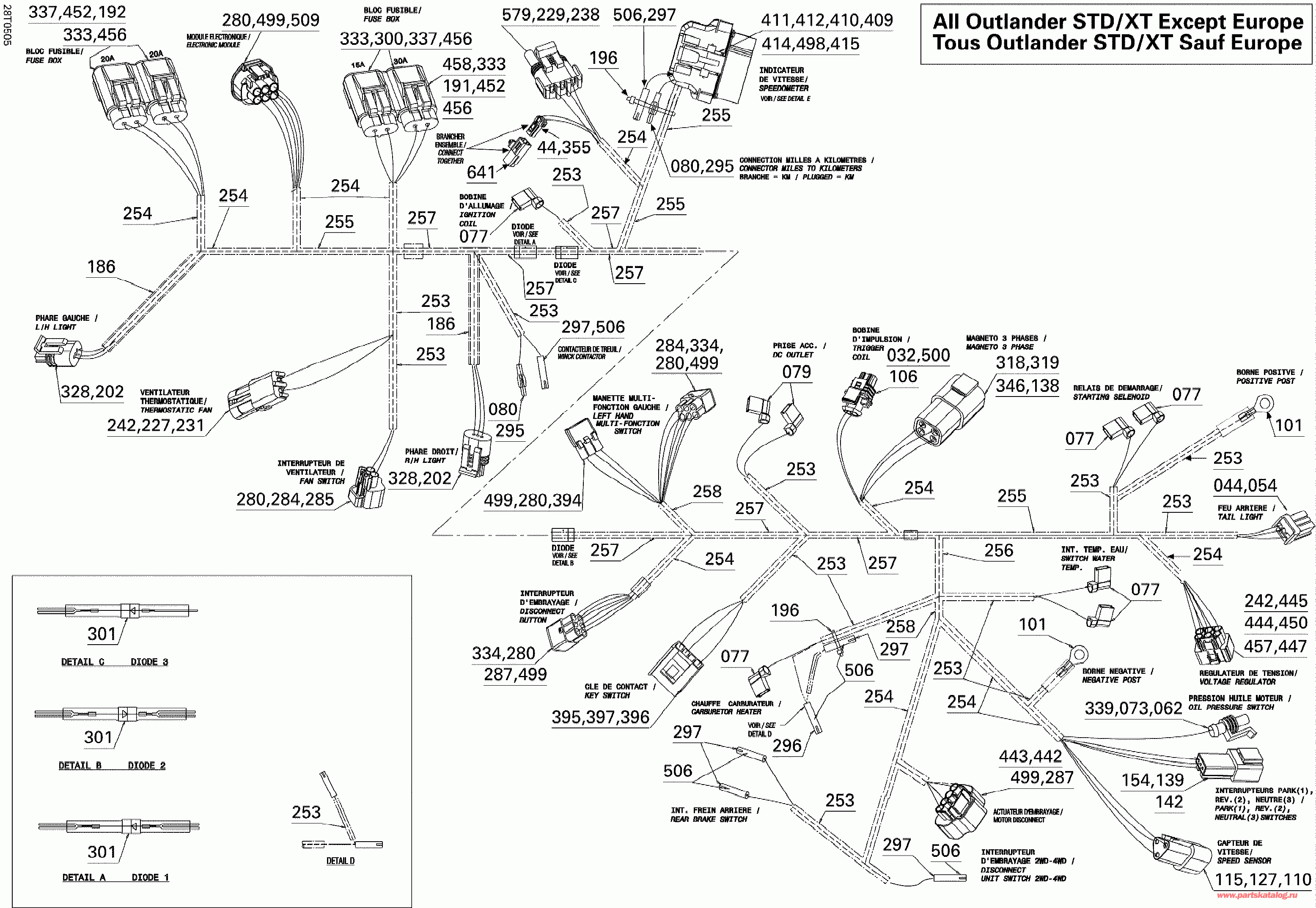
| 1 | 710000713 | Main Жгут проводов в сборе. Includes 1 To 641 (Except Европа) (Main Harness Assy. Includes 1 To 641 (Except Europe)) | под заказ | 38300 руб. | |
| 32 | 278000998 | Female Клемма (Female Terminal) | под заказ | 430 руб. | |
| 32 | 415128502 | (последний код) Female Клемма (Female Terminal) | под заказ | 340 руб. | |
| 44 | 515175231 | Female Клемма 16-20 Awg (Female Terminal 16-20 Awg) | под заказ | 430 руб. | |
| 54 | 515175495 | Female Корпус (3 Circuits) (Female Housing (3 Circuits)) | под заказ | 1580 руб. | |
| 62 | 278001014 | Female Клемма (Female Terminal) | под заказ | 290 руб. | |
| 73 | 278001013 | Провод Сальник (Wire Seal) | под заказ | 290 руб. | |
| 77 | 409010300 | Female Клемма (Female Terminal) | под заказ | 430 руб. | |
| 79 | 710000038 | Female Клемма (Female Terminal) | под заказ | 450 руб. | |
| 80 | 278000230 | Male Клемма (Male Terminal) | под заказ | 430 руб. | |
| 80 | 730100001 | (последний код) Male Клемма (Male Terminal) | под заказ | 340 руб. | |
| 101 | 278001392 | Open Barrel (Open Barrel) | под заказ | 430 руб. | |
| 101 | 409012600 | (последний код) Open Barrel (Open Barrel) | под заказ | 340 руб. | |
| 106 | 278001005 | Male Клемма Корпус (2 Circuits) (Male Terminal Housing (2 Circuits)) | под заказ | 1440 руб. | |
| 110 | 278000631 | Male Клемма (Male Terminal) | под заказ | 430 руб. | |
| 115 | 409207000 | Male Клемма Корпус (3 Circuits) (Male Terminal Housing (3 Circuits)) | под заказ | по запросу | |
| 127 | 409207600 | Male Lock (3 Circuits) (Male Lock (3 Circuits)) | под заказ | 430 руб. | |
| 138 | 293000052 | Сальникing Колпачок (Sealing Cap) | под заказ | 290 руб. | |
| 139 | 409014800 | Male Клемма (Male Terminal) | под заказ | 430 руб. | |
| 142 | 710000044 | Male Клемма Корпус (3 Circuits) (Male Terminal Housing (3 Circuits)) | под заказ | 2870 руб. | |
| 154 | 710000043 | (Male) Secondary Lock (3 Circuits) (Deutsch) ((Male) Secondary Lock (3 Circuits) (Deutsch)) | под заказ | 580 руб. | |
| 186 | 515175332 | Vinyl Трубопровод (low температура) (Vinyl Tubing (low Temperature)) | под заказ | 720 руб. | |
| 191 | 410917200 | Предохранитель (30 Amperes) (Fuse (30 Amperes)) | под заказ | 290 руб. | |
| 191 | 42043 | (последний код) Предохранитель (30 Amperes) (Fuse (30 Amperes)) | под заказ | 140 руб. | |
| 192 | 409003900 | Предохранитель (20 Amperes) (Fuse (20 Amperes)) | под заказ | 290 руб. | |
| 192 | 42042 | (последний код) Предохранитель (20 Amperes) (Fuse (20 Amperes)) | под заказ | 110 руб. | |
| 196 | 293750002 | Tie-Rap 130 mm (Tie-Rap 130 mm) | под заказ | 130 руб. | |
| 202 | 278001114 | Female Клемма (Female Terminal) | под заказ | 290 руб. | |
| 210 | 278000736 | Male Клемма Корпус (6 Circuits) (Male Terminal Housing (6 Circuits)) | под заказ | 1590 руб. | |
| 227 | 409004300 | Male Клемма (Male Terminal) | под заказ | 580 руб. | |
| 231 | 278000217 | Female Клемма Корпус (2 Circuits) (Female Terminal Housing (2 Circuits)) | под заказ | 720 руб. | |
| 242 | 278000218 | Провод Сальник (Wire Seal) | под заказ | 430 руб. | |
| 253 | 515175442 | Трубопровод 6 mm (Tubing 6 mm) | под заказ | 430 руб. | |
| 253 | 513033364 | (последний код) Трубопровод 6 mm (Tubing 6 mm) | под заказ | 340 руб. | |
| 254 | 409901700 | Трубопровод 9 mm (Tubing 9 mm) | под заказ | 720 руб. | |
| 255 | 409901800 | Трубопровод (Tubing) | под заказ | 110 руб. | |
| 255 | 414612400 | (последний код) Трубопровод (Tubing) | под заказ | по запросу | |
| 256 | 415080000 | Трубопровод 16 mm (Tubing 16 mm) | под заказ | 720 руб. | |
| 256 | 513033461 | (последний код) Трубопровод 16 mm (Tubing 16 mm) | под заказ | 560 руб. | |
| 257 | 409901600 | Трубопровод (Tubing) | под заказ | 860 руб. | |
| 280 | 409012100 | Female Клемма (Female Terminal) | под заказ | 430 руб. | |
| 284 | 409012300 | Сальник (Seal) | под заказ | 290 руб. | |
| 285 | 710000078 | Female Клемма Корпус (2 Circuits) (Female Terminal Housing (2 Circuits)) | под заказ | 2440 руб. | |
| 287 | 710000080 | Колпачок (Cap) | под заказ | 620 руб. | |
| 295 | 278001009 | Female Клемма (Female Terminal) | под заказ | 290 руб. | |
| 295 | 290964068 | (последний код) Female Клемма (Female Terminal) | под заказ | 230 руб. | |
| 296 | 278000770 | Insulated Sheet (Insulated Sheet) | под заказ | 770 руб. | |
| 297 | 278001007 | Insulated Sheet (Insulated Sheet) | под заказ | 290 руб. | |
| 297 | 730451000 | (последний код) Insulated Sheet (Insulated Sheet) | под заказ | по запросу | |
| 300 | 278000343 | Предохранитель (15 Amperes) (Fuse (15 Amperes)) | под заказ | 290 руб. | |
| 301 | XXX | Diode (Diode) | | | |
| 318 | 278001477 | Female Клемма Корпус (4 Circuits) (Female Terminal Housing (4 Circuits)) | под заказ | 2580 руб. | |
| 319 | 515175568 | Male Клемма (Male Terminal) | под заказ | 720 руб. | |
| 328 | 278001467 | Male Клемма Корпус (3 Circuits) (Male Terminal Housing (3 Circuits)) | под заказ | 1090 руб. | |
| 333 | 278001325 | Предохранитель Держатель (Fuse Holder) | под заказ | 720 руб. | |
| 334 | 710000081 | Female Клемма Корпус (6 Circuits) (Female Terminal Housing (6 Circuits)) | под заказ | 370 руб. | |
| 336 | 710000115 | Rubber Envelope Клемма (Rubber Envelope Terminal) | под заказ | 450 руб. | |
| 337 | 710000113 | Female Клемма (Female Terminal) | под заказ | 580 руб. | |
| 338 | 710000114 | Female Клемма (Female Terminal) | под заказ | 720 руб. | |
| 338 | 278001317 | (последний код) Female Клемма (Female Terminal) | под заказ | 560 руб. | |
| 339 | 278001012 | Male Клемма Корпус (1 Circuit) (Male Terminal Housing (1 Circuit)) | под заказ | 1150 руб. | |
| 346 | 278001478 | (Female) Secondary Lock (4 Circuits) (Deutsch) ((Female) Secondary Lock (4 Circuits) (Deutsch)) | под заказ | 290 руб. | |
| 355 | 515175658 | Female Корпус (2 Circuits) (Female Housing (2 Circuits)) | под заказ | 1580 руб. | |
| 394 | 710000275 | Female Клемма Корпус (3 Circuits) (Female Terminal Housing (3 Circuits)) | под заказ | 820 руб. | |
| 395 | 710000274 | Female Клемма (Female Terminal) | под заказ | 860 руб. | |
| 396 | 710000272 | Female Клемма Корпус (4 Circuits) (Female Terminal Housing (4 Circuits)) | под заказ | 1000 руб. | |
| 397 | 710000273 | Lock (4 Circuits) (Lock (4 Circuits)) | под заказ | 860 руб. | |
| 409 | 515175812 | Заглушка (Plug) | под заказ | 210 руб. | |
| 410 | 409204600 | Female Клемма Корпус (24 Circuits) (Female Terminal Housing (24 Circuits)) | под заказ | 430 руб. | |
| 410 | 409203600 | (последний код) Female Клемма Корпус (24 Circuits) (Female Terminal Housing (24 Circuits)) | под заказ | 340 руб. | |
| 411 | 515175802 | Фиксатор Block (24 Circuits) (Retainer Block (24 Circuits)) | под заказ | 1000 руб. | |
| 412 | 515175803 | Провод Сальник (24 Circuits) (Wire Seal (24 Circuits)) | под заказ | 300 руб. | |
| 414 | 515175805 | Female Lock (24 Circuits) (Female Lock (24 Circuits)) | под заказ | 430 руб. | |
| 415 | 515175806 | Female Клемма (Female Terminal) | под заказ | 110 руб. | |
| 435 | 409009500 | Female Клемма (Female Terminal) | под заказ | 290 руб. | |
| 444 | 710000336 | Male Клемма Корпус (6 Circuits) (Male Terminal Housing (6 Circuits)) | под заказ | 1180 руб. | |
| 445 | 710000337 | Соединитель Сальник (Joint Seal) | под заказ | 600 руб. | |
| 447 | 710000339 | Secondary Lock (Secondary Lock) | под заказ | 1180 руб. | |
| 450 | 710000343 | Колпачок (Cap) | под заказ | 140 руб. | |
| 452 | 710000342 | Корпус Крышка (Housing Cover) | под заказ | 1370 руб. | |
| 456 | 278000805 | Подушка (Cushion) | под заказ | 290 руб. | |
| 457 | 710000356 | Female Клемма (Female Terminal) | под заказ | 600 руб. | |
| 458 | 710000357 | Female Клемма (Female Terminal) | под заказ | 580 руб. | |
| 498 | 710000399 | Female Клемма Корпус (24 Circ.) (Female Terminal Housing (24 Circ.)) | под заказ | 1440 руб. | |
| 499 | 710000402 | Провод Сальник (Wire Seal) | под заказ | 430 руб. | |
| 500 | 710000403 | Провод Сальник (Wire Seal) | под заказ | 290 руб. | |
| 506 | 710000421 | Female Клемма (Female Terminal) | под заказ | 430 руб. | |
| 509 | 710000474 | Female Клемма Корпус (6 Circuits) (Female Terminal Housing (6 Circuits)) | под заказ | 1500 руб. | |
| 641 | 710000667 | Male Корпус (2 Circuits) (Male Housing (2 Circuits)) | под заказ | 720 руб. | |