| |
Выбрать другую модель
вернуться к списку узлов и деталей ДЕТАЛИРОВКА ДЛЯ МОДЕЛИ: BRP ATV Mini DS 90 2-strokes, 2004
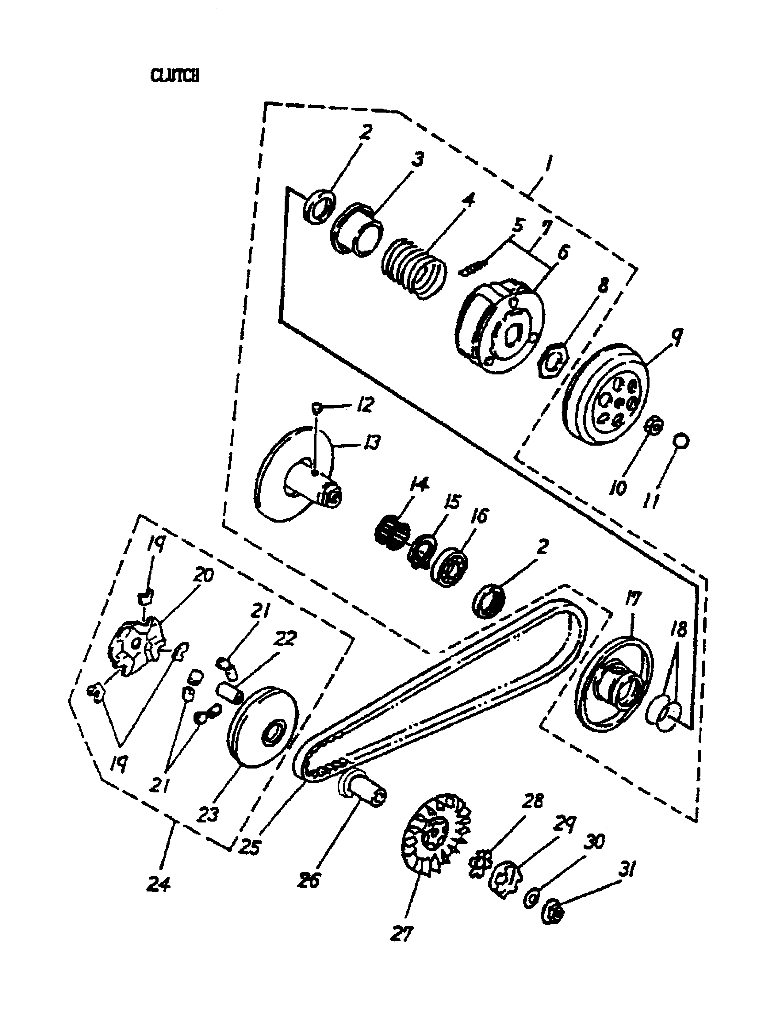
Раздел: Сцепление | Clutch
Номер на рисунке | Артикул | Наименование | Кол-во на складе | Цена |
| 1 | A22000117000 | Drive Face в сборе (Drive Face Assy) | под заказ | 31900 руб. | |
| 2 | A9650033394 | Сальник (33 x 39 x 4) (Oil Seal (33 x 39 x 4)) | под заказ | 1290 руб. | |
| 3 | A23237116000 | Secondary Пружина Седло (Secondary Spring Seat) | под заказ | 1500 руб. | |
| 4 | A23233117000 | Compression Пружина (Compression Spring) | под заказ | 1860 руб. | |
| 5 | A22401116000 | Сцепление Weight Пружина (Clutch Weight Spring) | под заказ | 580 руб. | |
| 6 | A22350116000 | Сцепление Carrier (Clutch Carrier) | под заказ | 8330 руб. | |
| 7 | A22535116000 | Сцепление Weight Set (Clutch Weight Set) | под заказ | 10190 руб. | |
| 8 | A90202116000 | Гайка M28 (Nut M28) | под заказ | 1500 руб. | |
| 9 | A22100116000 | Сцепление Крышка Comp (Clutch Cover Comp) | под заказ | 6320 руб. | |
| 10 | A9400110000 | Hex. Гайка M10 (Hex. Nut M10) | под заказ | 580 руб. | |
| 11 | A91313104000 | Oil Кольцо (Oil Ring) | под заказ | 410 руб. | |
| 12 | A23225116000 | Направляющая Штифт (Guide Pin) | под заказ | 960 руб. | |
| 13 | A23200116000 | Secondary Fix Slot Wheel (Secondary Fix Slot Wheel) | под заказ | 12890 руб. | |
| 14 | A96200172518 | Игольчатый подшипник (HKS-17 x 25 x 18) (Needle Bearing (HKS-17 x 25 x 18)) | под заказ | 2190 руб. | |
| 15 | A945122400R | Internal Стопорное кольцо (Internal Circlip) | под заказ | 550 руб. | |
| 16 | A961006901U | Radial Шариковый подшипник (6901LU) (Radial Ball Bearing (6901LU)) | под заказ | 2760 руб. | |
| 17 | A23220116000 | Secondary Sliding Slot Wheel (Secondary Sliding Slot Wheel) | под заказ | 10610 руб. | |
| 18 | A91336104000 | Oil Кольцо (Oil Ring) | под заказ | 860 руб. | |
| 19 | A22132104000 | Cam Пластина Slider (Cam Plate Slider) | под заказ | 520 руб. | |
| 20 | A22131117000 | Cam Пластина (Cam Plate) | под заказ | 1580 руб. | |
| 21 | A22121117000 | Weight Ролик (Weight Roller) | под заказ | 1000 руб. | |
| 22 | A96401212622 | Втулка (Bushing) | под заказ | 1000 руб. | |
| 23 | A22110117000 | Primary Sliding Slot Wheel (Primary Sliding Slot Wheel) | под заказ | 4310 руб. | |
| 24 | A22103117000 | Sliding Drive Face в сборе (A) (Sliding Drive Face Assy (A)) | под заказ | 6180 руб. | |
| 25 | A23100117000 | Клиновидный ремень (V-Belt) | под заказ | 8190 руб. | |
| 26 | A964011621375 | Втулка (Bushing) | под заказ | 1860 руб. | |
| 27 | A22102117000 | Primary Fix Sheave (Primary Fix Sheave) | под заказ | 2730 руб. | |
| 28 | A22150104000 | Claw Шайба (Claw Washer) | под заказ | 580 руб. | |
| 29 | A22140104000 | Oneway Сцепление (Oneway Clutch) | под заказ | 1860 руб. | |
| 30 | A22145104000 | Cone Пружинная шайба (Cone Spring Washer) | под заказ | 430 руб. | |
| 31 | A9405010000 | Hex. Фланецd Гайка With Serration M10 (Hex. Flanged Nut With Serration M10) | под заказ | 290 руб. | |

Время выполнения запроса 1.9176390171051 сек.
|
|