вконтакте

Контактный телефон: +7 (981) 121-46-93, +7 (800) 200-90-76 , Email: parts-katalog@yandex.ru, где купить

 
 

  Логин:

Пароль:

Регистрация

www.partskatalog.ru Все каталоги Запчасти Mercury Запчасти Suzuki Запчасти Tohatsu Запчасти Honda Контакты



УВАЖАЕМЫЕ КЛИЕНТЫ!
C 19 ДЕКАБРЯ 2025 ПО 02 МАРТА 2026 ГОДА ОТДЕЛ ЗАПЧАСТЕЙ И СЕРВИС РАБОТАТЬ НЕ БУДУТ
ПРОДАЖА ЛОДОЧНЫХ МОТОРОВ В ШТАТНОМ РЕЖИМЕ
ОБ ИЗМЕНЕНИЯХ В ГРАФИКЕ РАБОТЫ ЧИТАЙТЕ НА САЙТА




Выбрать другую модель

назад Раздел:   вперёд

вернуться к списку узлов и деталей

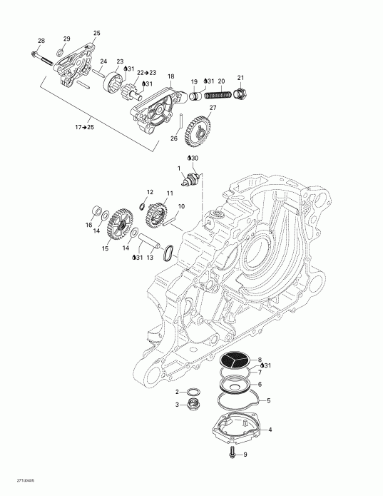
ДЕТАЛИРОВКА ДЛЯ МОДЕЛИ: BRP ATV Quest XT, 2004

Раздел: Смазка двигателя | Engine Lubrication


Квадроцикл BRP модификация Quest XT, 2004 - Engine Lubrication

Номер на
рисунке
АртикулНаименованиеКол-во
на складе
Цена
1 710000313

Выключатель по давлению масла (Oil Pressure Switch)

под заказ4300 руб.
1 711256779

(последний код) Выключатель по давлению масла (Oil Pressure Switch)

под заказ3150 руб.
2 420552280

Уплотнительное кольцо (O Ring)

под заказ450 руб.
2 711552280

(последний код) Уплотнительное кольцо (O Ring)

под заказпо запросу
3 420840277

Drain Заглушка (Drain Plug)

под заказ2120 руб.
3 711840277

(последний код) Drain Заглушка (Drain Plug)

под заказ1320 руб.
4 420211940

Oil Sieve Крышка (Oil Sieve Cover)

под заказ4090 руб.
4 711211940

(последний код) Oil Sieve Крышка (Oil Sieve Cover)

под заказ3030 руб.
5 420650560

Rubber Кольцо (Rubber Ring)

под заказ760 руб.
5 711650560

(последний код) Rubber Кольцо (Rubber Ring)

под заказ900 руб.
6 420256650

Oil Коллектор (Oil Collector)

под заказ3060 руб.
6 711256650

(последний код) Oil Коллектор (Oil Collector)

под заказ3150 руб.
7 420650695

Уплотнительное кольцо (O-Ring)

под заказ490 руб.
7 711650690

(последний код) Уплотнительное кольцо (O-Ring)

под заказ560 руб.
8 420256575

Oil Sieve (Oil Sieve)

под заказ1460 руб.
8 420256571

(последний код) Oil Sieve (Oil Sieve)

под заказ1460 руб.
9 420440232

Фланецd Torx Винт M6 X 25 (Flanged Torx Screw M6 X 25)

под заказпо запросу
10 420232430

иголка Штифт (Needle Pin)

под заказпо запросу
10 711232430

(последний код) иголка Штифт (Needle Pin)

под заказпо запросу
11 420635191

Idle Шестерня (25 Teeth) (Idle Gear (25 Teeth))

под заказ740 руб.
11 711635190

(последний код) Idle Шестерня (25 Teeth) (Idle Gear (25 Teeth))

под заказ1120 руб.
12 420245330

Пружинное кольцо (Snap Ring)

под заказ230 руб.
12 504152282

(последний код) Пружинное кольцо (Snap Ring)

под заказ290 руб.
13 420229300

Location Штифт (Location Pin)

под заказ860 руб.
13 711229300

(последний код) Location Штифт (Location Pin)

под заказ680 руб.
14 420927952

Упорная шайба (Thrust Washer)

под заказ860 руб.
15 420834267

Цепное колесо ЗВЕЗДОЧКА (32 Teeth) (Sprocket (32 Teeth))

под заказ4890 руб.
16 420247080

Проставка (Spacer)

под заказ1000 руб.
16 711247080

(последний код) Проставка (Spacer)

под заказ790 руб.
17 420296505

Масляный насос в сборе. Includes 17 - 25. (Oil Pump Assy. Includes 17 - 25.)

под заказ29900 руб.
17 711296505

(последний код) Масляный насос в сборе. Includes 17 - 25. (Oil Pump Assy. Includes 17 - 25.)

под заказ23400 руб.
18 420610220

Масляный насос Корпус (Oil Pump Housing)

под заказ6980 руб.
18 711610220

(последний код) Масляный насос Корпус (Oil Pump Housing)

под заказ6410 руб.
19 420256921

Поршень Клапан (Piston Valve)

под заказ2040 руб.
20 420238220

Compression Пружина (Compression Spring)

под заказ280 руб.
20 711238220

(последний код) Compression Пружина (Compression Spring)

под заказ450 руб.
21 420641167

Сливной винт M16 x 1.25 (Screw Plug M16 x 1.25)

под заказ1220 руб.
22 420220814

Масляный насос Вал. Includes 22 - 23. (Oil Pump Shaft. Includes 22 - 23.)

под заказ6040 руб.
23 420256935

Масляный насос Outer Ротор (Oil Pump Outer Rotor)

под заказ5020 руб.
24 420232430

иголка Штифт (Needle Pin)

под заказпо запросу
24 711232430

(последний код) иголка Штифт (Needle Pin)

под заказпо запросу
25 420610210

Крышка масляного насоса (Oil Pump Cover)

под заказ5170 руб.
25 711610210

(последний код) Крышка масляного насоса (Oil Pump Cover)

под заказ4050 руб.
26 420232430

иголка Штифт (Needle Pin)

под заказпо запросу
26 711232430

(последний код) иголка Штифт (Needle Pin)

под заказпо запросу
27 420635220

Масляный насос Шестерня (32 Teeth) (Oil Pump Gear (32 Teeth))

под заказ630 руб.
27 711635220

(последний код) Масляный насос Шестерня (32 Teeth) (Oil Pump Gear (32 Teeth))

под заказ1350 руб.
28 420440322

Torx Фланецd Винт M6 x 45 (Torx Flanged Screw M6 x 45)

под заказ370 руб.
29 420250405

Уплотнительное кольцо (O-Ring)

под заказ300 руб.
30 293800060

Loctite 243, 10 ml (Loctite 243, 10 ml)

под заказ2150 руб.
30 420897651

(последний код) Loctite 243, 10 ml (Loctite 243, 10 ml)

под заказпо запросу
31 293600039

Моторное масло 4 strokes. 5W40, 12 x 1 л (Engine Oil 4 strokes. 5W40, 12 x 1 liter)

под заказ510 руб.
31 293600121

(последний код) Моторное масло 4 strokes. 5W40, 12 x 1 л (Engine Oil 4 strokes. 5W40, 12 x 1 liter)

31 шт550 руб.
900 руб.
brp atv

Время выполнения запроса 3.5780379772186 сек.


 
 

данный сайт носит информационный характер и не является публичной офертой

склад запчастей для водомоторной техники