вконтакте

Контактный телефон: +7 (981) 121-46-93, +7 (800) 200-90-76 , Email: parts-katalog@yandex.ru, где купить

 
 

  Логин:

Пароль:

Регистрация

www.partskatalog.ru Все каталоги Запчасти Mercury Запчасти Suzuki Запчасти Tohatsu Запчасти Honda Контакты



УВАЖАЕМЫЕ КЛИЕНТЫ!
C 19 ДЕКАБРЯ 2025 ПО 02 МАРТА 2026 ГОДА ОТДЕЛ ЗАПЧАСТЕЙ И СЕРВИС РАБОТАТЬ НЕ БУДУТ
ПРОДАЖА ЛОДОЧНЫХ МОТОРОВ В ШТАТНОМ РЕЖИМЕ
ОБ ИЗМЕНЕНИЯХ В ГРАФИКЕ РАБОТЫ ЧИТАЙТЕ НА САЙТА




Выбрать другую модель

назад Раздел:   вперёд

вернуться к списку узлов и деталей

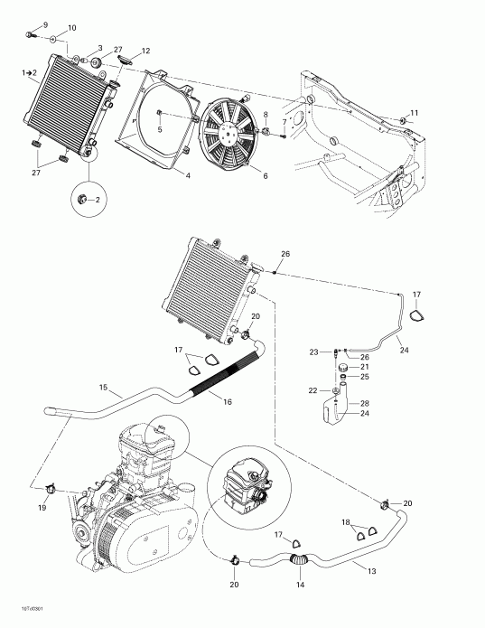
ДЕТАЛИРОВКА ДЛЯ МОДЕЛИ: BRP ATV Quest 500, 2003

Раздел: Охлаждение System | Cooling System


Квадроцикл  Quest 500, 2003 - Охлаждение System

Номер на
рисунке
АртикулНаименованиеКол-во
на складе
Цена
1 709200088

Radiator в сборе. Includes 1 - 2. (Radiator assy. Includes 1 - 2.)

под заказпо запросу
2 709200089

температура Датчик (Temperature sensor)

под заказ4380 руб.
2 715900095

(последний код) температура Датчик (Temperature sensor)

под заказ5600 руб.
3 293900019

Втулка (Bushing)

под заказ450 руб.
4 709200013

выход Колпак (Outlet shroud)

под заказ2130 руб.
4 709200111

(последний код) выход Колпак (Outlet shroud)

под заказ2730 руб.
5 232862412

Scare Гайка M6 (Scare nut M6)

под заказ290 руб.
6 709200004

Fan в сборе (Fan assy)

под заказ26000 руб.
7 207562044

Hex Фланецd Винт M6 x20 (scotch Рукоятка) (Hex flanged screw M6 x20 (scotch grip))

под заказпо запросу
8 709200017

Fan sвышеport (Fan support)

под заказ690 руб.
9 207663044

Hex Фланецd Гайка M6 x 30 (Hex flanged nut M6 x 30)

под заказ230 руб.
9 207663034

(последний код) Hex Фланецd Гайка M6 x 30 (Hex flanged nut M6 x 30)

под заказ250 руб.
10 391302000

плоский Шайба (Flat washer)

под заказ210 руб.
10 250200082

(последний код) плоский Шайба (Flat washer)

под заказ270 руб.
11 233261414

Hex elastic Фланецd Гайка M6 (Hex elastic flanged nut M6)

под заказ290 руб.
11 M33200

(последний код)

под заказпо запросу
12 709200033

Pressure Колпачок (Pressure cap)

под заказ1120 руб.
12 709200207

(последний код) Pressure Колпачок (Pressure cap)

под заказ1400 руб.
13 709200047

вход radiator Шланг (Inlet radiator hose)

под заказ4600 руб.
14 709200031

Protection Shield (Protection Shield)

под заказ430 руб.
15 709200048

выход radiator Шланг (Outlet radiator hose)

под заказ6180 руб.
16 709200032

Protection Shield (Protection Shield)

под заказ430 руб.
17 414115200

Tie rap. XT Quest XT 650. (Tie rap. XT Quest XT 650.)

под заказ130 руб.
17 414587300

(последний код) Tie rap. XT Quest XT 650. (Tie rap. XT Quest XT 650.)

под заказ110 руб.
18 293750008

Tie rap 350 mm (Tie rap 350 mm)

под заказ140 руб.
18 748001001

(последний код) Tie rap 350 mm (Tie rap 350 mm)

под заказ110 руб.
19 293650108

Norma Пружина Струбцина (Norma spring clamp)

под заказ570 руб.
20 293650109

Norma Пружина Струбцина (Norma spring clamp)

под заказ500 руб.
21 709200009

Tank Колпачок (Tank cap)

под заказ960 руб.
22 570135100

Пыльник (Grommet)

под заказ560 руб.
22 709200285

(последний код) Пыльник (Grommet)

под заказ720 руб.
23 414580600

Elbow Male Коннектор (Elbow Male Connector)

под заказ430 руб.
23 414362500

(последний код) Elbow Male Коннектор (Elbow Male Connector)

под заказ340 руб.
24 415110000

Polyurethane Шланг 5.2 mm (Polyurethane Hose 5.2 mm)

под заказ280 руб.
24 709000017

(последний код) Polyurethane Шланг 5.2 mm (Polyurethane Hose 5.2 mm)

под заказ220 руб.
25 709200034

Protection Колпачок (Protection cap)

под заказ230 руб.
25 709200205

(последний код) Protection Колпачок (Protection cap)

под заказ290 руб.
26 414554800

Пружина Струбцина (Spring clamp)

под заказ140 руб.
26 414278600

(последний код) Пружина Струбцина (Spring clamp)

под заказ110 руб.
27 293720053

Пыльник (Grommet)

под заказ260 руб.
27 709000582

(последний код) Пыльник (Grommet)

под заказ310 руб.
27 SM-12511

   (не оригинальный аналог) Втулка резиновая BRP SM-12511

под заказ160 руб.
28 XXX

Coolant tank (Coolant tank)

brp atv

Время выполнения запроса 2.8120200634003 сек.


 
 

данный сайт носит информационный характер и не является публичной офертой

склад запчастей для водомоторной техники