вконтакте

Контактный телефон: +7 (981) 121-46-93, +7 (800) 200-90-76 , Email: parts-katalog@yandex.ru, где купить

 
 

  Логин:

Пароль:

Регистрация

www.partskatalog.ru Все каталоги Запчасти Mercury Запчасти Suzuki Запчасти Tohatsu Запчасти Honda Контакты



УВАЖАЕМЫЕ КЛИЕНТЫ!
C 19 ДЕКАБРЯ 2025 ПО 02 МАРТА 2026 ГОДА ОТДЕЛ ЗАПЧАСТЕЙ И СЕРВИС РАБОТАТЬ НЕ БУДУТ
ПРОДАЖА ЛОДОЧНЫХ МОТОРОВ В ШТАТНОМ РЕЖИМЕ
ОБ ИЗМЕНЕНИЯХ В ГРАФИКЕ РАБОТЫ ЧИТАЙТЕ НА САЙТА




Выбрать другую модель

назад Раздел:   вперёд

вернуться к списку узлов и деталей

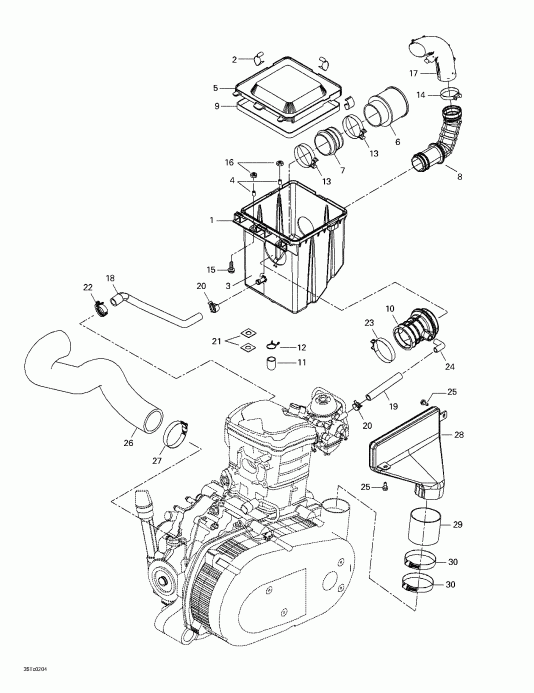
ДЕТАЛИРОВКА ДЛЯ МОДЕЛИ: BRP ATV Quest, 2002

Раздел: Air Система впуска System | Air Intake System


Quest, 2002 - Air Intake System

Номер на
рисунке
АртикулНаименованиеКол-во
на складе
Цена
1 707800130

Air Впуск глушителя Основание. Includes 1 - 4. (Air Intake Silencer Base. Includes 1 - 4.)

под заказпо запросу
2 707800079

Крышка Кронштейн (Cover Bracket)

под заказ1550 руб.
3 707800083

Heat Защита (Heat Protector)

под заказ1580 руб.
4 XXX

Sвышеport Втулка (Support Bushing)

5 707800017

Крышка (Cover)

под заказ3160 руб.
5 707800158

(последний код) Крышка (Cover)

под заказ4040 руб.
6 707800072

Воздушный фильтр (Air Filter)

под заказ2540 руб.
7 707800077

Адаптер (Adaptor)

под заказ1000 руб.
8 707800078

Rear Система впуска Адаптер (Rear Intake Adaptor)

под заказ2660 руб.
9 293250113

Сальник (Oil Seal)

под заказ1230 руб.
10 707800065

Система впуска Адаптер (Intake Adaptor)

под заказ1990 руб.
11 707800080

Drain Трубка (Drain Tube)

под заказ760 руб.
12 707800081

Зажим Фиксатор (Clip Retainer)

под заказ140 руб.
13 293650107

Tridon Шестерня Струбцина (Tridon Gear Clamp)

под заказ680 руб.
13 293650179

(последний код) Tridon Шестерня Струбцина (Tridon Gear Clamp)

под заказ910 руб.
14 512059006

Струбцина (Clamp)

под заказ560 руб.
14 293650158

(последний код) Струбцина (Clamp)

под заказ720 руб.
15 207662044

Hex. Фланецd Винт M6 x 20 (Hex. Flanged Screw M6 x 20)

под заказ290 руб.
16 233261414

Elastic Фланецd Stop Гайка M6 (Elastic Flanged Stop Nut M6)

под заказ290 руб.
16 M33200

(последний код)

под заказпо запросу
17 707800133

Rear Air Система впуска (Rear Air Intake)

под заказ1580 руб.
18 707800097

Vent Шланг (Vent Hose)

под заказ2300 руб.
19 707800132

Vent Шланг (Vent Hose)

под заказ930 руб.
20 293650110

Norma Струбцина (Norma Clamp)

под заказ430 руб.
21 293830091

Rubber Бампер (Rubber Bumper)

под заказ610 руб.
22 293650037

Шестерня Струбцина (Gear Clamp)

под заказ230 руб.
22 293650172

(последний код) Шестерня Струбцина (Gear Clamp)

под заказ290 руб.
23 XXX

Струбцина (Clamp)

24 293710098

Elbow Fitting (Elbow Fitting)

под заказ670 руб.
25 210261080

Шестигранный винт M6 x 10 (Hex. Screw M6 x 10)

под заказ250 руб.
26 707000152

Air Система впуска (Air Intake)

под заказ7330 руб.
27 293650023

Tridon Струбцина (Tridon Clamp)

под заказ860 руб.
28 707000153

Выхлоп (Exhaust)

под заказ2870 руб.
29 707000154

Flexible Adapter (Flexible Adapter)

под заказ2530 руб.
29 707001043

(последний код) Flexible Adapter (Flexible Adapter)

под заказ1010 руб.
30 293650061

Tridon Струбцина (Tridon Clamp)

под заказ760 руб.
brp atv

Время выполнения запроса 1.9093141555786 сек.


 
 

данный сайт носит информационный характер и не является публичной офертой

склад запчастей для водомоторной техники