вконтакте

Контактный телефон: +7 (981) 121-46-93, +7 (800) 200-90-76 , Email: parts-katalog@yandex.ru, где купить

 
 

  Логин:

Пароль:

Регистрация

www.partskatalog.ru Все каталоги Запчасти Mercury Запчасти Suzuki Запчасти Tohatsu Запчасти Honda Контакты



УВАЖАЕМЫЕ КЛИЕНТЫ!
C 19 ДЕКАБРЯ 2025 ПО 02 МАРТА 2026 ГОДА ОТДЕЛ ЗАПЧАСТЕЙ И СЕРВИС РАБОТАТЬ НЕ БУДУТ
ПРОДАЖА ЛОДОЧНЫХ МОТОРОВ В ШТАТНОМ РЕЖИМЕ
ОБ ИЗМЕНЕНИЯХ В ГРАФИКЕ РАБОТЫ ЧИТАЙТЕ НА САЙТА




Выбрать другую модель

назад Раздел:   вперёд

вернуться к списку узлов и деталей

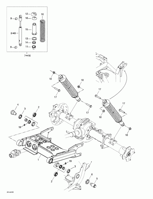
ДЕТАЛИРОВКА ДЛЯ МОДЕЛИ: BRP ATV Traxter Autoshift, 2002

Раздел: Задняя подвеска | Rear Suspension


Мотовездеход BRP модель Traxter Autoshift, 2002 - Rear Suspension

Номер на
рисунке
АртикулНаименованиеКол-во
на складе
Цена
1 706000106

Swing Рычаг (Swing Arm)

под заказпо запросу
2 706000009

Cone Подшипник (Cone Bearing)

под заказ3030 руб.
3 706000010

Сальник в сборе (Oil Seal Assy)

под заказ1290 руб.
4 706000092

R.H. Стержень Болт (R.H. Pivot Bolt)

под заказ3740 руб.
4 706000004

(последний код) R.H. Стержень Болт (R.H. Pivot Bolt)

под заказ3520 руб.
5 706000093

LH Стержень Болт (LH Pivot Bolt)

под заказ3300 руб.
6 706000006

Hex. Jam Гайка (Hex. Jam Nut)

под заказ1290 руб.
7 XXX

Rear Shock в сборе. Includes 7 - 16. (Rear Shock Assy. Includes 7 - 16.)

8 706000124

Rear Shock. Includes 8 - 9. (Rear Shock. Includes 8 - 9.)

под заказ5170 руб.
8 706000241

(последний код) Rear Shock. Includes 8 - 9. (Rear Shock. Includes 8 - 9.)

под заказ6610 руб.
9 706000146

Подушка (Cushion)

под заказ1150 руб.
10 706000068

Rear Пружина (Rear Spring)

под заказ4170 руб.
11 706000073

Кольцо Регулятор (Ring Adjuster)

под заказ1290 руб.
12 503140600

Пружина Стопор (Spring Stopper)

под заказ680 руб.
12 706200881

(последний код) Пружина Стопор (Spring Stopper)

под заказ860 руб.
13 706000028

Кольцо Держатель (Ring Holder)

под заказпо запросу
13 706000335

(последний код) Кольцо Держатель (Ring Holder)

под заказпо запросу
14 706000007

Пружина Седло (Spring Seat)

под заказ900 руб.
14 706000197

(последний код) Пружина Седло (Spring Seat)

под заказ1150 руб.
15 706000032

Защита (Protector)

под заказ1150 руб.
16 503141600

Колпачок (Cap)

под заказ250 руб.
16 503191610

(последний код) Колпачок (Cap)

под заказ270 руб.
17 207605544

Hex. Фланецd Винт M10 x 55 (Hex. Flanged Screw M10 x 55)

под заказ290 руб.
17 V9600010055

(последний код)

под заказпо запросу
18 233201414

Elastic Фланецd Stop Гайка M10 (Elastic Flanged Stop Nut M10)

под заказ280 руб.
18 228701045

(последний код) Elastic Фланецd Stop Гайка M10 (Elastic Flanged Stop Nut M10)

под заказ220 руб.
19 293550010

Synthetic Смазка, 400 g (Synthetic Grease, 400 g)

под заказ2490 руб.
19 293550018

(последний код) Synthetic Смазка, 400 g (Synthetic Grease, 400 g)

под заказ1950 руб.
brp atv

Время выполнения запроса 0.79795503616333 сек.


 
 

данный сайт носит информационный характер и не является публичной офертой

склад запчастей для водомоторной техники