вконтакте

Контактный телефон: +7 (981) 121-46-93, +7 (800) 200-90-76 , Email: parts-katalog@yandex.ru, где купить

 
 

  Логин:

Пароль:

Регистрация

www.partskatalog.ru Все каталоги Запчасти Mercury Запчасти Suzuki Запчасти Tohatsu Запчасти Honda Контакты



УВАЖАЕМЫЕ КЛИЕНТЫ!
C 19 ДЕКАБРЯ 2025 ПО 02 МАРТА 2026 ГОДА ОТДЕЛ ЗАПЧАСТЕЙ И СЕРВИС РАБОТАТЬ НЕ БУДУТ
ПРОДАЖА ЛОДОЧНЫХ МОТОРОВ В ШТАТНОМ РЕЖИМЕ
ОБ ИЗМЕНЕНИЯХ В ГРАФИКЕ РАБОТЫ ЧИТАЙТЕ НА САЙТА




Выбрать другую модель

назад Раздел:   вперёд

вернуться к списку узлов и деталей

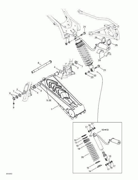
ДЕТАЛИРОВКА ДЛЯ МОДЕЛИ: BRP ATV DS 650, 7404, 2001

Раздел: Задняя подвеска | Rear Suspension


Квадроцикл  DS 650, 7404, 2001 раздел - Rear Suspension

Номер на
рисунке
АртикулНаименованиеКол-во
на складе
Цена
1 706000080

Swing Рычаг (Swing Arm)

под заказ109100 руб.
2 293300074

Уплотнительное кольцо (O-Ring)

под заказ580 руб.
3 706000089

Подушка (Cushion)

под заказ4170 руб.
3 706000053

(последний код) Подушка (Cushion)

под заказ3260 руб.
4 293300068

Уплотнительное кольцо (O-Ring)

под заказ580 руб.
5 408200700

Смазочный фиттинг (Grease Fitting)

под заказ320 руб.
6 706000102

Стержень Болт (Pivot Bolt)

под заказ13120 руб.
7 293050003

Шайба (Washer)

под заказ460 руб.
8 250100009

Jam Гайка M20 (Jam Nut M20)

под заказ280 руб.
9 293800060

Loctite 243, 10 ml (Loctite 243, 10 ml)

под заказ2150 руб.
9 420897651

(последний код) Loctite 243, 10 ml (Loctite 243, 10 ml)

под заказпо запросу
10 706000058

Rear Shock. Includes 10 - 13. (Rear Shock. Includes 10 - 13.)

под заказпо запросу
11 706000062

Пружина Стопор (Spring Stopper)

под заказ1190 руб.
12 706000082

Кольцо Стопор (Ring Stopper)

под заказ3140 руб.
13 706000105

Шаровое соединение (Ball Joint)

под заказ3320 руб.
14 706000061

Пружина Стопор (Spring Stopper)

под заказ810 руб.
15 706000060

Пружина Направляющая (Spring Guide)

под заказ1060 руб.
16 293250111

Сальник (Seal)

под заказ560 руб.
17 706000103

Подушка (Cushion)

под заказ430 руб.
18 706000059

Rear Пружина (Short) (Rear Spring (Short))

под заказ2390 руб.
19 706000079

Пружина Проставка (Spring Spacer)

под заказ1000 руб.
20 706000077

Rear Пружина (Long) (Rear Spring (Long))

под заказ5050 руб.
21 207626046

Hex. Фланецd Винт M12 x 60 (Hex. Flanged Screw M12 x 60)

под заказ580 руб.
22 732900048

Шайба (Washer)

под заказ170 руб.
23 232521414

Эластичная гайка со стопором M12 (Elastic Stop Nut M12)

под заказ290 руб.
23 33013

(последний код) Эластичная гайка со стопором M12 (Elastic Stop Nut M12)

под заказ230 руб.
24 293830083

Защита (Protector)

под заказ130 руб.
25 514052859

Norma Шестерня Струбцина (Norma Gear Clamp)

под заказ680 руб.
25 293650118

(последний код) Norma Шестерня Струбцина (Norma Gear Clamp)

под заказ860 руб.
26 293550010

Synthetic Смазка (Synthetic Grease)

под заказ2490 руб.
26 293550018

(последний код) Synthetic Смазка (Synthetic Grease)

под заказ1950 руб.
brp atv

Время выполнения запроса 1.6072359085083 сек.


 
 

данный сайт носит информационный характер и не является публичной офертой

склад запчастей для водомоторной техники