вконтакте

Контактный телефон: +7 (981) 121-46-93, +7 (800) 200-90-76 , Email: parts-katalog@yandex.ru, где купить

 
 

  Логин:

Пароль:

Регистрация

www.partskatalog.ru Все каталоги Запчасти Mercury Запчасти Suzuki Запчасти Tohatsu Запчасти Honda Контакты



УВАЖАЕМЫЕ КЛИЕНТЫ!
C 19 ДЕКАБРЯ 2025 ПО 02 МАРТА 2026 ГОДА ОТДЕЛ ЗАПЧАСТЕЙ И СЕРВИС РАБОТАТЬ НЕ БУДУТ
ПРОДАЖА ЛОДОЧНЫХ МОТОРОВ В ШТАТНОМ РЕЖИМЕ
ОБ ИЗМЕНЕНИЯХ В ГРАФИКЕ РАБОТЫ ЧИТАЙТЕ НА САЙТА




Выбрать другую модель

назад Раздел:   вперёд

вернуться к списку узлов и деталей

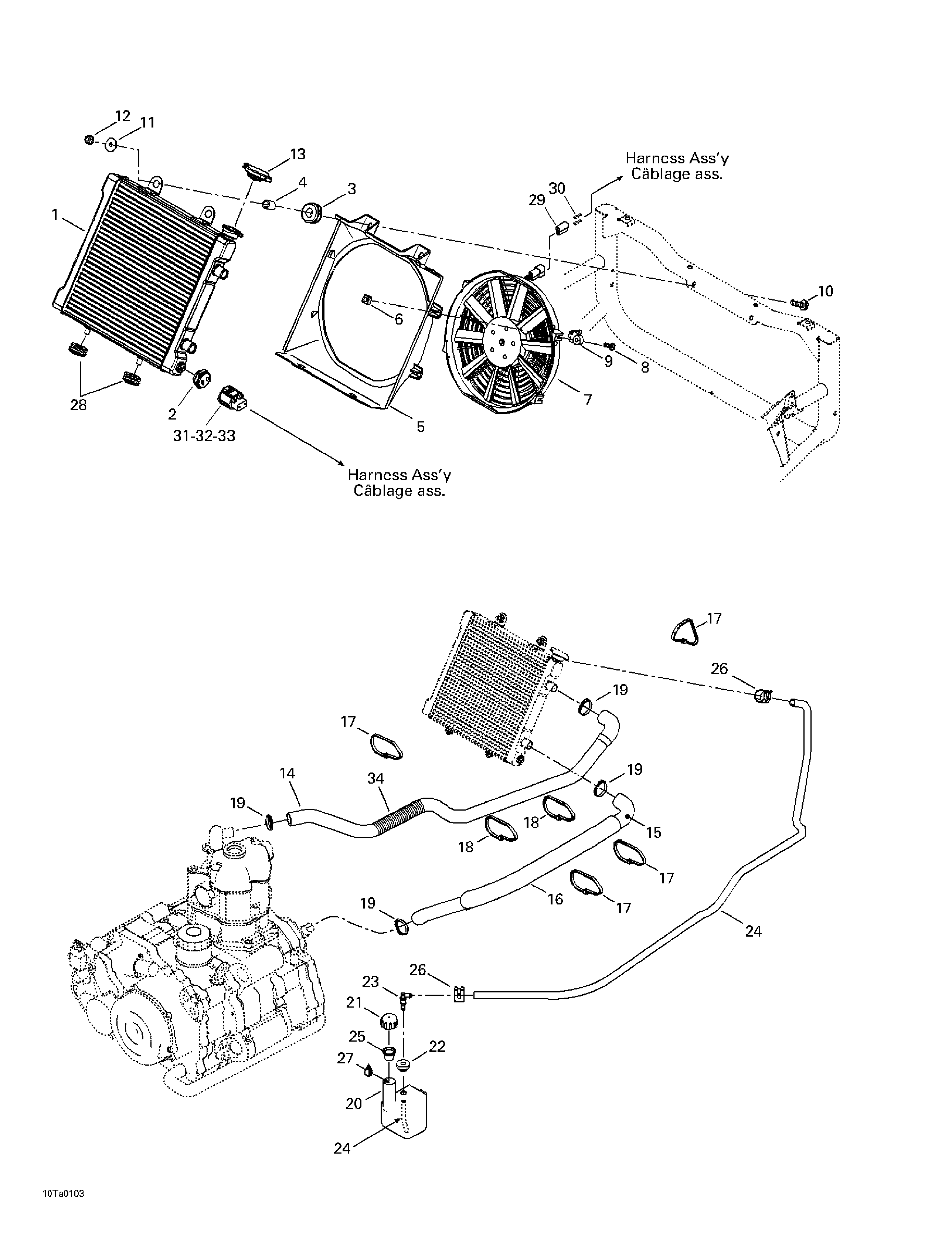
ДЕТАЛИРОВКА ДЛЯ МОДЕЛИ: BRP ATV Traxter Autoshift, 2001

Раздел: Охлаждение System | Cooling System


Квадроцикл  Traxter Autoshift, 2001 раздел - Cooling System

Номер на
рисунке
АртикулНаименованиеКол-во
на складе
Цена
1 709200056

Radiator в сборе. Includes 1 - 2. (Radiator Assy. Includes 1 - 2.)

под заказ22800 руб.
1 709200109

(последний код) Radiator в сборе. Includes 1 - 2. (Radiator Assy. Includes 1 - 2.)

под заказ31200 руб.
2 709200003

Датчик, температура (Sender,Temperature)

под заказ4380 руб.
2 715900095

(последний код) Датчик, температура (Sender,Temperature)

под заказ5600 руб.
3 293720053

Пыльник (Grommet)

под заказ260 руб.
3 709000582

(последний код) Пыльник (Grommet)

под заказ310 руб.
3 SM-12511

   (не оригинальный аналог) Втулка резиновая BRP SM-12511

под заказ160 руб.
4 293900019

Втулка (Bushing)

под заказ450 руб.
5 709200013

Outllet Deflector (Outllet Deflector)

под заказ2130 руб.
5 709200111

(последний код) Outllet Deflector (Outllet Deflector)

под заказ2730 руб.
6 232862412

Square Гайка M6 (Square Nut M6)

под заказ290 руб.
7 709200004

Fan в сборе (Fan Assy)

под заказ26000 руб.
8 207562044

Hex. Фланецd Винт M6 x20 (Scotch Рукоятка) (Hex. Flanged Screw M6 x20 (Scotch Grip))

под заказпо запросу
9 709200017

Fan Sвышеport (Fan Support)

под заказ690 руб.
10 207663044

Hex. Фланецd Винт M6 x 30 (Hex. Flanged Screw M6 x 30)

под заказ230 руб.
10 207663034

(последний код) Hex. Фланецd Винт M6 x 30 (Hex. Flanged Screw M6 x 30)

под заказ250 руб.
11 224060201

плоский Шайба (7431 @ 7434) (Flat Washer (7431 @ 7434))

под заказ280 руб.
11 224060200

(последний код) плоский Шайба (7431 @ 7434) (Flat Washer (7431 @ 7434))

под заказ220 руб.
391302000

плоский Шайба. (7461 / 7462 / 7469 / 7470 / 7471 / 7480) (Flat Washer. (7461 / 7462 / 7469 / 7470 / 7471 / 7480))

под заказ210 руб.
250200082

(последний код) плоский Шайба. (7461 / 7462 / 7469 / 7470 / 7471 / 7480) (Flat Washer. (7461 / 7462 / 7469 / 7470 / 7471 / 7480))

под заказ270 руб.
12 233261414

Elastic Фланецd Stop Гайка M6 (Elastic Flanged Stop Nut M6)

под заказ290 руб.
12 M33200

(последний код)

под заказпо запросу
13 414684700

Radiator Pressure Колпачок (7431 @ 7434) (Radiator Pressure Cap (7431 @ 7434))

под заказ1680 руб.
13 509000187

(последний код) Radiator Pressure Колпачок (7431 @ 7434) (Radiator Pressure Cap (7431 @ 7434))

под заказ2150 руб.
13 SM-10005

   (не оригинальный аналог) Крышка расширительного бачка BRP/Polaris SM-10005

под заказ890 руб.
709200033

Radiator Pressure Колпачок. (7461 / 7462 / 7469 / 7470 / 7471 / 7480) (Radiator Pressure Cap. (7461 / 7462 / 7469 / 7470 / 7471 / 7480))

под заказ1120 руб.
709200207

(последний код) Radiator Pressure Колпачок. (7461 / 7462 / 7469 / 7470 / 7471 / 7480) (Radiator Pressure Cap. (7461 / 7462 / 7469 / 7470 / 7471 / 7480))

под заказ1400 руб.
14 709200060

Radiator вход Шланг (Radiator Inlet Hose)

под заказ3880 руб.
15 709200043

Radiator выход Шланг (Radiator Outlet Hose)

под заказ3880 руб.
16 709200032

Protective Shield (Protective Shield)

под заказ430 руб.
17 414115200

Tie Rap 180 mm (Tie Rap 180 mm)

под заказ130 руб.
17 414587300

(последний код) Tie Rap 180 mm (Tie Rap 180 mm)

под заказ110 руб.
18 293750008

Tie Rap 350 mm (Tie Rap 350 mm)

под заказ140 руб.
18 748001001

(последний код) Tie Rap 350 mm (Tie Rap 350 mm)

под заказ110 руб.
19 293650109

Norma Шестерня Струбцина (Norma Gear Clamp)

под заказ500 руб.
20 709200058

Coolant Tank (Coolant Tank)

под заказ3930 руб.
20 709200099

(последний код) Coolant Tank (Coolant Tank)

под заказ5030 руб.
21 709200009

Tank Колпачок (Tank Cap)

под заказ960 руб.
22 570135100

Пыльник (Grommet)

под заказ560 руб.
22 709200285

(последний код) Пыльник (Grommet)

под заказ720 руб.
23 414580600

Elbow Male Коннектор (Elbow Male Connector)

под заказ430 руб.
23 414362500

(последний код) Elbow Male Коннектор (Elbow Male Connector)

под заказ340 руб.
24 415110000

Polyurethane Шланг 5.2 mm (Polyurethane Hose 5.2 mm)

под заказ280 руб.
24 709000017

(последний код) Polyurethane Шланг 5.2 mm (Polyurethane Hose 5.2 mm)

под заказ220 руб.
25 709200034

Защита Колпачок (Protector Cap)

под заказ230 руб.
25 709200205

(последний код) Защита Колпачок (Protector Cap)

под заказ290 руб.
26 414554800

Пружина Струбцина (Spring Clamp)

под заказ140 руб.
26 414278600

(последний код) Пружина Струбцина (Spring Clamp)

под заказ110 руб.
27 413711802

Antifreeze (16 x 1 Btle.) (Antifreeze (16 x 1 Btle.))

под заказ540 руб.
27 219700362

(последний код) Antifreeze (16 x 1 Btle.) (Antifreeze (16 x 1 Btle.))

под заказ540 руб.
28 293720053

Пыльник (Grommet)

под заказ260 руб.
28 709000582

(последний код) Пыльник (Grommet)

под заказ310 руб.
28 SM-12511

   (не оригинальный аналог) Втулка резиновая BRP SM-12511

под заказ160 руб.
29 409204600

Female Корпус (2 Circuits) (Female Housing (2 Circuits))

под заказ430 руб.
29 409203600

(последний код) Female Корпус (2 Circuits) (Female Housing (2 Circuits))

под заказ340 руб.
30 561503100

Female Клемма (Female Terminal)

под заказ430 руб.
30 420864011

(последний код) Female Клемма (Female Terminal)

под заказ340 руб.
31 409012100

Female Клемма (Female Terminal)

под заказ430 руб.
32 409012300

Сальник (Seal)

под заказ290 руб.
33 710000078

Female Корпус (2 Circuits) (Female Housing (2 Circuits))

под заказ2440 руб.
34 709200031

Protective Shield. (7461 / 7462 / 7469 / 7470 / 7471 / 7480) (Protective Shield. (7461 / 7462 / 7469 / 7470 / 7471 / 7480))

под заказ430 руб.
brp atv

Время выполнения запроса 2.3581519126892 сек.


 
 

данный сайт носит информационный характер и не является публичной офертой

склад запчастей для водомоторной техники