Контактный телефон: +7 (981) 121-46-93, +7 (800) 200-90-76 , Email: parts-katalog@yandex.ru, где купить |
вернуться к списку узлов и деталей ДЕТАЛИРОВКА ДЛЯ МОДЕЛИ: BRP ATV Traxter Autoshift, 2001 Раздел: Battery и Электрика Аксессуары
|
|||||||||||||||||||||||||||||||||||||||||||||||||||||||||||||||||||||||||||||||||||||||||||||||||||||||||||||||||||||||||||||||||||||||||||||||||||||||||||||||||||||||||||||||||||||||||||||||||||||||||||||||||||||||||||||||||||||||||||||||||||||||||||||||||||||||||||||||||||||||||||||||||||||||||||||||||||||||||||||||||||||||||||||||||||||||||||||||||||||||||||||||||||||||||||||||||||||||||||||||||||||||||||||||||||||||||||||||||||||||||||||||||||||||||||||||||||||||||||||||||||||||||||||||||||||||||||||||||||||||||||||||||||||||||||||||||||||||||||||||||||||||||||||||||||||||||||||||||||||||||||||||||||||||||||||||||||||||||||||||||||||||||||||||
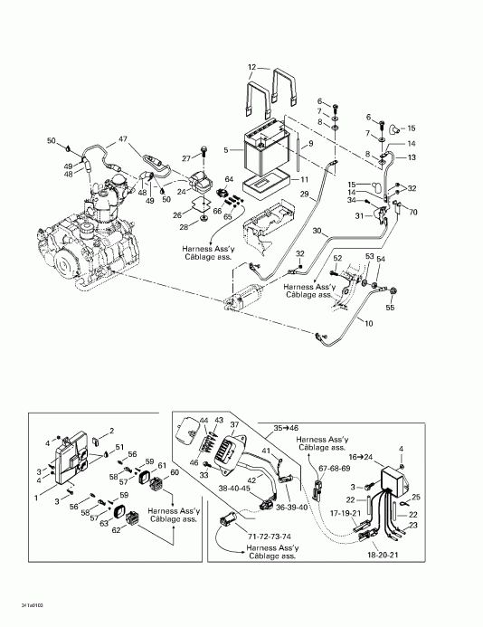
| Номер на рисунке | Артикул | Наименование | Кол-во на складе | Цена | |
| 1 | 710000147 | Electronic Module (Electronic Module) | под заказ | 112400 руб. | |
| 1 | 710000315 | (последний код) Electronic Module (Electronic Module) | под заказ | 128500 руб. | |
| 2 | 278001166 | Module Защита (Module Protector) | под заказ | 860 руб. | |
| 3 | 207662044 | Hex. Фланецd Винт M6 x 20 (Hex. Flanged Screw M6 x 20) | под заказ | 290 руб. | |
| 4 | 233261414 | Elastic Фланецd Stop Гайка M6 (Elastic Flanged Stop Nut M6) | под заказ | 290 руб. | |
| 4 | M33200 | (последний код) | под заказ | по запросу | |
| 5 | 278000712 | Battery (Battery) | под заказ | 5780 руб. | |
| 5 | 278001756 | (последний код) Battery (Battery) | под заказ | 7070 руб. | |
| 5 | FB16CL-B | (не оригинальный аналог) Аккумулятор FB16CL-B (YB16CL-B) | под заказ | 8370 руб. | |
| 6 | 211000045 | Шестигранный винт (Hex. Screw) | под заказ | по запросу | |
| 7 | 211200018 | плоский Шайба 6 mm (Flat Washer 6 mm) | под заказ | 270 руб. | |
| 8 | 211100022 | Гайка M6 (Nut M6) | под заказ | по запросу | |
| 9 | 415110000 | Polyurethane Шланг 5.2 mm (Polyurethane Hose 5.2 mm) | под заказ | 280 руб. | |
| 9 | 709000017 | (последний код) Polyurethane Шланг 5.2 mm (Polyurethane Hose 5.2 mm) | под заказ | 220 руб. | |
| 10 | 710000022 | Заземляющий провод (Ground Cable) | под заказ | по запросу | |
| 11 | 278001234 | Battery нижний Pad (Battery Lower Pad) | под заказ | 2020 руб. | |
| 11 | 278001976 | (последний код) Battery нижний Pad (Battery Lower Pad) | под заказ | 2720 руб. | |
| 12 | 293850021 | Rubber Хомут (Rubber Strap) | под заказ | по запросу | |
| 12 | 293850077 | (последний код) Rubber Хомут (Rubber Strap) | под заказ | 900 руб. | |
| 13 | 278001690 | Battery красный Кабели (Battery Red Cable) | под заказ | 1390 руб. | |
| 14 | 278001685 | плоский Клемма (Flat Terminal) | под заказ | по запросу | |
| 15 | XXX | красный Boot (Red Boot) | |||
| 16 | 710000100 | Voltage Регулятор. Includes 16 - 24. (Voltage Regulator. Includes 16 - 24.) | под заказ | 18610 руб. | |
| 16 | 710000019 | (последний код) Voltage Регулятор. Includes 16 - 24. (Voltage Regulator. Includes 16 - 24.) | под заказ | 14550 руб. | |
| 17 | 278000222 | Male Клемма (18 Gauge) (Male Terminal (18 Gauge)) | под заказ | 290 руб. | |
| 18 | 278000223 | Female Клемма (18 Gauge) (Female Terminal (18 Gauge)) | под заказ | 290 руб. | |
| 19 | 278000161 | Female Корпус (1 Circuit) (Female Housing (1 Circuit)) | под заказ | 720 руб. | |
| 20 | 278000219 | Male Корпус (1 Circuit) (Male Housing (1 Circuit)) | под заказ | 630 руб. | |
| 21 | 278000218 | ПроводСальник (16-18Gauge) (зелёный) (WireSeal(16-18Gauge)(Green)) | под заказ | 430 руб. | |
| 22 | 409901300 | Vinyl Temp (Vinyl Temp) | под заказ | 880 руб. | |
| 22 | 410112900 | (последний код) Vinyl Temp (Vinyl Temp) | под заказ | 690 руб. | |
| 23 | 710000034 | Female Клемма (14-16 Gauge) (Female Terminal (14-16 Gauge)) | под заказ | 530 руб. | |
| 24 | 278001546 | Катушка зажигания (Ignition Coil) | под заказ | 16330 руб. | |
| 24 | 420891640 | (последний код) Катушка зажигания (Ignition Coil) | под заказ | 12770 руб. | |
| 24 | SM-01149 | (не оригинальный аналог) Катушка зажигания BRP/Polaris SM-01149 | под заказ | 10380 руб. | |
| 25 | 293750001 | Tie Rap (Tie Rap) | под заказ | 90 руб. | |
| 25 | 420866718 | (последний код) Tie Rap (Tie Rap) | под заказ | 110 руб. | |
| 26 | 710000073 | Изолятор Pad (Insulator Pad) | под заказ | 370 руб. | |
| 27 | 207665044 | Hex. Фланецd Винт M6 x 50 (Hex. Flanged Screw M6 x 50) | под заказ | 290 руб. | |
| 28 | 233261414 | Elastic Фланецd Stop Гайка M6 (Elastic Flanged Stop Nut M6) | под заказ | 290 руб. | |
| 28 | M33200 | (последний код) | под заказ | по запросу | |
| 29 | 710000023 | Заземляющий провод (Ground Cable) | под заказ | 1500 руб. | |
| 29 | 710000211 | (последний код) Заземляющий провод (Ground Cable) | под заказ | 1910 руб. | |
| 30 | 710000136 | Positive Кабели (Positive Cable) | под заказ | 2300 руб. | |
| 31 | 710000111 | Стартер Реле (Starter Relay) | под заказ | 4720 руб. | |
| 31 | 515176011 | (последний код) Стартер Реле (Starter Relay) | под заказ | 6030 руб. | |
| 32 | 232561600 | Эластичная гайка со стопором M6 (Elastic Stop Nut M6) | под заказ | 290 руб. | |
| 32 | 212000001 | (последний код) Эластичная гайка со стопором M6 (Elastic Stop Nut M6) | под заказ | 230 руб. | |
| 33 | 210261680 | Шестигранный винт M6 x 16 (Hex. Screw M6 x 16) | под заказ | 250 руб. | |
| 33 | 732600002 | (последний код) Шестигранный винт M6 x 16 (Hex. Screw M6 x 16) | под заказ | 230 руб. | |
| 34 | 210661940 | Hex. Фланецd Саморез M6 x 19 (Hex. Flanged Tapping Screw M6 x 19) | под заказ | по запросу | |
| 35 | 710000092 | Предохранитель Держатель. Includes 35 - 46. (Fuse Holder. Includes 35 - 46.) | под заказ | 10260 руб. | |
| 35 | 710000579 | (последний код) Предохранитель Держатель. Includes 35 - 46. (Fuse Holder. Includes 35 - 46.) | под заказ | 13120 руб. | |
| 36 | 409004300 | Male Клемма (16 Gauge) (Male Terminal (16 Gauge)) | под заказ | 580 руб. | |
| 37 | 710000029 | Блок предохранителей (Fuse Box) | под заказ | 10260 руб. | |
| 37 | 710000579 | (последний код) Блок предохранителей (Fuse Box) | под заказ | 13120 руб. | |
| 38 | 409007300 | Female Клемма (14 Gauge) (Female Terminal (14 Gauge)) | под заказ | 1720 руб. | |
| 39 | 278000161 | Female Корпус (1 Circuit) (Female Housing (1 Circuit)) | под заказ | 720 руб. | |
| 40 | 278000218 | ПроводСальник (16-18Gauge) (зелёный) (WireSeal(16-18Gauge)(Green)) | под заказ | 430 руб. | |
| 710000048 | Провод Сальник (Wire Seal) | под заказ | 580 руб. | ||
| 41 | 278001392 | Open Barrel (Open Barrel) | под заказ | 430 руб. | |
| 41 | 409012600 | (последний код) Open Barrel (Open Barrel) | под заказ | 340 руб. | |
| 42 | 515175442 | Корпус (Housing) | под заказ | 430 руб. | |
| 42 | 513033364 | (последний код) Корпус (Housing) | под заказ | 340 руб. | |
| 43 | 410917200 | Предохранитель 30 Amp (Fuse 30 Amp) | под заказ | 290 руб. | |
| 43 | 42043 | (последний код) Предохранитель 30 Amp (Fuse 30 Amp) | под заказ | 140 руб. | |
| 44 | 278001143 | Предохранитель 20 Amp (Fuse 20 Amp) | под заказ | 230 руб. | |
| 44 | 409003900 | (последний код) Предохранитель 20 Amp (Fuse 20 Amp) | под заказ | 290 руб. | |
| 45 | 710000106 | Male Корпус (5 Circuits) (Male Housing (5 Circuits)) | под заказ | 1640 руб. | |
| 46 | 278000343 | Предохранитель 15 Amp (Fuse 15 Amp) | под заказ | 290 руб. | |
| 47 | 710000039 | Свеча зажигания Провод. Includes 47 - 49. (Spark Plug Wire. Includes 47 - 49.) | под заказ | по запросу | |
| 48 | 710000041 | Spark Защитный колачок (Spark Plug Cap) | под заказ | по запросу | |
| 49 | 293750001 | Tie Rap 94 mm (Tie Rap 94 mm) | под заказ | 90 руб. | |
| 49 | 420866718 | (последний код) Tie Rap 94 mm (Tie Rap 94 mm) | под заказ | 110 руб. | |
| 50 | 293550004 | Dielectric Смазка, 150 g (Dielectric Grease,150 g) | под заказ | 4740 руб. | |
| 50 | 747018002 | (последний код) Dielectric Смазка, 150 g (Dielectric Grease,150 g) | под заказ | 3710 руб. | |
| 51 | 293550015 | Deoxit Lubricant, Spray (Deoxit Lubricant, Spray) | под заказ | 2470 руб. | |
| 51 | 293550034 | (последний код) Deoxit Lubricant, Spray (Deoxit Lubricant, Spray) | под заказ | 3160 руб. | |
| 52 | 207162544 | Шестигранный винт M6 x 25 (Hex. Screw M6 x 25) | под заказ | 290 руб. | |
| 52 | 702000153 | (последний код) Шестигранный винт M6 x 25 (Hex. Screw M6 x 25) | под заказ | 230 руб. | |
| 53 | 234461608 | External Tooth Шайба с блокировкой M6 (External Tooth Lock Washer M6) | под заказ | 270 руб. | |
| 53 | 217161600 | (последний код) External Tooth Шайба с блокировкой M6 (External Tooth Lock Washer M6) | под заказ | 210 руб. | |
| 54 | 232061414 | Гайка M6 (Nut M6) | под заказ | 290 руб. | |
| 54 | 540802021 | (последний код) Гайка M6 (Nut M6) | под заказ | 230 руб. | |
| 55 | 233261414 | Elastic Фланецd Гайка M6 (Elastic Flanged Nut M6) | под заказ | 290 руб. | |
| 55 | M33200 | (последний код) | под заказ | по запросу | |
| 56 | 293000070 | Сальникing Колпачок (Sealing Cap) | под заказ | 580 руб. | |
| 57 | 278000996 | Провод Сальник (Wire Seal) | под заказ | 290 руб. | |
| 58 | 278000994 | Female Клемма (Female Terminal) | под заказ | 290 руб. | |
| 59 | 278000995 | Female Клемма (Female Terminal) | под заказ | 620 руб. | |
| 60 | 278001062 | Male Корпус (26 Circuits) Includes 60 - 61. (Male Housing (26 Circuits). Includes 60 - 61.) | под заказ | 3450 руб. | |
| 61 | 278001307 | Провод Сальник (Wire Seal) | под заказ | 1290 руб. | |
| 62 | 278001063 | Male Корпус (26 Circuits) Includes 62 - 63. (Male Housing (26 Circuits). Includes 62 - 63.) | под заказ | 3640 руб. | |
| 63 | 278001307 | Провод Сальник (Wire Seal) | под заказ | 1290 руб. | |
| 64 | 278000997 | Male Корпус (3 Circuits) (Male Housing (3 Circuits)) | под заказ | 1290 руб. | |
| 65 | 278000999 | Провод Сальник (Wire Seal) | под заказ | 290 руб. | |
| 66 | 278000998 | Female Клемма (Female Terminal) | под заказ | 430 руб. | |
| 66 | 415128502 | (последний код) Female Клемма (Female Terminal) | под заказ | 340 руб. | |
| 67 | 278000219 | Male Корпус (1 circuit) (Male Housing (1 circuit)) | под заказ | 630 руб. | |
| 68 | 409007300 | Female Клемма (Female Terminal) | под заказ | 1720 руб. | |
| 69 | 710000048 | Провод Сальник (Wire Seal) | под заказ | 580 руб. | |
| 70 | 409010300 | Female Клемма (Female Terminal) | под заказ | 430 руб. | |
| 71 | 710000107 | Female Корпус (5 Circuits) (Female Housing (5 Circuits)) | под заказ | 1000 руб. | |
| 72 | 409004300 | Male Term. (16 Gauge) (Male Term. (16 Gauge)) | под заказ | 580 руб. | |
| 73 | 278000218 | Провод Сальник (16-18 Gauge) (зелёный) (Wire Seal (16-18 Gauge) (Green)) | под заказ | 430 руб. | |
| 74 | 710000048 | Провод Сальник (Wire Seal) | под заказ | 580 руб. | |

Время выполнения запроса 6.8811209201813 сек.
склад запчастей для водомоторной техники