вконтакте

Контактный телефон: +7 (981) 121-46-93, +7 (800) 200-90-76 , Email: parts-katalog@yandex.ru, где купить

 
 

  Логин:

Пароль:

Регистрация

www.partskatalog.ru Все каталоги Запчасти Mercury Запчасти Suzuki Запчасти Tohatsu Запчасти Honda Контакты



УВАЖАЕМЫЕ КЛИЕНТЫ!
C 19 ДЕКАБРЯ 2025 ПО 02 МАРТА 2026 ГОДА ОТДЕЛ ЗАПЧАСТЕЙ И СЕРВИС РАБОТАТЬ НЕ БУДУТ
ПРОДАЖА ЛОДОЧНЫХ МОТОРОВ В ШТАТНОМ РЕЖИМЕ
ОБ ИЗМЕНЕНИЯХ В ГРАФИКЕ РАБОТЫ ЧИТАЙТЕ НА САЙТА




ОРИГИНАЛЬНЫЕ ЗАПЧАСТИ НА СНЕГОУБОРЩИКИ HONDA


Вернуться к началу выбора


Техника: снегоуборочная машина Honda HSM1390IK2

Модификация:   Honda HSM1390ik2 ETDR

Модели с серийным номером двигателя: GCBDT от 1000001 до 2166638

Модели с серийным номером рамы: SBBJ от 5500001 до 5509999

РЕЖИМЫ ПРОСМОТРА

Все узлы и детали

Двигатель

Внешние части


Выберите раздел


E-02 Головка цилиндра (E-02 Cylinder Barrel)

E-02 Головка цилиндра (E-02 Cylinder Barrel)

E-03 Гильза цилиндра (E-03 Cylinder Head)

E-03 Гильза цилиндра (E-03 Cylinder Head)

E-06 Крышка коленвала (E-06 Crankcase Cover)

E-06 Крышка коленвала (E-06 Crankcase Cover)

E-07 Коленвал (E-07 Crankshaft)

E-07 Коленвал (E-07 Crankshaft)

E-08 Поршень / Шатун (E-08 Piston / Connecting Rod)

E-08 Поршень / Шатун (E-08 Piston / Connecting Rod)

E-09 Распредвал (E-09 Camshaft Assy)

E-09 Распредвал (E-09 Camshaft Assy)

E-12 Крышка вентилятора (E-12 Fan Cover)

E-12 Крышка вентилятора (E-12 Fan Cover)

E-14 Карбюратор (E-14 Carburetor)

E-14 Карбюратор (E-14 Carburetor)

E-15 Воздухоочиститель (E-15 Air Cleaner)

E-15 Воздухоочиститель (E-15 Air Cleaner)

E-15-10 Воздуховод (E-15-10 Air Guide)

E-15-10 Воздуховод (E-15-10 Air Guide)

E-16 Глушитель (E-16 Muffler)

E-16 Глушитель (E-16 Muffler)

E-17 Топливный бак (E-17 Fuel Tank)

E-17 Топливный бак (E-17 Fuel Tank)

E-19 Маховик (E-19 Flywheel)

E-19 Маховик (E-19 Flywheel)

E-20 Катушка зажигания (E-20 Ignition Cool)

E-20 Катушка зажигания (E-20 Ignition Cool)

E-20-10 Электронный Блок управления (E-20-10 Electrical Control Unit)

E-20-10 Электронный Блок управления (E-20-10 Electrical Control Unit)

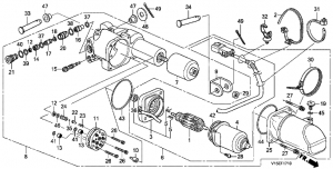
E-21 Двигатель электростартера (E-21 Starter Motor)

E-21 Двигатель электростартера (E-21 Starter Motor)

E-28 Этикетка (E-28 Label)

E-28 Этикетка (E-28 Label)

F-01 Верхняя Труба руля (F-01 Handlebar (Upper) Diagram and Parts)

F-01 Верхняя Труба руля (F-01 Handlebar (Upper) Diagram and Parts)

F-01-10 Нижняя Труба руля (F-01-10 Handlebar (Lower) Diagram and Parts)

F-01-10 Нижняя Труба руля (F-01-10 Handlebar (Lower) Diagram and Parts)

F-02 Панель управления (F-02 Control Panel)

F-02 Панель управления (F-02 Control Panel)

F-03 Рычаг коробки передач (F-03 Change Lever)

F-03 Рычаг коробки передач (F-03 Change Lever)

F-05 Рычаг механизма натяжения (F-05 Tensioner ARM)

F-05 Рычаг механизма натяжения (F-05 Tensioner ARM)

F-05-10 Сцепление / Ведомый шкив (F-05-10 Clutch/Drive Pulley)

F-05-10 Сцепление / Ведомый шкив (F-05-10 Clutch/Drive Pulley)

F-05-20 Генератор (F-05-20 Alternator)

F-05-20 Генератор (F-05-20 Alternator)

F-08 Шестерни трансмиссии/Мотор (F-08 Gear Transmission/Motor)

F-08 Шестерни трансмиссии/Мотор (F-08 Gear Transmission/Motor)

F-10 Гусеница (F-10 Crawler)

F-10 Гусеница (F-10 Crawler)

F-13 Аккумуляторная батарея (F-13 Battery)

F-13 Аккумуляторная батарея (F-13 Battery)

F-13-20 Жгут Проводов (F-13-20 Harness)

F-13-20 Жгут Проводов (F-13-20 Harness)

F-13-30 Блок управления (F-13-30 Control Unit)

F-13-30 Блок управления (F-13-30 Control Unit)

F-13-40 Кронштейн датчика (F-13-40 Sensor Bracket)

F-13-40 Кронштейн датчика (F-13-40 Sensor Bracket)

F-14 Рабочее освещение (F-14 Working Light)

F-14 Рабочее освещение (F-14 Working Light)

F-16 Крышка (F-16 Cover)

F-16 Крышка (F-16 Cover)

F-17 Рама (F-17 Frame)

F-17 Рама (F-17 Frame)

F-17-10 Регулировка высоты с приводом (F-17-10 Power Heigth)

F-17-10 Регулировка высоты с приводом (F-17-10 Power Heigth)

F-19 Корпус шнека (F-19 Auger Housing)

F-19 Корпус шнека (F-19 Auger Housing)

F-19-10 Ролик с приводом (F-19-10 Power Rolling)

F-19-10 Ролик с приводом (F-19-10 Power Rolling)

F-19-20 Трансмиссии шнека (F-19-20 Auger Transmission)

F-19-20 Трансмиссии шнека (F-19-20 Auger Transmission)

F-20 Шнек / Воздуходувка (F-20 Auger / Blower)

F-20 Шнек / Воздуходувка (F-20 Auger / Blower)

F-21 Выкидная труба (F-21 Shuter)

F-21 Выкидная труба (F-21 Shuter)

F-21-10 Двигатель выкидной трубы (F-21-10 Motor Chute Assy)

F-21-10 Двигатель выкидной трубы (F-21-10 Motor Chute Assy)

F-22 Этикетка (F-22 Label)

F-22 Этикетка (F-22 Label)

F-23 Инструмент (F-23 Instruments)

F-23 Инструмент (F-23 Instruments)


honda power
 
 

данный сайт носит информационный характер и не является публичной офертой

склад запчастей для водомоторной техники