вконтакте

Контактный телефон: +7 (981) 121-46-93, +7 (800) 200-90-76 , Email: parts-katalog@yandex.ru, где купить

 
 

  Логин:

Пароль:

Регистрация

www.partskatalog.ru Все каталоги Запчасти Mercury Запчасти Suzuki Запчасти Tohatsu Запчасти Honda Контакты



УВАЖАЕМЫЕ КЛИЕНТЫ!
C 19 ДЕКАБРЯ 2025 ПО 02 МАРТА 2026 ГОДА ОТДЕЛ ЗАПЧАСТЕЙ И СЕРВИС РАБОТАТЬ НЕ БУДУТ
ПРОДАЖА ЛОДОЧНЫХ МОТОРОВ В ШТАТНОМ РЕЖИМЕ
ОБ ИЗМЕНЕНИЯХ В ГРАФИКЕ РАБОТЫ ЧИТАЙТЕ НА САЙТА




ОРИГИНАЛЬНЫЕ ЗАПЧАСТИ НА ГЕНЕРАТОРЫ HONDA


Вернуться к началу выбора


Техника: бензиновые электростанции Honda EU65iS

Модификация:   Honda EU65iS RG B1

Установлен двигатель: Honda GX390K1 EZ5

Модели с серийным номером двигателя: GCAA от 3400001 до 9999999

Модели с серийным номером рамы: EASJ от 1000001 до 0

РЕЖИМЫ ПРОСМОТРА

Все узлы и детали

Двигатель

Внешние части


Выберите раздел


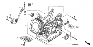
E-02 Головка цилиндра (E-02 Cylinder Barrel)

E-02 Головка цилиндра (E-02 Cylinder Barrel)

E-03 Гильза цилиндра (E-03 Cylinder Head)

E-03 Гильза цилиндра (E-03 Cylinder Head)

E-06 Крышка коленвала (E-06 Crankcase Cover)

E-06 Крышка коленвала (E-06 Crankcase Cover)

E-07 Коленвал (E-07 Crankshaft)

E-07 Коленвал (E-07 Crankshaft)

E-08 Поршень / Шатун (E-08 Piston / Connecting Rod)

E-08 Поршень / Шатун (E-08 Piston / Connecting Rod)

E-09 Распредвал (E-09 Camshaft Assy)

E-09 Распредвал (E-09 Camshaft Assy)

E-14 Карбюратор (E-14 Carburetor)

E-14 Карбюратор (E-14 Carburetor)

E-19 Маховик (E-19 Flywheel)

E-19 Маховик (E-19 Flywheel)

E-21 Двигатель электростартера (E-21 Starter Motor)

E-21 Двигатель электростартера (E-21 Starter Motor)

F-02-1 Панель управления (K,Kt,R,Rh,Rht,Rt,S,St) (F-02-1 Control Panel (K,Kt,R,Rh,Rht,Rt,S,St))

F-02-1 Панель управления (K,Kt,R,Rh,Rht,Rt,S,St) (F-02-1 Control Panel (K,Kt,R,Rh,Rht,Rt,S,St))

F-09 Барабанный стартер (F-09 Recoil Starter)

F-09 Барабанный стартер (F-09 Recoil Starter)

F-14 Воздухоочиститель (F-14 Air Cleaner)

F-14 Воздухоочиститель (F-14 Air Cleaner)

F-15 Глушитель (F-15 Muffler)

F-15 Глушитель (F-15 Muffler)

F-16 Топливный бак (F-16 Fuel Tank)

F-16 Топливный бак (F-16 Fuel Tank)

F-19 Жгут проводов двигателя (F-19 Harness Motor)

F-19 Жгут проводов двигателя (F-19 Harness Motor)

F-21 Кожух / Крышка вентилятора (F-21 Cover / Fan Cover)

F-21 Кожух / Крышка вентилятора (F-21 Cover / Fan Cover)

F-22 Передняя крышка / Задняя крышка (F-22 Front Cover / Rear Cover)

F-22 Передняя крышка / Задняя крышка (F-22 Front Cover / Rear Cover)

F-23 Крышка для техобслуживания (F-23 Cover for maintenance)

F-23 Крышка для техобслуживания (F-23 Cover for maintenance)

F-25 Рама (F-25 Frame)

F-25 Рама (F-25 Frame)

F-25-10 Рукоятка / Колесо (F-25-10 Handle / Wheel)

F-25-10 Рукоятка / Колесо (F-25-10 Handle / Wheel)

F-28 Катушка зажигания (F-28 Ignition Cool)

F-28 Катушка зажигания (F-28 Ignition Cool)

F-29 Генератор В Сборе/Вентилятор охладителя (F-29 Alternator В Сборе/Cooler Fan)

F-29 Генератор В Сборе/Вентилятор охладителя (F-29 Alternator В Сборе/Cooler Fan)

F-29-10 Инвертор (F-29-10 Invertor)

F-29-10 Инвертор (F-29-10 Invertor)

F-31 Этикетка (F-31 Label)

F-31 Этикетка (F-31 Label)

F-32 Инструмент / Заглушка согласователя (F-32 Instruments / Plug Consent)

F-32 Инструмент / Заглушка согласователя (F-32 Instruments / Plug Consent)

Fop-1 Комплект подвески (Fop-1 Hook suspension)

Fop-1 Комплект подвески (Fop-1 Hook suspension)

Fop-2 Ящик Дистанционного Управления (Fop-2 Remote Control Box)

Fop-2 Ящик Дистанционного Управления (Fop-2 Remote Control Box)


honda power
 
 

данный сайт носит информационный характер и не является публичной офертой

склад запчастей для водомоторной техники