вконтакте

Контактный телефон: +7 (981) 121-46-93, +7 (800) 200-90-76 , Email: parts-katalog@yandex.ru, где купить

 
 

  Логин:

Пароль:

Регистрация

www.partskatalog.ru Все каталоги Запчасти Mercury Запчасти Suzuki Запчасти Tohatsu Запчасти Honda Контакты



УВАЖАЕМЫЕ КЛИЕНТЫ!
C 19 ДЕКАБРЯ 2025 ПО 02 МАРТА 2026 ГОДА ОТДЕЛ ЗАПЧАСТЕЙ И СЕРВИС РАБОТАТЬ НЕ БУДУТ
ПРОДАЖА ЛОДОЧНЫХ МОТОРОВ В ШТАТНОМ РЕЖИМЕ
ОБ ИЗМЕНЕНИЯХ В ГРАФИКЕ РАБОТЫ ЧИТАЙТЕ НА САЙТА




Вернуться к началу выбора


Мощность Вашего двигателя: 105 л.с.

Год выпуска: 2001 год

Тип двигателя: 1260

Модификация двигателя: Evinrude E105WELSIF commercial, elec start, 20 in

   Выберите раздел

найти расходники на лодочные моторы Evinrude


Выберите раздел

Карбюратор & Впускной коллектор (Carburetor & Intake Manifold)

Карбюратор & Впускной коллектор (Carburetor & Intake Manifold)

Коленвал & Поршень (Crankshaft & Piston)

Коленвал & Поршень (Crankshaft & Piston)

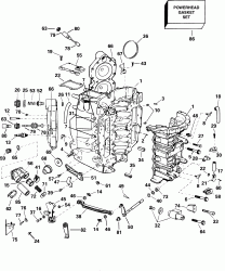
Цилиндр & Картер двигателя (Cylinder & Crankcase)

Цилиндр & Картер двигателя (Cylinder & Crankcase)

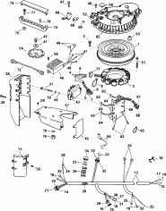
Электростартер & Solenoid (Electric Starter & Solenoid)

Электростартер & Solenoid (Electric Starter & Solenoid)

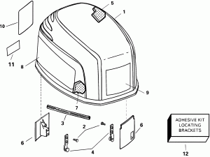
Крышка двигателя (капот) - We Models (Engine Cover - We Models)

Крышка двигателя (капот) - We Models (Engine Cover - We Models)

Крышка двигателя (капот) - Wp Models (Engine Cover - Wp Models)

Крышка двигателя (капот) - Wp Models (Engine Cover - Wp Models)

Удлинитель корпуса (Exhaust Housing)

Удлинитель корпуса (Exhaust Housing)

Топливный насос & Фильтр (Fuel Pump & Filter)

Топливный насос & Фильтр (Fuel Pump & Filter)

Редуктор (Gearcase)

Редуктор (Gearcase)

Шланг & Фильтр (Hose & Filter)

Шланг & Фильтр (Hose & Filter)

Ignition System - 105we Models (Ignition System - 105we Models)

Ignition System - 105we Models (Ignition System - 105we Models)

Ignition System - 105wp Models (Ignition System - 105wp Models)

Ignition System - 105wp Models (Ignition System - 105wp Models)

Литература (Literature)

Литература (Literature)

Нижняя крышка двигателя - 105we Models (Lower Engine Cover - 105we Models)

Нижняя крышка двигателя - 105we Models (Lower Engine Cover - 105we Models)

Нижняя крышка двигателя - 105wp Models (Lower Engine Cover - 105wp Models)

Нижняя крышка двигателя - 105wp Models (Lower Engine Cover - 105wp Models)

Краска (Paint)

Краска (Paint)

Механизированный дифферент наклона Электрика (Power Trim/tilt Electrical)

Механизированный дифферент наклона Электрика (Power Trim/tilt Electrical)

Механизированный дифферент наклона Hydraulic Assembly (Power Trim/tilt Hydraulic Assembly)

Механизированный дифферент наклона Hydraulic Assembly (Power Trim/tilt Hydraulic Assembly)

Rewind Стартер (Rewind Starter)

Rewind Стартер (Rewind Starter)

Рулевая система Соединитель Kit (Steering Link Kit)

Рулевая система Соединитель Kit (Steering Link Kit)

Stern & Поворотный кронштейн - 105we Models (Stern & Swivel Bracket - 105we Models)

Stern & Поворотный кронштейн - 105we Models (Stern & Swivel Bracket - 105we Models)

Stern & Поворотный кронштейн - 105wp Models (Stern & Swivel Bracket - 105wp Models)

Stern & Поворотный кронштейн - 105wp Models (Stern & Swivel Bracket - 105wp Models)

System Check® Тахометр (System Check® Tachometer)

System Check® Тахометр (System Check® Tachometer)

Соединитель дросселяage (Throttle Linkage)

Соединитель дросселяage (Throttle Linkage)

evinrude

Время выполнения запроса 0.22276496887207 сек.


 
 

данный сайт носит информационный характер и не является публичной офертой

склад запчастей для водомоторной техники