вконтакте

Контактный телефон: +7 (981) 121-46-93, +7 (800) 200-90-76 , Email: parts-katalog@yandex.ru, где купить

 
 

  Логин:

Пароль:

Регистрация

www.partskatalog.ru Все каталоги Запчасти Mercury Запчасти Suzuki Запчасти Tohatsu Запчасти Honda Контакты



УВАЖАЕМЫЕ КЛИЕНТЫ!
C 19 ДЕКАБРЯ 2025 ПО 02 МАРТА 2026 ГОДА ОТДЕЛ ЗАПЧАСТЕЙ И СЕРВИС РАБОТАТЬ НЕ БУДУТ
ПРОДАЖА ЛОДОЧНЫХ МОТОРОВ В ШТАТНОМ РЕЖИМЕ
ОБ ИЗМЕНЕНИЯХ В ГРАФИКЕ РАБОТЫ ЧИТАЙТЕ НА САЙТА




Вернуться к началу выбора


Мощность Вашего двигателя: 20 л.с.

Год выпуска: 1992 год

Тип двигателя: 1584

Модификация двигателя: Evinrude TE20CREND 1992

   Выберите раздел

найти расходники на лодочные моторы Evinrude


Выберите раздел

Карбюратор - 20 (Carburetor - 20)

Карбюратор - 20 (Carburetor - 20)

Карбюратор - 25 / 30 (Carburetor - 25/30)

Карбюратор - 25 / 30 (Carburetor - 25/30)

Коленвал & Поршень (Crankshaft & Piston)

Коленвал & Поршень (Crankshaft & Piston)

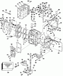
Цилиндр & Картер двигателя (Cylinder & Crankcase)

Цилиндр & Картер двигателя (Cylinder & Crankcase)

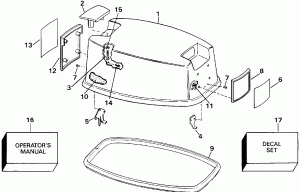
Крышка двигателя (капот) - Evinrude (Engine Cover - Evinrude)

Крышка двигателя (капот) - Evinrude (Engine Cover - Evinrude)

Крышка двигателя (капот) - Johnson (Engine Cover - Johnson)

Крышка двигателя (капот) - Johnson (Engine Cover - Johnson)

Удлинитель Kit в сборе. - 22.5 дюйм (Extension Kit Assy. - 22.5 In.)

Удлинитель Kit в сборе. - 22.5 дюйм (Extension Kit Assy. - 22.5 In.)

Топливный насос (Fuel Pump)

Топливный насос (Fuel Pump)

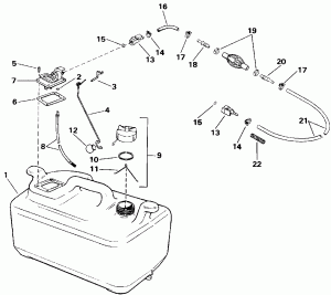
Топливный бак (Fuel Tank)

Топливный бак (Fuel Tank)

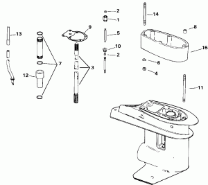
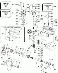
Редуктор (Gearcase)

Редуктор (Gearcase)

Ignition (Ignition)

Ignition (Ignition)

Впускной коллектор (Intake Manifold)

Впускной коллектор (Intake Manifold)

Нижняя крышка двигателя (Lower Engine Cover)

Нижняя крышка двигателя (Lower Engine Cover)

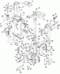
Midsection - 20 & 25 Models Only (Midsection - 20 & 25 Models Only)

Midsection - 20 & 25 Models Only (Midsection - 20 & 25 Models Only)

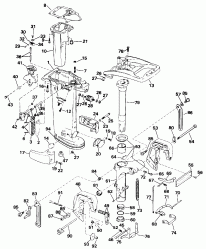
Midsection - 30 & 35 Models Only (Midsection - 30 & 35 Models Only)

Midsection - 30 & 35 Models Only (Midsection - 30 & 35 Models Only)

Краска Chart (Paint Chart)

Краска Chart (Paint Chart)

Primer System (Primer System)

Primer System (Primer System)

Rewind Стартер (Rewind Starter)

Rewind Стартер (Rewind Starter)

Рулевая система и Переключатель Handle (Steering And Shift Handle)

Рулевая система и Переключатель Handle (Steering And Shift Handle)

evinrude

Время выполнения запроса 0.27254509925842 сек.


 
 

данный сайт носит информационный характер и не является публичной офертой

склад запчастей для водомоторной техники