вконтакте

Контактный телефон: +7 (981) 121-46-93, +7 (800) 200-90-76 , Email: parts-katalog@yandex.ru, где купить

 
 

  Логин:

Пароль:

Регистрация

www.partskatalog.ru Все каталоги Запчасти Mercury Запчасти Suzuki Запчасти Tohatsu Запчасти Honda Контакты



УВАЖАЕМЫЕ КЛИЕНТЫ!
C 19 ДЕКАБРЯ 2025 ПО 02 МАРТА 2026 ГОДА ОТДЕЛ ЗАПЧАСТЕЙ И СЕРВИС РАБОТАТЬ НЕ БУДУТ
ПРОДАЖА ЛОДОЧНЫХ МОТОРОВ В ШТАТНОМ РЕЖИМЕ
ОБ ИЗМЕНЕНИЯХ В ГРАФИКЕ РАБОТЫ ЧИТАЙТЕ НА САЙТА




Вернуться к началу выбора


Мощность Вашего двигателя: 40 л.с.

Год выпуска: 1991 год

Тип двигателя: 1615

Модификация двигателя: Evinrude TE40ELEIA 1991

   Выберите раздел

найти расходники на лодочные моторы Evinrude


Выберите раздел

Карбюратор - All 40 Models (Carburetor - All 40 Models)

Карбюратор - All 40 Models (Carburetor - All 40 Models)

Карбюратор - All 50 Models (Carburetor - All 50 Models)

Карбюратор - All 50 Models (Carburetor - All 50 Models)

Коленвал & Поршень (Crankshaft & Piston)

Коленвал & Поршень (Crankshaft & Piston)

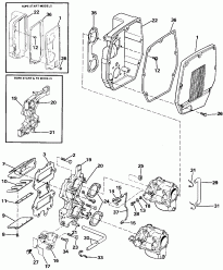
Цилиндр & Картер двигателя (Cylinder & Crankcase)

Цилиндр & Картер двигателя (Cylinder & Crankcase)

Электростартер & Solenoid (Electric Starter & Solenoid)

Электростартер & Solenoid (Electric Starter & Solenoid)

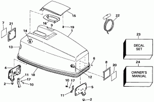
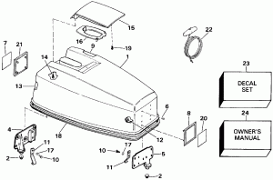
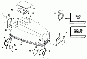
Крышка двигателя (капот) - Evinrude 25-40 (Engine Cover - Evinrude 25-40)

Крышка двигателя (капот) - Evinrude 25-40 (Engine Cover - Evinrude 25-40)

Крышка двигателя (капот) - Evinrude 50 (Engine Cover - Evinrude 50)

Крышка двигателя (капот) - Evinrude 50 (Engine Cover - Evinrude 50)

Крышка двигателя (капот) - Evinrude Шнур Start Only (Engine Cover - Evinrude Rope Start Only)

Крышка двигателя (капот) - Evinrude Шнур Start Only (Engine Cover - Evinrude Rope Start Only)

Крышка двигателя (капот) - Johnson 25-40 (Engine Cover - Johnson 25-40)

Крышка двигателя (капот) - Johnson 25-40 (Engine Cover - Johnson 25-40)

Крышка двигателя (капот) - Johnson 50 (Engine Cover - Johnson 50)

Крышка двигателя (капот) - Johnson 50 (Engine Cover - Johnson 50)

Крышка двигателя (капот) - Johnson Шнур Start Only (Engine Cover - Johnson Rope Start Only)

Крышка двигателя (капот) - Johnson Шнур Start Only (Engine Cover - Johnson Rope Start Only)

Удлинитель корпуса & Stern & Поворотный кронштейн (Exhaust Housing & Stern & Swivel Bracket)

Удлинитель корпуса & Stern & Поворотный кронштейн (Exhaust Housing & Stern & Swivel Bracket)

Топливный насос и Фильтр (Fuel Pump And Filter)

Топливный насос и Фильтр (Fuel Pump And Filter)

Топливный бак (Fuel Tank)

Топливный бак (Fuel Tank)

Редуктор (Gearcase)

Редуктор (Gearcase)

Ignition System - Electric Start Tl Models (Ignition System - Electric Start Tl Models)

Ignition System - Electric Start Tl Models (Ignition System - Electric Start Tl Models)

Ignition System - Electric Start Te-ttl Models (Ignition System - Electric Start Te-ttl Models)

Ignition System - Electric Start Te-ttl Models (Ignition System - Electric Start Te-ttl Models)

Ignition System - Шнур Start (Ignition System - Rope Start)

Ignition System - Шнур Start (Ignition System - Rope Start)

Впускной коллектор (Intake Manifold)

Впускной коллектор (Intake Manifold)

Jet Drive Kit (Jet Drive Kit)

Jet Drive Kit (Jet Drive Kit)

Нижняя крышка двигателя (Lower Engine Cover)

Нижняя крышка двигателя (Lower Engine Cover)

Краска Chart (Paint Chart)

Краска Chart (Paint Chart)

Управление наклоном & Trim (Power Tilt & Trim)

Управление наклоном & Trim (Power Tilt & Trim)

Механизированный дифферент наклона Электрика (Power Trim/tilt Electrical)

Механизированный дифферент наклона Электрика (Power Trim/tilt Electrical)

Primer System - ручной Start (Primer System - Manual Start)

Primer System - ручной Start (Primer System - Manual Start)

Primer System - Electric Start (Primer System - Electric Start)

Primer System - Electric Start (Primer System - Electric Start)

Rewind Стартер (Rewind Starter)

Rewind Стартер (Rewind Starter)

Переключатель & Соединитель дросселяage (Shift & Throttle Linkage)

Переключатель & Соединитель дросселяage (Shift & Throttle Linkage)

Переключатель & Соединитель дросселяage (continued) (Shift & Throttle Linkage (continued))

Переключатель & Соединитель дросселяage (continued) (Shift & Throttle Linkage (continued))

Рулевая система Соединитель Kit (Steering Link Kit)

Рулевая система Соединитель Kit (Steering Link Kit)

Рулевая система и Переключатель Handle (Steering And Shift Handle)

Рулевая система и Переключатель Handle (Steering And Shift Handle)

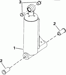
Tilt Assist Цилиндр (Tilt Assist Cylinder)

Tilt Assist Цилиндр (Tilt Assist Cylinder)

Transom Крепление Kit (Transom Mount Kit)

Transom Крепление Kit (Transom Mount Kit)

Vro Масляный бак Kit-1.8 галлон (Vro Oil Tank Kit-1.8 Gallon)

Vro Масляный бак Kit-1.8 галлон (Vro Oil Tank Kit-1.8 Gallon)

Vro2 Помпа (Vro2 Pump)

Vro2 Помпа (Vro2 Pump)

evinrude

Время выполнения запроса 0.37112212181091 сек.


 
 

данный сайт носит информационный характер и не является публичной офертой

склад запчастей для водомоторной техники