вконтакте

Контактный телефон: +7 (981) 121-46-93, +7 (800) 200-90-76 , Email: parts-katalog@yandex.ru, где купить

 
 

  Логин:

Пароль:

Регистрация

www.partskatalog.ru Все каталоги Запчасти Mercury Запчасти Suzuki Запчасти Tohatsu Запчасти Honda Контакты



УВАЖАЕМЫЕ КЛИЕНТЫ!
C 19 ДЕКАБРЯ 2025 ПО 02 МАРТА 2026 ГОДА ОТДЕЛ ЗАПЧАСТЕЙ И СЕРВИС РАБОТАТЬ НЕ БУДУТ
ПРОДАЖА ЛОДОЧНЫХ МОТОРОВ В ШТАТНОМ РЕЖИМЕ
ОБ ИЗМЕНЕНИЯХ В ГРАФИКЕ РАБОТЫ ЧИТАЙТЕ НА САЙТА




Все разделы каталога запчастей на этот двигатель

назад Раздел:   вперёд

вернуться к списку узлов и деталей

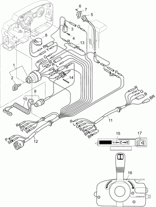
ДЕТАЛИРОВКА ДЛЯ МОДЕЛИ: EVINRUDE E10PGL4ABA

19-3 МОНТАЖ СБОКУ УПРАВЛЕНИЕ (ЭЛЕКТРИКА) | 19-3 SIDE MOUNT CONTROL (ELECTRICAL);


Мотор Evinrude E10PGL4ABA  - монтаж сбоку Управление (Электрика) / side Mount Control (electrical)

Номер на
рисунке
АртикулНаименованиеКол-во
на складе
Цена
1 5040113

MAIN Переключатель ASSEMBLY (MAIN SWITCH ASSEMBLY)

нет в наличии, поставок нет
2 5040832

* Ключ замка зажигания (No. 301) ( MAIN SWITCH KEY (No. 301))

нет в наличии, поставок нет
2 5040833

* Ключ замка зажигания (No. 302) ( MAIN SWITCH KEY (No. 302))

нет в наличии, поставок нет
2 5040834

* Ключ замка зажигания (No. 303) ( MAIN SWITCH KEY (No. 303))

нет в наличии, поставок нет
3 5040257

Переключатель нейтрали (на дистанционном управлении) (NEUTRAL SWITCH (REMOTE CONT))

нет в наличии, поставок нет
4 5041601

Винт (SCREW)

нет в наличии, поставок нет
5 5040254

Переключатель гидроподъёма ASSEMBLY. Управление with trim (PTT SWITCH ASSEMBLY. Control with trim)

нет в наличии, поставок нет
6 5041600

Винт. Управление with trim (SCREW. Control with trim)

нет в наличии, поставок нет
7 5040255

Крышка переключателя гидроподъёма. Управление with trim (PTT SWITCH COVER. Control with trim)

нет в наличии, поставок нет
8 5040788

Звуковой сигнал перегрева. Управление with trim (OVERHEAT BUZZER. Control with trim)

нет в наличии, поставок нет
9 5040250

Выключатель двигателя в сборе. with Lanyard (STOP SWITCH ASSEMBLY. with Lanyard)

нет в наличии, поставок нет
10 5040109

* STOP Переключатель LANYARD ( STOP SWITCH LANYARD)

нет в наличии, поставок нет
11 5040124

CORD ASSEMBLY. Управление with trim (CORD ASSEMBLY. Control with trim)

нет в наличии, поставок нет
12 5040258

CORD ASSEMBLY. Управление with trim (CORD ASSEMBLY. Control with trim)

нет в наличии, поставок нет
13 5040112

Вспомогательный провод (красный) L= 200. Управление with trim (ASSIST CORD (RED) L= 200. Control with trim)

нет в наличии, поставок нет
14 5040271

Ремешок подводящего провода (BAND LEAD WIRE)

нет в наличии, поставок нет
15 5041131

Наклейка - положение сдвига (SHIFT POSITION DECAL)

нет в наличии, поставок нет
16 5041132

Боковая наклейка положения сдвига (SHIFT POSITION SIDE DECAL)

нет в наличии, поставок нет
17 5041129

Наклейка (Рычаг) (DECAL (LEVER))

нет в наличии, поставок нет
evinrude

Время выполнения запроса 10.01847910881 сек.


 
 

данный сайт носит информационный характер и не является публичной офертой

склад запчастей для водомоторной техники