вконтакте

Контактный телефон: +7 (981) 121-46-93, +7 (800) 200-90-76 , Email: parts-katalog@yandex.ru, где купить

 
 

  Логин:

Пароль:

Регистрация

www.partskatalog.ru Все каталоги Запчасти Mercury Запчасти Suzuki Запчасти Tohatsu Запчасти Honda Контакты


Все разделы каталога запчастей на этот двигатель

назад Раздел:   вперёд

вернуться к списку узлов и деталей

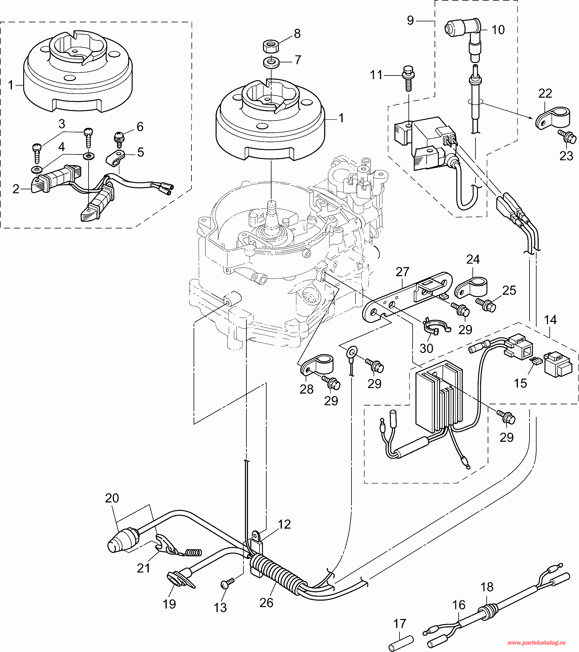
ДЕТАЛИРОВКА ДЛЯ МОДЕЛИ: EVINRUDE B4RGL4ABB

12-5 IGNITION SYSTEM | 12-5 IGNITION SYSTEM;


Лодочный подвесной мотор EVINRUDE B4RGL4ABB  - ignition System - ignition System

Номер на
рисунке
АртикулНаименованиеКол-во
на складе
Цена
1 5040493

Маховик MF54 (Маркировка48) (Flywheel MF54 (Mark48))

нет в наличии, поставок нет
1 5040492

Маховик MF54 (Маркировка50) (Flywheel MF54 (Mark50))

нет в наличии, поставок нет
2 5040856

Альтернатор Assembly. 12 Volt, 60 Watt (5 Amps) (Alternator Assembly. 12 Volt, 60 Watt (5 Amps))

нет в наличии, поставок нет
3 5041610

Винт (Screw)

нет в наличии, поставок нет
4 5041660

Шайба (Washer)

нет в наличии, поставок нет
5 5040141

Струбцина 4.2-3-8 (Clamp 4.2-3-8)

нет в наличии, поставок нет
6 5041623

Винт (Screw)

нет в наличии, поставок нет
7 5041666

Шайба (Washer)

нет в наличии, поставок нет
8 5040136

Гайка 12-P1.25 (Nut 12-P1.25)

нет в наличии, поставок нет
9 5040857

Igniter W / Resistance Колпачок (Igniter W/Resistance Cap)

нет в наличии, поставок нет
10 5040983

*Коппачок свечи зажигания с резистором (Plug Cap W/Resistance)

нет в наличии, поставок нет
11 5041535

Болт (Bolt)

нет в наличии, поставок нет
12 5040242

Струбцина 6.5-67P (Clamp 6.5-67P)

нет в наличии, поставок нет
12 5040014

Струбцина 6.5-47.5P (Clamp 6.5-47.5P)

нет в наличии, поставок нет
13 5041530

Винт (Screw)

нет в наличии, поставок нет
13 5041557

   (последний код) BOLT

нет в наличии, поставок нет
14 5040897

Выпрямитель (комплект) (Rectifier Complete)

нет в наличии, поставок нет
15 5040899

*Предохранитель (10A) (Fuse (10A))

нет в наличии, поставок нет
16

Кабель аккумулятора L494 (Battery Cable L494)

нет в наличии, поставок нет
17

Наконечник кабеля (Cable Terminal Plug)

нет в наличии, поставок нет
18 5040063

Пыльник 17-3 (Grommet 17-3)

нет в наличии, поставок нет
19 5040895

Контрольная лампаembly (Pilot Lamp Assembly)

нет в наличии, поставок нет
20 5040859

Выключатель двигателя в сборе (Stop Switch Assembly)

нет в наличии, поставок нет
21 5040109

*Чека аварийного выключателя в сбореembly (Stop Switch Lanyard Assembly)

нет в наличии, поставок нет
22 5040059

Струбцина 6.5-14 (Clamp 6.5-14)

нет в наличии, поставок нет
23 5041530

Болт W / Шайба (Bolt W/Washer)

нет в наличии, поставок нет
23 5041557

   (последний код) BOLT

нет в наличии, поставок нет
24 5040059

Струбцина 6.5-14 (Clamp 6.5-14)

нет в наличии, поставок нет
25 5041530

Болт W / Шайба (Bolt W/Washer)

нет в наличии, поставок нет
25 5041557

   (последний код) BOLT

нет в наличии, поставок нет
26 5040982

Защита для жгута проводов (гофра) (Protector Wire Harness)

нет в наличии, поставок нет
27 5040860

Зажим для проводаembly (Electric Bracket Assembly)

нет в наличии, поставок нет
28 5040059

Струбцина 6.5-14 (Clamp 6.5-14)

нет в наличии, поставок нет
29 5041531

Болт (Bolt)

нет в наличии, поставок нет
30 5040722

Ремешок подводящего провода (Band Lead Wire)

нет в наличии, поставок нет
evinrude

Время выполнения запроса 1.6835877895355 сек.


 
 

данный сайт носит информационный характер и не является публичной офертой

склад запчастей для водомоторной техники