вконтакте

Контактный телефон: +7 (981) 121-46-93, +7 (800) 200-90-76 , Email: parts-katalog@yandex.ru, где купить

 
 

  Логин:

Пароль:

Регистрация

www.partskatalog.ru Все каталоги Запчасти Mercury Запчасти Suzuki Запчасти Tohatsu Запчасти Honda Контакты



УВАЖАЕМЫЕ КЛИЕНТЫ!
C 31 ОКТЯБРЯ 2025 ПО 10 НОЯБРЯ 2025 ГОДА РАБОТАТЬ НЕ БУДЕМ




Все разделы каталога запчастей на этот двигатель

назад Раздел:   вперёд

вернуться к списку узлов и деталей

ДЕТАЛИРОВКА ДЛЯ МОДЕЛИ: EVINRUDE B6RL4AAA

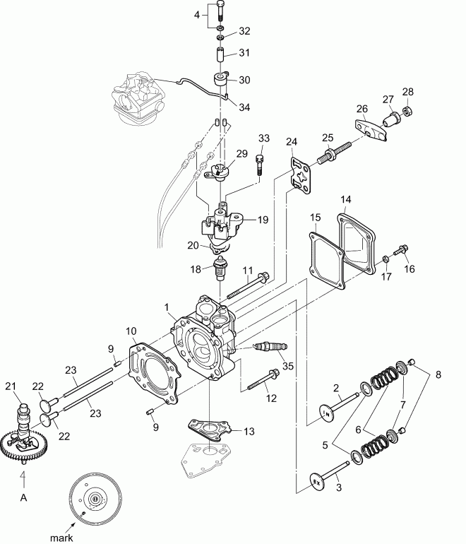
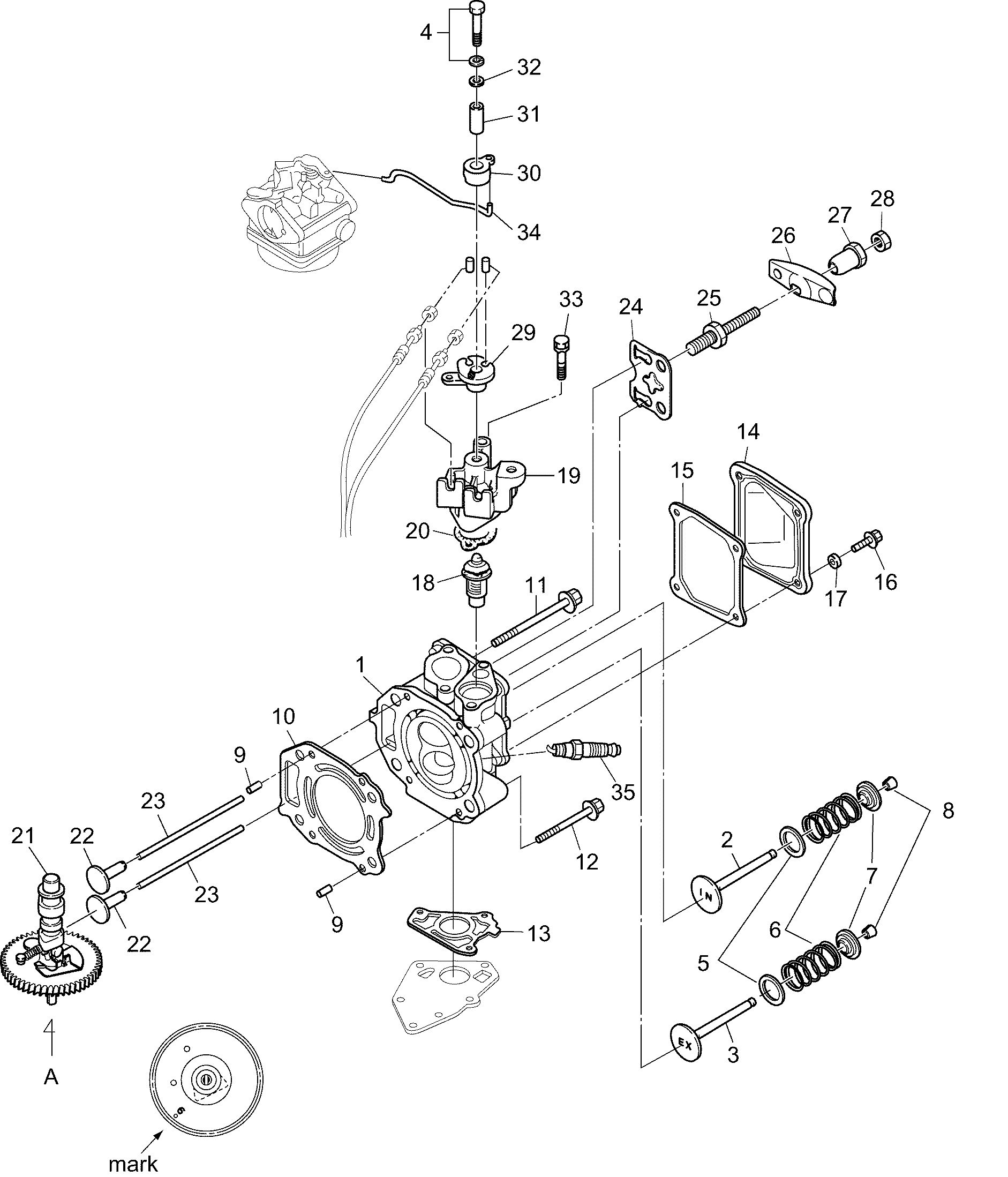
15-7 ГОЛОВКА БЛОКА ЦИЛИНДРА ASSEMBLY | 15-7 CYLINDER HEAD ASSEMBLY;


Лодочный мотор EVINRUDE B6RL4AAA  - cylinder Head Assembly / Головка блока цилиндра Assembly

Номер на
рисунке
АртикулНаименованиеКол-во
на складе
Цена
1 5041247

Головка блока цилиндра Assembly (Cylinder Head Assembly)

нет в наличии, поставок нет
2 5040863

Впускной клапан (Intake Valve)

нет в наличии, поставок нет
3 5040864

Выпускной клапан (Exhaust Valve)

нет в наличии, поставок нет
4 5041538

Болт (Bolt)

нет в наличии, поставок нет
5 5040984

Седло пружины клапана (Valve Spring Seat)

нет в наличии, поставок нет
6 5040477

Пружина клапана L=35 (Valve Spring L=35)

нет в наличии, поставок нет
7 5040985

Фиксатор (Retainer)

нет в наличии, поставок нет
8 5040986

Шпонка (Cotter)

нет в наличии, поставок нет
9 5040056

Шпонка 6-12 (Dowel Pin 6-12)

нет в наличии, поставок нет
10 5040954

Прокладка головки блока цилиндра (Cylinder Head Gasket)

нет в наличии, поставок нет
11 5040955

Болт головки блока цилиндра 8-90 (Cylinder Head Bolt 8-90)

нет в наличии, поставок нет
12 5040956

Болт головки блока цилиндра 8-60 (Cylinder Head Bolt 8-60)

нет в наличии, поставок нет
13 5040963

Прокладка выхлопной крышки (Exhaust Cover Gasket)

нет в наличии, поставок нет
14 5041053

Крышка головки цилиндра (Cylinder Head Cover)

нет в наличии, поставок нет
15 5040957

Прокладка крышки головки блока цилиндра (Cylinder Head Cover Gasket)

нет в наличии, поставок нет
16 5041540

Болт (Bolt)

нет в наличии, поставок нет
17 5040773

Шайба 6-16-1.5 (Washer 6-16-1.5)

нет в наличии, поставок нет
18 5040958

Термостат. 52°C (Thermostat. 52°C)

нет в наличии, поставок нет
19 5040901

Колпачок термостата (Thermostat Cap)

нет в наличии, поставок нет
20 5040066

Прокладка крышки термостата (Thermostat Cap Gasket)

нет в наличии, поставок нет
21 5041246

Распределительный вал Ass’y (Camshaft Ass’y)

нет в наличии, поставок нет
22 5040987

Подъёмник (Lifter)

нет в наличии, поставок нет
23 5040988

Тяга толкателя (Push Rod)

нет в наличии, поставок нет
24 5040989

Пластина тяги толкателя (Plate Push Rod)

нет в наличии, поставок нет
25 5040990

Стержень Болт (Pivot Bolt)

нет в наличии, поставок нет
26 5040865

Коромысло (Rocker Arm)

нет в наличии, поставок нет
27 5040991

Стержень коромысла (Pivot Rocker Arm)

нет в наличии, поставок нет
28 5041014

Регулировочная гайка (Adjusting Nut)

нет в наличии, поставок нет
29 5040872

Барабан дросселя (Throttle Drum)

нет в наличии, поставок нет
30 5040873

Открыватель дроссельной заслонки (Throttle Opener)

нет в наличии, поставок нет
31 5041030

Воротник барабана (Collar Drum)

нет в наличии, поставок нет
32 5040773

Шайба 6-16-1.5 (Washer 6-16-1.5)

нет в наличии, поставок нет
33 5041539

Болт (Bolt)

нет в наличии, поставок нет
34 5041029

Тяга дросселя (Throttle Rod)

нет в наличии, поставок нет
35 5031287

Свеча зажигания (DCPR6E) (Spark Plug (DCPR6E))

нет в наличии, поставок нет
35 5041710

   (последний код) SPARK PLUG DCPR6E

нет в наличии, поставок нет
evinrude

Время выполнения запроса 1.8630831241608 сек.


 
 

данный сайт носит информационный характер и не является публичной офертой

склад запчастей для водомоторной техники