Номер на рисунке | Артикул | Наименование | Кол-во на складе | Цена |
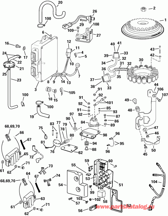
| 1 | 0586653 | Маховик в сборе (FLYWHEEL Assy) | нет в наличии, поставок нет |
| 2 | 0326042 | Гайка, Маховик (NUT, Flywheel) | нет в наличии, поставок нет |
| 3 | 0586724 | EMM, 200HP. Refer to the current Parts и Аксессуары Bulletin with Subject "EMM Replacement" Or, refer to "EMM & ECU Order Info" in current P&A Catalog (EMM, 200HP. Refer to the current Parts and Accessories Bulletin with Subject "EMM Replacement" Or, refer to "EMM & ECU Order Info" in current P&A Catalog) | нет в наличии, поставок нет |
| 3 | 0586518 | (последний код) EMM AY (QIPL) | нет в наличии, поставок нет |
| 3 | 0586724 | EMM, 225HP. Refer to the current Parts и Аксессуары Bulletin with Subject "EMM Replacement" Or, refer to "EMM & ECU Order Info" in current P&A Catalog (EMM, 225HP. Refer to the current Parts and Accessories Bulletin with Subject "EMM Replacement" Or, refer to "EMM & ECU Order Info" in current P&A Catalog) | нет в наличии, поставок нет |
| 3 | 0586518 | (последний код) EMM AY (QIPL) | нет в наличии, поставок нет |
| 3 | 0586724 | EMM, 250HP. Refer to the current Parts и Аксессуары Bulletin with Subject "EMM Replacement" Or, refer to "EMM & ECU Order Info" in current P&A Catalog (EMM, 250HP. Refer to the current Parts and Accessories Bulletin with Subject "EMM Replacement" Or, refer to "EMM & ECU Order Info" in current P&A Catalog) | нет в наличии, поставок нет |
| 3 | 0586518 | (последний код) EMM AY (QIPL) | нет в наличии, поставок нет |
| 4 | 0316245 | *Струбцина, leads to case (CLAMP, leads to case) | нет в наличии, поставок нет |
| 4 | 0330257 | (последний код) CLAMP | нет в наличии, поставок нет |
| 5 | 0328714 | *Винт зажима to EMM (SCREW, Clamp to EMM) | нет в наличии, поставок нет |
| 5 | 0204027 | (последний код) SCREW | нет в наличии, поставок нет |
| 6 | 0330272 | *FITTING, EMM water (FITTING, EMM water) | нет в наличии, поставок нет |
| 7 | 0204363 | *Клемма, Кольцо - Заземление (TERMINAL, Ring - ground) | нет в наличии, поставок нет |
| 7 | 3852038 | (последний код) TERMINAL,RIN | нет в наличии, поставок нет |
| 8 | 0317893 | *Крепёжный хомут (TIE STRAP) | нет в наличии, поставок нет |
| 8 | 3852149 | (последний код) TIE-STRAP | нет в наличии, поставок нет |
| 9 | 0320107 | *Крепёжный хомут (TIE STRAP) | нет в наличии, поставок нет |
| 9 | 5035626 | (последний код) BAND,REM CON | нет в наличии, поставок нет |
| 10 | 0513663 | *Коннектор, 2 Socket (CONNECTOR, 2 Socket) | нет в наличии, поставок нет |
| 10 | 3852249 | (последний код) CONN,2-CONT | нет в наличии, поставок нет |
| 11 | 0513665 | *Заглушка, Сальник (PLUG, Seal) | нет в наличии, поставок нет |
| 11 | 3852251 | (последний код) PLUG,CONN SEAL | нет в наличии, поставок нет |
| 12 | 0513666 | *Клемма, Blade (TERMINAL, Blade) | нет в наличии, поставок нет |
| 12 | 3852252 | (последний код) TERMINAL,BLA | нет в наличии, поставок нет |
| 13 | 0514158 | *Клемма, Кольцо (TERMINAL, Ring) | нет в наличии, поставок нет |
| 13 | 0511519 | (последний код) TERMINAL | нет в наличии, поставок нет |
| 14 | 5004456 | *FUSIBLE Соединитель KIT, AUX BATTERY (FUSIBLE LINK KIT, AUX BATTERY) | нет в наличии, поставок нет |
| 15 | 0338558 | Проставка, Фланецd, EMM Крепление (SPACER, Flanged, EMM mount) | нет в наличии, поставок нет |
| 16 | 0333710 | Винт, EMM (SCREW, EMM) | нет в наличии, поставок нет |
| 16 | 0332012 | (последний код) SCREW | нет в наличии, поставок нет |
| 17 | 0328703 | Шайба, EMM (WASHER, EMM) | нет в наличии, поставок нет |
| 17 | 3852184 | (последний код) WASHER | нет в наличии, поставок нет |
| 18 | 0333040 | ISOLATOR, EMM (ISOLATOR, EMM) | нет в наличии, поставок нет |
| 19 | 0347034 | Шланг, Пароотделитель to EMM (HOSE, Vapor separator to EMM) | нет в наличии, поставок нет |
| 19 | 0345236 | (последний код) HOSE | нет в наличии, поставок нет |
| 20 | 0350136 | Шланг, EMM to Крышка Пластина (HOSE, EMM to cover plate) | нет в наличии, поставок нет |
| 21 | 5001347 | Диафрагма & Шланг в сборе, Выхлоп (DIAPHRAGM & HOSE Assy, Exhaust) | нет в наличии, поставок нет |
| 22 | 0339746 | *Шланг, Диафрагма to EMM (HOSE, Diaphragm to EMM) | нет в наличии, поставок нет |
| 23 | 0350338 | *Шланг, Exh pressure to Диафрагма (HOSE, Exh pressure to diaphragm) | нет в наличии, поставок нет |
| 24 | 0346930 | *Струбцина, 9.5 мм (CLAMP, 9.5mm) | нет в наличии, поставок нет |
| 25 | 0346931 | *Струбцина, 14 мм (CLAMP, 14mm) | нет в наличии, поставок нет |
| 26 | 0586452 | Датчик в сборе, Кривошип position (SENSOR Assy, Crank position) | нет в наличии, поставок нет |
| 27 | 0346466 | Кронштейн, CPS (BRACKET, CPS) | нет в наличии, поставок нет |
| 28 | 0328725 | Винт, CPS Крепление (SCREW, CPS mount) | нет в наличии, поставок нет |
| 28 | 3852187 | (последний код) SCREW | нет в наличии, поставок нет |
| 29 | 0329217 | Винт, CPS to Кронштейн (SCREW, CPS to bracket) | нет в наличии, поставок нет |
| 29 | 0333707 | (последний код) SCREW | нет в наличии, поставок нет |
| 30 | 0586571 | Статор в сборе (STATOR Assy) | нет в наличии, поставок нет |
| 30 | 0586950 | (последний код) STATOR AY,SWITCHER | нет в наличии, поставок нет |
| 31 | 0317893 | *Крепёжный хомут (TIE STRAP) | нет в наличии, поставок нет |
| 31 | 3852149 | (последний код) TIE-STRAP | нет в наличии, поставок нет |
| 32 | 0320107 | Крепёжный хомут (TIE STRAP) | нет в наличии, поставок нет |
| 32 | 5035626 | (последний код) BAND,REM CON | нет в наличии, поставок нет |
| 33 | 0514680 | *Клемма, Socket (TERMINAL, Socket) | нет в наличии, поставок нет |
| 34 | 0514690 | *Заглушка, Сальник (PLUG, Seal) | нет в наличии, поставок нет |
| 35 | 3010861 | *Гильза (SLEEVE) | нет в наличии, поставок нет |
| 36 | 3010885 | *Коннектор, 12 Штифт (CONNECTOR, 12 Pin) | нет в наличии, поставок нет |
| 37 | 3011034 | **Сальник (SEAL) | нет в наличии, поставок нет |
| 38 | 3010959 | *LOCKWEDGE, 12 Штифт (LOCKWEDGE, 12 Pin) | нет в наличии, поставок нет |
| 39 | 3011030 | *Коннектор, 8 Штифт (CONNECTOR, 8 Pin) | нет в наличии, поставок нет |
| 40 | 3011033 | **Сальник (SEAL) | нет в наличии, поставок нет |
| 41 | 3011031 | *LOCKWEDGE, 8 Штифт (LOCKWEDGE, 8 Pin) | нет в наличии, поставок нет |
| 42 | 0306311 | Шайба с блокировкой, Статор Винт (LOCK WASHER, Stator screw) | нет в наличии, поставок нет |
| 43 | 0343525 | Винт, Статор Креплениеing (SCREW, Stator mounting) | нет в наличии, поставок нет |
| 44 | 0347236 | Кронштейн, Колпачокacitor (BRACKET, Capacitor) | нет в наличии, поставок нет |
| 45 | 0332226 | Винт зажима to Кронштейн (SCREW, Clamp to bracket) | нет в наличии, поставок нет |
| 45 | 3852207 | (последний код) SCREW | нет в наличии, поставок нет |
| 46 | 0333710 | Винт, Колпачокacitor Монтажный кронштейн (SCREW, Capacitor mount bracket) | нет в наличии, поставок нет |
| 46 | 0332012 | (последний код) SCREW | нет в наличии, поставок нет |
| 47 | 0328703 | Шайба (WASHER) | нет в наличии, поставок нет |
| 47 | 3852184 | (последний код) WASHER | нет в наличии, поставок нет |
| 48 | 0333040 | ISOLATOR (ISOLATOR) | нет в наличии, поставок нет |
| 49 | 0338558 | Проставка, Фланецd (SPACER, Flanged) | нет в наличии, поставок нет |
| 50 | 0514891 | Струбцина, Колпачокacitor (CLAMP, Capacitor) | нет в наличии, поставок нет |
| 51 | 0586754 | POWER DISTRIBUTION PANEL (POWER DISTRIBUTION PANEL) | нет в наличии, поставок нет |
| 51 | 0586379 | (последний код) HSG&CVR AY,FU&RLY | нет в наличии, поставок нет |
| 52 | 0345004 | *Сальник, Крышка (SEAL, Cover) | нет в наличии, поставок нет |
| 53 | 3853299 | *Прокладка, Коннектор (GASKET, Connector) | нет в наличии, поставок нет |
| 53 | 0914634 | (последний код) GASKET,CONNECTOR | нет в наличии, поставок нет |
| 54 | 0586300 | *Крышка в сборе (COVER Assy) | нет в наличии, поставок нет |
| 55 | 0514766 | **Предохранитель, 10 AMP, spare (FUSE, 10 AMP, spare) | нет в наличии, поставок нет |
| 56 | 0345005 | **Предохранитель, Съёмник (FUSE, Puller) | нет в наличии, поставок нет |
| 57 | 0344233 | **Винт (SCREW) | нет в наличии, поставок нет |
| 58 | 0586224 | *Реле в сборе (RELAY Assy) | 1 шт | 2730 руб. |
| 58 | 3857533 | (последний код) RELAY AY | нет в наличии, поставок нет |
| 59 | 0514766 | *Предохранитель, 10 AMP (FUSE, 10 AMP) | нет в наличии, поставок нет |
| 60 | 0328649 | Винт, Предохранитель & Реле to Кронштейн (SCREW, Fuse & relay to bracket) | нет в наличии, поставок нет |
| 60 | 0337541 | (последний код) SCREW | нет в наличии, поставок нет |
| 61 | 0328701 | Шайба с блокировкой, Coil (LOCK WASHER, Coil) | нет в наличии, поставок нет |
| 61 | 3852182 | (последний код) WASHER,LOCK | нет в наличии, поставок нет |
| 62 | 0328703 | плоский Шайба, Coil Креплениеing (FLAT WASHER, Coil mounting) | нет в наличии, поставок нет |
| 62 | 3852184 | (последний код) WASHER | нет в наличии, поставок нет |
| 63 | 0586749 | Катушка в сборе, Single (COIL Assy, Single) | нет в наличии, поставок нет |
| 64 | 0514679 | *Клемма, Штифт (TERMINAL, Pin) | нет в наличии, поставок нет |
| 65 | 0586745 | Катушка в сборе, Dual (COIL Assy, Dual) | нет в наличии, поставок нет |
| 66 | 0514679 | *Клемма, Штифт (TERMINAL, Pin) | нет в наличии, поставок нет |
| 67 | 0 | **Трубопровод, Гильза - Primary leads. (сокращёная длина from P / N 3011044.) (TUBING, Sleeve - Primary leads. (Cut to length from P/N 3011044.)) | нет в наличии, поставок нет |
| 68 | 0514682 | LOCKWEDGE (LOCKWEDGE) | нет в наличии, поставок нет |
| 69 | 0514686 | Коннектор, 3 Штифт (CONNECTOR, 3 Pin) | нет в наличии, поставок нет |
| 70 | 0514789 | *Сальник (SEAL) | нет в наличии, поставок нет |
| 71 | 0331025 | Винт, Coil Креплениеing (SCREW, Coil mounting) | нет в наличии, поставок нет |
| 71 | 0308751 | (последний код) SCREW | нет в наличии, поставок нет |
| 72 | 5005810 | LEAD в сборе, Свеча зажигания (LEAD Assy, Spark plug) | нет в наличии, поставок нет |
| 72 | 5004960 | (последний код) LEAD AY,H/T-SUPP | нет в наличии, поставок нет |
| 73 | 0350056 | Фиксатор, High tension leads / инжектор (RETAINER, High tension leads / injector) | нет в наличии, поставок нет |
| 74 | 0350055 | Фиксатор, High tension leads (RETAINER, High tension leads) | нет в наличии, поставок нет |
| 75 | 0318322 | Крепёжный хомут (TIE STRAP) | нет в наличии, поставок нет |
| 76 | 0586546 | MODULE, Фильтр (MODULE, Filter) | нет в наличии, поставок нет |
| 76 | 0586550 | (последний код) PC BOARD & COMP AY | нет в наличии, поставок нет |
| 77 | 0317893 | *Крепёжный хомут (TIE STRAP) | нет в наличии, поставок нет |
| 77 | 3852149 | (последний код) TIE-STRAP | нет в наличии, поставок нет |
| 78 | 0514679 | *Клемма, Штифт (TERMINAL, Pin) | нет в наличии, поставок нет |
| 79 | 0514696 | *Коннектор, 2 Штифт (CONNECTOR, 2 Pin) | нет в наличии, поставок нет |
| 80 | 0514697 | *LOCKWEDGE, 2 Штифт (LOCKWEDGE, 2 Pin) | нет в наличии, поставок нет |
| 81 | 0510818 | *Клемма, Кольцо (TERMINAL, Ring) | нет в наличии, поставок нет |
| 81 | 3854243 | (последний код) TERMINAL,RIN | нет в наличии, поставок нет |
| 82 | 0349993 | Кронштейн фильтра в сборе to c / c (BRACKET, Filter assy to c/c) | нет в наличии, поставок нет |
| 83 | 0324334 | Винт, Фильтр в сборе to Кронштейн (SCREW, Filter assy to bracket) | нет в наличии, поставок нет |
| 83 | 0302820 | (последний код) SCREW | нет в наличии, поставок нет |
| 84 | 0586842 | SOLENOID (SOLENOID) | нет в наличии, поставок нет |
| 84 | 3853839 | (последний код) SOLENOID AY | нет в наличии, поставок нет |
| 85 | 0306556 | Гайка, Small (NUT, Small) | нет в наличии, поставок нет |
| 85 | 3852064 | (последний код) NUT | нет в наличии, поставок нет |
| 86 | 0328701 | Шайба с блокировкой (LOCK WASHER) | нет в наличии, поставок нет |
| 86 | 3852182 | (последний код) WASHER,LOCK | нет в наличии, поставок нет |
| 87 | 0335200 | Винт, Solenoid (SCREW, Solenoid) | нет в наличии, поставок нет |
| 87 | 3852212 | (последний код) SCREW | нет в наличии, поставок нет |
| 88 | 0338558 | Проставка, Solenoid Кронштейн (SPACER, Solenoid bracket) | нет в наличии, поставок нет |
| 89 | 0328703 | Шайба, Solenoid Кронштейн (WASHER, Solenoid bracket) | нет в наличии, поставок нет |
| 89 | 3852184 | (последний код) WASHER | нет в наличии, поставок нет |
| 90 | 0328701 | Шайба, Solenoid (WASHER, Solenoid) | нет в наличии, поставок нет |
| 90 | 3852182 | (последний код) WASHER,LOCK | нет в наличии, поставок нет |
| 91 | 0321472 | Гайка, Large (NUT, Large) | нет в наличии, поставок нет |
| 91 | 0308067 | (последний код) NUT | нет в наличии, поставок нет |
| 92 | 0331259 | Шайба с блокировкой, Large (LOCK WASHER, Large) | нет в наличии, поставок нет |
| 93 | 0304454 | Шайба с блокировкой, Small (LOCK WASHER, Small) | нет в наличии, поставок нет |
| 94 | 0333040 | ISOLATOR, Solenoid Кронштейн (ISOLATOR, Solenoid bracket) | нет в наличии, поставок нет |
| 95 | 0376349 | LEAD, Solenoid Заземление (LEAD, Solenoid ground) | нет в наличии, поставок нет |
| 96 | 0514158 | *Клемма, Кольцо (TERMINAL, Ring) | нет в наличии, поставок нет |
| 96 | 0511519 | (последний код) TERMINAL | нет в наличии, поставок нет |
| 97 | 0324334 | Винт, Solenoid Кронштейн (SCREW, Solenoid bracket) | нет в наличии, поставок нет |
| 97 | 0302820 | (последний код) SCREW | нет в наличии, поставок нет |
| 98 | 0346784 | Кронштейн, Solenoid (BRACKET, Solenoid) | нет в наличии, поставок нет |
| 99 | 0335200 | Винт, Auxiliary battery lead (SCREW, Auxiliary battery lead) | нет в наличии, поставок нет |
| 99 | 3852212 | (последний код) SCREW | нет в наличии, поставок нет |
| 100 | 0320107 | Крепёжный хомут (TIE STRAP) | нет в наличии, поставок нет |
| 100 | 5035626 | (последний код) BAND,REM CON | нет в наличии, поставок нет |
| 101 | 0386721 | LEAD, Solenoid to Стартер (LEAD, Solenoid to starter) | нет в наличии, поставок нет |
| 101 | 0388246 | (последний код) CABLE & COVER | нет в наличии, поставок нет |
| 102 | 0303701 | Шайба, Винт neg battery lead (WASHER, Screw neg battery lead) | нет в наличии, поставок нет |
| 103 | 0332226 | Винт, Neg bat lead to PDP brkt (SCREW, Neg bat lead to PDP brkt) | нет в наличии, поставок нет |
| 103 | 3852207 | (последний код) SCREW | нет в наличии, поставок нет |
| 104 | 0584348 | Кабель аккумулятора (BATTERY CABLE) | нет в наличии, поставок нет |
| 104 | 0396145 | (последний код) BATTERY-CABL | нет в наличии, поставок нет |
| 105 | 0330151 | Струбцина, EMM Шланг & Проводs (CLAMP, EMM hose & wires) | нет в наличии, поставок нет |
| 105 | 3852199 | (последний код) CLAMP,"J" | нет в наличии, поставок нет |
| 106 | 0303701 | LOCKШайба (LOCKWASHER) | нет в наличии, поставок нет |
| 107 | 0333673 | Винт, Кронштейн to c / c (SCREW, Bracket to c/c) | нет в наличии, поставок нет |
| 107 | 0332226 | (последний код) SCREW | нет в наличии, поставок нет |
| 108 | 0350936 | BRACE, CPS Кронштейн (BRACE, CPS bracket) | нет в наличии, поставок нет |
| 109 | 0328725 | Винт, CPS Кронштейн brace (SCREW, CPS bracket brace) | нет в наличии, поставок нет |
| 109 | 3852187 | (последний код) SCREW | нет в наличии, поставок нет |