вконтакте

Контактный телефон: +7 (981) 121-46-93, +7 (800) 200-90-76 , Email: parts-katalog@yandex.ru, где купить

 
 

  Логин:

Пароль:

Регистрация

www.partskatalog.ru Все каталоги Запчасти Mercury Запчасти Suzuki Запчасти Tohatsu Запчасти Honda Контакты


Все разделы каталога запчастей на этот двигатель

назад Раздел:   вперёд

вернуться к списку узлов и деталей

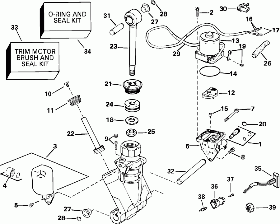
ДЕТАЛИРОВКА ДЛЯ МОДЕЛИ: EVINRUDE E175FSLSOE

МЕХАНИЗИРОВАННЫЙ ДИФФЕРЕНТ НАКЛОНА HYDRAULIC ASSEMBLY | POWER TRIM/TILT HYDRAULIC ASSEMBLY;


Подвесной двигатель EVINRUDE E175FSLSOE  - wer Trim/tilt Hydraulic Assembly / wer Trim / tilt Hydraulic Assembly

Номер на
рисунке
АртикулНаименованиеКол-во
на складе
Цена
5005113

HYDRAULIC в сборе (HYDRAULIC Assy)

нет в наличии, поставок нет
0439934

   (последний код) HYDRAULIC AY

нет в наличии, поставок нет
1 0435340

*ручной RELEASE Клапан & Сальник в сборе (MANUAL RELEASE VALVE & SEAL Assy)

нет в наличии, поставок нет
2 0337494

*Винт, Motor to Коллектор (SCREW, Motor to manifold)

нет в наличии, поставок нет
3 0435341

*Резервуар & Колпачок в сборе (RESERVOIR & CAP Assy)

нет в наличии, поставок нет
4 0435342

**Колпачок & Уплотнительное кольцо в сборе (CAP & O-RING Assy)

нет в наличии, поставок нет
5 0336746

*Винт, Резервуар to Коллектор (SCREW, Reservoir to manifold)

нет в наличии, поставок нет
6 0435343

*Клапан Корпус в сборе (VALVE BODY Assy)

нет в наличии, поставок нет
7 0337495

*Винт, Клапан Корпус, long (SCREW, Valve body, long)

нет в наличии, поставок нет
8 0337517

*Винт, Клапан Корпус, short (SCREW, Valve body, short)

нет в наличии, поставок нет
9 0337530

*Заглушка & SCREEN (PLUG & SCREEN)

нет в наличии, поставок нет
10 0337496

*THRUST PAD (THRUST PAD)

нет в наличии, поставок нет
11 0435345

*TRIM Тяга END Колпачок & Сальник в сборе (TRIM ROD END CAP & SEAL Assy)

нет в наличии, поставок нет
12 0337497

*Фильтр в сборе (FILTER Assy)

нет в наличии, поставок нет
13 0439937

*MOTOR & Уплотнительное кольцо в сборе (MOTOR & O-RING Assy)

нет в наличии, поставок нет
13 5005254

   (последний код) MOTOR & O-RING AY

нет в наличии, поставок нет
14 0321163

**Уплотнительное кольцо (O-RING)

нет в наличии, поставок нет
14 3852166

   (последний код) O-RING

нет в наличии, поставок нет
15 0914053

**DRIVE, Помпа (DRIVE, Pump)

нет в наличии, поставок нет
15 3852982

   (последний код) COUPLING,PUM

нет в наличии, поставок нет
16 3010063

**Сальник провода (SEAL, Wire)

нет в наличии, поставок нет
17 0514823

**Клемма (TERMINAL)

нет в наличии, поставок нет
18 0324385

*Шайба (WASHER)

нет в наличии, поставок нет
18 0337535

   (последний код) WASHER,TILT

нет в наличии, поставок нет
19 0435261

*Струбцина & Винт в сборе (CLAMP & SCREW Assy)

нет в наличии, поставок нет
20 0914069

*Стопорное кольцо (RETAINING RING)

нет в наличии, поставок нет
20 3852997

   (последний код) RETAINING RING

нет в наличии, поставок нет
21 0390006

*Колпачок в сборе (CAP Assy)

нет в наличии, поставок нет
22 0436389

*TRIM Тяга (TRIM ROD)

нет в наличии, поставок нет
23 0436390

*Тяга и EYE (ROD AND EYE)

нет в наличии, поставок нет
24 0435263

*Поршень в сборе (PISTON Assy)

нет в наличии, поставок нет
25 0324390

*Гайка (NUT)

нет в наличии, поставок нет
25 0337536

   (последний код) NUT,WASHER-C

нет в наличии, поставок нет
26 0513816

Гильза, Trim motor & sending unit leads (SLEEVE, Trim motor & sending unit leads)

нет в наличии, поставок нет
27 0335479

Втулка, верх и низ Крепление (BUSHING, Upper & lower mount)

нет в наличии, поставок нет
28 0336534

Стопорное кольцо (RETAINING RING)

нет в наличии, поставок нет
29 0512258

Гильза, Motor leads (SLEEVE, Motor leads)

нет в наличии, поставок нет
29 0512774

   (последний код) SLEEVE

нет в наличии, поставок нет
30 3010049

Коннектор, Motor (CONNECTOR, Motor)

нет в наличии, поставок нет
31 0335480

Штифт, Цилиндр наклона (PIN, Tilt cylinder)

нет в наличии, поставок нет
32 0335463

Тяга, нижний Крепление (ROD, Lower mount)

нет в наличии, поставок нет
33 0585229

Щётка & Комплект сальников, Trim motor (BRUSH & SEAL KIT, Trim motor)

1 шт29600 руб.
34 0434519

Уплотнительное кольцо & Комплект сальников (O-RING & SEAL KIT)

нет в наличии, поставок нет
35 0586074

Переключатель в сборе, Trim & tilt Нижняя часть корпуса (SWITCH Assy, Trim & tilt lower cover)

нет в наличии, поставок нет
36 0514686

*Коннектор, 3-Штифт (CONNECTOR, 3-pin)

нет в наличии, поставок нет
37 0514679

*Клемма, Штифт (TERMINAL, Pin)

нет в наличии, поставок нет
38 0514682

*LOCK WEDGE (LOCK WEDGE)

нет в наличии, поставок нет
39 0334656

Гайка, Переключатель (NUT, Switch)

нет в наличии, поставок нет
evinrude

Время выполнения запроса 0.72144889831543 сек.


 
 

данный сайт носит информационный характер и не является публичной офертой

склад запчастей для водомоторной техники