вконтакте

Контактный телефон: +7 (981) 121-46-93, +7 (800) 200-90-76 , Email: parts-katalog@yandex.ru, где купить

 
 

  Логин:

Пароль:

Регистрация

www.partskatalog.ru Все каталоги Запчасти Mercury Запчасти Suzuki Запчасти Tohatsu Запчасти Honda Контакты


Все разделы каталога запчастей на этот двигатель

назад Раздел:   вперёд

вернуться к списку узлов и деталей

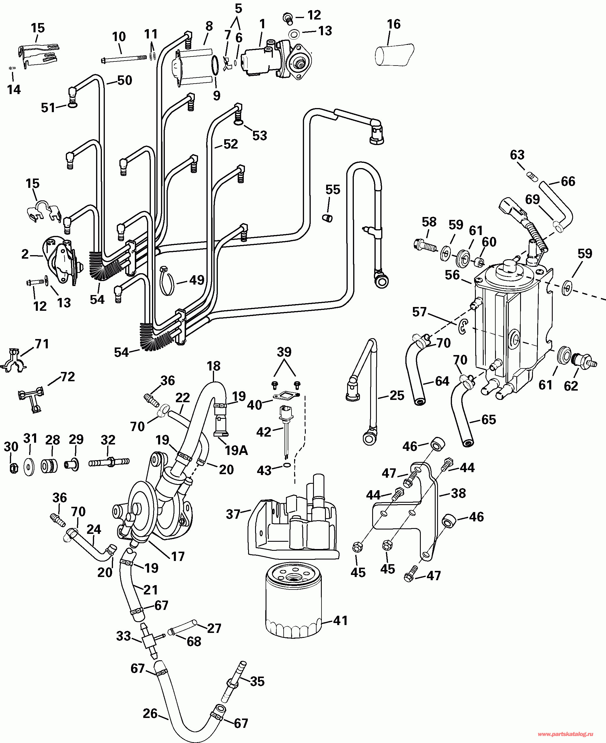
ДЕТАЛИРОВКА ДЛЯ МОДЕЛИ: EVINRUDE E200FPLSRB

ТОПЛИВНАЯ СИСТЕМА | FUEL SYSTEM;


Подвесной двигатель Эвинруд E200FPLSRB  - el System - el System

Номер на
рисунке
АртикулНаименованиеКол-во
на складе
Цена
1 5005196

инжектор в сборе, Port (INJECTOR Assy, Port)

нет в наличии, поставок нет
1 5004501

   (последний код) INJ AY,FUEL-PORT

нет в наличии, поставок нет
2 5005197

инжектор в сборе, Stbd (INJECTOR Assy, Stbd)

нет в наличии, поставок нет
2 5004502

   (последний код) INJ AY,FUEL-STBD

нет в наличии, поставок нет
5 5001911

*Пружина, BUTTON Уплотнительное кольцо в сборе (SPRING, BUTTON O-RING Assy)

нет в наличии, поставок нет
5 5001720

   (последний код) SPRING & BUTTON AY

нет в наличии, поставок нет
6 0348496

**Уплотнительное кольцо (O-RING)

нет в наличии, поставок нет
6 0348104

   (последний код) O-RING

нет в наличии, поставок нет
7 5001901

**Пружина & BUTTON в сборе (SPRING & BUTTON Assy)

нет в наличии, поставок нет
8 5004270

*Колпачок & Гильза в сборе (CAP & Sleeve Assy)

нет в наличии, поставок нет
9 0348107

*Уплотнительное кольцо (O-RING)

нет в наличии, поставок нет
10 0349870

*Винт, инжектор to Адаптер (SCREW, Injector to adaptor)

нет в наличии, поставок нет
10 0352699

   (последний код) SCREW, INJ-ADPTR

нет в наличии, поставок нет
11 0348224

*Шайба, инжектор to Адаптер (WASHER, Injector to adaptor)

нет в наличии, поставок нет
12 0349272

*Винт, инжектор to cyl head (SCREW, Injector to cyl head)

нет в наличии, поставок нет
13 0318941

*Шайба, инжектор to cyl head (WASHER, Injector to cyl head)

нет в наличии, поставок нет
14 0349090

Винт (SCREW)

нет в наличии, поставок нет
15 0349080

Фиксатор, Fuel line to инжектор (RETAINER, Fuel line to injector)

нет в наличии, поставок нет
16 0349424

Гильза, #1 инжектор (SLEEVE, #1 Injector)

нет в наличии, поставок нет
17 5001513

LIFT Топливный насос, в сборе (LIFT PUMP Assy, Fuel)

нет в наличии, поставок нет
5004687

*Шланг в сборе, Помпа to Фильтр. Not Shown; (HOSE Assy, Pump to filter. Not Shown;)

нет в наличии, поставок нет
18 0349511

**Шланг, Помпа to Фильтр (HOSE, Pump to filter)

нет в наличии, поставок нет
19 0348839

**Струбцина, 17.0 мм (CLAMP, 17.0mm)

нет в наличии, поставок нет
19A 5005459

**Коннектор в сборе (CONNECTOR Assy)

нет в наличии, поставок нет
20 0346786

*Струбцина, 15.7 мм (CLAMP, 15.7mm)

нет в наличии, поставок нет
21 0345714

*Шланг, Tee to Помпа (HOSE, Tee to pump)

нет в наличии, поставок нет
22 0345612

*Шланг, верхний c / c pulse (HOSE, Upper c/c pulse)

нет в наличии, поставок нет
24 0331683

*Шланг, нижний c / c pulse (HOSE, Lower c/c pulse)

нет в наличии, поставок нет
24 0331769

   (последний код) HOSE

нет в наличии, поставок нет
25 0439947

Коннектор & Трубка в сборе, Фильтр (CONNECTOR & TUBE Assy, Filter)

нет в наличии, поставок нет
26 0

Топливный шланг in to tee 26 дюйм (66cm) сокращёная длина from P / N 125115 (HOSE, Fuel in to tee 26 in. (66cm). Cut to length from P/N 125115)

нет в наличии, поставок нет
27 0

Масляный шланг выход to tee. сокращёная длина from P / N 772571 (HOSE, Oil outlet to tee. Cut to length from P/N 772571)

нет в наличии, поставок нет
28 0333040

ISOLATOR, Кронштейн Креплениеing (ISOLATOR, Bracket mounting)

нет в наличии, поставок нет
29 0338558

Проставка, Fuel Кронштейн (SPACER, Fuel bracket)

нет в наличии, поставок нет
30 0313022

LOCKГайка (LOCKNUT)

нет в наличии, поставок нет
30 3852118

   (последний код) NUT,LOCK

нет в наличии, поставок нет
31 0328703

Шайба, Lift Помпа Кронштейн (WASHER, Lift pump bracket)

нет в наличии, поставок нет
31 3852184

   (последний код) WASHER

нет в наличии, поставок нет
32 0345707

Шпилька (STUD)

нет в наличии, поставок нет
33 0345701

TEE, Fuel вход (TEE, Fuel inlet)

нет в наличии, поставок нет
35 0348939

Топливный коннектор (CONNECTOR, Fuel)

нет в наличии, поставок нет
36 0345702

FITTING, Pulse Шлангs to c / c (FITTING, Pulse hoses to c/c)

нет в наличии, поставок нет
37 5001252

Фильтр Корпус в сборе, Fuel (FILTER HOUSING Assy, Fuel)

нет в наличии, поставок нет
38 0345169

Кронштейн фильтра Корпус to c / c (BRACKET, Filter housing to c/c)

нет в наличии, поставок нет
39 0336481

*Винт, Датчик Фиксатор (SCREW, Sensor retainer)

нет в наличии, поставок нет
40 0344609

*Фиксатор, Датчик (RETAINER, Sensor)

нет в наличии, поставок нет
41 0502906

*Топливный фильтр (FILTER, Fuel)

нет в наличии, поставок нет
41 5009676

   (последний код) FILTER AY,FUEL

нет в наличии, поставок нет
42 5001502

*WATER Датчик в сборе (WATER SENSOR Assy)

нет в наличии, поставок нет
42 0439926

   (последний код) SENSOR AY

нет в наличии, поставок нет
43 3850819

**Уплотнительное кольцо, Water Датчик (O-RING, Water sensor)

нет в наличии, поставок нет
43 0915352

   (последний код) O-RING

нет в наличии, поставок нет
44 0332026

Винт, Фильтр Корпус to Кронштейн (SCREW, Filter housing to bracket)

нет в наличии, поставок нет
44 0319294

   (последний код) SCREW

нет в наличии, поставок нет
45 0313022

LOCKГайка (LOCKNUT)

нет в наличии, поставок нет
45 3852118

   (последний код) NUT,LOCK

нет в наличии, поставок нет
46 0345756

Проставка, Кронштейн lift Помпа to c / c (SPACER, Bracket lift pump to c/c)

нет в наличии, поставок нет
47 0333710

Винт, Кронштейн lift Помпа to c / c (SCREW, Bracket lift pump to c/c)

нет в наличии, поставок нет
47 0332012

   (последний код) SCREW

нет в наличии, поставок нет
49 0320107

Крепёжный хомут (TIE STRAP)

нет в наличии, поставок нет
49 5035626

   (последний код) BAND,REM CON

нет в наличии, поставок нет
50 5004986

*Коллектор в сборе., Fuel feed (MANIFOLD Assy., Fuel feed)

нет в наличии, поставок нет
51 0344828

**Уплотнительное кольцо, чёрный (O-RING, Black)

нет в наличии, поставок нет
52 5005413

*Коллектор в сборе., Fuel return (MANIFOLD Assy., Fuel return)

нет в наличии, поставок нет
52 5005410

   (последний код) MANIFOLD AY,FUEL

нет в наличии, поставок нет
53 0343585

**Уплотнительное кольцо, коричневый (O-RING, Brown)

нет в наличии, поставок нет
54 0

Трубопровод, Convoluted. сокращёная длина from P / N 348472 (TUBING, Convoluted. Cut to length from P/N 348472)

нет в наличии, поставок нет
56 5004429

Резервуар & Помпа (RESERVOIR & PUMP)

нет в наличии, поставок нет
56 0439712

   (последний код) RSVR&PUMP AY,FUEL

нет в наличии, поставок нет
57 0510487

Стопорное кольцо (RETAINING RING)

нет в наличии, поставок нет
58 0302325

Винт, Пароотделитель to block (SCREW, Vapor separator to block)

нет в наличии, поставок нет
59 0328700

Шайба, Пароотделитель Креплениеing (WASHER, Vapor separator mounting)

нет в наличии, поставок нет
59 0331250

   (последний код) WASHER

нет в наличии, поставок нет
60 0335328

Проставка, Пароотделитель (SPACER, Vapor separator)

нет в наличии, поставок нет
61 0329518

Пыльник пароотделителя mtng (GROMMET, Vapor separator mtng)

нет в наличии, поставок нет
61 3852195

   (последний код) GROMMET

нет в наличии, поставок нет
62 0344848

Шпилька, Пароотделитель to block (STUD, Vapor separator to block)

нет в наличии, поставок нет
63 0324005

Рестриктор, 0.020" дюйм vent Шланг (RESTRICTOR, 0.020" in. vent hose)

нет в наличии, поставок нет
64 0347034

Водяной шланг in-separator (HOSE, Water in-separator)

нет в наличии, поставок нет
64 0345236

   (последний код) HOSE

нет в наличии, поставок нет
65 0333395

Водяной шланг out-separator (HOSE, Water out-separator)

нет в наличии, поставок нет
65 0320572

   (последний код) HOSE-FUEL-PU

нет в наличии, поставок нет
66 0345529

Шланг, Vapor sep- to Система впуска, #4 vent (HOSE, Vapor sep- to intake, #4 vent)

нет в наличии, поставок нет
67 0346150

Струбцина, 18.5 мм (CLAMP, 18.5mm)

нет в наличии, поставок нет
68 0348838

Струбцина, 10.5 мм (CLAMP, 10.5mm)

нет в наличии, поставок нет
69 0318322

Крепёжный хомут (TIE STRAP)

нет в наличии, поставок нет
70 0320107

Крепёжный хомут (TIE STRAP)

нет в наличии, поставок нет
70 5035626

   (последний код) BAND,REM CON

нет в наличии, поставок нет
71 0350055

Фиксатор, High tension leads (RETAINER, High tension leads)

нет в наличии, поставок нет
72 0350056

Фиксатор, High tension leads / инжектор (RETAINER, High tension leads / injector)

нет в наличии, поставок нет
evinrude

Время выполнения запроса 2.4603929519653 сек.


 
 

данный сайт носит информационный характер и не является публичной офертой

склад запчастей для водомоторной техники