вконтакте

Контактный телефон: +7 (981) 121-46-93, +7 (800) 200-90-76 , Email: parts-katalog@yandex.ru, где купить

 
 

  Логин:

Пароль:

Регистрация

www.partskatalog.ru Все каталоги Запчасти Mercury Запчасти Suzuki Запчасти Tohatsu Запчасти Honda Контакты


Все разделы каталога запчастей на этот двигатель

назад Раздел:   вперёд

вернуться к списку узлов и деталей

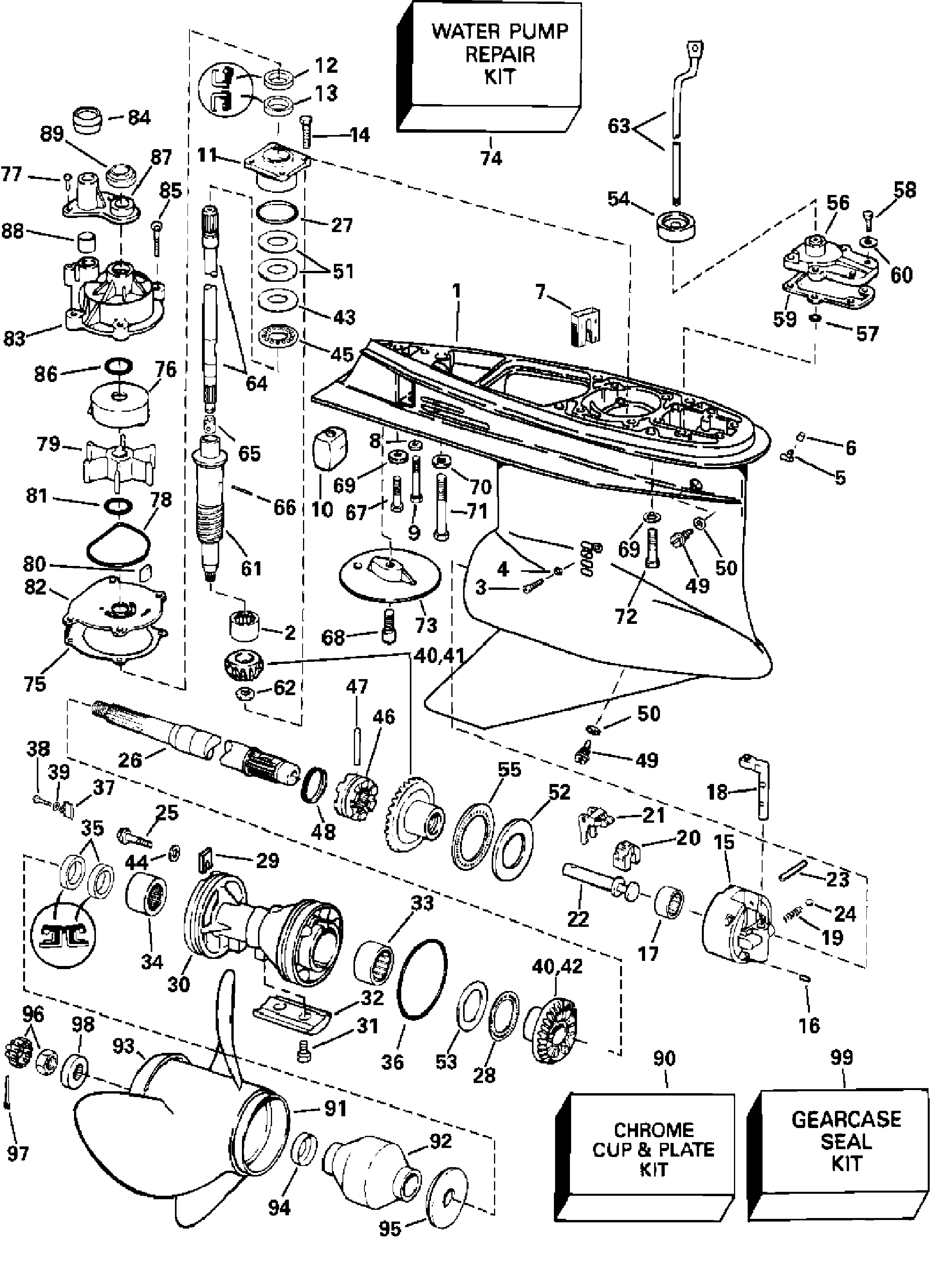
ДЕТАЛИРОВКА ДЛЯ МОДЕЛИ: EVINRUDE E225FPXSTM

РЕДУКТОР - FHL MODEL | GEARCASE - FHL MODEL;


Подвесной мотор Эвинруд E225FPXSTM  - Fhl Model

Номер на
рисунке
АртикулНаименованиеКол-во
на складе
Цена
5004913

Редуктор в сборе, комплект (GEARCASE Assy, Complete)

нет в наличии, поставок нет
5004636

   (последний код) G/CASE AY, V6-.54

нет в наличии, поставок нет
1 5004912

*Редуктор в сборе с подшипником (GEARCASE & BEARING Assy)

нет в наличии, поставок нет
1 5007655

   (последний код) GEARCASE & BRG AY

нет в наличии, поставок нет
2 0387817

**Подшипник, Шестерня (BEARING, Pinion)

нет в наличии, поставок нет
3 0324852

**RETAINING Винт (RETAINING SCREW)

нет в наличии, поставок нет
4 0332584

***Сальник, Шестерня brg Винт. (Contents of Комплект сальников редуктора.) (SEAL, Pinion brg screw. (Contents of GEARCASE SEAL KIT.))

нет в наличии, поставок нет
5 0336535

**FITTING, Pitot Трубка (FITTING, Pitot tube)

7 шт470 руб.
6 0305749

**Колпачок, Pitot Трубка fitting (CAP, Pitot tube fitting)

нет в наличии, поставок нет
7 0350039

**Водяной экран вход (SCREEN, Water inlet)

нет в наличии, поставок нет
8 0307161

**Блокирующая шайба анода (LOCK WASHER, Anode)

нет в наличии, поставок нет
9 0341219

**Винт, Анод (SCREW, Anode)

нет в наличии, поставок нет
10 0436745

**Анод, Редуктор (ANODE, Gearcase)

нет в наличии, поставок нет
10 0393023

   (последний код) ANODE&INSERT AY

нет в наличии, поставок нет
11 0439476

*Подшипник HSG в сборе, Корпус вала передачи (BEARING HSG Assy, Drive shaft)

нет в наличии, поставок нет
11 0438963

   (последний код) HOUSING AY,BEARING

нет в наличии, поставок нет
12 0329922

**Сальник, верхний (Contents of Комплект сальников редуктора.) (SEAL, Upper. (Contents of GEARCASE SEAL KIT.))

нет в наличии, поставок нет
13 0329923

**Сальник, нижний (Contents of Комплект сальников редуктора.) (SEAL, Lower. (Contents of GEARCASE SEAL KIT.))

нет в наличии, поставок нет
14 0317624

*Винт, Корпус to Редуктор (SCREW, Housing to gearcase)

нет в наличии, поставок нет
15 0389455

*Подшипник HSG в сборе, Fwd Шестерня (BEARING HSG Assy, Fwd gear)

нет в наличии, поставок нет
16 0331880

**Штифт, Корпус (PIN, Housing)

нет в наличии, поставок нет
17 0389039

**Подшипник, Fwd Шестерня (BEARING, Fwd gear)

нет в наличии, поставок нет
17 3852223

   (последний код) BEARING-AY,N

нет в наличии, поставок нет
18 0915954

*DETENT, Переключательer (DETENT, Shifter)

нет в наличии, поставок нет
18 0323946

   (последний код) DETENT

нет в наличии, поставок нет
19 0911962

*Фиксатор пружины (SPRING, Detent)

нет в наличии, поставок нет
19 0915955

   (последний код) SPRING

нет в наличии, поставок нет
20 0334163

*CRADLE, Переключательer (CRADLE, Shifter)

5 шт1880 руб.
20 0322900

   (последний код) CRADLE-SHIFT

нет в наличии, поставок нет
21 0322938

*Рычаг переключателя (LEVER, Shift)

нет в наличии, поставок нет
22 0322941

*Переключающий вал (SHAFT, Shift)

нет в наличии, поставок нет
23 0328825

*Штифт, Рычаг переключения (PIN, Shift lever)

нет в наличии, поставок нет
24 0160084

*Шарик, Detent (BALL, Detent)

нет в наличии, поставок нет
24 3852023

   (последний код) BALL

нет в наличии, поставок нет
25 0350271

*Винт, Фиксатор tab (SCREW, Retainer tab)

нет в наличии, поставок нет
25 0341541

   (последний код) SCREW

нет в наличии, поставок нет
26 5004765

*Вал гребного винта (PROPELLER SHAFT)

нет в наличии, поставок нет
26 0436740

   (последний код) SHAFT AY,PROPELLER

нет в наличии, поставок нет
27 0314728

*Уплотнительное кольцо, DriveВал Подшипник hsg. (Contents of Комплект сальников редуктора.) (O-RING, Driveshaft bearing hsg. (Contents of GEARCASE SEAL KIT.))

нет в наличии, поставок нет
27 0354731

   (последний код) O-RING

1 шт850 руб.
28 0382408

*THRUST Подшипник, Reverse Шестерня (THRUST BEARING, Reverse gear)

нет в наличии, поставок нет
29 0333957

*TAB, Фиксатор (TAB, Retainer)

нет в наличии, поставок нет
30 5004257

*Подшипник HSG в сборе, Вал гребного винта (BEARING HSG Assy, Propshaft)

нет в наличии, поставок нет
30 5000605

   (последний код) HSG AY, PROPSHAFT

нет в наличии, поставок нет
31 0908158

**Винт, Анод (SCREW, Anode)

нет в наличии, поставок нет
31 3852050

   (последний код) SCREW

нет в наличии, поставок нет
32 0431708

**Анод, Подшипник Корпус (ANODE, Bearing housing)

нет в наличии, поставок нет
32 0397111

   (последний код) ANODE-AY

нет в наличии, поставок нет
33 0382407

**Игольчатый подшипник в сборе, Front (NEEDLE BEARING Assy, Front)

1 шт5500 руб.
34 0436752

**Игольчатый подшипник в сборе, Rear (NEEDLE BEARING Assy, Rear)

нет в наличии, поставок нет
35 0334950

**Сальник, Prop Вал. (Contents of Комплект сальников редуктора.) (SEAL, Prop shaft. (Contents of GEARCASE SEAL KIT.))

нет в наличии, поставок нет
36 0305123

**Уплотнительное кольцо, Корпус вала гребного винта. (Contents of Комплект сальников редуктора.) (O-RING, Propeller shaft housing. (Contents of GEARCASE SEAL KIT.))

нет в наличии, поставок нет
36 0321119

   (последний код) O-RING,-DLR

нет в наличии, поставок нет
37 0349001

**WEDGE, Вал гребного винта hsg to GC (WEDGE, Propshaft hsg to GC)

нет в наличии, поставок нет
37 0345999

   (последний код) WEDGE

нет в наличии, поставок нет
38 0916070

**Винт, Wedge (SCREW, Wedge)

нет в наличии, поставок нет
38 3853661

   (последний код) SCREW

нет в наличии, поставок нет
39 0345998

**Шайба, Wedge Винт (WASHER, Wedge screw)

нет в наличии, поставок нет
40 5004218

*Шестерня SET, Fwd, Rev, Шестерня (GEAR SET, Fwd, Rev, Pinion)

нет в наличии, поставок нет
40 5001547

   (последний код) GEARSET

нет в наличии, поставок нет
41 5004216

**ШестерняSET, Шестерня, & дляward Шестерня (GEARSET, Pinion, & forward gear)

нет в наличии, поставок нет
41 5004938

   (последний код) GEARSET,V6 FWD&PIN

нет в наличии, поставок нет
42 0336561

**Шестерня обратного хода (GEAR, Reverse)

нет в наличии, поставок нет
43 0327656

*Упорная шайба приводного валаt (THRUST WASHER, Driveshaft)

нет в наличии, поставок нет
43 0314729

   (последний код) THRUST-WASHE

нет в наличии, поставок нет
44 0328743

*Шайба, Tab Винт (WASHER, Tab screw)

нет в наличии, поставок нет
44 3852191

   (последний код) WASHER

нет в наличии, поставок нет
45 0387656

*THRUST Подшипник, DriveВал (THRUST BEARING, Driveshaft)

нет в наличии, поставок нет
45 0383248

   (последний код) BEARING

нет в наличии, поставок нет
46 0337774

*Переключатель собачки сцепления (SHIFTER, Clutch dog)

нет в наличии, поставок нет
46 0910995

   (последний код) SHIFTER

нет в наличии, поставок нет
47 0313448

*Штифт сцепления dog (PIN, Clutch dog)

нет в наличии, поставок нет
48 0324369

*Пружина, Сцепление dog Штифт (SPRING, Clutch dog pin)

нет в наличии, поставок нет
48 0313454

   (последний код) SPRING

нет в наличии, поставок нет
49 0318544

*Винт, Fill & drain. (Contents of Комплект сальников редуктора.) (SCREW, Fill & drain. (Contents of GEARCASE SEAL KIT.))

нет в наличии, поставок нет
49 0912624

   (последний код) SCREW

нет в наличии, поставок нет
50 0311598

**Сальник, Fill & Дренажный винт (SEAL, Fill & drain screw)

нет в наличии, поставок нет
50 3852105

   (последний код) WASHER

нет в наличии, поставок нет
51 0323362

*Регулировочная шайба, 0.003 дюйм (0, 07 мм) (SHIM, 0.003 in. (0,07mm))

нет в наличии, поставок нет
51 0323361

*Регулировочная шайба, 0.004 дюйм (0, 10 мм) (SHIM, 0.004 in. (0,10mm))

нет в наличии, поставок нет
51 0314745

*Регулировочная шайба, 0.005 дюйм (0, 12 мм) (SHIM, 0.005 in. (0,12mm))

нет в наличии, поставок нет
52 0327669

*Упорная шайба, дляward Шестерня (THRUST WASHER, Forward gear)

нет в наличии, поставок нет
52 0324805

   (последний код) THRUST-WASHE

нет в наличии, поставок нет
53 0314731

*THRUST Шайба шестерни заднего хода (THRUST WASHER, Reverse gear)

нет в наличии, поставок нет
54 0321008

*Пыльник, Exh hsg to Переключающая тяга (GROMMET, Exh hsg to shift rod)

нет в наличии, поставок нет
55 0389042

*THRUST BRG, Fwd Шестерня (THRUST BRG, Fwd gear)

нет в наличии, поставок нет
56 5004598

*Крышка & Сальник в сборе, Переключающая тяга (COVER & SEAL Assy, Shift rod)

нет в наличии, поставок нет
56 5006241

   (последний код) COVER AY,SHIFT ROD

нет в наличии, поставок нет
57 0318372

**Уплотнительное кольцо, Переключающая тяга. (Contents of Комплект сальников редуктора.) (O-RING, Shift rod. (Contents of GEARCASE SEAL KIT.))

нет в наличии, поставок нет
58 0302325

*Винт крышки переключающей тяги (SCREW, Shift rod cover)

нет в наличии, поставок нет
59 0324670

*Прокладка, Переключающая тяга Крышка. (Contents of Комплект сальников редуктора.) (GASKET, Shift rod cover. (Contents of GEARCASE SEAL KIT.))

нет в наличии, поставок нет
59 0352165

   (последний код) GASKET

2 шт550 руб.
60 0328702

*Шайба, Переключающая тяга Крышка Винт (WASHER, Shift rod cover screw)

нет в наличии, поставок нет
60 3852183

   (последний код) WASHER

нет в наличии, поставок нет
61 0345905

*DRIVEВал, нижний (DRIVESHAFT, Lower)

нет в наличии, поставок нет
61 0335677

   (последний код) DRIVESHAFT,L

нет в наличии, поставок нет
62 0314730

*Гайка, Шестерня to driveВал (NUT, Pinion to driveshaft)

нет в наличии, поставок нет
63 0329864

Переключающая тяга (SHIFT ROD)

нет в наличии, поставок нет
64 5000614

Приводной вал, верхний (DRIVESHAFT Assy, Upper)

нет в наличии, поставок нет
64 5007671

   (последний код) UPPER D/S KIT 20"

нет в наличии, поставок нет
65 0338504

*Фиксатор приводного вала (RETAINER, Driveshaft)

нет в наличии, поставок нет
66 0311538

*ROLL Штифт, DriveВал (ROLL PIN, Driveshaft)

нет в наличии, поставок нет
67 0330263

Винт, Креплениеing, 3 / 8 дюйм X 3.50 дюйм (SCREW, Mounting, 3/8 in. X 3.50 in.)

нет в наличии, поставок нет
67 0914534

   (последний код) SCREW

нет в наличии, поставок нет
68 0313715

Винт, Пластина трима Крышка (SCREW, Trim tab cover)

нет в наличии, поставок нет
69 0330266

Монтажная шайба Винт, 3 / 8 дюйм (WASHER, Mounting screw, 3/8 in.)

нет в наличии, поставок нет
69 3852200

   (последний код) WASHER

нет в наличии, поставок нет
70 0330265

Монтажная шайба Винт, 7 / 16 дюйм (WASHER, Mounting screw, 7/16 in.)

нет в наличии, поставок нет
71 0331998

Винт, Креплениеing, 7 / 16 дюйм X 3.50 дюйм (SCREW, Mounting, 7/16 in. X 3.50 in.)

нет в наличии, поставок нет
71 0914535

   (последний код) SCREW

нет в наличии, поставок нет
72 0331999

Винт, Креплениеing, 3 / 8 дюйм X 1.75 дюйм (SCREW, Mounting, 3/8 in. X 1.75 in.)

нет в наличии, поставок нет
72 0910457

   (последний код) SCREW

нет в наличии, поставок нет
73 0336284

Крышка, Пластина трима opening (COVER, Trim tab opening)

нет в наличии, поставок нет
74 5001595

Ремкомплект водяного насоса (WATER PUMP REPAIR KIT)

нет в наличии, поставок нет
74 0435929

   (последний код) KIT AY,WATER PUMP

нет в наличии, поставок нет
75 0338484

*Прокладка крыльчатки Пластина. (Contents of Комплект сальников редуктора.) (GASKET, Impeller plate. (Contents of GEARCASE SEAL KIT.))

нет в наличии, поставок нет
75 0324701

   (последний код) GASKET,-DRL5

нет в наличии, поставок нет
76 0338486

*Cвыше, Крыльчатка- (Stainless) (CUP, Impeller-(Stainless))

нет в наличии, поставок нет
77 0306643

*Винт, Крышка to Крыльчатка hsg (SCREW, Cover to impeller hsg)

нет в наличии, поставок нет
77 3852066

   (последний код) SCREW

нет в наличии, поставок нет
78 0331353

*Сальник, Крыльчатка Корпус Пластина (SEAL, Impeller housing plate)

1 шт790 руб.
79 5001593

*Крыльчатка в сборе (IMPELLER Assy)

нет в наличии, поставок нет
79 0435821

   (последний код) KIT AY,IMPELLER

нет в наличии, поставок нет
80 0331107

*Ключ, Крыльчатка (KEY, Impeller)

нет в наличии, поставок нет
81 0302035

*Уплотнительное кольцо между крыльчаткой и пластиной (O-RING, Impeller to plate)

нет в наличии, поставок нет
82 0338485

*Пластина корпуса крыльчатки- (Stainless) (PLATE, Impeller hsg-(Stainless))

нет в наличии, поставок нет
83 0435959

*Крыльчатка Корпус (IMPELLER HOUSING)

нет в наличии, поставок нет
84 0349354

*Сальник, Помпа to exh hsg (SEAL, Pump to exh hsg)

3 шт950 руб.
85 0302325

*Винт, Крыльчатка Корпус (SCREW, Impeller housing)

нет в наличии, поставок нет
86 0331188

*Уплотнительное кольцо, Cвыше to Корпус (O-RING, Cup to housing)

5 шт370 руб.
87 0338893

*Колпак крыльчатки Корпус (COVER, Impeller housing)

нет в наличии, поставок нет
87 0321159

   (последний код) COVER-IMP-HS

нет в наличии, поставок нет
88 0314008

*Пыльник водяной трубки to Крышка (GROMMET, Water tube to cover)

нет в наличии, поставок нет
89 0320943

*Пыльник, Помпа to exh hsg (GROMMET, Pump to exh hsg)

1 шт300 руб.
90 0435526

CHROME Cвыше & Пластина KIT (CHROME CUP & PLATE KIT)

нет в наличии, поставок нет
90 0395059

   (последний код) CHROME PUMP KIT

нет в наличии, поставок нет
0338551

*Cвыше, Крыльчатка- (Chrome) (Not shown.) (CUP, Impeller-(Chrome). (Not shown.))

нет в наличии, поставок нет
0338552

*Пластина корпуса крыльчатки- (Chrome) (Not shown.) (PLATE, Impeller hsg-(Chrome). (Not shown.))

нет в наличии, поставок нет
91 0

Гребной винт. (Refer to EVINRUDE / JOHNSON Genuine Parts Гребной винт Chart.) (PROPELLER. (Refer to EVINRUDE / JOHNSON Genuine Parts Propeller Chart.))

нет в наличии, поставок нет
92 0387157

*Втулка в сборе, Prop, (std) (BUSHING Assy, Prop, (std))

нет в наличии, поставок нет
92 0175401

*Втулка в сборе, Prop, SST (BUSHING Assy, Prop, SST)

нет в наличии, поставок нет
93 0332394

*CONVERGING Кольцо, Prop (std) (CONVERGING RING, Prop (std))

нет в наличии, поставок нет
93 3854241

   (последний код) RING, CONVERGING

нет в наличии, поставок нет
94 0313926

*Гильза, Гребной винт Втулка (SLEEVE, Propeller bushing)

нет в наличии, поставок нет
94 3850831

   (последний код) SLEEVE-PROP

нет в наличии, поставок нет
95 0126870

*Упорная втулка, 3-blade (std) (THRUST BUSHING, 3-blade (std))

нет в наличии, поставок нет
95 3852020

   (последний код) BUSHING,THRUST

нет в наличии, поставок нет
95 0126869

*Упорная втулка, 4-blade (THRUST BUSHING, 4-blade)

нет в наличии, поставок нет
95 0128740

   (последний код) BUSHING,THRUST

нет в наличии, поставок нет
96 0398042

Гайка & KEEPER, Гребной винт (NUT & KEEPER, Propeller)

нет в наличии, поставок нет
96 3850984

   (последний код) NUT&KEEPER AY,PROP

нет в наличии, поставок нет
97 0306394

Шплинт, Гайка гребного винта (COTTER PIN, Propeller nut)

нет в наличии, поставок нет
97 3852056

   (последний код) PIN,COTTER

нет в наличии, поставок нет
98 0320570

Проставка гайки гребного винта (SPACER, Propeller nut)

нет в наличии, поставок нет
98 3852163

   (последний код) SPACER,PROP

нет в наличии, поставок нет
99 5000411

Комплект сальников редуктора (GEARCASE SEAL KIT)

нет в наличии, поставок нет
99 5006373

   (последний код) KIT AY,SEAL-GC

нет в наличии, поставок нет
evinrude

Время выполнения запроса 2.1696410179138 сек.


 
 

данный сайт носит информационный характер и не является публичной офертой

склад запчастей для водомоторной техники