вконтакте

Контактный телефон: +7 (981) 121-46-93, +7 (800) 200-90-76 , Email: parts-katalog@yandex.ru, где купить

 
 

  Логин:

Пароль:

Регистрация

www.partskatalog.ru Все каталоги Запчасти Mercury Запчасти Suzuki Запчасти Tohatsu Запчасти Honda Контакты


Все разделы каталога запчастей на этот двигатель

назад Раздел:   вперёд

вернуться к списку узлов и деталей

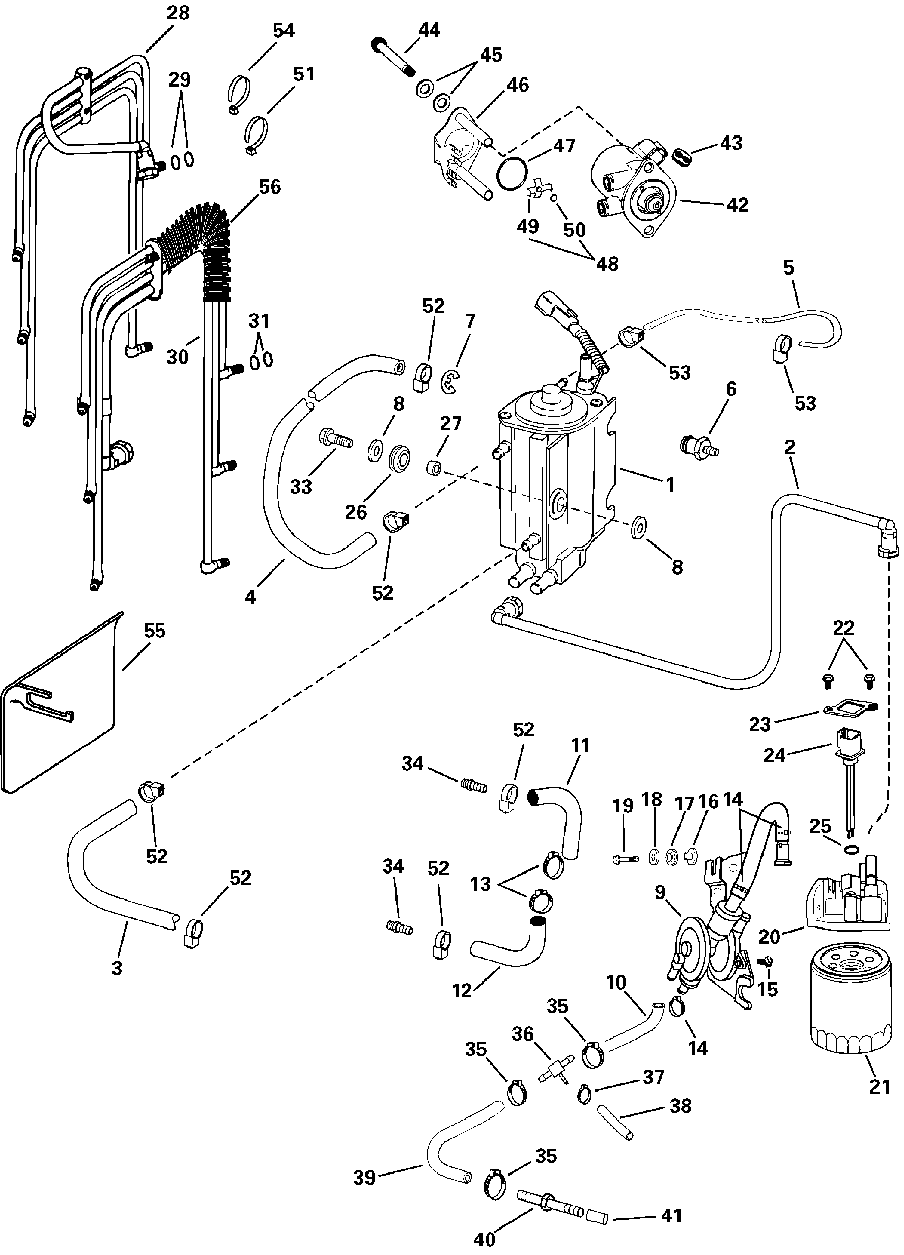
ДЕТАЛИРОВКА ДЛЯ МОДЕЛИ: EVINRUDE E150FPXSTD

FUEL COMPONENTS | FUEL COMPONENTS;


Двигатель EVINRUDE E150FPXSTD  - el Components - el Components

Номер на
рисунке
АртикулНаименованиеКол-во
на складе
Цена
1 5004428

Пароотделитель / Топливный насос (VAPOR SEPARATOR/FUEL PUMP)

нет в наличии, поставок нет
1 5000800

   (последний код) RSVR&PUMP AY,FUEL

нет в наличии, поставок нет
2 5000202

FUEL SвышеPLY Трубка в сборе, Фильтр to Пароотделитель (FUEL SUPPLY TUBE Assy, Filter to vapor separator)

нет в наличии, поставок нет
3 0350135

Водяной шланг, block to Пароотделитель (HOSE, Water, block to vapor separator)

нет в наличии, поставок нет
4 0345109

Водяной шланг, vapor sep to EMM (HOSE, Water, vapor sep to EMM)

нет в наличии, поставок нет
5 0345529

Шланг, Пароотделитель to Система впуска, Port (HOSE, Vapor separator to intake, Port)

нет в наличии, поставок нет
6 0344848

Шпилька, Пароотделитель to block (STUD, Vapor separator to block)

нет в наличии, поставок нет
7 0510487

Стопорное кольцо (RETAINING RING)

нет в наличии, поставок нет
8 0328700

Шайба, Пароотделитель Креплениеing (WASHER, Vapor separator mounting)

нет в наличии, поставок нет
8 0331250

   (последний код) WASHER

нет в наличии, поставок нет
9 5004460

FUEL, Lift Помпа в сборе (FUEL, Lift Pump Assy)

нет в наличии, поставок нет
10 0

*Топливный шланг tee to Помпа. (сокращёная длина from P / N 772565.) (HOSE, Fuel tee to pump. (Cut to length from P/N 772565.))

нет в наличии, поставок нет
11 0336224

*Шланг, pulse - верхний case fitting (HOSE, pulse - upper case fitting)

нет в наличии, поставок нет
12 0346337

*Шланг, pulse - нижний case fitting (HOSE, pulse - lower case fitting)

нет в наличии, поставок нет
13 0346786

*Струбцина, 15.7 мм (CLAMP, 15.7mm)

нет в наличии, поставок нет
14 0348839

*Струбцина, 17 мм (CLAMP, 17mm)

нет в наличии, поставок нет
15 0124341

Винт, Кронштейн to Помпа (SCREW, Bracket to pump)

нет в наличии, поставок нет
15 0338305

   (последний код) SCREW

нет в наличии, поставок нет
16 0338558

Проставка, Fuel Кронштейн. (Quantity of one is included in P / N 5004459 (#9) ) (SPACER, Fuel bracket. (Quantity of one is included in P/N 5004459 (#9).))

нет в наличии, поставок нет
17 0333040

ISOLATOR, Кронштейн Креплениеing. (Quantity of one is included in P / N 5004459 (#9) ) (ISOLATOR, Bracket mounting. (Quantity of one is included in P/N 5004459 (#9).))

нет в наличии, поставок нет
18 0328703

Шайба (WASHER)

нет в наличии, поставок нет
18 3852184

   (последний код) WASHER

нет в наличии, поставок нет
19 0333710

Винт, (SCREW,)

нет в наличии, поставок нет
19 0332012

   (последний код) SCREW

нет в наличии, поставок нет
20 5001252

Корпус в сборе (HOUSING Assy)

нет в наличии, поставок нет
21 0502906

*Топливный фильтр в сборе (FILTER Assy, FUEL)

нет в наличии, поставок нет
21 5009676

   (последний код) FILTER AY,FUEL

нет в наличии, поставок нет
22 0336481

*Винт (SCREW)

нет в наличии, поставок нет
23 0344609

*Фиксатор (RETAINER)

нет в наличии, поставок нет
24 5001502

**Датчик, Water (SENSOR, Water)

нет в наличии, поставок нет
24 0439926

   (последний код) SENSOR AY

нет в наличии, поставок нет
25 3850819

***Уплотнительное кольцо, Water Датчик (O-RING, Water sensor)

нет в наличии, поставок нет
25 0915352

   (последний код) O-RING

нет в наличии, поставок нет
26 0329518

Пыльник пароотделителя Крепление (GROMMET, Vapor separator mount)

нет в наличии, поставок нет
26 3852195

   (последний код) GROMMET

нет в наличии, поставок нет
27 0335328

Проставка, Пароотделитель (SPACER, Vapor separator)

нет в наличии, поставок нет
28 5000205

FUEL Коллектор в сборе, Sвышеply (FUEL MANIFOLD Assy, Supply)

нет в наличии, поставок нет
29 0344828

*Уплотнительное кольцо (O-RING)

нет в наличии, поставок нет
30 5005407

FUEL Коллектор в сборе, Return. New P / N для 2003 (FUEL MANIFOLD Assy, Return. New P/N for 2003)

нет в наличии, поставок нет
30 5000206

   (последний код) MANIFOLD AY,FUEL

нет в наличии, поставок нет
31 0343585

*Уплотнительное кольцо (O-RING)

нет в наличии, поставок нет
33 0333710

Винт (SCREW)

нет в наличии, поставок нет
33 0332012

   (последний код) SCREW

нет в наличии, поставок нет
34 0345702

Ниппель, Pulse (NIPPLE, Pulse)

нет в наличии, поставок нет
35 0346150

Струбцина, 18.5 mm (CLAMP, 18.5 mm)

нет в наличии, поставок нет
36 0345701

TEE, Fuel (TEE, Fuel)

нет в наличии, поставок нет
37 0348838

Струбцина, 10.5 мм (CLAMP, 10.5mm)

нет в наличии, поставок нет
38 0

Масляный шланг to Обратный клапан. (сокращёная длина from P / N 327228.) (HOSE, Oil to check valve. (Cut to length from P/N 327228.))

нет в наличии, поставок нет
39 0348790

Шланг выпуска топлива to tee (HOSE, Fuel inlet to tee)

нет в наличии, поставок нет
40 0348939

Топливный коннектор line (CONNECTOR, Fuel line)

нет в наличии, поставок нет
41 0331649

Колпачок, Топливный шланг вход (CAP, Fuel hose inlet)

нет в наличии, поставок нет
42 5005195

Топливный инжектор. (Includes Ref # 47 & 48.) (FUEL INJECTOR. (Includes Ref # 47 & 48.))

нет в наличии, поставок нет
42 5004451

   (последний код) INJECTOR AY,FUEL

нет в наличии, поставок нет
43 0346064

*VIBRATION DAMPENER (VIBRATION DAMPENER)

нет в наличии, поставок нет
44 0349870

Винт, инжектор to head (SCREW, Injector to head)

нет в наличии, поставок нет
44 0352699

   (последний код) SCREW, INJ-ADPTR

нет в наличии, поставок нет
45 0348224

Шайба, инжектор (WASHER, Injector)

нет в наличии, поставок нет
46 5001718

Колпачок, Гильза & Уплотнительное кольцо (CAP, SLEEVE & O-RING)

нет в наличии, поставок нет
47 0348107

*Уплотнительное кольцо (O-RING)

нет в наличии, поставок нет
48 5001911

*Пружина, BUTTON & Уплотнительное кольцо в сборе (SPRING, BUTTON & O-RING Assy)

нет в наличии, поставок нет
48 5001720

   (последний код) SPRING & BUTTON AY

нет в наличии, поставок нет
49 5001901

**Пружина & BUTTON (SPRING & BUTTON)

нет в наличии, поставок нет
50 0348496

**Уплотнительное кольцо, Пружина (O-RING, Spring)

нет в наличии, поставок нет
50 0348104

   (последний код) O-RING

нет в наличии, поставок нет
51 0318322

Крепёжный хомут, Коллекторs (TIE STRAP, Manifolds)

нет в наличии, поставок нет
52 0320107

Крепёжный хомут (TIE STRAP)

нет в наличии, поставок нет
52 5035626

   (последний код) BAND,REM CON

нет в наличии, поставок нет
53 0317893

Крепёжный хомут, Vent Шланг (TIE STRAP, Vent hose)

нет в наличии, поставок нет
53 3852149

   (последний код) TIE-STRAP

нет в наличии, поставок нет
54 0907833

Крепёжный хомут, Коллекторs (TIE STRAP, Manifolds)

нет в наличии, поставок нет
54 3852423

   (последний код) TIE STRAP /907833

нет в наличии, поставок нет
55 0349512

Крышка, Fuel Коллекторs (COVER, Fuel manifolds)

нет в наличии, поставок нет
56 0

Трубопровод, Corrugated. (сокращёная длина from P / N 348472.) (TUBING, Corrugated. (Cut to length from P/N 348472.))

нет в наличии, поставок нет
evinrude

Время выполнения запроса 2.8179750442505 сек.


 
 

данный сайт носит информационный характер и не является публичной офертой

склад запчастей для водомоторной техники