Номер на рисунке | Артикул | Наименование | Кол-во на складе | Цена |
| | 5001599 | Редуктор в сборе., комплект. (Not Shown.) (GEARCASE ASSY., Complete. (Not Shown.)) | нет в наличии, поставок нет |
| | 5004635 | (последний код) SEE SB 2002-02P | нет в наличии, поставок нет |
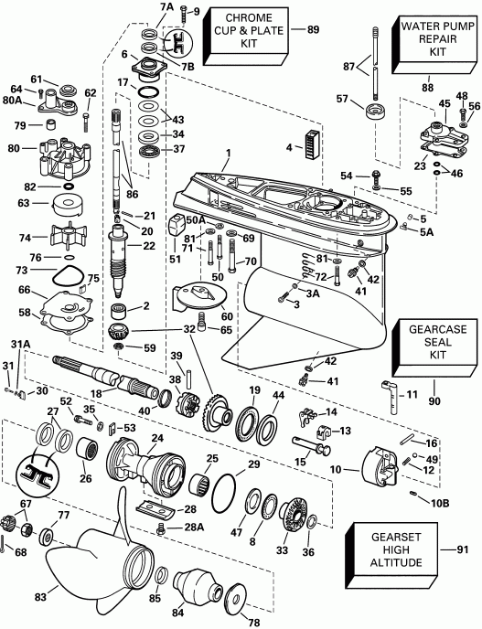
| 1 | 0439973 | *Редуктор в сборе с подшипником. (GEARCASE & BEARING ASSY.) | нет в наличии, поставок нет |
| 1 | 0438049 | (последний код) G/CASE & BRG PITOT | нет в наличии, поставок нет |
| 2 | 0387817 | **Подшипник, Шестерня (BEARING, Pinion) | нет в наличии, поставок нет |
| 3 | 0324852 | **RETAINING Винт (RETAINING SCREW) | нет в наличии, поставок нет |
| 3A | 0332584 | ***Сальник (SEAL) | нет в наличии, поставок нет |
| 4 | 0321123 | **Водяной экран Система впуска (SCREEN, Water intake) | нет в наличии, поставок нет |
| 5 | 0305749 | **Колпачок, Ниппель (CAP, Nipple) | нет в наличии, поставок нет |
| 5A | 0336535 | **Ниппель, Pitot Трубка (NIPPLE, Pitot tube) | 7 шт | 470 руб. |
| 6 | 0439476 | *Подшипник Корпус & Сальник (BEARING HOUSING & SEAL) | нет в наличии, поставок нет |
| 6 | 0438963 | (последний код) HOUSING AY,BEARING | нет в наличии, поставок нет |
| 7A | 0329922 | **Сальник, верхний (Contents of Комплект сальников редуктора.) (SEAL, Upper. (Contents of Gearcase Seal Kit.)) | нет в наличии, поставок нет |
| 7B | 0329923 | **Сальник, нижний (Contents of Комплект сальников редуктора.) (SEAL, Lower. (Contents of Gearcase Seal Kit.)) | нет в наличии, поставок нет |
| 8 | 0382408 | *THRUST Подшипник, Reverse Шестерня (THRUST BEARING, Reverse gear) | нет в наличии, поставок нет |
| 9 | 0317624 | *Винт, Корпус to Редуктор (SCREW, Housing to gearcase) | нет в наличии, поставок нет |
| 10 | 0389455 | *Корпус & Подшипник в сборе. (HOUSING & BEARING ASSY.) | нет в наличии, поставок нет |
| 10B | 0331880 | **Штифт, Корпус (PIN, Housing) | нет в наличии, поставок нет |
| 11 | 0915954 | *DETENT, Переключательer (DETENT, Shifter) | нет в наличии, поставок нет |
| 11 | 0323946 | (последний код) DETENT | нет в наличии, поставок нет |
| 12 | 0911962 | *Фиксатор пружины (SPRING, Detent) | нет в наличии, поставок нет |
| 12 | 0915955 | (последний код) SPRING | нет в наличии, поставок нет |
| 13 | 0334163 | *CRADLE, Переключательer (CRADLE, Shifter) | 5 шт | 1880 руб. |
| 13 | 0322900 | (последний код) CRADLE-SHIFT | нет в наличии, поставок нет |
| 14 | 0322938 | *Рычаг переключателя (LEVER, Shift) | нет в наличии, поставок нет |
| 15 | 0322941 | *Вал (SHAFT) | нет в наличии, поставок нет |
| 16 | 0328825 | *Штифт, Рычаг переключения (PIN, Shift lever) | нет в наличии, поставок нет |
| 17 | 0314728 | *Уплотнительное кольцо, DriveВал Подшипник. (Contents of Комплект сальников редуктора.) (O-RING, Driveshaft bearing. (Contents of Gearcase Seal Kit.)) | нет в наличии, поставок нет |
| 17 | 0354731 | (последний код) O-RING | 1 шт | 850 руб. |
| 18 | 0435022 | *Вал гребного винта в сборе. (PROPELLER SHAFT ASSY.) | нет в наличии, поставок нет |
| 18 | 5004765 | (последний код) PROPSHAFT AY,SERV | нет в наличии, поставок нет |
| 19 | 0389042 | *THRUST BRG. в сборе., Fwd. Шестерня (THRUST BRG. ASSY., Fwd. gear) | нет в наличии, поставок нет |
| 20 | 0338504 | *Фиксатор приводного вала (RETAINER, Driveshaft) | нет в наличии, поставок нет |
| 21 | 0311538 | *Штифт, DriveВал (PIN, Driveshaft) | нет в наличии, поставок нет |
| 22 | 0345905 | *DRIVEВал, нижний (DRIVESHAFT, Lower) | нет в наличии, поставок нет |
| 22 | 0335677 | (последний код) DRIVESHAFT,L | нет в наличии, поставок нет |
| 23 | 0324670 | *Прокладка, Переключающая тяга Крышка. (Contents of Комплект сальников редуктора.) (GASKET, Shift rod cover. (Contents of Gearcase Seal Kit.)) | нет в наличии, поставок нет |
| 23 | 0352165 | (последний код) GASKET | 2 шт | 550 руб. |
| 24 | 5000605 | *Подшипник HSG. & Сальник в сборе. (BEARING HSG. & SEAL ASSY.) | нет в наличии, поставок нет |
| 24 | 5004257 | (последний код) HSG AY, PROPSHAFT | нет в наличии, поставок нет |
| 25 | 0382407 | **Игольчатый подшипник в сборе. (NEEDLE BEARING ASSY.) | 1 шт | 5500 руб. |
| 26 | 0436752 | **Игольчатый подшипник в сборе. (NEEDLE BEARING ASSY.) | нет в наличии, поставок нет |
| 27 | 0334950 | **Сальник. (Contents of Комплект сальников редуктора.) (SEAL. (Contents of Gearcase Seal Kit.)) | нет в наличии, поставок нет |
| 28 | 0431708 | **Анод, Подшипник Корпус (ANODE, Bearing housing) | нет в наличии, поставок нет |
| 28 | 0397111 | (последний код) ANODE-AY | нет в наличии, поставок нет |
| 28A | 0908158 | **Винт, Анод (SCREW, Anode) | нет в наличии, поставок нет |
| 28A | 3852050 | (последний код) SCREW | нет в наличии, поставок нет |
| 29 | 0305123 | **Уплотнительное кольцо, Подшипник Корпус. (Contents of Комплект сальников редуктора.) (O-RING, Bearing housing. (Contents of Gearcase Seal Kit.)) | нет в наличии, поставок нет |
| 29 | 0321119 | (последний код) O-RING,-DLR | нет в наличии, поставок нет |
| 30 | 0349001 | *WEDGE (WEDGE) | нет в наличии, поставок нет |
| 30 | 0345999 | (последний код) WEDGE | нет в наличии, поставок нет |
| 31 | 0916070 | *Винт, WEDGE (Ultra Lock) (SCREW, WEDGE (Ultra Lock)) | нет в наличии, поставок нет |
| 31 | 3853661 | (последний код) SCREW | нет в наличии, поставок нет |
| 31A | 0345998 | *Пружинная шайба (SPRING WASHER) | нет в наличии, поставок нет |
| 32 | 0435020 | *ШестерняSET (GEARSET) | нет в наличии, поставок нет |
| 32 | 5004938 | (последний код) GEARSET,V6 FWD&PIN | нет в наличии, поставок нет |
| 33 | 0336561 | **Шестерня обратного хода (GEAR, Reverse) | нет в наличии, поставок нет |
| 34 | 0327656 | *Упорная шайба шестерни Шестерня (THRUST WASHER, Pinion) | нет в наличии, поставок нет |
| 34 | 0314729 | (последний код) THRUST-WASHE | нет в наличии, поставок нет |
| 35 | 0328743 | *Шайба, Винт (WASHER, Screw) | нет в наличии, поставок нет |
| 35 | 3852191 | (последний код) WASHER | нет в наличии, поставок нет |
| 36 | 0336565 | *Упорная шайба (THRUST WASHER) | нет в наличии, поставок нет |
| 37 | 0387656 | *THRUST Подшипник, Шестерня (THRUST BEARING, Pinion) | нет в наличии, поставок нет |
| 37 | 0383248 | (последний код) BEARING | нет в наличии, поставок нет |
| 38 | 0337774 | *Переключатель собачки сцепления (SHIFTER, Clutch dog) | нет в наличии, поставок нет |
| 38 | 0910995 | (последний код) SHIFTER | нет в наличии, поставок нет |
| 39 | 0313448 | *Штифт сцепления dog (PIN, Clutch dog) | нет в наличии, поставок нет |
| 40 | 0324369 | *Пружина, Сцепление dog Штифт (SPRING, Clutch dog pin) | нет в наличии, поставок нет |
| 40 | 0313454 | (последний код) SPRING | нет в наличии, поставок нет |
| 41 | 0318544 | *Заглушка, Fill & drain (PLUG, Fill & drain) | нет в наличии, поставок нет |
| 41 | 0912624 | (последний код) SCREW | нет в наличии, поставок нет |
| 42 | 0311598 | **Шайба. (Contents of Комплект сальников редуктора.) (WASHER. (Contents of Gearcase Seal Kit.)) | нет в наличии, поставок нет |
| 42 | 3852105 | (последний код) WASHER | нет в наличии, поставок нет |
| 43 | 0323362 | *Регулировочная шайба, 0.003 дюйм (0, 07 мм) (SHIM, 0.003 in. (0,07mm)) | нет в наличии, поставок нет |
| 43 | 0323361 | *Регулировочная шайба, 0.004 дюйм (0, 10 мм) (SHIM, 0.004 in. (0,10mm)) | нет в наличии, поставок нет |
| 43 | 0314745 | *Регулировочная шайба, 0.005 дюйм (0, 12 мм) (SHIM, 0.005 in. (0,12mm)) | нет в наличии, поставок нет |
| 44 | 0327669 | *Упорная шайба, дляward Шестерня (THRUST WASHER, Forward gear) | нет в наличии, поставок нет |
| 44 | 0324805 | (последний код) THRUST-WASHE | нет в наличии, поставок нет |
| 45 | 0435482 | *Крышка & Сальник в сборе. (COVER & SEAL ASSY.) | нет в наличии, поставок нет |
| 45 | 5006241 | (последний код) COVER AY,SHIFT ROD | нет в наличии, поставок нет |
| 46 | 0318372 | **Уплотнительное кольцо, Переключающая тяга. (Contents of Комплект сальников редуктора.) (O-RING, Shift rod. (Contents of Gearcase Seal Kit.)) | нет в наличии, поставок нет |
| 47 | 0314731 | *THRUST Шайба шестерни заднего хода (THRUST WASHER, Reverse gear) | нет в наличии, поставок нет |
| 48 | 0302325 | *Винт, Крышка (SCREW, Cover) | нет в наличии, поставок нет |
| 49 | 0160084 | *Шарик, Detent (BALL, Detent) | нет в наличии, поставок нет |
| 49 | 3852023 | (последний код) BALL | нет в наличии, поставок нет |
| 50 | 0328096 | *Винт, Анод (SCREW, Anode) | нет в наличии, поставок нет |
| 50 | 0327046 | (последний код) SCREW | нет в наличии, поставок нет |
| 50A | 0328701 | LOCKШайба, Анод (LOCKWASHER, Anode) | нет в наличии, поставок нет |
| 50A | 3852182 | (последний код) WASHER,LOCK | нет в наличии, поставок нет |
| 51 | 0436745 | *Анод (ANODE) | нет в наличии, поставок нет |
| 51 | 0393023 | (последний код) ANODE&INSERT AY | нет в наличии, поставок нет |
| 52 | 0341541 | *Винт (SCREW) | нет в наличии, поставок нет |
| 53 | 0333957 | *TAB, Фиксатор (TAB, Retainer) | нет в наличии, поставок нет |
| 54 | 0341220 | *Заглушка, Pitot Трубка (PLUG, Pitot tube) | нет в наличии, поставок нет |
| 55 | 0437330 | *Шайба & Сальник в сборе.. (Contents of Комплект сальников редуктора.) (WASHER & SEAL ASSY.. (Contents of Gearcase Seal Kit.)) | нет в наличии, поставок нет |
| 56 | 0328702 | *Шайба (WASHER) | нет в наличии, поставок нет |
| 56 | 3852183 | (последний код) WASHER | нет в наличии, поставок нет |
| 57 | 0321008 | *Пыльник, Exh. hsg. to shft Тяга. (Contents of Ремкомплект водяного насоса.) (GROMMET, Exh. hsg. to shft rod. (Contents of Water Pump Repair Kit.)) | нет в наличии, поставок нет |
| 58 | 0338484 | *Прокладка крыльчатки hsg. Пластина (GASKET, Impeller hsg. plate) | нет в наличии, поставок нет |
| 58 | 0324701 | (последний код) GASKET,-DRL5 | нет в наличии, поставок нет |
| 59 | 0314730 | *Гайка, Шестерня to driveВал (100-110 фут lbs.) (NUT, Pinion to driveshaft (100-110 ft. lbs.)) | нет в наличии, поставок нет |
| 60 | 0338742 | Пластина трима, Редуктор (TRIM TAB, Gearcase) | нет в наличии, поставок нет |
| 60 | 0327810 | (последний код) TRIM TAB | нет в наличии, поставок нет |
| 61 | 0320943 | Пыльник, Крыльчатка Корпус. (Contents of Ремкомплект водяного насоса.) (GROMMET, Impeller housing. (Contents of Water Pump Repair Kit.)) | 1 шт | 300 руб. |
| 62 | 0302325 | Винт, Крыльчатка Корпус, 1 дюйм. (Contents of Ремкомплект водяного насоса.) (SCREW, Impeller housing, 1 in.. (Contents of Water Pump Repair Kit.)) | нет в наличии, поставок нет |
| 63 | 0338486 | Cвыше, Крыльчатка. (Stainless Steel. Contents of Ремкомплект водяного насоса.) (CUP, Impeller. (Stainless Steel. Contents of Water Pump Repair Kit.)) | нет в наличии, поставок нет |
| 63 | 0338551 | Cвыше, Крыльчатка Корпус. (Contents of Хромированный ремкомплект водяного насоса.) (CUP, Impeller housing. (Contents of Chrome Pump Kit.)) | нет в наличии, поставок нет |
| 64 | 0306643 | Винт, Крышка to Крыльчатка. (Contents of Ремкомплект водяного насоса.) (SCREW, Cover to impeller. (Contents of Water Pump Repair Kit.)) | нет в наличии, поставок нет |
| 64 | 3852066 | (последний код) SCREW | нет в наличии, поставок нет |
| 65 | 0313715 | Винт, Пластина трима (SCREW, Trim tab) | нет в наличии, поставок нет |
| 66 | 0338485 | Пластина корпуса крыльчатки. (Stainless Steel. Contents of Ремкомплект водяного насоса.) (PLATE, Impeller housing. (Stainless Steel. Contents of Water Pump Repair Kit.)) | нет в наличии, поставок нет |
| 66 | 0338552 | Пластина корпуса крыльчатки. (Contents of Хромированный ремкомплект водяного насоса.) (PLATE, Impeller housing. (Contents of Chrome Pump Kit.)) | нет в наличии, поставок нет |
| 67 | 0398042 | Гайка & KEEPER, Гребной винт (NUT & KEEPER, Propeller) | нет в наличии, поставок нет |
| 67 | 3850984 | (последний код) NUT&KEEPER AY,PROP | нет в наличии, поставок нет |
| 68 | 0306394 | Шплинт, Гайка гребного винта (COTTER PIN, Propeller nut) | нет в наличии, поставок нет |
| 68 | 3852056 | (последний код) PIN,COTTER | нет в наличии, поставок нет |
| 69 | 0330265 | Шайба, Винт, long (WASHER, Screw, long) | нет в наличии, поставок нет |
| 70 | 0331998 | Винт, Редуктор to Корпус (SCREW, Gearcase to housing) | нет в наличии, поставок нет |
| 70 | 0914535 | (последний код) SCREW | нет в наличии, поставок нет |
| 71 | 0330263 | Винт, Редуктор, rear (SCREW, Gearcase, rear) | нет в наличии, поставок нет |
| 71 | 0914534 | (последний код) SCREW | нет в наличии, поставок нет |
| 72 | 0331999 | Винт, Редуктор to Корпус (SCREW, Gearcase to housing) | нет в наличии, поставок нет |
| 72 | 0910457 | (последний код) SCREW | нет в наличии, поставок нет |
| 73 | 0331353 | Сальник, Крыльчатка Корпус Пластина. (Contents of Ремкомплект водяного насоса.) (SEAL, Impeller housing plate. (Contents of Water Pump Repair Kit.)) | 1 шт | 790 руб. |
| 74 | 5001593 | Крыльчатка & CAM в сборе.. (Contents of Ремкомплект водяного насоса.) (IMPELLER & CAM ASSY.. (Contents of Water Pump Repair Kit.)) | нет в наличии, поставок нет |
| 74 | 0435821 | (последний код) KIT AY,IMPELLER | нет в наличии, поставок нет |
| 75 | 0331107 | *CAM, Крыльчатка. (Contents of Ремкомплект водяного насоса.) (CAM, Impeller. (Contents of Water Pump Repair Kit.)) | нет в наличии, поставок нет |
| 76 | 0302035 | *Уплотнительное кольцо, Крыльчатка. (Contents of Ремкомплект водяного насоса.) (O-RING, Impeller. (Contents of Water Pump Repair Kit.)) | нет в наличии, поставок нет |
| 77 | 0320570 | Проставка гайки гребного винта (SPACER, Propeller nut) | нет в наличии, поставок нет |
| 77 | 3852163 | (последний код) SPACER,PROP | нет в наличии, поставок нет |
| 78 | 0126870 | Упорная втулка, Prop., 3-blade (THRUST BUSHING, Prop., 3-blade) | нет в наличии, поставок нет |
| 78 | 3852020 | (последний код) BUSHING,THRUST | нет в наличии, поставок нет |
| 78 | 0126318 | Упорная втулка, Prop., 4-blade (THRUST BUSHING, Prop., 4-blade) | нет в наличии, поставок нет |
| 78 | 0128777 | (последний код) BUSHING,THRUST | нет в наличии, поставок нет |
| 79 | 0314008 | Пыльник водяной трубки. (Contents of Ремкомплект водяного насоса.) (GROMMET, Water tube. (Contents of Water Pump Repair Kit.)) | нет в наличии, поставок нет |
| 80 | 0435959 | Крыльчатка Корпус, Редуктор - X. (Contents of Ремкомплект водяного насоса.) (IMPELLER HOUSING, Gearcase - X. (Contents of Water Pump Repair Kit.)) | нет в наличии, поставок нет |
| 80A | 0338893 | Колпак крыльчатки Корпус. (Contents of Ремкомплект водяного насоса.) (COVER, Impeller housing. (Contents of Water Pump Repair Kit.)) | нет в наличии, поставок нет |
| 80A | 0321159 | (последний код) COVER-IMP-HS | нет в наличии, поставок нет |
| 81 | 0330266 | Шайба (WASHER) | нет в наличии, поставок нет |
| 81 | 3852200 | (последний код) WASHER | нет в наличии, поставок нет |
| 82 | 0331188 | Уплотнительное кольцо, Cвыше to Корпус. (Contents of Ремкомплект водяного насоса.) (O-RING, Cup to housing. (Contents of Water Pump Repair Kit.)) | 5 шт | 370 руб. |
| 83 | 0 | Гребной винт. (Refer to Genuine Parts Гребной винт Chart.) (PROPELLER. (Refer to Genuine Parts Propeller Chart.)) | нет в наличии, поставок нет |
| 84 | 0175401 | *Втулка в сборе., Prop., 3-blade (BUSHING ASSY., Prop., 3-blade) | нет в наличии, поставок нет |
| 84 | 0431730 | *Втулка в сборе., Prop., 4-blade (BUSHING ASSY., Prop., 4-blade) | нет в наличии, поставок нет |
| 85 | 0313926 | *Гильза, Втулка (SLEEVE, Bushing) | нет в наличии, поставок нет |
| 85 | 3850831 | (последний код) SLEEVE-PROP | нет в наличии, поставок нет |
| 86 | 5000615 | Приводной вал., верхний (Incl #20 & 21) (DRIVESHAFT ASSY., Upper (Incl #20 & 21)) | нет в наличии, поставок нет |
| 86 | 0436234 | (последний код) KIT,UPPER D/S-20" | нет в наличии, поставок нет |
| 87 | 0342994 | Переключающая тяга (SHIFT ROD) | нет в наличии, поставок нет |
| 88 | 5001595 | Ремкомплект водяного насоса (Includes Крыльчатка Корпус) (WATER PUMP REPAIR KIT (Includes impeller housing)) | нет в наличии, поставок нет |
| 88 | 0435929 | (последний код) KIT AY,WATER PUMP | нет в наличии, поставок нет |
| 89 | 0435526 | CHROME Cвыше & Пластина KIT (CHROME CUP & PLATE KIT) | нет в наличии, поставок нет |
| 89 | 0395059 | (последний код) CHROME PUMP KIT | нет в наличии, поставок нет |
| 90 | 5000411 | Комплект сальников редуктора (GEARCASE SEAL KIT) | нет в наличии, поставок нет |
| 90 | 5006373 | (последний код) KIT AY,SEAL-GC | нет в наличии, поставок нет |
| 91 | 0438493 | ШестерняSET, High altitude, 13: 26 (50) (GEARSET, High altitude, 13:26 (.50)) | нет в наличии, поставок нет |