вконтакте

Контактный телефон: +7 (981) 121-46-93, +7 (800) 200-90-76 , Email: parts-katalog@yandex.ru, где купить

 
 

  Логин:

Пароль:

Регистрация

www.partskatalog.ru Все каталоги Запчасти Mercury Запчасти Suzuki Запчасти Tohatsu Запчасти Honda Контакты


Все разделы каталога запчастей на этот двигатель

назад Раздел:   вперёд

вернуться к списку узлов и деталей

ДЕТАЛИРОВКА ДЛЯ МОДЕЛИ: EVINRUDE RE175FLSIF FFI, elec start, TNT, 20 in s

FUEL COMPONENTS | FUEL COMPONENTS;


Лодочный подвесной мотор Evinrude RE175FLSIF FFI, elec start, TNT, 20 in s  - el Components / el Components

Номер на
рисунке
АртикулНаименованиеКол-во
на складе
Цена
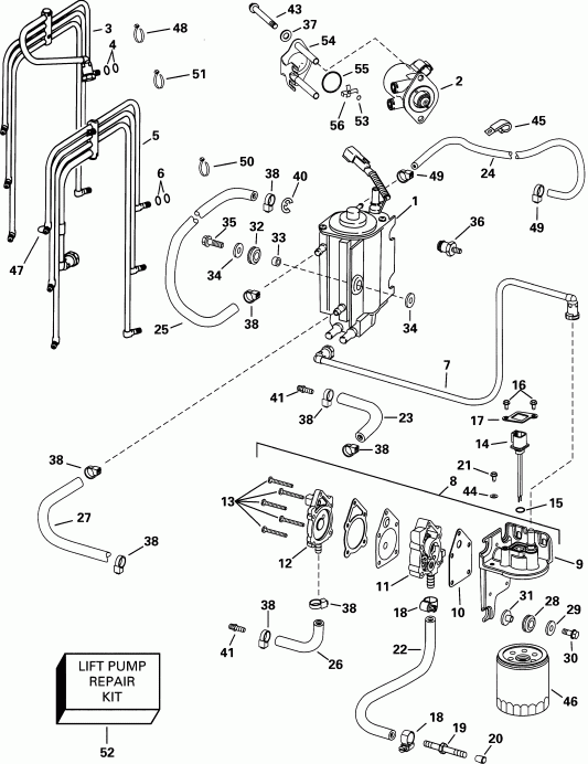
1 5004428

Пароотделитель / Топливный насос (VAPOR SEPARATOR/FUEL PUMP)

нет в наличии, поставок нет
1 5000800

   (последний код) RSVR&PUMP AY,FUEL

нет в наличии, поставок нет
2 5001394

Топливный инжектор (FUEL INJECTOR)

нет в наличии, поставок нет
2 5005195

   (последний код) INJECTOR AY,FUEL

нет в наличии, поставок нет
3 5000205

FUEL Коллектор в сборе., Sвышеply (FUEL MANIFOLD ASSY., Supply)

нет в наличии, поставок нет
4 0344828

*Уплотнительное кольцо, чёрный (O-RING, Black)

нет в наличии, поставок нет
5 5000206

FUEL Коллектор в сборе., Return (FUEL MANIFOLD ASSY., Return)

нет в наличии, поставок нет
5 5005407

   (последний код) MNFLD AY,FUEL RTRN

нет в наличии, поставок нет
6 0343585

*Уплотнительное кольцо, коричневый (O-RING, Brown)

нет в наличии, поставок нет
7 5000202

FUEL SвышеPLY Трубка в сборе., Фильтр to Пароотделитель (FUEL SUPPLY TUBE ASSY., Filter to vapor separator)

нет в наличии, поставок нет
8 5004455

Лифтовый топливный насос в сборе.. ("G" Suffix Model Двигательs use 2002 part catalog..) (FUEL LIFT PUMP ASSY.. ("G" Suffix Model engines use 2002 part catalog..))

нет в наличии, поставок нет
9 0439633

*Корпус в сборе.. ("G" Suffix Model Двигательs use 2002 part catalog..) (HOUSING ASSY.. ("G" Suffix Model engines use 2002 part catalog..))

нет в наличии, поставок нет
9 5001364

   (последний код) SEE PRICE BOOK

нет в наличии, поставок нет
10 0344733

*Прокладка. ("G" Suffix Model Двигательs use 2002 part catalog..) (GASKET. ("G" Suffix Model engines use 2002 part catalog..))

нет в наличии, поставок нет
10 0347061

   (последний код) GASKET

нет в наличии, поставок нет
11 0439665

*Корпус в сборе., Lift Помпа. ("G" Suffix Model Двигательs use 2002 part catalog..) Use 5004454 Топливный насос Kit для 1998-2001 75- 115 H.P. FFI, Use 5004455 Топливный насос Kit для 1999-2001 135-175 H.P. FFI. (HOUSING ASSY., Lift pump. ("G" Suffix Model engines use 2002 part catalog..). Use 5004454 Fuel Pump Kit for 1998-2001 75- 115 H.P. FFI, Use 5004455 Fuel Pump Kit for 1999-2001 135-175 H.P. FFI.)

нет в наличии, поставок нет
12 0439759

*Крышка, Lift Помпа. ("G" Suffix Model Двигательs use 2002 part catalog..) Use 5004454 Топливный насос Kit для 1998-2001 75- 115 H.P. FFI, Use 5004455 Топливный насос Kit для 1999-2001 135-175 H.P. FFI (COVER, Lift pump. ("G" Suffix Model engines use 2002 part catalog..). Use 5004454 Fuel Pump Kit for 1998-2001 75- 115 H.P. FFI, Use 5004455 Fuel Pump Kit for 1999-2001 135-175 H.P. FFI)

нет в наличии, поставок нет
13 0330184

*Винт. ("G" Suffix Model Двигательs use 2002 part catalog..) (SCREW. ("G" Suffix Model engines use 2002 part catalog..))

нет в наличии, поставок нет
14 0439926

WATER Датчик в сборе.. ("G" Suffix Model Двигательs use 2002 part catalog..) (WATER SENSOR ASSY.. ("G" Suffix Model engines use 2002 part catalog..))

нет в наличии, поставок нет
14 5001502

   (последний код) SENSOR AY, H20/FFI

нет в наличии, поставок нет
15 3850819

*Уплотнительное кольцо. ("G" Suffix Model Двигательs use 2002 part catalog..) (O-RING. ("G" Suffix Model engines use 2002 part catalog..))

нет в наличии, поставок нет
15 0915352

   (последний код) O-RING

нет в наличии, поставок нет
16 0336481

Винт. ("G" Suffix Model Двигательs use 2002 part catalog..) (SCREW. ("G" Suffix Model engines use 2002 part catalog..))

нет в наличии, поставок нет
17 0344609

Фиксатор, Датчик. ("G" Suffix Model Двигательs use 2002 part catalog..) (RETAINER, Sensor. ("G" Suffix Model engines use 2002 part catalog..))

нет в наличии, поставок нет
18 0980863

Винт Струбцина (SCREW CLAMP)

нет в наличии, поставок нет
19 0348939

Топливный коннектор Line (CONNECTOR, Fuel Line)

нет в наличии, поставок нет
20 0331649

Колпачок, Топливный коннектор (CAP, Fuel Connector)

нет в наличии, поставок нет
21 0333673

Винт, Заземление (SCREW, Ground)

нет в наличии, поставок нет
21 0332226

   (последний код) SCREW

нет в наличии, поставок нет
22 0349050

Шланг, вход to lift Помпа. ("G" Suffix Model Двигательs use 2002 part catalog..) (HOSE, Inlet to lift pump. ("G" Suffix Model engines use 2002 part catalog..))

нет в наличии, поставок нет
23 0333385

Топливный шланг pulse, верхний to #2. ("G" Suffix Model Двигательs use 2002 part catalog..) (HOSE, Fuel pulse, upper to #2. ("G" Suffix Model engines use 2002 part catalog..))

нет в наличии, поставок нет
23 0324078

   (последний код) HOSE9CARB-TO

нет в наличии, поставок нет
24 0345529

Шланг, Пароотделитель to Система впуска (HOSE, Vapor separator to intake)

нет в наличии, поставок нет
25 0345109

Водяной шланг, Пароотделитель to EMM (HOSE, Water, vapor separator to EMM)

нет в наличии, поставок нет
26 0345110

Топливный шланг pulse, нижний to #5. ("G" Suffix Model Двигательs use 2002 part catalog..) (HOSE, Fuel pulse, lower to #5. ("G" Suffix Model engines use 2002 part catalog..))

нет в наличии, поставок нет
27 0346540

Водяной шланг, cyl. block to vapor sep. (HOSE, Water, cyl. block to vapor sep.)

нет в наличии, поставок нет
28 0333040

ISOLATOR, Кронштейн Креплениеing (ISOLATOR, Bracket mounting)

нет в наличии, поставок нет
29 0328703

Шайба (WASHER)

нет в наличии, поставок нет
29 3852184

   (последний код) WASHER

нет в наличии, поставок нет
30 0333710

Винт, Кронштейн to Картер двигателя (SCREW, Bracket to crankcase)

нет в наличии, поставок нет
30 0332012

   (последний код) SCREW

нет в наличии, поставок нет
31 0338558

Проставка, Fuel Кронштейн (SPACER, Fuel bracket)

нет в наличии, поставок нет
32 0329518

Пыльник пароотделителя mtg. (GROMMET, Vapor separator mtg.)

нет в наличии, поставок нет
32 3852195

   (последний код) GROMMET

нет в наличии, поставок нет
33 0335328

Проставка, Пароотделитель (SPACER, Vapor separator)

нет в наличии, поставок нет
34 0328700

Шайба, Пароотделитель Креплениеing (WASHER, Vapor separator mounting)

нет в наличии, поставок нет
34 0331250

   (последний код) WASHER

нет в наличии, поставок нет
35 0333710

Винт, Пароотделитель to block (SCREW, Vapor separator to block)

нет в наличии, поставок нет
35 0332012

   (последний код) SCREW

нет в наличии, поставок нет
36 0344848

Шпилька, Пароотделитель to block (STUD, Vapor separator to block)

нет в наличии, поставок нет
37 0348224

Шайба, инжектор (WASHER, Injector)

нет в наличии, поставок нет
38 0320107

Крепёжный хомут (TIE STRAP)

нет в наличии, поставок нет
38 5035626

   (последний код) BAND,REM CON

нет в наличии, поставок нет
39 0343765

Винт Струбцина (SCREW CLAMP)

нет в наличии, поставок нет
40 0510487

Стопорное кольцо (RETAINING RING)

нет в наличии, поставок нет
41 0345702

Ниппель, Pulse (NIPPLE, Pulse)

нет в наличии, поставок нет
43 0347386

Винт, инжектор to head (12-14 фут lbs.) (SCREW, Injector to head (12-14 ft. lbs.))

нет в наличии, поставок нет
43 0349870

   (последний код) SCREW

нет в наличии, поставок нет
44 0303701

Шайба с блокировкой, Заземление (LOCK WASHER, Ground)

нет в наличии, поставок нет
45 0310441

J-Струбцина, Vent Шланг to Дроссель газа (J-CLAMP, Vent hose to throttle body)

нет в наличии, поставок нет
45 0316385

   (последний код) CLAMP

нет в наличии, поставок нет
46 0502906

Топливный фильтр (FUEL FILTER)

нет в наличии, поставок нет
46 5009676

   (последний код) FILTER AY,FUEL

нет в наличии, поставок нет
47 0126341

Колпачок, Pressure port (CAP, Pressure port)

нет в наличии, поставок нет
48 0907833

Крепёжный хомут, Коллекторs (TIE STRAP, Manifolds)

нет в наличии, поставок нет
48 3852423

   (последний код) TIE STRAP /907833

нет в наличии, поставок нет
49 0317893

Крепёжный хомут (TIE STRAP)

нет в наличии, поставок нет
49 3852149

   (последний код) TIE-STRAP

нет в наличии, поставок нет
50 0320107

Крепёжный хомут, Водяная трубка to EMM (TIE STRAP, Water hose to EMM)

нет в наличии, поставок нет
50 5035626

   (последний код) BAND,REM CON

нет в наличии, поставок нет
51 0320107

Крепёжный хомут, Fuel Коллекторs to EMM (TIE STRAP, Fuel manifolds to EMM)

нет в наличии, поставок нет
51 5035626

   (последний код) BAND,REM CON

нет в наличии, поставок нет
52 0439881

LIFT Помпа Ремонтный комплект. ("G" Suffix Model Двигательs use 2002 part catalog..) (LIFT PUMP REPAIR KIT. ("G" Suffix Model engines use 2002 part catalog..))

нет в наличии, поставок нет
53 0348496

Уплотнительное кольцо, Пружина & button to Топливный инжектор (O-RING, Spring & button to fuel injector)

нет в наличии, поставок нет
53 0348104

   (последний код) O-RING

нет в наличии, поставок нет
54 5001718

Фиксатор, Топливный инжектор (RETAINER, Fuel injector)

нет в наличии, поставок нет
55 0348107

*Уплотнительное кольцо (O-RING)

нет в наличии, поставок нет
56 5001901

Пружина & BUTTON в сборе (SPRING & BUTTON ASSY)

нет в наличии, поставок нет
evinrude

Время выполнения запроса 1.7716770172119 сек.


 
 

данный сайт носит информационный характер и не является публичной офертой

склад запчастей для водомоторной техники