вконтакте

Контактный телефон: +7 (981) 121-46-93, +7 (800) 200-90-76 , Email: parts-katalog@yandex.ru, где купить

 
 

  Логин:

Пароль:

Регистрация

www.partskatalog.ru Все каталоги Запчасти Mercury Запчасти Suzuki Запчасти Tohatsu Запчасти Honda Контакты


Все разделы каталога запчастей на этот двигатель

назад Раздел:   вперёд

вернуться к списку узлов и деталей

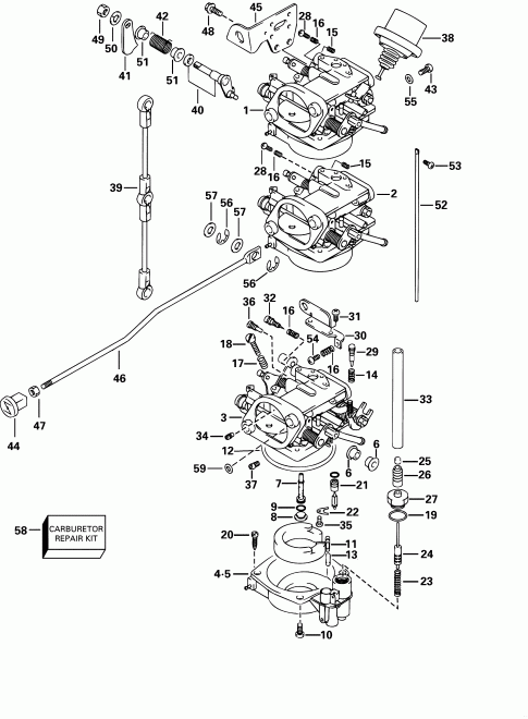
ДЕТАЛИРОВКА ДЛЯ МОДЕЛИ: EVINRUDE E25EL4SIC 4-Stroke, Elec. Start, 20 IN.

КАРБЮРАТОР | CARBURETOR;


Мотор EVINRUDE E25EL4SIC 4-Stroke, Elec. Start, 20 IN.   - rburetor / rburetor

Номер на
рисунке
АртикулНаименованиеКол-во
на складе
Цена
1 5031964

Карбюратор в сборе., Top. (25 Models Only.) (CARBURETOR ASSY., Top. (25 Models Only.))

нет в наличии, поставок нет
1 5032201

Карбюратор в сборе., Top. (30 Models Only.) (CARBURETOR ASSY., Top. (30 Models Only.))

нет в наличии, поставок нет
2 5031965

Карбюратор в сборе., Middle. (25 Models Only.) (CARBURETOR ASSY., Middle. (25 Models Only.))

нет в наличии, поставок нет
2 5032202

Карбюратор в сборе., Middle. (30 Models Only.) (CARBURETOR ASSY., Middle. (30 Models Only.))

нет в наличии, поставок нет
3 5031966

Карбюратор в сборе., нижний (25 Models Only.) (CARBURETOR ASSY., Lower. (25 Models Only.))

нет в наличии, поставок нет
3 5032203

Карбюратор в сборе., нижний (30 Models Only.) (CARBURETOR ASSY., Lower. (30 Models Only.))

нет в наличии, поставок нет
4 5032373

Поплавковая камера, верхний , middle (FLOAT CHAMBER, Upper, middle)

нет в наличии, поставок нет
5 5032374

Поплавковая камера, нижний (FLOAT CHAMBER, Lower)

нет в наличии, поставок нет
6 5032375

*Кольцо (RING)

нет в наличии, поставок нет
6 5032417

   (последний код) RING

нет в наличии, поставок нет
7 5032376

*Главная форсунка. (25 Models Only.) (NOZZLE, Main. (25 Models Only.))

нет в наличии, поставок нет
7 5032377

*Главная форсунка. (30 Models Only.) (NOZZLE, Main. (30 Models Only.))

нет в наличии, поставок нет
8 5032378

*Заглушка (PLUG)

нет в наличии, поставок нет
9 5032379

*Уплотнительное кольцо (O-RING)

нет в наличии, поставок нет
10 5032380

*Винт (SCREW)

нет в наличии, поставок нет
11 5032381

*Поплавок (FLOAT)

нет в наличии, поставок нет
12 5032382

*Прокладка поплавковой камеры (GASKET, Float chamber)

нет в наличии, поставок нет
13 5030168

*Штифт (PIN)

нет в наличии, поставок нет
13 5032383

   (последний код) PIN

нет в наличии, поставок нет
14 5032384

*Пружина (SPRING)

нет в наличии, поставок нет
14 5030169

   (последний код) SPRING,THROT SCREW

нет в наличии, поставок нет
15 5030170

*Пружина, верхний , middle (SPRING, Upper, middle)

нет в наличии, поставок нет
15 5032386

   (последний код) SPRING

нет в наличии, поставок нет
16 5032386

*Пружина (SPRING)

нет в наличии, поставок нет
16 5030170

   (последний код) SPRING

нет в наличии, поставок нет
17 5032387

*Пружина, нижний (SPRING, Lower)

нет в наличии, поставок нет
18 5032388

*Винт, нижний (SCREW, Lower)

нет в наличии, поставок нет
19 5032389

*Уплотнительное кольцо (O-RING)

нет в наличии, поставок нет
20 5032390

*Регулятор (ADJUSTER)

нет в наличии, поставок нет
21 5032391

*Игольчатый клапан (VALVE, Needle)

нет в наличии, поставок нет
22 5032392

*Пластина (PLATE)

нет в наличии, поставок нет
23 5032393

*Пружина (SPRING)

нет в наличии, поставок нет
24 5032394

*Плунжер (PLUNGER)

нет в наличии, поставок нет
25 5032395

*Колпачок (CAP)

нет в наличии, поставок нет
26 5032396

*Колпачок (CAP)

нет в наличии, поставок нет
27 5032397

*Направляющая, Держатель (GUIDE, Holder)

нет в наличии, поставок нет
28 5032398

*Винт, верхний , middle (SCREW, Upper, middle)

нет в наличии, поставок нет
29 5030174

*Винт (SCREW)

нет в наличии, поставок нет
29 5032399

   (последний код) SCREW

нет в наличии, поставок нет
30 5032400

*Кронштейн (BRACKET)

нет в наличии, поставок нет
31 5032401

*Винт (SCREW)

нет в наличии, поставок нет
32 5032402

Регулятор (.ADJUSTER)

нет в наличии, поставок нет
33 0

*Шланг, верхний , middle, 5" (125 мм) (сокращёная длина from P / N 5032403.) (HOSE, Upper, middle, 5" (125mm). (Cut to Length from P/N 5032403.))

нет в наличии, поставок нет
33 0

*Шланг, нижний , 8-3 / 4" (225 мм) (сокращёная длина from P / N 5032403.) (HOSE, Lower, 8-3/4" (225mm). (Cut to Length from P/N 5032403.))

нет в наличии, поставок нет
34 5032405

*Главная форсунка air (0.7) (JET, Main air (0.7))

нет в наличии, поставок нет
35 5032406

*Винт (SCREW)

нет в наличии, поставок нет
36 5032407

*Контрольная форсунка (38.8) (25 Models Only.) (JET, Pilot (38.8). (25 Models Only.))

нет в наличии, поставок нет
36 5032408

*Контрольная форсунка (40) (30 Models Only.) (JET, Pilot (40). (30 Models Only.))

нет в наличии, поставок нет
37 5032409

*Главная форсунка (135) (25 Models Only.) (JET, Main (135). (25 Models Only.))

нет в наличии, поставок нет
37 5032410

*Главная форсунка (110) (30 Models Only.) (JET, Main (110). (30 Models Only.))

нет в наличии, поставок нет
38 5031967

IDLE AIR Управление в сборе.. (25 Models Only.) (IDLE AIR CONTROL ASSY.. (25 Models Only.))

нет в наличии, поставок нет
38 5032307

IDLE AIR Управление в сборе.. (30 Models Only.) (IDLE AIR CONTROL ASSY.. (30 Models Only.))

нет в наличии, поставок нет
39 5031968

Тяга дросселя (ROD, Throttle)

нет в наличии, поставок нет
40 5032404

Вал в сборе. (SHAFT ASSY.)

нет в наличии, поставок нет
41 5032411

Рычаг (LEVER)

нет в наличии, поставок нет
42 5032412

Пружина (SPRING)

нет в наличии, поставок нет
43 5032413

Винт (SCREW)

нет в наличии, поставок нет
44 5031969

CHOKE Ручка (CHOKE KNOB)

нет в наличии, поставок нет
45 5032279

Защита, Карбюратор (PROTECTOR, Carburetor)

нет в наличии, поставок нет
46 5032414

Тяга дросселя (ROD, Choke)

нет в наличии, поставок нет
47 5030415

Гайка (NUT)

нет в наличии, поставок нет
48 5030988

Болт (BOLT)

нет в наличии, поставок нет
49 5032415

Гайка (NUT)

нет в наличии, поставок нет
50 5032416

Пружинная шайба (SPRING WASHER)

нет в наличии, поставок нет
51 5032375

Кольцо (RING)

нет в наличии, поставок нет
51 5032417

   (последний код) RING

нет в наличии, поставок нет
52 5032418

Кабели (CABLE)

нет в наличии, поставок нет
53 5032419

Винт (SCREW)

нет в наличии, поставок нет
54 5032420

Винт (SCREW)

нет в наличии, поставок нет
55 5032421

Шайба (WASHER)

нет в наличии, поставок нет
56 5032422

Уплотнительное кольцо (E-RING)

нет в наличии, поставок нет
57 5032423

Прокладка (GASKET)

нет в наличии, поставок нет
58 5032424

Ремкомплект карбюратора (CARBURETOR REPAIR KIT)

нет в наличии, поставок нет
59 5032695

Регулировочная шайба (SHIM)

нет в наличии, поставок нет
evinrude

Время выполнения запроса 4.2987480163574 сек.


 
 

данный сайт носит информационный характер и не является публичной офертой

склад запчастей для водомоторной техники