вконтакте

Контактный телефон: +7 (981) 121-46-93, +7 (800) 200-90-76 , Email: parts-katalog@yandex.ru, где купить

 
 

  Логин:

Пароль:

Регистрация

www.partskatalog.ru Все каталоги Запчасти Mercury Запчасти Suzuki Запчасти Tohatsu Запчасти Honda Контакты



УВАЖАЕМЫЕ КЛИЕНТЫ!
C 19 ДЕКАБРЯ 2025 ПО 02 МАРТА 2026 ГОДА ОТДЕЛ ЗАПЧАСТЕЙ И СЕРВИС РАБОТАТЬ НЕ БУДУТ
ПРОДАЖА ЛОДОЧНЫХ МОТОРОВ В ШТАТНОМ РЕЖИМЕ
ОБ ИЗМЕНЕНИЯХ В ГРАФИКЕ РАБОТЫ ЧИТАЙТЕ НА САЙТА




Все разделы каталога запчастей на этот двигатель

назад Раздел:   вперёд

вернуться к списку узлов и деталей

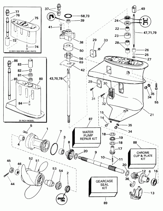
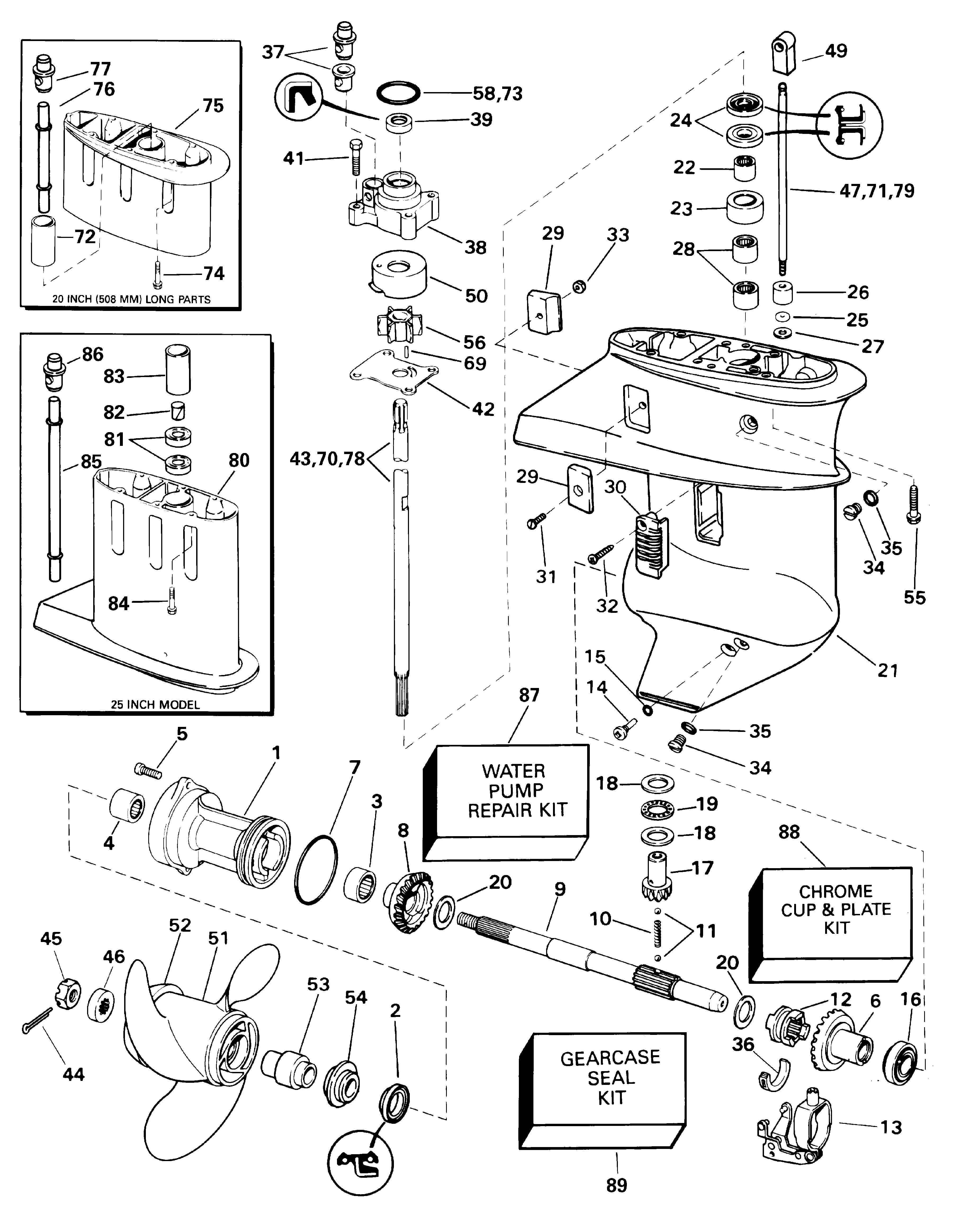
ДЕТАЛИРОВКА ДЛЯ МОДЕЛИ: EVINRUDE E15RL4SID 4-stroke, rope start, 20 in sh

РЕДУКТОР | GEARCASE;


Подвесной лодочный мотор Evinrude E15RL4SID 4-stroke, rope start, 20 in sh  - arcase / arcase

Номер на
рисунке
АртикулНаименованиеКол-во
на складе
Цена
0438617

Редуктор в сборе., (Less driveВал и Помпа) (GEARCASE ASSY., (Less driveshaft and pump))

нет в наличии, поставок нет
0435712

   (последний код) GEARCASE-AY

нет в наличии, поставок нет
1 0437774

*Подшипник Корпус подшипника & Сальник assembly (BEARING HOUSING, Bearing & seal assembly)

нет в наличии, поставок нет
1 0433403

   (последний код) HOUSING-AY,P

нет в наличии, поставок нет
2 0342247

**Сальник, Brg. hsg. to prop. Вал (SEAL, Brg. hsg. to prop. shaft)

нет в наличии, поставок нет
3 0386125

**Подшипник, Reverse Шестерня (BEARING, Reverse gear)

нет в наличии, поставок нет
4 0386231

**Подшипник (BEARING)

нет в наличии, поставок нет
5 0333706

**Винт, Подшипник Корпус to Редуктор (SCREW, Bearing housing to gearcase)

нет в наличии, поставок нет
6 0394823

*Шестерня & Втулка в сборе., дляward (GEAR & BUSHING ASSY., Forward)

нет в наличии, поставок нет
7 0308627

*Уплотнительное кольцо, Подшипник hsg. to gcase. (Contents of Комплект сальников редуктора.) (O-RING, Bearing hsg. to gcase. (Contents of Gearcase Seal Kit.))

2 шт100 руб.
8 0330201

*Шестерня обратного хода (GEAR, Reverse)

нет в наличии, поставок нет
9 0343491

*Вал гребного винта (PROPELLER SHAFT)

нет в наличии, поставок нет
9 0438578

   (последний код) KIT AY,PROPSHAFT

нет в наличии, поставок нет
10 0316505

*Фиксатор пружины (SPRING, Detent)

нет в наличии, поставок нет
11 0316506

*Шарик, Detent (BALL, Detent)

нет в наличии, поставок нет
12 0325263

*Переключатель собачки сцепления (SHIFTER, Clutch dog)

нет в наличии, поставок нет
13 0388416

*ПереключательER Рычаг & Обойма (SHIFTER LEVER & YOKE ASSY.)

нет в наличии, поставок нет
13 0386148

   (последний код) SHIFTER LEVER

нет в наличии, поставок нет
14 0308376

*Стержень Штифт переключателя Рычаг (PIVOT PIN, Shifter lever)

нет в наличии, поставок нет
14 0303358

   (последний код) PIVOT-PIN

нет в наличии, поставок нет
15 0332584

**Опорная шайба Штифт (WASHER, Pivot pin)

нет в наличии, поставок нет
16 0386186

*Роликовый подшипник, дляward Шестерня (ROLLER BEARING, Forward gear)

нет в наличии, поставок нет
17 0338190

*Шестерня, DriveВал (PINION, Driveshaft)

нет в наличии, поставок нет
18 0336296

*Нижняя упорная шайба Шестерня Подшипник (THRUST WASHER, Lower pinion bearing)

нет в наличии, поставок нет
19 0388000

*THRUST Подшипник, Шестерня (THRUST BEARING, Pinion)

нет в наличии, поставок нет
20 0343251

*Упорная шайба, дляward & reverse Шестерня (THRUST WASHER, Forward & reverse gear)

нет в наличии, поставок нет
21 0435393

*Редуктор, BRG. & Сальник в сборе. (GEARCASE, BRG. & SEAL ASSY.)

нет в наличии, поставок нет
21 0438617

   (последний код) G-CASE AY,LESS D/S

нет в наличии, поставок нет
22 0386014

**Подшипник ASSEMBLY, DriveВал (BEARING ASSEMBLY, Driveshaft)

нет в наличии, поставок нет
23 0318874

**Гильза, Подшипник driveВал (SLEEVE, Bearing driveshaft)

нет в наличии, поставок нет
24 0321480

**Сальник, Редуктор to driveВал. (Contents of Комплект сальников редуктора.) (SEAL, Gearcase to driveshaft. (Contents of Gearcase Seal Kit.))

нет в наличии, поставок нет
24 0318973

   (последний код) SEAL

нет в наличии, поставок нет
25 0301877

**Уплотнительное кольцо, Втулка to Переключающая тяга. (Contents of Комплект сальников редуктора.) (O-RING, Bushing to shift rod. (Contents of Gearcase Seal Kit.))

нет в наличии, поставок нет
26 0304765

**Втулка, Переключающая тяга (BUSHING, Shift rod)

нет в наличии, поставок нет
27 0321738

**Шайба уплотнения, Переключающая тяга. (Contents of Комплект сальников редуктора.) (WASHER, Seal, shift rod. (Contents of Gearcase Seal Kit.))

нет в наличии, поставок нет
28 0386071

**Подшипник в сборе., Шестерня to Редуктор (BEARING ASSY., Pinion to gearcase)

нет в наличии, поставок нет
29 0338635

**Анод (ANODE)

нет в наличии, поставок нет
30 0338443

**SCREEN, вход (SCREEN, Inlet)

нет в наличии, поставок нет
31 0304013

**Винт, Анод (SCREW, Anode)

нет в наличии, поставок нет
32 0325539

**Винт, Screen (SCREW, Screen)

нет в наличии, поставок нет
32 0312270

   (последний код) SCREW

нет в наличии, поставок нет
33 0121470

**Гайка, Винт, Анод (NUT, Screw, anode)

нет в наличии, поставок нет
34 0307551

*Заглушка & Шайба. (Contents of Комплект сальников редуктора.) (PLUG & WASHER. (Contents of Gearcase Seal Kit.))

нет в наличии, поставок нет
34 0982851

   (последний код) SCREW-PLUG

нет в наличии, поставок нет
35 0311598

**Шайба (WASHER)

нет в наличии, поставок нет
35 3852105

   (последний код) WASHER

нет в наличии, поставок нет
36 0325014

*CRADLE, Сцепление dog (CRADLE, Clutch dog)

нет в наличии, поставок нет
37 0342870

Пыльник, Крыльчатка hsg. to exh. hsg., 15 дюйм (GROMMET, Impeller hsg. to exh. hsg., 15 in.)

нет в наличии, поставок нет
37 0338908

   (последний код) GROMMET

нет в наличии, поставок нет
37 0302497

Нижний пыльник водяной трубки. (Contents of Ремкомплект водяного насоса. RL, RVL, EL, EVL Models. сокращёная длина from P / N 333341 -- 5 / 16 дюйм I.D..) (GROMMET, Water tube lower. (Contents of Water Pump Repair Kit. RL, RVL, EL, EVL Models. Cut to Length from P/N 333341 -- 5/16 in. I.D..))

2 шт250 руб.
38 0435390

Крыльчатка HSG. & Сальник в сборе.. (Contents of Ремкомплект водяного насоса.) (IMPELLER HSG. & SEAL ASSY.. (Contents of Water Pump Repair Kit.))

1 шт1700 руб.
38 0391571

   (последний код) IMP-HSG&SEAL

1 шт1320 руб.
39 0318972

*Сальник, Крыльчатка hsg. to dВал. (Contents of Комплект сальников редуктора. Contents of Ремкомплект водяного насоса.) (SEAL, Impeller hsg. to dshaft. (Contents of Gearcase Seal Kit. Contents of Water Pump Repair Kit.))

2 шт790 руб.
41 0302325

*Винт, Крыльчатка hsg. to gcase. (Contents of Ремкомплект водяного насоса.) (SCREW, Impeller hsg. to gcase. (Contents of Water Pump Repair Kit.))

нет в наличии, поставок нет
42 0318995

Пластина корпуса крыльчатки. (Contents of Ремкомплект водяного насоса.) (PLATE, Impeller housing. (Contents of Water Pump Repair Kit.))

нет в наличии, поставок нет
42 0319988

   (последний код) PLATE IMP HSG

нет в наличии, поставок нет
42 0319988

Пластина корпуса крыльчатки. (Contents of Хромированный ремкомплект водяного насоса.) (PLATE, Impeller housing. (Contents of Chrome Pump Kit.))

нет в наличии, поставок нет
42 0318995

   (последний код) PLATE-IMP-HS

нет в наличии, поставок нет
43 0337396

DRIVEВал, стандарт (DRIVESHAFT, Standard)

нет в наличии, поставок нет
44 0328522

Шплинт, Гайка гребного винта to Вал (COTTER PIN, Propeller nut to shaft)

25 шт60 руб.
45 0318971

Гайка гребного винта (NUT, Propeller)

нет в наличии, поставок нет
46 0323942

Упорная шайба, Prop. Вал, rear (THRUST WASHER, Prop. shaft, rear)

нет в наличии, поставок нет
46 0318959

   (последний код) THRUST-WASHE

нет в наличии, поставок нет
47 0337401

Переключающая тяга, стандарт (SHIFT ROD, Standard)

нет в наличии, поставок нет
49 0334119

Коннектор переключающей тяги (CONNECTOR, Shift rod)

нет в наличии, поставок нет
50 0324097

Cвыше, Крыльчатка Корпус. (Contents of Ремкомплект водяного насоса.) (CUP, Impeller housing. (Contents of Water Pump Repair Kit.))

1 шт1440 руб.
50 0322087

   (последний код) CUP

1 шт1110 руб.
50 0323535

Cвыше, Крыльчатка Корпус. (Contents of Хромированный ремкомплект водяного насоса.) (CUP, Impeller housing. (Contents of Chrome Pump Kit.))

нет в наличии, поставок нет
51 0174817

Гребной винт, 9 X 11. (Refer to Genuine Parts PШнурllar Chart.) (PROPELLER, 9 X 11. (Refer to Genuine Parts Propellar Chart.))

нет в наличии, поставок нет
51 0778773

   (последний код) PROP,AL 9.25X11

нет в наличии, поставок нет
51 0176266

Гребной винт, 10 X 9, high thrust. (Refer to Genuine Parts PШнурllar Chart.) (PROPELLER, 10 X 9, high thrust. (Refer to Genuine Parts Propellar Chart.))

нет в наличии, поставок нет
51 0763458

   (последний код) PROP,AL 9.25X9

нет в наличии, поставок нет
52 0332395

*CONVERGING Кольцо (CONVERGING RING)

нет в наличии, поставок нет
52 0319484

   (последний код) CONVERGING RING

нет в наличии, поставок нет
53 0386119

*Втулка, Гребной винт (BUSHING, Propeller)

нет в наличии, поставок нет
54 0334590

Упорная втулка, Гребной винт (THRUST BUSHING, Propeller)

нет в наличии, поставок нет
55 0341206

Винт, Редуктор to Выхлоп hsg. (SCREW, Gearcase to exhaust hsg.)

нет в наличии, поставок нет
56 0386084

Крыльчатка ASSEMBLY. (Contents of Ремкомплект водяного насоса.) (IMPELLER ASSEMBLY. (Contents of Water Pump Repair Kit.))

нет в наличии, поставок нет
58 0319085

Сальник, Крыльчатка Корпус. (Contents of Комплект сальников редуктора. Contents of Ремкомплект водяного насоса.) (SEAL, Impeller housing. (Contents of Gearcase Seal Kit. Contents of Water Pump Repair Kit.))

4 шт120 руб.
69 0300611

Шпонка крыльчатки to driveВал. (Contents of Ремкомплект водяного насоса. RL, RVL, EL, EVL Models.) (PIN, Impeller to driveshaft. (Contents of Water Pump Repair Kit. RL, RVL, EL, EVL Models.))

нет в наличии, поставок нет
0436981

Удлинитель KIT в сборе.. (Not Shown. RL, RVL, EL, EVL Models.) (EXTENSION KIT ASSY.. (Not Shown. RL, RVL, EL, EVL Models.))

нет в наличии, поставок нет
70 0337397

*DRIVEВал, Long. (RL, RVL, EL, EVL Models.) (DRIVESHAFT, Long. (RL, RVL, EL, EVL Models.))

нет в наличии, поставок нет
71 0337403

*Переключающая тяга. (RL, RVL, EL, EVL Models.) (SHIFT ROD. (RL, RVL, EL, EVL Models.))

нет в наличии, поставок нет
72 0319340

*Удлинитель, Крыльчатка Корпус to Удлинитель корпуса (EXTENSION, Impeller housing to exhaust housing)

нет в наличии, поставок нет
73 0319085

*Сальник, Крыльчатка Корпус to ext.. (Contents of Ремкомплект водяного насоса. RL, RVL, EL, EVL Models.) (SEAL, Impeller housing to ext.. (Contents of Water Pump Repair Kit. RL, RVL, EL, EVL Models.))

4 шт120 руб.
74 0324334

*Винт, Удлинитель. (RL, RVL, EL, EVL Models.) (SCREW, Extension. (RL, RVL, EL, EVL Models.))

нет в наличии, поставок нет
74 0302820

   (последний код) SCREW

нет в наличии, поставок нет
75 0331152

*Удлинитель, Редуктор. (RL, RVL, EL, EVL Models.) (EXTENSION, Gearcase. (RL, RVL, EL, EVL Models.))

нет в наличии, поставок нет
75 0319314

   (последний код) GRCASE-EXT

нет в наличии, поставок нет
76 0337383

*Водяная трубка. (RL, RVL, EL, EVL Models.) (WATER TUBE. (RL, RVL, EL, EVL Models.))

нет в наличии, поставок нет
77 0342870

*Пыльник водяной трубки to exh. hsg.. (RL, RVL, EL, EVL Models.) (GROMMET, Water tube to exh. hsg.. (RL, RVL, EL, EVL Models.))

нет в наличии, поставок нет
77 0338908

   (последний код) GROMMET

нет в наличии, поставок нет
78 0337398

DRIVEВал. 10TEX, TVX MODELS (DRIVESHAFT. 10TEX, TVX MODELS)

нет в наличии, поставок нет
79 0337402

Переключающая тяга. 10TEX, TVX MODELS (SHIFT ROD. 10TEX, TVX MODELS)

нет в наличии, поставок нет
80 0395894

Удлинитель, Редуктор. 10TEX, TVX MODELS (EXTENSION, Gearcase. 10TEX, TVX MODELS)

нет в наличии, поставок нет
80 0393203

   (последний код) GEARCASE EXT AY

нет в наличии, поставок нет
81 0328301

*Гильза, Удлинитель. 10TEX, TVX MODELS (SLEEVE, Extension. 10TEX, TVX MODELS)

нет в наличии, поставок нет
82 0328302

*Втулка, Удлинитель. 10TEX, TVX MODELS (BUSHING, Extension. 10TEX, TVX MODELS)

нет в наличии, поставок нет
83 0319340

Удлинитель, Exh. hsg. to ext.. 10TEX, TVX MODELS (EXTENSION, Exh. hsg. to ext.. 10TEX, TVX MODELS)

нет в наличии, поставок нет
84 0324334

Винт, Удлинитель to exh. Hsg.. 10TEX, TVX MODELS (SCREW, Extension to exh. Hsg.. 10TEX, TVX MODELS)

нет в наличии, поставок нет
84 0302820

   (последний код) SCREW

нет в наличии, поставок нет
85 0337382

Водяная трубка. 10TEX, TVX MODELS (WATER TUBE. 10TEX, TVX MODELS)

нет в наличии, поставок нет
86 0342870

Пыльник водяной трубки to exh. hsg.. 10TEX, TVX MODELS (GROMMET, Water tube to exh. hsg.. 10TEX, TVX MODELS)

нет в наличии, поставок нет
86 0338908

   (последний код) GROMMET

нет в наличии, поставок нет
87 0394711

Ремкомплект водяного насоса, (Includes Крыльчатка Корпус) (WATER PUMP REPAIR KIT, (Includes impeller housing))

нет в наличии, поставок нет
87 0393560

   (последний код) WATERPUMP KIT

нет в наличии, поставок нет
88 0389114

CHROME Cвыше & Пластина KIT (CHROME CUP & PLATE KIT)

нет в наличии, поставок нет
88 0394711

   (последний код) REPAIR-KIT

нет в наличии, поставок нет
89 0396350

Комплект сальников редуктора (GEARCASE SEAL KIT)

1 шт5300 руб.
evinrude

Время выполнения запроса 2.8888399600983 сек.


 
 

данный сайт носит информационный характер и не является публичной офертой

склад запчастей для водомоторной техники