вконтакте

Контактный телефон: +7 (981) 121-46-93, +7 (800) 200-90-76 , Email: parts-katalog@yandex.ru, где купить

 
 

  Логин:

Пароль:

Регистрация

www.partskatalog.ru Все каталоги Запчасти Mercury Запчасти Suzuki Запчасти Tohatsu Запчасти Honda Контакты



УВАЖАЕМЫЕ КЛИЕНТЫ!
C 19 ДЕКАБРЯ 2025 ПО 02 МАРТА 2026 ГОДА ОТДЕЛ ЗАПЧАСТЕЙ И СЕРВИС РАБОТАТЬ НЕ БУДУТ
ПРОДАЖА ЛОДОЧНЫХ МОТОРОВ В ШТАТНОМ РЕЖИМЕ
ОБ ИЗМЕНЕНИЯХ В ГРАФИКЕ РАБОТЫ ЧИТАЙТЕ НА САЙТА




Все разделы каталога запчастей на этот двигатель

назад Раздел:   вперёд

вернуться к списку узлов и деталей

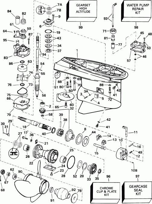
ДЕТАЛИРОВКА ДЛЯ МОДЕЛИ: EVINRUDE RE200FXSSC FFI, Elec Start, TNT, 25 IN s

РЕДУКТОР - СТАНДАРТ ROTATION - FX - FPX - FZ - FPZ MODELS | GEARCASE - STANDARD ROTATION - FX - FPX - FZ - FPZ MODELS &NB;


Лодочный подвесной мотор Эвинруд RE200FXSSC FFI, Elec Start, TNT, 25 IN s  - Standard Rotation - Fx - Fpx - Fz - Fpz Models / стандарт Rotation - Fx - Fpx - Fz - Fpz Models

Номер на
рисунке
АртикулНаименованиеКол-во
на складе
Цена
5001614

Редуктор в сборе., комплект. (Not Shown.) (GEARCASE ASSY., Complete. (Not Shown.))

нет в наличии, поставок нет
5005401

   (последний код) G-CASE*V6/STD/OFFS

нет в наличии, поставок нет
1 0439972

*Редуктор в сборе с подшипником. (GEARCASE & BEARING ASSY.)

нет в наличии, поставок нет
1 5007022

   (последний код) GCASE & BRG AY,"O"

нет в наличии, поставок нет
2 0387817

**Подшипник, Шестерня (BEARING, Pinion)

нет в наличии, поставок нет
3 0324852

**RETAINING Винт (RETAINING SCREW)

нет в наличии, поставок нет
3A 0332584

***Сальник. (Contents of Комплект сальников редуктора.) (SEAL. (Contents of Gearcase Seal Kit.))

нет в наличии, поставок нет
4 0337061

**Винт, Screens (SCREW, Screens)

нет в наличии, поставок нет
5 0337778

**SCREEN (SCREEN)

нет в наличии, поставок нет
5 0339247

*SCREEN, High volume. (Опции.) (SCREEN, High volume. (Optional.))

нет в наличии, поставок нет
6 0439476

*Подшипник Корпус & Сальник (BEARING HOUSING & SEAL)

нет в наличии, поставок нет
6 0438963

   (последний код) HOUSING AY,BEARING

нет в наличии, поставок нет
7A 0329922

**Сальник, верхний (Contents of Комплект сальников редуктора.) (SEAL, Upper. (Contents of Gearcase Seal Kit.))

нет в наличии, поставок нет
7B 0329923

**Сальник, нижний (Contents of Комплект сальников редуктора.) (SEAL, Lower. (Contents of Gearcase Seal Kit.))

нет в наличии, поставок нет
8 0389042

*THRUST BRG., Fwd. Шестерня (THRUST BRG., Fwd. gear)

нет в наличии, поставок нет
9 0317624

*Винт, Корпус to Редуктор (SCREW, Housing to gearcase)

нет в наличии, поставок нет
10 0389455

*Корпус & Подшипник в сборе. (HOUSING & BEARING ASSY.)

нет в наличии, поставок нет
10B 0331880

**Штифт, Корпус (PIN, Housing)

нет в наличии, поставок нет
11 0915954

*DETENT, Переключательer (DETENT, Shifter)

нет в наличии, поставок нет
11 0323946

   (последний код) DETENT

нет в наличии, поставок нет
12 0911962

*Фиксатор пружины (SPRING, Detent)

нет в наличии, поставок нет
12 0915955

   (последний код) SPRING

нет в наличии, поставок нет
13 0334163

*CRADLE, Переключательer (CRADLE, Shifter)

5 шт1880 руб.
13 0322900

   (последний код) CRADLE-SHIFT

нет в наличии, поставок нет
14 0322938

*Рычаг переключения (SHIFT LEVER)

нет в наличии, поставок нет
15 0322941

*Вал (SHAFT)

нет в наличии, поставок нет
16 0328825

*Штифт, Рычаг переключения (PIN, Shift lever)

нет в наличии, поставок нет
17 0341541

*Винт, Фиксатор (SCREW, Retainer)

нет в наличии, поставок нет
18 0435022

*Вал гребного винта в сборе. (PROPELLER SHAFT ASSY.)

нет в наличии, поставок нет
18 5004765

   (последний код) PROPSHAFT AY,SERV

нет в наличии, поставок нет
19 0314728

*Уплотнительное кольцо, DriveВал Подшипник Корпус (O-RING, Driveshaft bearing housing)

нет в наличии, поставок нет
19 0354731

   (последний код) O-RING

1 шт850 руб.
20 0382408

*THRUST Подшипник, Reverse Шестерня (THRUST BEARING, Reverse gear)

нет в наличии, поставок нет
21 0333957

*TAB, Фиксатор (TAB, Retainer)

нет в наличии, поставок нет
22 5000605

*Подшипник Корпус & Сальник в сборе. (BEARING HOUSING & SEAL ASSY.)

нет в наличии, поставок нет
22 5004257

   (последний код) HSG AY, PROPSHAFT

нет в наличии, поставок нет
23 0908158

**Винт, Анод (SCREW, Anode)

нет в наличии, поставок нет
23 3852050

   (последний код) SCREW

нет в наличии, поставок нет
24 0431708

**Анод, Подшипник Корпус (ANODE, Bearing housing)

нет в наличии, поставок нет
24 0397111

   (последний код) ANODE-AY

нет в наличии, поставок нет
25 0382407

**Игольчатый подшипник в сборе. (NEEDLE BEARING ASSY.)

1 шт5500 руб.
26 0436752

**Игольчатый подшипник в сборе. (NEEDLE BEARING ASSY.)

нет в наличии, поставок нет
27 0334950

**Сальник. (Contents of Комплект сальников редуктора.) (SEAL. (Contents of Gearcase Seal Kit.))

нет в наличии, поставок нет
28 0305123

**Уплотнительное кольцо, Корпус вала гребного винта - V. (Contents of Комплект сальников редуктора.) (O-RING, Propeller shaft housing - V. (Contents of Gearcase Seal Kit.))

нет в наличии, поставок нет
28 0321119

   (последний код) O-RING,-DLR

нет в наличии, поставок нет
29 0349001

*WEDGE (WEDGE)

нет в наличии, поставок нет
29 0345999

   (последний код) WEDGE

нет в наличии, поставок нет
30 0916070

*Винт (Винт Lock) (SCREW (Screw Lock))

нет в наличии, поставок нет
30 3853661

   (последний код) SCREW

нет в наличии, поставок нет
31 0345998

*Пружинная шайба (SPRING WASHER)

нет в наличии, поставок нет
32 5004218

*ШестерняSET, стандарт, 14: 26 (54) (GEARSET, Standard, 14:26 (.54))

нет в наличии, поставок нет
32 5001547

   (последний код) GEARSET

нет в наличии, поставок нет
33 0336561

**Шестерня обратного хода. Included in Шестерняset 5004218 (GEAR, Reverse. Included in gearset 5004218)

нет в наличии, поставок нет
34 0327656

*Упорная шайба шестерни Шестерня (THRUST WASHER, Pinion)

нет в наличии, поставок нет
34 0314729

   (последний код) THRUST-WASHE

нет в наличии, поставок нет
35 0336565

*Упорная шайба (THRUST WASHER)

нет в наличии, поставок нет
36 0328743

*Шайба, Винт, tab (WASHER, Screw, tab)

нет в наличии, поставок нет
36 3852191

   (последний код) WASHER

нет в наличии, поставок нет
37 0387656

*THRUST Подшипник, Шестерня (THRUST BEARING, Pinion)

нет в наличии, поставок нет
37 0383248

   (последний код) BEARING

нет в наличии, поставок нет
38 0337774

*Переключатель собачки сцепления (SHIFTER, Clutch dog)

нет в наличии, поставок нет
38 0910995

   (последний код) SHIFTER

нет в наличии, поставок нет
39 0313448

*Штифт сцепления dog (PIN, Clutch dog)

нет в наличии, поставок нет
40 0324369

*Пружина, Сцепление dog Штифт (SPRING, Clutch dog pin)

нет в наличии, поставок нет
40 0313454

   (последний код) SPRING

нет в наличии, поставок нет
41 0318544

*Заглушка, Fill & drain. (Contents of Комплект сальников редуктора.) (PLUG, Fill & drain. (Contents of Gearcase Seal Kit.))

нет в наличии, поставок нет
41 0912624

   (последний код) SCREW

нет в наличии, поставок нет
42 0311598

**Шайба (WASHER)

нет в наличии, поставок нет
42 3852105

   (последний код) WASHER

нет в наличии, поставок нет
43 0323362

*Регулировочная шайба, 0.003 дюйм (0, 07 мм) (SHIM, 0.003 in. (0,07mm))

нет в наличии, поставок нет
43 0323361

*Регулировочная шайба, 0.004 дюйм (0, 10 мм) (SHIM, 0.004 in. (0,10mm))

нет в наличии, поставок нет
43 0314745

*Регулировочная шайба, 0.005 дюйм (0, 12 мм) (SHIM, 0.005 in. (0,12mm))

нет в наличии, поставок нет
44 0327669

*Упорная шайба, дляward Шестерня (THRUST WASHER, Forward gear)

нет в наличии, поставок нет
44 0324805

   (последний код) THRUST-WASHE

нет в наличии, поставок нет
45 0435482

*Крышка & Сальник в сборе. (COVER & SEAL ASSY.)

нет в наличии, поставок нет
45 5006241

   (последний код) COVER AY,SHIFT ROD

нет в наличии, поставок нет
46 0318372

**Уплотнительное кольцо, Переключающая тяга. (Contents of Комплект сальников редуктора.) (O-RING, Shift rod. (Contents of Gearcase Seal Kit.))

нет в наличии, поставок нет
48 0302325

*Винт, Крышка (SCREW, Cover)

нет в наличии, поставок нет
49 0160084

*Шарик, Detent (BALL, Detent)

нет в наличии, поставок нет
49 3852023

   (последний код) BALL

нет в наличии, поставок нет
50 0328096

*Винт, Анод (SCREW, Anode)

нет в наличии, поставок нет
50 0327046

   (последний код) SCREW

нет в наличии, поставок нет
51 0436745

*Анод (ANODE)

нет в наличии, поставок нет
51 0393023

   (последний код) ANODE&INSERT AY

нет в наличии, поставок нет
52 0314731

*THRUST Шайба шестерни заднего хода (THRUST WASHER, Reverse gear)

нет в наличии, поставок нет
53 0328702

*Шайба (WASHER)

нет в наличии, поставок нет
53 3852183

   (последний код) WASHER

нет в наличии, поставок нет
54 0311538

*ROLL Штифт, DriveВал (ROLL PIN, Driveshaft)

нет в наличии, поставок нет
55 0338504

*Фиксатор приводного вала (RETAINER, Driveshaft)

нет в наличии, поставок нет
56 0345905

*DRIVEВал, нижний (DRIVESHAFT, Lower)

нет в наличии, поставок нет
56 0335677

   (последний код) DRIVESHAFT,L

нет в наличии, поставок нет
57 0324670

*Прокладка, Переключающая тяга Крышка. (Contents of Комплект сальников редуктора.) (GASKET, Shift rod cover. (Contents of Gearcase Seal Kit.))

нет в наличии, поставок нет
57 0352165

   (последний код) GASKET

2 шт550 руб.
58 0314730

*Гайка, Шестерня to driveВал (100-110 фут lbs) (NUT, Pinion to driveshaft (100-110 ft. lbs))

нет в наличии, поставок нет
59 0338893

Колпак крыльчатки Корпус. (Contents of S.S. Ремкомплект водяного насоса.) (COVER, Impeller housing. (Contents of S.S. Water Pump Repair Kit.))

нет в наличии, поставок нет
59 0321159

   (последний код) COVER-IMP-HS

нет в наличии, поставок нет
60 0338742

Пластина трима, Редуктор (TRIM TAB, Gearcase)

нет в наличии, поставок нет
60 0327810

   (последний код) TRIM TAB

нет в наличии, поставок нет
61 0320943

Пыльник, Крыльчатка Корпус. (Contents of S.S. Ремкомплект водяного насоса.) (GROMMET, Impeller housing. (Contents of S.S. Water Pump Repair Kit.))

1 шт300 руб.
62 0320570

Проставка гайки гребного винта (SPACER, Propeller nut)

нет в наличии, поставок нет
62 3852163

   (последний код) SPACER,PROP

нет в наличии, поставок нет
63 0338486

Cвыше, Крыльчатка. (Contents of S.S. Ремкомплект водяного насоса.) (CUP, Impeller. (Contents of S.S. Water Pump Repair Kit.))

нет в наличии, поставок нет
63 0338551

Cвыше, Крыльчатка Корпус. (хромированная пластина.) (CUP, Impeller housing. (Chrome Plated.))

нет в наличии, поставок нет
64 0306643

Винт, Крышка to Крыльчатка. (Contents of S.S. Ремкомплект водяного насоса.) (SCREW, Cover to impeller. (Contents of S.S. Water Pump Repair Kit.))

нет в наличии, поставок нет
64 3852066

   (последний код) SCREW

нет в наличии, поставок нет
65 0313715

Винт, Пластина трима (SCREW, Trim tab)

нет в наличии, поставок нет
66 0338485

Пластина корпуса крыльчатки. (Contents of S.S. Ремкомплект водяного насоса.) (PLATE, Impeller housing. (Contents of S.S. Water Pump Repair Kit.))

нет в наличии, поставок нет
66 0338552

Пластина корпуса крыльчатки. (хромированная пластина.) (PLATE, Impeller housing. (Chrome Plated.))

нет в наличии, поставок нет
67 0398042

Гайка & KEEPER, Гребной винт (NUT & KEEPER, Propeller)

нет в наличии, поставок нет
67 3850984

   (последний код) NUT&KEEPER AY,PROP

нет в наличии, поставок нет
68 0306394

*Шплинт, Гайка гребного винта (COTTER PIN, Propeller nut)

нет в наличии, поставок нет
68 3852056

   (последний код) PIN,COTTER

нет в наличии, поставок нет
69 0330265

Шайба, Винт, long (WASHER, Screw, long)

нет в наличии, поставок нет
70 0331998

Винт, Редуктор to Корпус (SCREW, Gearcase to housing)

нет в наличии, поставок нет
70 0914535

   (последний код) SCREW

нет в наличии, поставок нет
71 0321008

Пыльник, Exh. hsg. to Переключающая тяга. (Contents of S.S. Ремкомплект водяного насоса.) (GROMMET, Exh. hsg. to shift rod. (Contents of S.S. Water Pump Repair Kit.))

нет в наличии, поставок нет
72 0331999

Винт, Редуктор to Корпус (SCREW, Gearcase to housing)

нет в наличии, поставок нет
72 0910457

   (последний код) SCREW

нет в наличии, поставок нет
73 0331353

Сальник, Крыльчатка Корпус to Пластина. (Contents of S.S. Ремкомплект водяного насоса.) (SEAL, Impeller housing to plate. (Contents of S.S. Water Pump Repair Kit.))

1 шт790 руб.
74 5001593

Крыльчатка в сборе.. (Contents of S.S. Ремкомплект водяного насоса.) (IMPELLER ASSY.. (Contents of S.S. Water Pump Repair Kit.))

нет в наличии, поставок нет
74 0435821

   (последний код) KIT AY,IMPELLER

нет в наличии, поставок нет
75 0331107

*CAM, Крыльчатка. (Contents of S.S. Ремкомплект водяного насоса.) (CAM, Impeller. (Contents of S.S. Water Pump Repair Kit.))

нет в наличии, поставок нет
76 0302035

*Уплотнительное кольцо. (Contents of S.S. Ремкомплект водяного насоса.) (O-RING. (Contents of S.S. Water Pump Repair Kit.))

нет в наличии, поставок нет
77 0339346

Удлинитель, Проставка. (FZ, FPZ.) (EXTENSION, Spacer. (FZ, FPZ.))

нет в наличии, поставок нет
78 0126870

Упорная втулка. (Renegade® Offshore & All 3-Blade.) (THRUST BUSHING. (Renegade® Offshore & All 3-Blade.))

нет в наличии, поставок нет
78 3852020

   (последний код) BUSHING,THRUST

нет в наличии, поставок нет
78 0126869

Упорная втулка. (Renegade® Bass & Shooter® Only.) (THRUST BUSHING. (Renegade® Bass & Shooter® Only.))

нет в наличии, поставок нет
78 0128740

   (последний код) BUSHING,THRUST

нет в наличии, поставок нет
79 0338484

Прокладка крыльчатки hsg. Пластина. (Contents of S.S. Ремкомплект водяного насоса. Contents of Комплект сальников редуктора.) (GASKET, Impeller hsg. Plate. (Contents of S.S. Water Pump Repair Kit. Contents of Gearcase Seal Kit.))

нет в наличии, поставок нет
79 0324701

   (последний код) GASKET,-DRL5

нет в наличии, поставок нет
80 0330263

Винт, Редуктор, rear (SCREW, Gearcase, rear)

нет в наличии, поставок нет
80 0914534

   (последний код) SCREW

нет в наличии, поставок нет
81 0321122

Проставка, Переключающая тяга (SPACER, Shift rod)

нет в наличии, поставок нет
82 0338601

Пыльник, Помпа to hsg.. (Contents of S.S. Ремкомплект водяного насоса.) (GROMMET, Pump to hsg.. (Contents of S.S. Water Pump Repair Kit.))

1 шт520 руб.
83 0435959

Крыльчатка Корпус, Редуктор. (Contents of S.S. Ремкомплект водяного насоса.) (IMPELLER HOUSING, Gearcase. (Contents of S.S. Water Pump Repair Kit.))

нет в наличии, поставок нет
84 0338636

Гильза, Помпа to Корпус. (FX, FPX. Contents of S.S. Ремкомплект водяного насоса.) (SLEEVE, Pump to housing. (FX, FPX. Contents of S.S. Water Pump Repair Kit.))

нет в наличии, поставок нет
84 0338667

Гильза, Помпа to Корпус. (FZ, FPZ. Contents of S.S. Ремкомплект водяного насоса.) (SLEEVE, Pump to housing. (FZ, FPZ. Contents of S.S. Water Pump Repair Kit.))

нет в наличии, поставок нет
86 0331188

Уплотнительное кольцо. (Contents of S.S. Ремкомплект водяного насоса.) (O-RING. (Contents of S.S. Water Pump Repair Kit.))

5 шт370 руб.
87 0302325

Винт, Крыльчатка Корпус, 1 дюйм. (Contents of S.S. Ремкомплект водяного насоса.) (SCREW, Impeller housing, 1 in.. (Contents of S.S. Water Pump Repair Kit.))

нет в наличии, поставок нет
88 0330266

Шайба (WASHER)

нет в наличии, поставок нет
88 3852200

   (последний код) WASHER

нет в наличии, поставок нет
89 0

Гребной винт. (Refer to Genuine Parts Гребной винт Chart.) (PROPELLER. (Refer to Genuine Parts Propeller Chart.))

нет в наличии, поставок нет
90 0332394

*CONVERGING Кольцо, 3-blade (CONVERGING RING, 3-blade)

нет в наличии, поставок нет
90 3854241

   (последний код) RING, CONVERGING

нет в наличии, поставок нет
91 0313926

*Гильза, Втулка (SLEEVE, Bushing)

нет в наличии, поставок нет
91 3850831

   (последний код) SLEEVE-PROP

нет в наличии, поставок нет
92 0387157

*Втулка в сборе., Prop., 3-blade, alum. (BUSHING ASSY., Prop., 3-blade, alum.)

нет в наличии, поставок нет
92 0175401

*Втулка в сборе., Гребной винт. (Renegade® Offshore & All 3-Blade.) (BUSHING ASSY., Propeller. (Renegade® Offshore & All 3-Blade.))

нет в наличии, поставок нет
92 0431730

*Втулка в сборе., Гребной винт. (Renegade® Bass & Shooter® Only.) (BUSHING ASSY., Propeller. (Renegade® Bass & Shooter® Only.))

нет в наличии, поставок нет
93 0329865

Переключающая тяга. (FX, FPX.) (SHIFT ROD. (FX, FPX.))

нет в наличии, поставок нет
93 0337780

Переключающая тяга. (FZ, FPZ.) (SHIFT ROD. (FZ, FPZ.))

нет в наличии, поставок нет
94 5000623

Приводной вал., верхний (Incl. #54 & 55) (FX models) (DRIVESHAFT ASSY., Upper (Incl. #54 & 55). (FX models))

нет в наличии, поставок нет
94 5007672

   (последний код) KIT,UPPER D/S-25"

нет в наличии, поставок нет
94 5000628

Приводной вал., верхний (Incl. #54 & 55) (FZ models) (DRIVESHAFT ASSY., Upper (Incl. #54 & 55). (FZ models))

нет в наличии, поставок нет
94 5007673

   (последний код) UPPER DSHAFT AY

нет в наличии, поставок нет
95 0314008

Пыльник водяной трубки. (Contents of S.S. Ремкомплект водяного насоса.) (GROMMET, Water tube. (Contents of S.S. Water Pump Repair Kit.))

нет в наличии, поставок нет
96 0435526

CHROME Cвыше & Пластина KIT (CHROME CUP & PLATE KIT)

нет в наличии, поставок нет
96 0395059

   (последний код) CHROME PUMP KIT

нет в наличии, поставок нет
97 5000411

Комплект сальников редуктора (GEARCASE SEAL KIT)

нет в наличии, поставок нет
97 5006373

   (последний код) KIT AY,SEAL-GC

нет в наличии, поставок нет
98 5001595

Ремкомплект водяного насоса, Includes Крыльчатка Корпус (WATER PUMP REPAIR KIT, Includes impeller housing)

нет в наличии, поставок нет
98 0435929

   (последний код) KIT AY,WATER PUMP

нет в наличии, поставок нет
99 0438493

ШестерняSET, High altitude, 13: 26 (50) (GEARSET, High altitude, 13:26 (.50))

нет в наличии, поставок нет
evinrude

Время выполнения запроса 1.7811760902405 сек.


 
 

данный сайт носит информационный характер и не является публичной офертой

склад запчастей для водомоторной техники